전자계산기기사 (2019년09월21일 기출문제)
1과목 : 시스템 프로그래밍
1번
우선순위 스케줄링 알고리즘에서 발생할 수 있는 무한연기 현상을 해결하기 위해서 제안된 방법은?
2번
문맥제어 언어에 대한 설명으로 틀린 것은?
3번
시스템 소프트웨어에 대한 설명으로 틀린 것은?
4번
프로그램의 소스 코드가 실제 수행되기까지의 순서로 옳은 것은?
5번
Global Reference를 절대번지로 바꾸거나 Kinking와 상대번지를 바꾸는 과정 등과 같이 변하기 쉬운 것을 확고하게 결정짓는 것을 무엇이라고 하는가?
6번
어셈블리어에서 논리적인 비교와 결과가 양수 또는 음수인지를 검사하여 상태 레지스터의 상태 비트를 설정하는 명령은?
7번
교착 상태 발생의 필요조건이 아닌 것은?
8번
프로그램에서 오류가 발생한 위치와 오류가 발생하게 된 원인을 추적하기 위하여 사용되는 것은?
9번
워킹 셋에 대한 설명으로 틀린 것은?
10번
로더(Loader)의 기능이 아닌 것은?
11번
어셈블리에서 어떤 기호적 이름에 상수 값을 할당하는 명령어는?
12번
시간구역성(temporal locality)의 예로 틀린 것은?
13번
운영체제의 기능이 아닌 것은?
14번
데이터가 입력된 순간에 곧바로 작업을 처리하는 컴퓨터 시스템으로 화학공장 또는 원자력 발전소 등의 공정 제어 시스템, 은행의 온라인 처리 시스템 등에 사용되는 시스템은?
15번
Assembly 언어에서 제 1번지부에 표현한 번호의 register에 다음 명령의 번지를 기억시킨 후, 제 2번지부에 표현한 번호의 register가 기억한 번지로 분기하는 명령어는?
16번
페이징 시스템에서 페이지의 크기에 관한 설명으로 틀린 것은?
17번
매크로 프로세서(Macro Processor)의 기본 수행 작업에 해당하지 않는 것은?
18번
Formal grammar의 4가지 형태에 해당하지 않는 것은?
19번
구문 분석기가 올바른 문장에 대해 그 문장의 구조를 트리로 표현한 것으로 루트, 중간, 단말 노드로 구성되는 트리는 무엇인가?
20번
어셈블러의 이중 패스(Two Pass)로 구성하는 주된 이유는?
2과목 : 전자계산기구조
21번
인터럽트 시스템에서 인터럽트 전처리루틴(pre processing routine)의 기능은?
22번
우선순위 중재 방식 중 중재동작이 끝날 때마다 모든 마스터들이 우선순위가 한 단계씩 낮아지고, 가장 우선순위가 낮았던 마스터가 최상위 우선순위를 가지는 방식은?
23번
기억장치에 대한 설명으로 틀린 것은?
24번
전가산기(full adder)의 Carry 비트를 논리식으로 나타낸 것은?
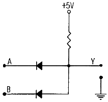
25번
다음 회로의 출력 Y 값은?

26번
명령어를 구성하는 ㅁ병령어 내 비트들의 할당에 영향을 주는 요소가 아닌 것은?
27번
비휘발성 메모리가 아닌 것은?
28번
4비트 데이터 0101을 해밍코드(hamming code)로 표현하려고 한다. 코드의 구성은 P1 P2 D3 P4 D5 D6 D7과 같이 한다. 여기서 Pn은 패리티 비트를 의미하고, Dn은 데이터 즉, 0101을 의미한다. 변환된 해밍코드는?
29번
임의의 컴퓨터 시스템에서 비트 슬라이스의 길이가 16이고, 단어의 길이가 8인 경우, 최대 병렬수행도 P 값은?
30번
1개의 Full adder를 구성하기 위해서는 최소 몇 개의 Half adder가 필요한가?
31번
마이크로프로그램을 이용하는 제어장치의 구성요소가 아닌 것은?
32번
인터럽트의 요청이 있을 경우에 처리하는 내용 중 가장 관계 없는 것은?
33번
기억장치의 용량을 나타내는 단위로 틀린 것은?
34번
400MHz 프로세서에서 어떤 프로그램을 실핼할 때 총 2백만 개의 명령어들이 실행되었고, 각 명령어의 유형과 비율은 아래 표와 같이 주어졌다고 가정할 때 평균 CPI와 MIPS(Millions of instructions per second)율은 각각 계산한 결과로 옳은 것은? (단, MIPS율의 경우 소숫점 이하 숫자는 버림한다.)

35번
다중처리기 상호 연결 방법 중 시분할 공유버스를 설명한 것은?
36번
하드웨어 우선순위 인터럽트의 특징으로 가장 옳은 것은?
37번
마이크로프로그램을 이용한 제어에서 제어 단어의 각 비트가 한 마이크로 연산 실행 여부를 제어하는 제어 신호로 사용되는 마이크로 명령어 형식으로 옳은 것은?
38번
다음은 병렬처리 컴퓨터에서 사용하는 기억장치를 설명한 것이다. 기억된 정보의 일부분을 참조하여 원하는 정보가 기억된 위치를 알아낸 후, 그 위치에서 나머지 정보에 접근할 수 있는 기억장치는?
39번
디지털 IC의 전달지연 시간이 가장 짧은 것부터 차례로 나열한 것은?
40번
X=950.4, Y=82를 더한 결과를 정규화한 값은?
3과목 : 마이크로전자계산기
41번
다음 중 간접 주소(indirect address)에 대한 설명으로 옳은 것은?
42번
제어 메모리에서 번지를 결정하는 방법과 관련이 없는 것은?
43번
입출력 장치로의 병렬 데이터 전송 중에서 IEEE-488 표준 규격이 제정되어 있으며, 계측기에서 대부분 채택하고 있는 인터페이스의 명칭은?
44번
다음 중 UART가 수행할 수 있는 동작이 아닌 것은?
45번
TTL 출력 종류 중 논리값이 0도 아니고 1도 아닌, 고임피던스 상태를 가지며, 특히 bus 구조에 적합한 것은?
46번
그림과 같은 어느 프로그램 중 0123 번지에 CALL A 명령이 있다. 이 CALL A를 수행한 후 PC에 기억된 값은? (단, 모든 명령문은 1바이트라 한다.)

47번
CMOS형 IC의 장점으로 옳은 것은?
48번
주기억장치와 중앙처리장치와의 속도 차이를 해결하기 위하여 사용되는 기억장치는?
49번
인출 사이클(frtch cycle) 수행 시 적합하지 않은 ㄱ마이크로 오퍼레이션은?
50번
표준 비동기 직렬 데이터 전송에서 데이터 양식에 속하지 않는 것은?
51번
다음의 CPU 회로에서 점선 부분의 역할은 무엇인가?

52번
다음 중에서 기억장치로부터 전송된 데이터를 일시적으로 저장하는 레지스터는?
53번
컴퓨터 제어장치의 기본 사이클에 속하지 않는 것은?
54번
DMA 제어장치가 꼭 갖추어야 할 필수 레지스터가 아닌 것은?
55번
다음 중 특정 비트만 0으로 하기 위한 연산은?
56번
연산의 결과 올림수가 발생하면 1이 되는 flag는 어느 것인가?
57번
데이지 체인(Daisy chain) 기법을 가장 올바르게 설명한 것은?
58번
DRAM(Dynamic Random Access Memory)에 대한 설명으로 옳은 것은?
59번
고정배선제어에 비해 마이크로프로그램을 이용한 제어 방식이 가지는 장점으로 틀린 것은?
60번
비동기식 입출력 장치의 특징이 아닌 것은?
4과목 : 논리회로
61번
다음 중 SR 플립플롭의 부정 상태가 출력으로 나타나지 않도록 개량하여 부정 상태 없이 불변, 0, 1 토글의 4가지 출력을 가지는 플립플롭은?
62번
다음의 회로와 같은 결과를 얻을 수 있는 게이트(gate)는 어느 것인가? (단, 다이오드는 이상적인 소자이다.)

63번
다음 논리회로의 논리식으로 옳은 것은?

64번
2진수 10110의 2의 보수는?
65번
BCD의 01000010과 00110110의 합을 10진수로 표현하면?
66번
10진수 0.4375를 2진수로 변환한 것으로 옳은 것은?
67번
다음 식
를 가장 간략화한 것은?
를 가장 간략화한 것은?
68번
다음 회로의 출력 F에 대한 회로식으로 틀린 것은? (단, x는 MSB, z는 LSB이다.)

69번
다음 회로에서 B의 주기가 1000ns라면, 클록주파수는 몇 MHz 인가?

70번
3초과 코드(3-excess code) 0101을 BCD코드로 변환하면?
71번
리플 카운터의 특징으로 틀린 것은?
72번
2입력 Exclusive-OR에 대한 설명으로 옳은 것은?
73번
동기형 15진 계수기를 구성하기 위한 최소의 플립플롭의 개수는?
74번
다음의 진리표에 해당하는 논리식으로 옳은 것은?

75번
디지털 회로에서 clock pulse가 오기 전에 입력하고자 하는 입력 자료가 미리 대기하고 있어야 원하는 결과를 얻을 수 있다. 이 때 대기하는 시간을 무엇이라 하는가?
76번
다음 중 입력이 모두 0일 때에만 출력이 1이 되는 게이트는?
77번
BCD를 10진수로 변환하는 회로는?
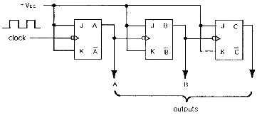
78번
그림과 같은 구성도는 어떤 플립플롭인가?

79번
레지스터의 기능으로 옳은 것은?
80번
다음 회로에서 입력이 A=1, B=1, Ci=1일 때 출력 X화 Y의 값으로 옳은 것은?

5과목 : 데이터통신
81번
연속적인 신호파형에서 최고주파수가 W(Hz)일 때 나이퀴스트(Nyquist) 표본화 주기(T)는?
82번
HDLC 프레임 구조에 포함되지 않는 것은?
83번
다음 내용이 설명하는 것은 무엇인가?

84번
통신 속도가 2400[baud]이고, 4상 위상변조를 하는 경우 데이터의 전송속도[bps]는?
85번
송신 스테이션이 데이터 프레임을 연속적으로 전송해 나가다가 NAK를 수신하게 되면 에러가 발생한 프레임을 포함하여 그 이후에 전송된 모든 데이터 프레임을 재전송하는 방식은?
86번
샤논의 정의에서 채널용량을 결정하는 요소가 아닌 것은?
87번
IEEE 802.11 워킹 그룹의 무선 LAN 표준화 현황 중 QoS 강화를 위해 MAC 지원 기능을 채택한 태스크 그룹은?
88번
대역폭(bandwidth)에 대한 설명으로 옳은 것은?
89번
PSK에서 반송파 간의 위상차는? (단, M은 진수이다.)
90번
다음 중 패킷 교환망의 설명으로 틀린 것은?
91번
ATM에 대한 설명으로 틀린 것은?
92번
OSI 7계층 중 데이터 링크 계층의 프로토콜은?
93번
주파수 분할 다중화(FDM)에서 보호대역(Guard band)이 필요한 이유는?
94번
외부라우팅 프로토콜이며 거리벡터인 프로토콜로 상이한 시스템에 있는 라우터간에 라우팅 정보를 교환하는데 사용하는 프로토콜은?
95번
TCP/IP 관련 프로토콜 중 인터넷 계층에 해당하는 것은?
96번
컴퓨터끼리 또는 컴퓨터와 단말기 사이 등에서 정보교환이 필요한 경우, 이를 원활하게 하기 위하여 정한 여러 가지 통신 규약을 무엇이라 하는가?
97번
전파가 다중 반사되어 수신점에 도달하게 되므로 이들 전파의 도달시간 차이로 인해 수신점에서 심벌(symbol)이 겹치는 현상이 일어나는데 이를 무엇이라고 하는가?
98번
아날로그 데이터를 디지털 데이터로 변환시키는 표본화 과정 중 일정한 주기마다 표본화하여 생성되는 펄스는?
99번
HDLC 프레임 형식 중 프레임의 시작과 끝을 나타내며 고유한 비트 패턴으로 표시되는 것은? (문제 오류로 가답안 발표시 2번으로 발표되었지만 확정답안 발표시 모두 정답처리 되었습니다. 여기서는 가답안인 2번을 누르면 정답 처리 됩니다.)
100번
HDLC(High level Data Link Control)에 대한 설명으로 틀린 것은?