전자계산기기사 (2014년03월02일 기출문제)
1과목 : 시스템 프로그래밍
1번
어셈블러가 두 개의 패스(pass)로 구성되는 이유로 가장 적합한 것은?
2번
로더의 기능에 해당하지 않는 것은?
3번
운영체제의 역할로 거리가 먼 것은?
4번
기계어에 대한 설명으로 옳지 않은 것은?
5번
PCB에 포함되는 정보가 아닌 것은?
6번
다음 중 가장 바람직한 스케줄링 정책은?
7번
시스템 프로그램에 대한 설명으로 옳지 않은 것은?
8번
어셈블리어에 대한 설명으로 옳지 않은 것은?
9번
원시 프로그램을 하나의 긴 스트링으로 보고 원시 프로그램을 문자 단위로 스캐닝하여 문법적으로 의미 있는 그룹들로 분할하는 과정은?
10번
은행원 알고리즘과 연계되는 교착상태 해결 방법은?
11번
프로그램 언어의 실행 과정 순서로 옳은 것은?
12번
일반적인 로더에 가장 가까운 것은?
13번
절대로더(Absolute Loader)에서 할당과 연결을 수행하는 주체는?
14번
프로세스의 정의로 옳지 않은 것은?
15번
라이브러리에 기억된 내용을 프로시저로 정의하여 서브루틴으로 사용하는 것과 같이 사용할 수 있도록 그 내용을 현재의 프로그램 내에 포함시켜 주는 어셈블리어 명령은?
16번
프로그램 실행을 위하여 메모리 내에 기억 공간을 확보하는 작업은?
17번
어떤 기호적 이름에 상수 값을 할당하는 어셈블리어 명령은?
18번
페이지 교체 알고리즘 중 가장 오랫동안 사용하지 않은 페이지를 교체하는 기법은?
19번
주소바인딩의 의미로 가장 적절한 것은?
20번
작성된 표현식이 BNF의 정의에 의해 바르게 작성되었는지를 확인하기 위해 만들어진 Tree의 명칭은?
2과목 : 전자계산기구조
21번
다음 중 롬(ROM) 내에 기억시켜둘 필요가 없는 정보는?
22번
펙터 형태의 데이터를 처리하는데 가장 효율적인 병렬 처리기는?
23번
정보를 기억하는 종류에 따라 레지스터를 분류할 때 해당되지 않는 것은?
24번
아래 보기와 같이 명령어에 오퍼랜드 필드를 사용하지 않고 명령어만 사용하는 명령어 형식은?

25번
수치 표현에 있어서 0의 판단이 가장 쉬운 방법은?
26번
indirect cycle 동안에 컴퓨터는 무엇을 하는가?
27번
컴퓨터가 인터럽트 루틴을 수행한 후에 처리하는 것은?
28번
부동 소수점 파이프라인의 비교기, 시프터, 가산-감산기, 인크리멘터, 디크리멘터가 모두 조합 회로로 구성된다. 이 때 네 세그먼트의 시간 지연이 t1=60ns, t2=70ns, t3=100ns, t4=80ns이고, 중간 레지스터의 지연이 tr=10ns라고 가정하면 비 파이프라인 구조에 비해 몇 배의 속도가 향상되는가?
29번
인스트럭션 실행과정에서 한 단계식 이루어지는 동작은?
30번
32비트와 가상 주소, 4KB 페이지, 페이지 테이블 엔트리당 4바이트로 된 페이지 테이블에 대해 전체 페이지 케이블의 크기는 얼마인가?
31번
ASCII 코드의 비트구성은 존(zone)비트와 수(digit)비트로 구분된다. 존 bit는 몇 비트인가?
32번
10진수 -87을 2의 보수로 표현하면?
33번
프로그램 실행 중에 트랩(trap)이 발생하는 조건이 아닌 것은?
34번
10진수 -456을 PACK 형식으로 표현한 것은?
35번
명령인출(instruction fetch)과 수행단계(execute phase)를 중첩시켜 하나의 연산을 수행하는 구조를 갖는 처리 방식은?
36번
연관기억(associative memory) 장치에 대한 설명 중 옳지 않은 것은?
37번
디지털 IC의 특성을 나타내는 내용 중 전달시연 시간이 가장 짧은 것부터 차례로 나열한 것으로 옳은 것은?
38번
다음 중 특정 비트를 반전시킬 때 사용하는 연산은?
39번
10진수 -14를 2의 보수 표현법을 이용하여 8비트 레지스터에 저장하였을 때, 이를 오른쪽으로 1비트 산술 시프트 했을 때의 결과는?
40번
다음 중 기억장치의 설명 중 옳지 않은 것은?
3과목 : 마이크로전자계산기
41번
메인루틴에서 서브루틴 종료 후 다시 메인루틴으로 돌아올 수 있는 이유는?
42번
다음 중 별도의 제어기를 필요로 하는 I/O 방식은?
43번
프로그래머가 프로그램 내에서 동일한 부분을 반복하여 사용하는 불편을 없애기 위해 사용하는 프로세서는?
44번
동기식 비트 직렬 전송의 동작 순서로 옳은 것은?

45번
각 데이터(data)의 끝 부분에 특별한 체크 바이트(byte)가 있어 에러(error)를 찾아내는 방법은?
46번
IOP(Input-Output Procrssor)에 관한 내용으로 옳지 않은 것은?
47번
응용 프로그래머를 위해 미리 프로그램 업체에서 제공하는 작업용 프로그램을 무엇이라 하는가?
48번
조건부 분기명령의 실행에서 수행되어야 할 다음 명령어를 결정하기 위해서는 어느 레지스터의 내용을 조사하는가?
49번
논리 블록간의 프로그램 기능 논리 교환 기능을 가진 SPLD를 근간으로 하고 있으며, 전기적 소거 및 프로그램 가능 읽기 전용 기억장치(EEPROM)나 플래시 메모리, 정적기억장치(SRAM)를 사용하는 것은?
50번
매크로(macro)의 설명과 관계없는 것은?
51번
다음 마이크로 오퍼에이션과 관련 있는 것은? (단, EAC : 끝자리올림과 누산기, AC : 누산기)

52번
다음은 어떤 입출력 방식에 대한 설명인가?

53번
RISC(Reduced Instruction Set Computer)에 대한 설명으로 틀린 것은?
54번
CPU에서 연산시 한 개의 오퍼랜드(Operand) 역할을 하고, 연산의 결과가 저장되는 레지스터는?
55번
양극성 소자(bipolar)로 만든 비트 슬라이드(bit-slice) 마이크로프로세서의 장점과 단점을 순서대로 옳게 나열한 것은?
56번
병렬 입출력 인터페이스(interface)의 특징으로 옳은 것은?
57번
50개의 입출력 외부 장치를 주소지정 하려고 한다. 최소 몇 개의 어드레스 선이 필요한가?
58번
dynamic RAM과 static RAM의 설명 중 옳지 않은 것은?
59번
자료전송 방법에 관한 설명으로 옳지 않은 것은?
60번
기억장치 사상 입출력(memory mapped I/O)방식에 대한 설명으로 옳은 것은?
4과목 : 논리회로
61번
다음 플립플롭에서 D 값이 기억되기 위한 클록 조건은?

62번
다음 [그림]과 같은 논리회로의 명칭은?

63번
오류(ERROR) 검출 방식으로 거리가 먼 것은?
64번
다음 카운터의 기능은?

65번
2진수를 그레이 코드로 변환하는 회로에 들어가는 논리게이트 명칭은?
66번
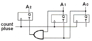
다음의 회로가 A2A1A0 = 011의 상태에 있다고 가정하자. 이 때 두개의 COUNT PULSE를 입력시키면 각 PULSE를 입력시키면 각 PULSE에 의해 상태가 어떻게 변화하겠는가?

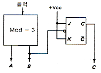
67번
다음 그림의 카운터는 어떠한 카운터인가?

68번
다음 회로의 게이트 출력 X의 값으로 옳은 것은?

69번
CMOS회로의 특징이 아닌 것은?
70번
주인의 역할과 종의 역할을 하는 2개의 별개 플립플롭으로 구성된 플립플롭은?
71번
다음 그림과 같은 회로의 명칭은?

72번
다음 [그림]에서 듀티 사이클(duty cycle)은 몇 % 인가?

73번
리플 카운터의 특징이 아닌 것은?
74번
다음 [그림]의 회로 명칭으로 옳은 것은?

75번
n Bit의 코드화된 정보를 그 코드의 각 Bit 조합에 따라 2n개의 출력으로 번역하는 회로는?
76번
반가산기 S(sum)의 논리식과 관계없는 것은?
77번
트리거 레벨에 해당하는 펄스폭의 구형파를 얻을 수 있는 것은?
78번
여러 개의 회로가 단일 회선을 공동으로 이용하여 신호를 전송하는데 필요한 장치는?
79번
논리식 (A+B)(A+C)와 등가인 식은?
80번
[그림]과 같은 논리 회로와 등가적으로 동작되는 스위치 회로는?

5과목 : 데이터통신
81번
디지털 데이터를 아날로그 신호로 변조하는 방법으로만 나열된 것은?
82번
IETF에서 고안한 IPv4에서 IPv6로 전환(천이)하는데 사용되는 전력이 아닌 것은?
83번
회선을 제어하기 위한 제어 문자 중 실제 전송할 데이터 집합의 시작임을 의미하는 것은?
84번
X.25 프로토콜에서 정의하고 있는 것은?
85번
토큰 패싱 방식에서 토큰에 대하여 가장 올바르게 설명한 것은?
86번
다음 중 통신망의 체계적인 운용 및 관리를 위한 TMN(Telecommunication Management Network)의 기능 요소에 해당하지 않는 것은?
87번
OSI 7계층 데이터 링크 계층의 프로토콜로 틀린 것은?
88번
다수의 타임 슬롯으로 하나의 프레이밍 구성되고, 각 타임 슬롯에 채널을 할당하여 다중화하는 것은?
89번
인터넷 상의 서버와 클라이언트 사이의 멀티미디어를 송수신하기 위한 프로토콜과 웹문서를 작성하기 위해 사용하는 언어를 순서대로 바르게 나열한 것은?
90번
수신측에서 수신된 데이터에 대한 확인(Acknowledgement)을 즉시 보내지 않고 전송할 데이터가 있는 경우에만, 제어 프레임을 별도로 사용하지 않고 전송할 데이터가 있는 경우에만 데이터 프레임에 확인 필드를 덧붙여 전송하는 흐름제어 방식은?
91번
다음이 설명하고 있는 에러 검출 방식은?

92번
하나의 통신채널을 이용하여 데이터의 송신과 수신이 교번식으로 가능한 통신방식은?
93번
매체 접근 제어 방식 중 CSMA/CD와 토큰 패싱(Token Passing)에 대한 설명으로 틀린 것은?
94번
RTCP(Real-Time Control Protocol)의 특징으로 틀린 것은?
95번
대역폭(bandwidth)에 대한 설명으로 옳은 것은?
96번
데이터 통신에서 동기 전송 방식에 대한 설명으로 틀린 것은?
97번
데이터 전송제어 절차가 순서대로 올바르게 나열된 것은?

98번
HDLC 프레임 구조 중 헤더를 구성하는 플래그(flag)에 대한 설명으로 틀린 것은?
99번
송신 스테이션 데이터 프레임을 연속적으로 전송해나가다가 NAK를 수신하게 되면 에러가 발생한 프레임을 포함하여 그 이후에 전송된 모든 데이터 프레임을 재전송하는 방식은?
100번
OSI 7계층 중 통신망을 통한 목적지까지 패킷 전달을 담당하는 계층은?