전자계산기기사 (2020년09월26일 기출문제)
1과목 : 시스템 프로그래밍
1번
로더의 기능 중 실행 프로그램에 할당된 기억공간에 실제로 옮기는 기능은?
2번
파일 시스템의 기능 및 특징이 아닌 것은?
3번
프로세스(Process)의 정의 중 틀린 것은?
4번
언어변역 프로그램이 아닌 것은?
5번
가상메모리의 특징으로 틀린 것은?
6번
시스템 소프트웨어 구성 중 제어 프로그램이 아닌 것은?
7번
이중 패스 어셈블러의 특징 중 틀린 것은?
8번
프로그램밍 언어 중 모델의 계산을 위해 기호논리와 집합론을 이용하는 언어는?
9번
절대로더(Absolute Loader)에서 할당과 연결을 수행하는 주체는?
10번
어셈블리어에서 사용되는 명령 중 의사명령이 아닌 것은?
11번
2-패스 어셈블러 구조에서 패스 2의 목적에 해당되는 것은?
12번
매크로프로세서의 기본적인 수행 작업으로 틀린 것은?
13번
언어 번역 프로그램이 생성한 목적프로그램과 또 다른 목적 프로그램, 라이브러리 함수 등을 연결하여 실행 가능한 프로그램을 만드는 것은?
14번
어셈블리어에 대한 설명으로 틀린 것은?
15번
별도의 로더없이 언어 번역 프로그램이 로더의 기능까지 수생하는 방식의 로더는?
16번
시스템 소프트웨어와 그 기능의 연결이 틀린 것은?
17번
운영체제를 적재할 수 있도록 하는 것으로, ROM에 저장되어 있으며 메모리가 비어있는 상태에서 처음을 실행되는 프로그램은?
18번
시스템 프로그램의 역할이 아닌 것은?
19번
서브루틴에서 자신을 호출한 곳으로 복귀시키는 어셈블리어 명령은?
20번
로더(Loader)의 기능에 해당하지 않는 것은?
2과목 : 전자계산기구조
21번
병렬 컴퓨터의 특징으로 틀린 것은?
22번
비교적 속도가 빠른 자기디스크에 연결하는 채널은?
23번
4비트로 자료를 표시할 때 2진화 16진수는 2진화 십진수(BCD)에 비해 몇 개를 더 표시할 수 있는가?
24번
인터럽트 처리루틴을 사용하지 않고 직접인터럽트 취급 루틴의 수행을 개시할 수 있도록 각 장치의 인터럽트 취급 루틴으로 분기하는 명령어들로 구성된 부분은?
25번
캐시 기억장치의 특징 중 틀린 것은?
26번
다음에 실행할 마이크로명령어의 주소를 저장하는 레지스터로, 제어 기억장치의 특정위치를 가리키는 제어장치의 구성 요소는?
27번
모든 마이크로 오퍼레이션에 대한 서로 다른 마이크로 사이클 시간을 할당하는 방식은?
28번
자기 디스크의 특징이 아닌 것은?
29번
I/O operation과 관계없는 것은?
30번
조합논리회로가 아닌 것은?
31번
인터럽트 발생 시 CPU가 확인하여야 할 사항으로 틀린 것은?
32번
컴퓨터의 연산자(Op-code)의 기능이 아닌 것은?
33번
중앙연산처리장치에서 마이크로 오퍼레이션이 순서적으로 일어나게 하기 위해 필요한 것은?
34번
다음 마이크로 오퍼레이션과 관련 있는 사이클은?

35번
제어징치의 기능에 대한 설명 중 틀린 것은?
36번
논리식
를 간소화한 식으로 옳은 것은?
를 간소화한 식으로 옳은 것은?
37번
내부 인터럽트의 원인이 아닌 것은?
38번
명령어의 구성 형태 중 하나의 오퍼랜드만 포함하고 다른 오퍼랜드나 결과 값은 누산기에 저장되는 명령어 형식은?
39번
그레이 코드에 대한 설명으로 틀린 것은?
40번
기억장치 중 기억된 자료가 일정시간이 경과하면 소멸되는 장치는? (단, 별도의 보관 방법을 사용하지 않음)
3과목 : 마이크로전자계산기
41번
플래그(flag) 레지스터가 나타나는 상태가 아닌 것은?
42번
RISC(Reduced Instruction Set Computer)에 대한 설명으로 틀린 것은?
43번
마이크로컴퓨터 운영체제의 기능이 아닌 것은?
44번
조건부 분기명령의 실행에서 수행되어야 할 다음 명령어를 결정하기 위해서는 어느 레지스터의 내용을 조사하는가?
45번
스택(stack)에 자료 전송 시 사용되는 명령어 형식은?
46번
기억장치의 특성을 결정하는 요소가 아닌 것은?
47번
다음 중 성격이 다른 시스템 프로그램은?
48번
마이크로프로세서에서 같은 프로그램이 한 프로그램에 여러 번 사용될 경우 이것을 별도의 프로그램으로 만들어 두고 필요한 때마다 호출하여 사용하는 프로그램은?
49번
SRAM이 DRAM보다 장점인 특성은?
50번
입·출력 요구가 있는지를 CPU가 수시로 점검해야 되는 입·출력 방식은?
51번
Vectored Interrupt에 대한 설명 중 옳은 것은?
52번
PLA의 프로그래밍에 대한 설명으로 옳은 것은?
53번
DMA(Direct Memory Access)의 설명 중 틀린 것은?
54번
명령어 속에 오퍼랜드가 직접 내장되어 있는 주소 지정 방식은?
55번
입력과 출력의 독립 제어점을 갖는 8비트로 구성된 5개의 레지스터에 상호 병렬 데이터 전송이 가능하기 위한 데이터 선의 수는?
56번
8비트 마이크로프로세서의 일반적인 내부 버스와 레지스터의 크기는?
57번
마이크로프로그램 제어 명령어(Micro-program Control Instruction) 중에서 번지가 필요 없는 무번지 명령은?
58번
명령어에 대한 설명으로 틀린 것은?
59번
CPU가 시스템 버스를 사용하지 않는 시간을 이용하여 DMA 기능을 수행하는 방식은?
60번
인터럽트 처리과정의 순서로 옳은 것은?

4과목 : 논리회로
61번
500kHz의 클록 펄스(clock pulse)를 T플립플롭의 clock 입력에 인가하였을 경우 출력 Q의 클록 펄스 주기는 몇 μs 인가? (단, 출력
는 입력 T에 연결되어 있다.)
는 입력 T에 연결되어 있다.)
62번
A/D 변환기 변환 데이터의 니블(nibble)은 몇 비트(bit)를 사용하는 것인가?
63번
컴퓨터 연산기에서 수행되는 연산 알고리즘에 의해 2진수 연산을 수행할 때 상태초과(overflow)가 발생하지 않는 연산은?
64번
다음 수를 8421 코드로 표시하고 최하위 자리에 기수패리티 비트를 붙여 쓰면?

65번
다음 회로가 나타내는 것은?

66번
시프트 레지스터의 내용을 왼쪽으로 한번 시프트하면 원래의 데이터는?
67번
다음 중 가장 큰 수는?
68번
다음 논리회로를 가장 간단히 하면?

69번
다음 회로와 같은 기능을 하는 게이트(gate)는? (단, A, B는 입력, Y는 출력이다.)

70번
그림과 같이 74HC14를 사용하여 슈미트 트리거 발진기의 발진주파수는 몇 kHz 인가? (단, R = 10kΩ, C = 0.005 ㎌ 이다.)

71번
다음의 회로를 설명한 것으로 옳은 것은?

72번
다음 진리표(turth table)에서 출력 Y를 최소화 한 결과는?

73번
8421코드에서 입력 ABCD가 1001 일 때만 출력이 1인 경우에 해당하는 것은? (단, 8421 코드에서 사용되지 않는 상태는 don't care로 간주한다.)
74번
2진수 10110101을 그레이코드(gray code)로 변환한 결과로 옳은 것은?
75번
JK 플립플롭을 사용하여 2진 리플 계수기를 만들려는 경우 J와 K의 값은?
76번
다음 회로에 대한 설명으로 옳은 것은?

77번
입력 address line 이 12개, 출력 data line이 4개인 EPROM의 기억 용량은?
78번
다음 제시된 조건에 따라 간략화한 f의 값은?

79번
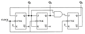
다음 카운터 회로에서 Q1, Q2, Q3의 초기상태가 각각 0, 0, 0 이었다. CLOCK이 6번 들어갔을 때 Q1, Q2, Q3의 상태 중 옳은 것은?

80번
다음은 NOR 게이트로 구성된 기본 플립플롭이다. S단의 입력값이 1이고, R단의 입력값이 0인 경우 출력 Q 및 Q′의 값은?

5과목 : 데이터통신
81번
100MHz의 반송파를 주파수 4kHz의 변조신호로 최대 주파수편이 75kHz를 갖게 FM 변조했을 때 소요 주파수 대역(kHz)은?
82번
PCM 신호처리 과정으로 옳은 것은?
83번
패킷교환 방식에 대한 설명으로 틀린 것은?
84번
각 채널이 상호 간섭 없는 코드를 이용하여 주파수나 시간을 모두 공유하면서 각 데이터에 특별한 코드를 부여하는 방식은?
85번
채널 대역폭이 1MHz이고 S/N이 1일 때 채널용량(Mb/s)은?
86번
SONET(Synchronous Optical Network)에 대한 설명으로 틀린 것은?
87번
IEEE에서 규정한 무선 LAN 규격은?
88번
HDLC는 정보의 전송 기능 및 오류 제어 기능 등을 정의하는 프로토콜이다. HDLC 프레임의 유형이 아닌 것은?
89번
점대점 링크를 통하여 인터넷 접속에 사용되는 프로토콜인 PPP(Point to Point Protocol)에 대한 설명으로 옳지 않은 것은?
90번
OSI-7계층 중 물리주소를 지정하고 흐름제어 및 전송제어를 수행하는 계층은?
91번
HDLC의 동작 모드 중 전이중 전송의 점대점 균형 링크 구성에 사용되는 것은?
92번
라우팅 프로토콜 중 EGP(Exterior Gateway Protocol)로 사용되며 AS-Rath를 통해 L3 Looping이 발생하는 것을 방지하고, 다양한 Attribute의 값을 통해 best path를 결정하는데 있어 관리자의 의도를 반영할 수 있는 라우팅 프로토콜은?
93번
최대 홉 카운트를 15개로 한정했기 때문에 소규모 네트워크에 주로 사용하는 프로토콜은?
94번
IP 주소가 172.16.20.0/25 일 때, 호스트의 주소 범위는?
95번
패킷 교환망에서 패킷이 적절한 경로를 통해 오류 없이 목적지까지 정확하기 전달하기 위한 기능으로 옳지 않은 것은?
96번
PCM 시스템에서 상호 부호간 간섭(ISI) 측정을 위해 눈 패턴(eyepattern)을 이용하는데 여기서 눈을 뜬 상하의 높이가 의미하는 것은?
97번
Stop-and-wait ARQ 방식에서 수신측이 4번 프레임에 대해 NAK를 보내왔다. 이에 대한 송신측의 행위로 옳은 것은?
98번
전진에러수정(FEC) 코드에 대한 설명으로 틀린 것은?
99번
전송하려는 부호어들의 최소 해밍 거리가 3일 때 수신 시 검출할 수 있는 최대 오류의 수는?
100번
교환회선의 전송 제어 절차 중 데이터의 송수신이 가능하도록 경로를 구성하는 단계로, 데이터 앞에 특정 단말기를 지정하고 제어문자를 포함하여 전송하는 단계는?