전자계산기기사 (2018년09월15일 기출문제)
1과목 : 시스템 프로그래밍
1번
로더의 기능이 아닌 것은?
2번
매크로 프로세서를 어셈블러의 패스1에 통합시킬 경우의 장점을 나열한 것으로 가장 옳지 못한 것은?
3번
프로세서들 사이에 우선순위를 두지 않고 시간단위(Time Quantum)로 CPU를 할당하는 스케줄링 방식은?
4번
운영체제를 기능별로 분류할 경우 제어 프로그램에 해당하지 않는 것은?
5번
다음 중 링킹(linking) 작업의 결과는?
6번
어셈블리어에서 의사 명령에 해당하는 것은?
7번
기억장치 관리 전략에서 배치 전략의 종류 중 다음 설명에 해당하는 것은?

8번
어셈블리어에서 어떤 기호적 이름에 상수값을 할당하는 명령은?
9번
3개의 페이지 프레임을 갖는 시스템에서 페이지 참조 순서가 아래와 같다. FIFO 페이지 대치 알고리즘을 적용할 때 페이지 부재와 발생하는 총 횟수는?

10번
절대로더(absolute loader)를 이용할 경우 어셈블러에 의해 처리되는 것은?
11번
다음 중 비선점(non-preemptive) 스케줄링 기법의 특징으로 옳은 것은?
12번
프로세서들이 서로 작업을 진행하지 못하고 영원히 대기상태로 빠지게 되는 현상을 무엇이라고 하는가?
13번
교착상태의 해결 방법 중 은행원 알고리즘과 관계되는 것은?
14번
기계어에 대한 설명으로 옳지 않은 것은?
15번
새로이 반입된 프로그램을 주기억장치 내의 어느 곳에 둘 것인가를 결정하는 전략을 무엇이라고 하는가?
16번
시스템의 성능평가기준과 가장 거리가 먼 것은?
17번
어셈블리 언어를 두 개의 Pass로 구성하는 주된 이유로 가장 적절한 것은?
18번
언어 번역기에 의하여 생성되는 최종 실행 프로그램이 보다 작은 기억 장소를 사용하여 보다 빠르게 작업을 처리할 수 있도록, 주어진 환경에서 최상의 명령어 코드를 사용하여 작업을 수행할 수 있도록 하는 것을 무엇이라 하는가?
19번
프로세스가 일정 시간 동안 자주 참조하는 페이지들의 집합을 무엇이라고 하는가?
20번
컴퓨터 언어로 작성된 프로그램이 번역되어 실행되는 과정이 바르게 나열된 것은?
2과목 : 전자계산기구조
21번
보조기억장치에 저장되어 있는 프로그램과 데이터 중에서 프로그램 수행에 필요한 부분을 주기억장치로 옮길 때 부족한 주기억장치의 용량을 확장하기 위해 보조기억장치의 일부를 마치 주기억장치의 일부로 사용하는 것은?
22번
데이터를 지우는 방식이 다른 기억소자는?
23번
다음 parallel process 중 pipeline process와 가장 관계가 깊은 것은?
24번
다음과 같은 메모리 주소 22에 있는 명령어를 실행할 경우 누산기(AC)의 값은? (단, 명령의 내용 중 0은 직접주소방식을 나타내는 모드비트이며 현 AC의 값은 550 이다)

25번
DMA(Direct Memory Access) 전송을 위하여 중앙처리장치가 DMA 제어기에 알려주어야 할 사항이 아닌 것은?
26번
하드와이어 방식의 제어장치에 관한 설명으로 가장 옳지 않은 것은?
27번
다음 중 직접 기억장치 접근 (DMA) 방식에 대한 설명으로 올바른 것은?
28번
RS 플립플록에서 R=1, S=1 인 입력 조합의 경우를 방지하기 위하여 보완된 것은?
29번
다음 중 Associative 기억장치의 특징으로 옳은 것은?
30번
메모리 인터리빙을 사용하는 목적은?
31번
아래와 같은 18비트 주소 형식을 갖는 주기억장치에서 접근 가능한 캐시메모리의 크기를 올바르게 계산한 결과는? (단, 3-way 세트 연관 사상을 고려하고, 태그가 저장되는 공간의 크기는 무시하고, 주소는 바이트 단위로 부여된다고 가정한다.)

32번
연산회로에서 반드시 필요한 신호로만 묶여 있는 것은?
33번
다음 불 함수를 간소화한 결과로 가장 옳은 것은? (단, d()는 무관 조건임)

34번
CISC(Complex Instruction Set Computer)와 RISC(Reduced Instruction Set Computer)에 대한 비교 설명으로 옳지 않은 것은?
35번
서로 다른 17개의 정보가 있을 때 이 중에서 하나를 선택하려면 최소 몇 개의 비트가 필요한가?
36번
주기억장치가 32K×12 용량이며, 캐시 메모리가 512×12용량이라고 하자. 한 블록의 크기가 8 워드라고 할 때 연관사상(associative mapping)을 한다면 주소의 태그(tag) 필드는 몇 bit인가?
37번
짝수 패리티 검출 방식을 알맞게 설명한 것은?
38번
프로그램 내의 모든 인스트럭션이 그들의 수행에 필요한 피연산자들이 모두 준비되었을 때 그 인스트럭션을 수행하는 것으로 데이터 추진(data driven) 방식이라 할 수 있는 것은?
39번
사이클 스틸과 인터럽트에 관한 설명으로 옳은 것은?
40번
컴퓨터 시스템에 예기치 않는 일이 발생하였을 때, CPU가 처리하고 있던 일을 멈추고, 문제점을 신속히 처리한 후 하던 일을 다시 재귀하는 방식은?
3과목 : 마이크로전자계산기
41번
컴퓨터의 명령어 사이클은 4가지 단계를 반복적으로 거치면서 동작한다. 다음 중 속하지 않는 단계는?
42번
프로그램 크기가 가장 작은 주소 형식은?
43번
연계 편집 프로그램(linking editor)이 목적 프로그램을 입력으로 읽을 때 출력으로 생성하는 프로그램은?
44번
마이크로프로세서에서 데이터가 저장된 또는 저장될 기억 장치의 장소를 지정하기 위해 사용하는 버스(bus)는?
45번
고수준 언어로 작성된 프로그램을 기계어로 번역하기 위한 프로그램은?
46번
CPU의 상태 플래그(status flag)에 관한 설명 중 틀린 것은?
47번
포팅을 통해 리눅스 프로그램/유틸리티를 MS윈도에서 사용할 수 있도록 하는 프로그램은?
48번
입출력 프로세서와 CPU의 관계에 대한 설명으로 가장 옳은 것은?
49번
CPU의 클록 주파수가 2.5MHz이고, 한 개의 명령 사이클이 3개의 머신 사이클로 이루어져 실행되며, 각 머신 사이클은 명령어 인출 및 해독 시 4개의 머신 스테이트가 필요하고 실행 시에는 각 6개씩의 머신 스테이트로 이루어진다면 한 개의 명령어를 실행하는데 걸리는 시간은?
50번
그림은 입출력 제어장치와 입출력 버스의 연결을 나타낸 것이다. 빈 블록 Ⓐ에 가장 적합한 내용은?

51번
컴퓨터와 주변 장치 사이에서 데이터 전송시에 입출력 주기나 완료를 나타내는 2개의 제어 신호를 사용하여 데이터 입출력을 하는 방식은?
52번
프로그램 입·출력 동작에 대한 설명으로 가장 옳지 않은 것은?
53번
하드디스크 또는 광학드라이브와의 데이터 전송을 목적으로 직렬연결을 이용한 컴퓨터 버스는?
54번
일반적으로 DMA 장치가 가지는 3개의 레지스터가 아닌 것은?
55번
데이터의 특정 부분을 제거(clear)하기 위해 사용되는 명령어는?
56번
대부분의 마이크로프로세서 CPU 소켓 인터페이스는 어떤 구조를 기반으로 하는가?
57번
다음 신호 중 양방향 신호는?
58번
중앙처리장치의 하드웨어(hardware) 요소들을 기능별로 나눌 때 속하지 않는 기능은?
59번
파이프라인 프로세서의 설명 중 가장 적합한 것은?
60번
Recursive subroutine을 처리하는데 가장 적합한 자료 구조는?
4과목 : 논리회로
61번
다음 논리군 중에서 게이트 당 소모 전력(mW)이 가장 적은 것은?
62번
F(W, X, Y, Z) =
의 보수를 구하면?
의 보수를 구하면?
63번
8진 카운터를 구성하고자 할 경우 최소 몇 개의 JK 플립플롭이 필요한가?
64번
T 플립플롭 3개를 종속 접속한 후 입력주파수 800Hz를 인가하면 출력주파수는?
65번
그림과 같은 논리 회로와 등가적으로 동작되는 스위치 회로는?

66번
레지스터(register)의 기능은?
67번
16진수 AF63을 8진수로 나타내면?
68번
시프트 레지스터(Shift Register)를 만드는데 가장 적합한 플립플롭은?
69번
다음 그림은 D 플립플롭의 진리표이다. Q(t+1)의 상태는?

70번
다음 그림은 어떤 동작을 하는 회로인가?

71번
다음 그림과 같은 논리회로의 명칭은?

72번
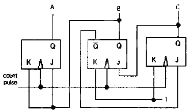
다음 COUNTER는 연속된 Count pulse에 의해 어떠한 상태 변화를 나타내는가? (단, 초기상태 ABC = 000 가정)

73번
짝수 패리티 비트의 해밍(hamming)코드로 0011011을 받았을 때 오류가 수정된 정확한 코드는?
74번
다음 논리함수를 최소화하면?

75번
다음 회로에 대해 잘못 설명한 것은?

76번
직렬 또는 병렬방식 레지스터 전송에 대한 설명으로 가장 옳지 않은 것은?
77번
A1, B1은 첫 번째 A와 B의 입력 값이고, A2, B2는 두 번째 A와 B의 입력 값일 경우(A1,A2) => (A2,B2) 형식으로 표현한다. A+B를 계산하는 4비트 리플 캐리 가산기(4bit ripple carry adder)의 캐리 아웃(carry out)의 최대 지연시간을 측정하기 위해서는 입력 패턴을 어떻게 주어야 하는가?
78번
전가산기(Full Adder)의 구성은?
79번
4입력 디코더(decoder)는 최대 몇 개의 출력을 낼 수 있나?
80번
자기 보수 코드(self complementing code)가 아닌 것은?
5과목 : 데이터통신
81번
프로토콜의 기본 구성 요소가 아닌 것은?
82번
신뢰성 있는 데이터 전송을 위해 사용되는 자동 반복 요구(Automatic Repeat reQuest) 방법이 아닌 것은?
83번
16상 위상변조의 변조속도가 1200baud인 경우 데이터 전송 속도(bps)는?
84번
다음 중 LAN에서 사용되는 채널할당 방식 중 요구할당 방식에 해당되는 것은?
85번
Stop-and-wait ARQ 방식에서 수신측이 4번 프레임에 대해 NAK를 보내왔다. 이에 대한 송신측의 행위로 옳은 것은?
86번
OSI-7 계층의 전송계층에서 사용되는 프로토콜은?
87번
IEEE 802.4의 표준안 내용으로 맞는 것은?
88번
10.0.0.0 네트워크 전체에서 마스크 255.240.0.0를 사용할 경우 유효한 서브넷 ID는?
89번
자동재전송요청(ARQ)기법 중 데이터 프레임을 연속적으로 전송해 나가다가 NAK를 수신하게 되면, 오류가 발생한 프레임 이후에 전송된 모든 데이터 프레임을 재전송하는 방식은?
90번
매체 접근 제어 방식 중 CSMA/CD와 토큰 패싱(Token Passing)에 대한 설명으로 틀린것은?
91번
비 연결형(connectionless) 네트워크 프로토콜에 해당하는 것은?
92번
대역폭이 B(Hz), 신호대잡음비가 0인 채널을 사용하여 데이터를 전송하는 경우 채널용량(bps)은?
93번
경로 지정 방식에서 각 노드에 도착하는 패킷을 자신을 제외한 다른 모든 것을 복사하여 전송하는 방식은?
94번
HDLC에서 피기백킹(piggybacking) 기법을 통해 데이터에 대한 확인응답을 보낼 때 사용되는 프레임은?
95번
라우팅 프로토콜 중에서 최소홉수(hop)수를 기준으로 목적지까지의 최적경로를 결정하는 프로토콜은?
96번
아날로그 데이터를 디지털 신호로 변환하는 과정에 포함되지 않는 것은?
97번
IPv4에서 IPv6로 천이하는데 사용되는 IETF에서 고안한 천이 전략 3가지에 해당하지 않는 것은?
98번
다중화(Multiplexing)에 대한 설명으로 틀린 것은?
99번
다중접속방식에 해당하지 않는 것은?
100번
TCP/IP 관련 프로토콜 중 하이퍼텍스트 전송을 위한 프로토콜은?