전자계산기기사 (2021년09월12일 기출문제)
1과목 : 시스템 프로그래밍
1번
어셈블리 언어와 관련한 설명으로 틀린 것은?
2번
컴파일러와 인터프리터에 대한 설명으로 틀린 것은?
3번
절대 로더(Absolute Loader)에 대한 설명이 아닌 것은?
4번
일반적인 운영체제의 성능 평가 기준이 아닌 것은?
5번
정보 관리를 위한 세그먼테이션(Segmentation)과 관련한 설명으로 틀린 것은?
6번
어셈블리를 두 개의 패스로 구성하는 주된 이유는?
7번
프로그래밍 언어와 관련한 설명으로 틀린 것은?
8번
운영체제의 유형 중 프로세서 스케줄링과 다중 프로그래밍을 사용해 각 사용자에게 컴퓨터를 시간적으로 분할하여 나누어주는 개념의 시스템은?
9번
시스템 프로그램이 아닌 것은?
10번
매크로 프로세서의 2 패스에서 사용되는 데이터베이스가 아닌 것은?
11번
아래의 이진 연산(binary operation)의 실행결과가 저장되는 장소는?

12번
매크로 프로세서가 기본적으로 수행해야 할 작업의 종류가 아닌 것은?
13번
로더(Loader)의 기능에 해당하지 않는 것은?
14번
페이지 교체 기법 중 가장 오래 동안 사용하지 않은 페이지를 교체할 페이지로 선택하는 기법은?
15번
목적 모듈 간의 참조 내용 분석 및 재배치 과정을 통해 독립적으로 번역된 하나 이상의 목적 모듈 및 적재 모듈로부터 하나의 적재 모듈을 만드는데 사용하는 프로그램을 의미하는 것은?
16번
다음과 같은 프로세스들이 차례로 준비상태 큐에 들어왔을 경우 SJF 스케줄링 기법을 이용하여 제출시간이 없는 경우의 평균 실행시간은?

17번
로더의 기능 중 재배치(Relocation)에 대한 설명으로 옳은 것은?
18번
일반적인 기능의 로더로, 로더의 네 가지 기본기능을 모두 수행하는 로더는?
19번
기계어보다 어셈블리어를 사용하는 것의 장점이 아닌 것은?
20번
파일 시스템과 관련한 설명으로 틀린 것은?
2과목 : 전자계산기구조
21번
자기테이프에서 많이 쓰이는 단위인 bpi의 의미는?
22번
다음 마이크로 오퍼레이션과 관련이 있는 것은? (단, EAC는 끝자리 올림과 누산기를 의마한다.)

23번
병렬 프로세서 시스템에서 한 번에 한 개씩의 명령어와 데이터를 순서대로 처리하는 단일 프로세서(Uniprocessor) 시스템을 의마하는 것은?
24번
인터럽트의 발생 원인이 아닌 것은?
25번
다음 조합 논리 회로의 명칭으로 옳은 것은? (단, 입력변수는 A와 B, 출력변수는 X와 Y이다.)

26번
레지스터 사이의 데이터 전송방법에 대한 설명으로 틀린 것은?
27번
마이크로사이클(Microcycle)에 대한 설명으로 옳은 것은?
28번
인터럽트의 체제의 기본적인 요소가 아닌 것은?
29번
RAM과 관련한 설명으로 틀린 것은?
30번
기억장치에 기억된 정보를 접근(Access)할 때 주소를 사용하는 것이 아니라 기억된 정보를 이용하여 원하는 정보를 찾는 기억장치는?
31번
최대 2n개의 입력이 들어와 n개의 선택선(Selection Line)에 의해서 1개의 출력을 내보내는 논리회로는?
32번
자기 테이프에 대한 설명으로 틀린 것은?
33번
모든 처리장치 또는 프로세스 요소(PE:Processing Element)들이 하나의 제어 유닛(Control Unit)의 통제하에 동기적으로 동작하는 시스템은?
34번
인스트럭션 수행을 위한 메이저 상태를 설명한 것으로 옳은 것은?
35번
인터럽트 벡터에 필수적인 것은?
36번
Tc =50ns, Tm =400ns인 시스템에서 캐쉬의 적중률이 70%라 가정할 때, 평균 기억장치 액세스 시간(Ta)은? (단, Tc는 캐시 접근 시간, Tm은 주기억장치 접근 시간이다.)
37번
레지스터에 대한 설명으로 틀린 것은?
38번
두 개 이상의 입력이 있을 경우 입력 하나에서 나머지 입력들을 뺄셈 연산해 그 차이를 출력하는 조합 논리회로는?
39번
중앙처리장치가 인출(fetch)인 상태에서 주소부분이 직접 주소일 경우 제어점을 제어하기 위한 데이터는?
40번
입출력 채널과 관련한 설명으로 틀린 것은?
3과목 : 마이크로전자계산기
41번
주소 지정 방식 중 가장 빠른 것은?
42번
데스크톱 컴퓨터의 메인보드에 대한 산업계의 개방형 규격으로 마이크로프로세서와 확장 슬롯들의 배치를 변화시킴으로써 메인보드 설계를 개선한 것은?
43번
일반적인 입력장치의 종류가 아닌 것은?
44번
명령 레지스터, 명령 해독기, 순차 카운터 등을 구성 요소로 가지는 장치는?
45번
데이터를 전송하는 데이터 입출력 방식이 아닌 것은?
46번
보조기억장치와 관련한 설명으로 틀린 것은?
47번
명령어의 주소부를 유효 주소로 사용하는 주소지정방식은?
48번
레지스터 간의 자료 전송 방식이 아닌 것은?
49번
입ㆍ출력을 전담 수행하는 채널(Channel) 중 일시에 여러 장치들을 연결하고 주로 터미널, 프린터와 같은 저속의 장치들을 연결하는 채널은?
50번
운영체제의 구성요소를 기능에 따라 분류할 때, 처리 프로그램에 해당하지 않는 것은?
51번
메모리 접근 방식인 페이징(Paging)의 설명으로 옳은 것은?
52번
원하는 데이터가 저장된 기억장소 근처로 이동한 다음, 순차적 검색을 통해서 원하는 데이터에 접근하는 방법은?
53번
I/O 효율을 높이기 위해 I/O의 내용을 디스크 등에 모아 두었다가 처리하는 방식은?
54번
제어프로그램 개발 시 중요하게 고려되어야 할 사항이 아닌 것은?
55번
스택 포인터(SP : Stack Pointer)와 관련한 설명으로 틀린 것은?
56번
데이터 처리 명령어 중 산술 연산 명령어가 아닌 것은?
57번
하나의 서브루틴 속에 존재하는 또 하나의 서브루틴, 즉, 서로 다른 서브루틴 중에서 호출되는 서브루틴을 뜻하는 것은?
58번
주소 지정 방식을 결정하기 위해 고려해야 할 사항으로 옳은 것은?
59번
컴퓨터와 주변 장치 사이에서 데이터 전송시에 입ㆍ출력 주기나 완료를 나타내는 2개의 제어 신호를 사용하여 데이터 입출력을 하는 방식은?
60번
스택(Stack)과 관계없는 것은?
4과목 : 논리회로
61번
논리식
를 간략화 하면?
를 간략화 하면?
62번
다음 논리회로의 명칭으로 옳은 것은?

63번
부호의 2의 보수(Signed 2's Complement)로 표시된 BCD 수 중 –9를 6자리로 표시한 경우 옳은 것은?
64번
다음 논리 회로와 등가적으로 동작되는 스위치 회로는?

65번
excess-3 코드 1100 0110을 10진수로 나타내면?
66번
2진수 11001011(2)을 그레이 코드로 변환하면?
67번
다음 회로의 명칭은?

68번
16진수 AF63을 8진수로 나타내면?
69번
다음 중 수의 크기가 다른 것은?
70번
10진수 42+29를 3-초과 코드(Excess-3 code)로 계산한 결과로 옳은 것은?
71번
부호와 2의 보수(Signed 2's complement)로 나타낸 수를 좌측 방향으로 산술시프트 할 때 보충되는 새로운 비트는 무엇인가?
72번
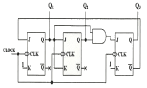
다음 회로에서 초기값인 Q3Q2Q1Q0 = 0000 상태에서 클럭이 6개 입력된 후의 출력은? (단, 플립플롭 출력 순서는 왼쪽부터 Q0Q1Q2Q3이다.)

73번
임의의 시간에 한 플립플롭만 논리 1이 되고 나머지 플립플롭은 논리 0이 되는 카운터로써, 논리 1은 입력펄스에 따라 그 위치가 한쪽 방향으로 순환하는 회로는?
74번
N-Bit의 코드화된 정보를 입력으로 하여 그 코드의 각 Bit 조합에 따라 2N개의 출력으로 번역하는 회로는?
75번
1선으로 정보를 받아서 2개 이상의 출력이 가능한 선들 중 하나를 선택하여 받은 정보를 전송하는 회로는?
76번
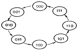
다음 상태 변화를 가지는 카운터는 최소 몇 개의 플립플롭으로 구성되는가?

77번
디코더를 이용하여 전가산기 구성 시 필요한 OR게이터의 수로 옳은 것은?
78번
T 플립플롭이 필요한데, 주어진 부품은 JK플립플롭밖에 없다. 이 경우 어떻게 문제를 해결하는 것이 좋은가?
79번
JK 마스터/슬레이브 플립플롭에 대한 설명 중 틀린 것은?
80번
다음 계수 회로는 몇 진 카운터(Counter) 회로인가?

5과목 : 데이터통신
81번
다음이 설명하고 있는 데이터 링크 제어 프로토콜은?

82번
다음이 설명하고 있는 라우팅 프로토콜은?

83번
OSI 7계층 중 통신회선을 통하여 비트전송을 수행하기 위하여 전기적, 기계적인 제어기능을 수행하는 계층은?
84번
전송할 데이터가 있는 채널만 차례로 시간슬롯을 이용하여 데이터와 함께 주소정보를 헤더로 붙여 전송하는 다중화 방식은?
85번
송신측이 한 개의 블록을 전송 후, 수신측에서 에러의 발생을 매번 점검한 다음 블록을 전송해 나가는 ARQ 방식은?
86번
PCM 과정 중 양자화 과정에서 레벨 수가 128레벨인 경우 몇 비트로 부호화 되는가?
87번
30개의 구간을 망형으로 연결하려할 때 필요한 회선 수는?
88번
OSI 7계층 중 통신망을 통해 목적지까지 패킷 전달을 담당하는 계층은?
89번
IP 프로토콜에서는 오류 보고와 오류 수정기능, 호스트와 관리 질의를 위한 메커니즘이 없기 때문에 이를 보완하기 위해 설계된 것은?
90번
CSMA/CD에서 사용되는 LAN 표준 프로토콜은?
91번
HDLC 프레임 구성에서 플래그는 전송프레임의 시작과 끝을 나타낸다. 이 플래그의 고유 비트 패턴은?
92번
위상을 이용한 디지털 변조 방식은?
93번
패킷 교환망에서 DCE와 DTE 사이에 이루어지는 상호작용을 규정한 프로토콜은?
94번
8진 PSK 변조방식에서 변조속도가 2400[Baud]일 때 정보신호의 전송속도는(bps)는?
95번
펄스 파형을 그대로 변조없이 전송하는 방식은?
96번
회선교환 방식에 대한 설명으로 틀린 것은?
97번
TCP와 UDP가 제공하는 서비스를 옳게 연결한 것은?
98번
주파수 분할 다중화 방식과 관계가 없는 것은?
99번
TCP/IP 프로토콜 중 네트워크 계층 프로토콜은?
100번
채널 대역폭이 150㎑이고 S/N이 15일 때 채널용량(kbps)은?