기계정비산업기사(변경) (2012년05월20일 기출문제)
1과목 : 공유압 및 자동화시스템
1번
유압 회로 내에서 설정압력 이상으로 유압유가 동작될 때 설정압력 초과분의 압력을 탱크로 바이패스 시켜 회로내의 과부하를 방지하는 기능을 가진 압력제어 밸브는?
2번
공기가 왕복운동을 하는 피스톤 부분과 직접 접촉하지 않기 때문에 공기에 기름이 섞이지 않으므로 깨끗한 공기를 필요로 하는 식품. 의약품, 화학 산업에 사용되는 압축기는 무엇인가?
3번
다음 그림과 같은 회로에서 속도 제어밸브의 접속방식은?

4번
공압 윤활기에서 사용되는 윤활유의 설명으로 틀린 것은?
5번
윤활유를 분무 급유하는 루브리케이터(lubricator)의 작동원리는 ?
6번
외부의 압력부하가 변하더라도 회로에 흐르는 유량을 항상 일정하게 유지시켜 주면서 유압모터의 회전이나 유압 실린더의 이동속도를 제어하는 밸브는?
7번
오일 히터의 최대 열용량 와트 밀도로 적당한 것은?
8번
기체는 압력이 일정하게 유지하면서 온도를 상승시키면 체적이 증가되는 것을 알 수 있으며 체적증가는 온도 1℃ 증가함에 따라 체적이 1/273.1 씩 증가한다. 이 법칙을 무엇이라 하는가?
9번
유압 모터의 특징으로 틀린 것은?
10번
공압장치가 유압장치에 비해 특히 좋은 점은?
11번
전단계의 작업완료여부를 리밋 스위치나 센서를 이용하여 확인한 후 다음 단계의 작업을 수행하는 것으로써 공장 자동화에 많이 이용되는 제어는?
12번
투광기와 수광기로 되어 있으며, 검출방식에 따라 투과형, 직접 반사형, 거울 반사형으로 구분되는 센서는?
13번
로터리 인덱싱 핸들링 장치를 이용하여 작업하기에 적합한 것은?
14번
자동화 시스템 유지보수에 관한 설명 중 틀린 것은?
15번
유압모터의 종류가 아닌 것은?
16번
컨베이어에서 1분에 3000개의 검출체가 이동할 때 통과한 검출체를 계수하기 위한 근접 센서의 최소 감지 주파수 (Hz)는?
17번
초음파 센서의 특징으로 틀린 것은?
18번
래더 다이어그램(ladder diagram)의 회로 구성에 사용되지 않는 논리조건은?
19번
어떤 시스템에서 목표값과 비교할 수 있는 장치가 있어 외부 조건 변화에 수정동작을 할 수 있는 제어계는?
20번
실린더가 불규칙적으로 작동할 경우, 고려해야할 고장 원인으로 적합하지 않은 것은?
2과목 : 설비진단관리 및 기계정비
21번
1950년대 미국 GE사에서 제창한 것으로 생산성을 높이기 위한 보전으로 경제성을 강조한 보전방식은?
22번
커플링으로 연결되어 있는 2개의 회전축의 중심선이 엇갈려 있을 경우로서 통상 회전주파수 또는 고주파가 발생하는 이상현상은?
23번
차음벽이 고유진동 모드의 주파수로 입사한 소음과 공진 하는 영향 요소와 거리가 먼 것은?
24번
리차드무더(Richard Muther)에 의한 총체적 공장배치계획 단계 절차가 순서대로 된 것은?
25번
진동차단기의 기본 요구조건과 거리가 먼 것은?
26번
dB단위로 음압레벨(SPL)의 정의로 맞는 것은? (단,P는 측정값, Po는 최저 가청압력이다.)
27번
신뢰성의 대상물이 사용되어 처음 고장이 발생할 때까지의 평균시간은?
28번
보전 작업관리의 특징을 설명한 것 중 틀린 것은?
29번
하중과 마찰이 증대하여 유막이 파괴되는 것을 방지하기 위해 사용되는 극압제가 아닌 것은?
30번
설비를 구성하고 있는 부품의 피로, 노화현상 등에 의해서 시간의 경과와 함께 고장률이 증가하는 시기는?
31번
생산설비나 시스템의 생애주기 동안에 회사의 모든 조직과 기능이 설비의 효율극대화를 위하여 추진하는 전사적인 생산보전을 무엇이라고 하는가?
32번
설비보전 조직 중에서 공장의 모든 보전요원을 한 관리자 밑에 조직하고 모든 보전을 집중 관리하는 보전 방식의 특징과 거리가 먼 것은?
33번
설비관리의 조직 계획에서 분업의 방식이 아닌 것은?
34번
서로 다른 파동 사이의 상호작용으로 나타나는 음의 현상을 무엇이라 하는가?
35번
설비투자의 경제성 평가를 위하여 중요한 비용개념으로서 주어진 상황에서 회수할 수 없는 과거의 원가로써 고려대상이 되는 어떠한 대안에도 부과할 수 없는 비용은?
36번
주기(T), 주파수(f), 각진동수(ω)의 관계가 올바른 것은?
37번
중점설비 분석에 관한 설명이 잘못된 것은?
38번
설비를 관리하기 위해서는 생산현장에서 보전요원이나 엔지니어가 보전 업무를 실시하는 기능이 필요하다. 다음중 설비보전의 실시기능과 관계가 가장 먼 것은?
39번
보전측면에서 MP(보전예방) 설계 시 착안 사항과 관계가 없는 것은?
40번
가공 및 조립형 설비의 6대 로스에 속하지 않는 것은?
3과목 : 공업계측 및 전기전자제어
41번
시료를 통에 넣어 회전시켜 점도를 측정하는 점도계는?
42번
전원 전압을 안정하게 유지하기 위해서 사용되는 다이오드는 다음 중 어느 것인가?
43번
전달함수
인 제어계 응답을 시간함수로 맞게 표현한 것은?(오류 신고가 접수된 문제입니다. 반드시 정답과 해설을 확인하시기 바랍니다.)
인 제어계 응답을 시간함수로 맞게 표현한 것은?(오류 신고가 접수된 문제입니다. 반드시 정답과 해설을 확인하시기 바랍니다.)
44번
다음 중 불대수의 법칙으로 옳지 않은 것은?
45번
전하를 축적할 목적으로 두 개의 도체 사이에 절연물 또는 유전체를 삽입한 것을 무엇이라고 하는가?
46번
콘덴서의 용량을 나타내는 단위는?
47번
전기기기에서 히스테리시스손을 경감시키기 위한 방법은 다음 중 어느 것인가?
48번
피드백 제어시스템에서 안정도와 관련이 있는 것은?
49번
그림에서와 같이 계측기의 측정량을 증가시킬 때와 감소시킬 때 동일 측정량에 대하여 지시값이 다른 경우가 있는데 이와 같이 생기는 오차로서 ( ) 안에 맞는 것은?

50번
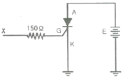
그림의 회로에서는 SCR을 동작시키려면 X점의 전압을 몇 [V]로 하면 되는가? (단, 다이오드를 동작시키는데 필요한 게이트 전류는 정상 상태에서 20[mA] 이다)

51번
직류 직권 전동기의 벨트운전을 금하는 이유는?
52번
저항 R[Ω], 리액턴스 X[Ω]가 직렬로 연결되어 있고, 임피던스가 Z[Ω]인 부하에 교류전원이 가해졌을 때 역률은?
53번
유량에 따라 테이퍼관 내를 상하로 이동하는 부자의 위치에 의해 유량을 지시하는 유량계는?
54번
다음 중 전자 계전기의 기능이라 볼 수 없는 것은?
55번
타여자 발전기의 전기자 저항 0.1[Ω]에 50[A]의 부하전류를 공급하여 단자전압 200[V]를 얻었다. 발전기의 유도기전력은 몇 [V]인가?
56번
제어밸브 구동부의 동력원으로 공기압이 많이 사용되는 이유에 적합하지 않은 것은?
57번
다음 중 파고율을 잘 나타낸 것은?
58번
10진수 25를 2진수로 변환하면?
59번
그림과 같은 회로의 특징은?

60번
진성 반도체에 첨가 물질을 도핑하여 n형 반도체를 만들기 위한 도핑 물질은?
4과목 : 기계정비 일반
61번
베어링 사용 시 주의할 점이 아닌 것은?
62번
소형원심 펌프의 흡입관 끝에 사용되는 밸브는?
63번
구멍이 있는 플러그를 회전시켜 유체의 통로를 간단히 개폐할 수 있고 작은 지름의 관로나 배출용으로 쓰이는 밸브는?
64번
유로방향의 수로 분류한 콕의 종류가 아닌 것은?
65번
다음 정비용 공구 중 체결 공구가 아닌 것은?
66번
일반 배관용 강관의 기호 중 배관용 탄소 강관을 나타내는 것은?
67번
기어 감속기의 분류 중 교쇄 축형 감속기에 해당하는 것은?
68번
펌프의 부식에 관한 설명 중 옳은 것은?
69번
전동기의 고장 원인에서 기동 불능에 대한 원인으로 옳지 않은 것은?
70번
V-벨트 전동장치에 사용되는 벨트에 관한 설명 중 틀린것은?
71번
전동기의 운전 중 점검 항목으로 볼 수 없는 것은?
72번
펌프 분해 검사에서 매일 점검항목이 아닌 것은?
73번
플랜지형 커플링의 센터링 작업을 할 때에 사용되는 측정기 사용상 주의사항으로 잘못된 것은?
74번
공기를 압축할 때 압력 맥동이 발생하는 압축기는?
75번
기어를 분해할 때 주의 사항 중 옳지 않은 것은?
76번
피치가 2mm인 세줄나사 스크류잭을 2회전 시켰을 때 이동 거리는 얼마인가?
77번
밸브 취급상의 일반적인 주의 사항으로 옳지 않은 것은?
78번
원심펌프에서 수격작용의 방지책이 아닌 것은?
79번
합성고무와 합성수지 및 금속 클로이드 등을 주성분으로 제조된 액상 개스킷의 특징이 아닌 것은?
80번
펌프내부에서 흡입양정이 높거나 흐름속도가 국부적으로 빠른 부분에서 압력저하로 유체가 증발하여 소음과 진동을 수반하는 현상은?
연도별
- 2020년08월22일
- 2020년06월06일
- 2019년08월04일
- 2019년04월27일
- 2019년03월03일
- 2018년08월19일
- 2018년04월28일
- 2018년03월04일
- 2017년05월07일
- 2017년03월05일
- 2016년08월21일
- 2016년05월08일
- 2016년03월06일
- 2015년08월16일
- 2015년05월31일
- 2015년03월08일
- 2014년08월17일
- 2014년05월25일
- 2014년03월02일
- 2013년08월18일
- 2013년06월02일
- 2013년03월10일
- 2012년08월26일
- 2012년05월20일
- 2012년03월04일
- 2011년08월21일
- 2011년06월12일
- 2011년03월20일
- 2010년05월09일
- 2010년03월07일
- 2009년07월26일
- 2009년05월10일
- 2009년03월01일
- 2008년07월27일
- 2008년03월02일
- 2007년08월05일
- 2007년03월04일
- 2006년08월16일
- 2006년03월05일
- 2005년08월07일
- 2005년03월20일
- 2005년03월06일
- 2004년08월08일
- 2004년03월07일
- 2003년08월10일
- 2003년03월16일
- 2002년08월11일
- 2002년03월10일