기계정비산업기사(변경) (2020년08월22일 기출문제)
1과목 : 공유압 및 자동화시스템
1번
유체의 흐름은 층류와 난류가 있다. 배관내에서 유체 흐름의 형태를 결정짓는 것은?
2번
베인형 압축기의 특징이 아닌 것은?
3번
실린더 튜브와 커버를 체결하는 것으로, 공기 압력이나 피스톤 왕복운동 시 충격력을 흡수할 수 있는 충분한 강도를 가져야 하는 부품은?
4번
유압실린더 피스톤 로드의 추력 방향이 실린더 축심 끝을 기준으로 원주상 일정각도로 회전할 수 있도록 하기 위한 실린더 설치형식은?
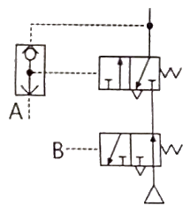
5번
다음 회로의 명칭은? (단, A와 B는 입력이다.)

6번
유압신호를 전기신호로 전환시키는 기기는?
7번
회로압이 설정압을 초과하면 유체압에 의하여 파열되어 압유를 탱크로 귀환시키고 동시에 압력상승을 막아 기기를 보호하는 역할을 하는 유압기기는?
8번
공기압시스템에 부착된 압력게이지의 눈금이 0.5MPa을 나타낼 때 절대압력은 몇 MPa 인가?
9번
기호의 표시방법과 해석에 관한 설명으로 틀린 것은?
10번
한쪽 방향으로의 흐름은 제어하지만 역방향의 흐름은 제어가 불가능한 밸브는?
11번
전진 및 후진 완료 위치에서 가해지는 충격을 방지하기 위한 유압실린더는?
12번
설비의 신뢰성 정도를 측정하는 기준이 아닌 것은?
13번
스텝 전동기를 여자 상태로 하여 출력축을 외부에서 회전시키려고 했을 때 이 힘에 대항하여 발생하는 최대 토크는?
14번
다음 그림에서 입력 신호가 증폭되어 출력신호가 될 때 증폭은 몇 배인가?

15번
자계의 세기나 자극을 판단할 수 있는 반도체 소자는?
16번
다음 프로그램 플로차트(Flow Chart) 기호 중 입력 또는 출력을 나타내는 기호는?
17번
고정 결선에 의한 제어 시스템 구성 순서가 바르게 나열된 것은?

18번
기기에서 발생하는 노이즈를 제거하기 위하여 전원 접지와 구분하여 PLC 기기에 별도로 접지하는 방식은?
19번
이미 정의된 위치 데이터를 수동키(key) 조작에 의해 직접 입력하는 방식은?
20번
제어(control)의 의미로 옳은 것은?
2과목 : 설비진단관리 및 기계정비
21번
다음 중 흡음에 대한 설명으로 옳은 것은?
22번
설비표준화를 위한 설비 코드의 부여 순서로 옳은 것은?
23번
제조원가는 크게 직접비와 간접비로 구분된다. 직접비에 포함되지 않는 비용은 무엇인가?
24번
축면에 나선상의 홈을 만들고 축을 회전시키면 축의 회전에 따라 기름이 홈을 따라 올라가 축면에 급유되는 방식은?
25번
다음 중 회전기계에서 발생하는 진동을 측정하는 경우, 측정변수를 선정하는 내용에 대한 설명으로 맞는 것은?
26번
차음벽 재료의 강성을 두배로 증가시킬 때 투과손실은?
27번
제품별 배치(product layout)의 장점이 아닌 것은?
28번
설비보전표준의 분류에 포함되지 않는 것은?
29번
덕트(duct) 소음이나 배기소음을 방지하기 위해서 사용되는 장치로 맞는 것은?
30번
여러 대의 공작기계를 1대의 컴퓨터에 결합시켜 제어하는 생산설비시스템으로 머시닝 센터의 기초가 된 생산설비를 무엇이라 하는가?
31번
외란(disturbance)이 가해진 후에 계가 스스로 진동하고 반복되며 외부 힘이 이 계에 작용하지 않는 진동은?
32번
일반적으로 사람이 들을 수 있는 가청주파수의 범위는?
33번
고장 분석에서 설비관리의 목적인 최소비용으로 최대 효율을 얻기 위해서 계획, 진행하는 것과 관계없는 것은?
34번
유틸리티 설비와 관계없는 것은?
35번
제품의 물리적 특성이 기계와 사람을 제품으로 가져오도록 강요하는 설비배치 방식은?
36번
다음 가속도계 센서 부착방법 중 사용 주파수 영역이 가장 좁은 방법은?
37번
설비관리의 조직계획상 고려할 사항이 옳게 연결된 것은?
38번
정비계획 수립 시 고려할 사항이 아닌 것은?
39번
기계진동 방지대책으로 거더(girder)를 이용하는 주된 이유는?
40번
다음 중 윤활유의 작용이 아닌 것은?
3과목 : 공업계측 및 전기전자제어
41번
논리식
를 간략화 한 식은?
를 간략화 한 식은?
42번
C1 = 3μF, C2 = 6μF의 콘덴서를 병렬로 접속해서 1kV의 전압을 인가하였다. 전체 콘덴서 C에 축적되는 에너지(J)는?
43번
잔류편차를 제거하기 위해 사용하는 제어기는?
44번
다음 그림은 제어밸브 고유 유량 특성에 대한 것이다. ①번 곡선에 해당되는 특성은?

45번
그림과 같은 연산 증폭기의 출력 전압 VO는 다음 중 어느 것인가?

46번
3상 유도 전동기의 회전 방향은 전동기에서 발생되는 회전 자계의 회전 방향과 어떤 관계가 있는가?
47번
조절밸브(제어요소)가 프로세스(제어대상)에 주는 신호는?
48번
SI 기본 단위계가 아닌 것은?
49번
전동기의 과부하 보호장치로 사용되는 계전기는?
50번
다음 시퀀스 회로를 논리식으로 나타낸 것은?

51번
이상적인 연산증폭기의 특성이 아닌 것은?
52번
16진수 A6을 2진수로 나타낸 것은?
53번
전동식 구동부를 가진 제어밸브의 특징이 아닌 것은?
54번
저항의 직렬접속 회로에 대한 설명 중 틀린 것은?
55번
15Ω의 저항 3개를 병렬로 접속하면 합성저항(Ω)은?
56번
측정의 기본방법 중 눈금자를 직접 제품에 대고 실제 길이를 알아내는 것은?
57번
전류의 최댓값을 Im이라 할 때 사인파교류의 실효값 I와 Im의 관계는?
58번
다음 중 트랜지스터의 최대정격으로 사용하지 않는 것은?
59번
10~15kW 정도의 3상 농형 유도전동기의 기동방식으로 사용하는 것은?
60번
온도검출에 적합한 소자는?
4과목 : 기계정비 일반
61번
다음 중 축에 고정된 기어, 커플링, 풀리 등을 분해하려고 할 때 가장 적절한 방법은?
62번
펌프의 축 추력을 제거할 수 있는 방법으로 적절한 것은?
63번
압축기 설치장소로 적절하지 않은 곳은?
64번
통풍기의 압력 범위는?
65번
밸브의 무게와 양면에 작용하는 압력차로 작동하여 유체의 역류를 방지하는 밸브는?
66번
소형 원심 펌프에서 전 양정이 몇 m 이상일 때 체크 밸브를 설치하는가?
67번
너트의 풀림 방지용으로 사용되는 와셔로 적절하지 않은 것은?
68번
두 축의 중심선이 일치하지 않거나, 토크의 변동으로 충격 하중이 발생하거나 진동이 많은 곳에 주로 사용하는 축이음은?
69번
베어링을 축 방향으로 이동을 방지하기 위하여 스냅 링을 보수나 축에 장착하는데, 이를 조립하거나 분해할 때 쓰이는 공구로 적절한 것은?
70번
공기압축기의 흡입 관로에 설치하는 스트레이너(strainer)의 설치목적으로 옳은 것은?
71번
볼트의 밑 부분이 부러졌을 때 빼내기 위해 사용하는 공구는?
72번
접착제의 구비조건으로 적절하지 않은 것은?
73번
열 박음에서 끼워 맞춤 가열온도를 구하는 식으로 옳은 것은? (단, T : 가열온도, △d : 죔새(축지름-구멍지름), α : 열팽창계수, D : 구멍지름)
74번
롤러 체인을 스프로킷 휠이 부착된 평행 축에 평행걸기를 할 때 거는 방법으로 적절한 것은?
75번
축이나 커플링이 진원에서 얼마나 편차가 되었는가를 확인하는 축 정렬 준비사항은?
76번
프로펠러의 양력으로 액체의 흐름을 임펠러에 대해 축 방향으로 평행하게 흡입, 토출하는 것으로 대구경, 대용량이며 비교적 낮은 양정(1~5m 정도)이 필요한 곳에 사용되는 펌프는?
77번
원심형 통풍기의 정기 검사 시 기록해야 할 사항이 아닌 것은?
78번
원심 펌프의 이상원인 중 시동 후 송출이 되지 않는 원인으로 적절하지 않은 것은?
79번
펌프에서 캐비테이션(cavitation)이 발생했을 때 그 영향으로 적절하지 않은 것은?
80번
기계 조립작업 시 주의사항으로 적절하지 않은 것은?
연도별
- 2020년08월22일
- 2020년06월06일
- 2019년08월04일
- 2019년04월27일
- 2019년03월03일
- 2018년08월19일
- 2018년04월28일
- 2018년03월04일
- 2017년05월07일
- 2017년03월05일
- 2016년08월21일
- 2016년05월08일
- 2016년03월06일
- 2015년08월16일
- 2015년05월31일
- 2015년03월08일
- 2014년08월17일
- 2014년05월25일
- 2014년03월02일
- 2013년08월18일
- 2013년06월02일
- 2013년03월10일
- 2012년08월26일
- 2012년05월20일
- 2012년03월04일
- 2011년08월21일
- 2011년06월12일
- 2011년03월20일
- 2010년05월09일
- 2010년03월07일
- 2009년07월26일
- 2009년05월10일
- 2009년03월01일
- 2008년07월27일
- 2008년03월02일
- 2007년08월05일
- 2007년03월04일
- 2006년08월16일
- 2006년03월05일
- 2005년08월07일
- 2005년03월20일
- 2005년03월06일
- 2004년08월08일
- 2004년03월07일
- 2003년08월10일
- 2003년03월16일
- 2002년08월11일
- 2002년03월10일