기계정비산업기사(변경) (2015년08월16일 기출문제)
1과목 : 공유압 및 자동화시스템
1번
다음 기호의 명칭으로 적합한 것은?

2번
다음 중 표준 대기압에 해당되지 않는 것은?
3번
오일 탱크의 용도로 적합하지 않은 것은?
4번
서비스 유닛을 구성하는 기기의 순서가 올바른 것은?
5번
피스톤형 축압기의 특징으로 옳지 않은 것은?
6번
공기 압축기에서 표준 대기압 상태의 공기를 시간당 10m3씩 흡입한다. 이 공기를 700kPa로 압축하면 압축된 공기의 체적은 악 몇 m3 인가? (단, 압축 시 온도의 변화는 무시한다.)
7번
KS B 0054(유압, 공기압 도면 기호)의 기호 요소 중 정사각형의 용도가 아닌 것은?
8번
유압 액추에이터의 속도조절용 밸브는?
9번
공유압 변환기와 에어 하이드로 실린더를 조합하여 사용할 때의 주의사항으로 옳은 것은?
10번
유압 실린더를 구성하는 기본적인 부품이 아닌 것은?
11번
다음 논리식 중 틀린 것은?
12번
설비의 로스(Loss)중 정지로스에 해당되는 것은?
13번
확산반사형 혹은 직접반사형 광센서를 사용할 때, 다음 중 감지거리가 가장 긴 것은?
14번
슬레노이드 밸브에서 전압이 걸려 있는데도 아마추어가 작동되지 않는 원인과 가장 거리가 먼 것은?
15번
빛을 이용하여 물체 유무를 검출하거나 속도, 위치결정에 응용되는 센서는?
16번
다음 중 되먹임 제어(feedback control)에서 꼭 필요한 장치는?
17번
개회로 제어 시스템(open loop control system)을 적용하기에 적합하지 않은 제어계는?
18번
다음 그림의 기호가 의미하는 것은?

19번
8비트의 2진 신호로 표현되는 0~10V의 아날로그 값의 최소 범위는?
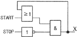
20번
그림과 같은 논리회로의 동작 설명으로 옳은 것은?

2과목 : 설비진단관리 및 기계정비
21번
보전용 자재 관리상 특징이 아닌 것은?
22번
자주보전 활동 7단계 내용 중 단계에 대한 활동내용이 틀린 것은?
23번
보전요원의 각 보전작업에 대한 표준화로 수리 표준시간, 준비작업 표준시간 또는 분해검사 표준시간을 결정하는 것은?
24번
제품별 배치의 장점에 속하지 않는 것은?
25번
보전작업 표준에서 표준시간의 결정방법에 해당하지 않은 것은?
26번
석유 제품의 산성 또는 알칼리성을 나타내는 것으로서 산화 조건하에서 사용되는 동안 기름 중에 일어나 변화를 알기 위한 척도로 사용되는 것은?
27번
진동 차단기로 이용되는 패드의 재료로 부적합한 것은?
28번
구름 베이링 결함에 대한 설명으로 맞는 것은?
29번
다음 특징의 설비배치 형태는?

30번
보전 비용을 들여 설비를 안정된 상태로 유지하기 위하여 발생되는 생산손실은?
31번
진동 시스템에서 질량은 그대로 유지하고, 강성을 증가시키면 고유 주파수는 어떻게 되는가?
32번
설비진단기술의 정의로 가장 적합한 것은?
33번
내부에 형성되어 있는 하나 혹은 그 이상의 챔 (chamber)에 의해서 입사 소음 에너지를 반사하여 소멸시키는 장치는?
34번
집중보전에 대한 특징으로 틀린 것은?
35번
윤활제의 급유법 중 순환급유법에 속하는 것은?
36번
설비관리의 목표는?
37번
음의 전파 중 장애물 뒤쪽으로 음이 전파되는 현상은?
38번
고장 분석에서 설비관리의 목적인 최소 비용으로 최대 효율을 위해 계획, 진행하는 것과 관계없는 것은?
39번
주파수, 진폭 및 위상이 같은 두 진동 파형이 합성되면 진동 형태는 어떻게 변화되는가?
40번
정현파의 경우 평균값은 피크값의 몇 배인가?
3과목 : 공업계측 및 전기전자제어
41번
전압 폴로워(Voltage follower)에 대한 설명으로 틀린 것은?
42번
열전대 조합으로 많이 사용하지 않는 것은?
43번
전자의 에너지 준위 M각에 들어갈 수 있는 전자의 수는 얼마안가?
44번
회전하고 있는 전동기를 역회전되도록 접속을 변경하면 급정지한다. 입연기의 급정지용으로 이용되는 제동방식은?
45번
어느 교류 전압의 순서값이 ʋ = 311ㆍsin(2π×60t)V 라고 하면, 이 전압의 실효값은 약 몇 V인가?
46번
변환기에서 노이즈 대책이 아닌 것은?
47번
100V, 20W의 전구에 50V의 전압을 가했을 때의 전력은 몇 W인가?
48번
계측계를 기능적으로 크게 분류했을 때 해당되지 않는 것은?
49번
3상 유도 전동기의 속도제어법이 아닌 것은?
50번
방사선식 액면계에서 2위치 검출용으로 적당한 형식은?
51번
그림에서 정전 용랑 C1, C2를 병렬로 접속하였을 때의 합성 정전 용랑 CAB는?

52번
반도체에 대한 설명 중 맞는 것은?
53번
대칭 3상 교류에 대한 설명으로 옳은 것은?
54번
그림파 같은 회로는?

55번
OP 앰프의 특징이 아닌 것은?
56번
그림과 같은 기호를 나타내는 것으로서 옳은 것은?

57번
P형 반도체와 N형 반도체를 적합시키면 반송자가 결핍되는 공핍층이 생성된다. Si의 경우 이러 한 접합면 사이의 전위차는?
58번
피측량을 직접 측정하지 않고, 피측정량에 기지(旣知)의 일정량을 뺀 나머지 양을 측정하는 방법은?
59번
동기속도가 1800rpm이고, 회전자 회전수가 1728rpm인 유도 전동기의 슬립은 악 몇 %인가?
60번
압력 검출기와 관계가 없는 것은?
4과목 : 기계정비 일반
61번
관의 직경이 비교적 크고 내압이 비교적 높은 경우에 사용되며 분해 조립이 관리한 관이음은?
62번
다이얼게이지 인디케이터를 “0"점에 맞추는 시기로 적함한 것은?
63번
펌프의 공동현상 방지책이 아닌 것은?
64번
삼각형 모양의 다리로 운전이 원활하고, 전동효율이 높고, 소음이 적어 정숙운전이 가능하나 제작이 어럽고 무거우며 가격이 비싼 체인은?
65번
기어의 손상 중 스코어링의 원인과 거리가 먼 것은?
66번
밸브의 무게와 양면에 작용하는 압력차로 작동하여 유체의 역류를 방지하는 밸브는?
67번
합성고무와 합성수지 및 금속 클로이드 등을 주성분으로 한 액상 개스킷의 사용방법으로 옳지 않은 것은?
68번
V벨트의 정비에 관한 사항으로 옳지 않은 것은?
69번
기어 감속기 중 평행 축형 감속기의 종류가 아닌 것은?
70번
다음 중 원심 펌프에 해당되는 것은?
71번
송풍기 축은 압축열이나 취급하는 가스의 온도 등의 영항으로 운전 중에 축 방향으로 신장하려고 한다. 다음 중 온도 상승에 의하여 송풍기 축의 길이가 변할 때의 대책으로 옳은 것은?
72번
축이음 중 원활한 동력 전달이 되고 축의 연결이 용이하여 진동과 충격이 잘 흡수되는 장점이 있어 최근 자동차 및 선박 등 산업 분야에 널리 사용되는 것은?
73번
500rpm 이하로 사용되던 길이 2m의 축이 구부러져 수정하고자 할 때 사용하는 공구는?
74번
펌프 흡입 쪽에 설치하며, 차단성이 좋고 전개시 손실 수두가 가장 적은 밸브는?
75번
윤활제의 부족에 의한 윤활 불량, 베어링 조립 불량, 체인, 벨트 등의 팽팽함, 커플링의 중심내기 불량이나 적정 틈새가 없어 추력을 받을 때 발생되는 전동기의 고장 현상은 무엇인가?
76번
원심펌프 운전에서 병렬 운전이 유리한 경우는?
77번
기어 전동장치에서 원활한 전동을 위하여 백래시(backlash)를 주는 이유로 옳지 않은 것은?
78번
무동력 펌프라고도 하며, 비교적 저낙차의 물을 긴 관으로 이끌어 그 관성작용을 이용하여 일부분의 물을 원래의 높이 보다 높은 곳으로 수송하는 양수기는?
79번
축 정렬 준비사항 중 축이나 커플링이 진원에서 얼마나 편차가 되었는가를 확인하는 방법은?
80번
아주 높은 온도를 유지하는 장치의 실(seal)로 사용되고 다른 실에 비해 유밀기능이 떨어지므로 와이퍼(wiper)형 실로 많이 사용되는 것은?
연도별
- 2020년08월22일
- 2020년06월06일
- 2019년08월04일
- 2019년04월27일
- 2019년03월03일
- 2018년08월19일
- 2018년04월28일
- 2018년03월04일
- 2017년05월07일
- 2017년03월05일
- 2016년08월21일
- 2016년05월08일
- 2016년03월06일
- 2015년08월16일
- 2015년05월31일
- 2015년03월08일
- 2014년08월17일
- 2014년05월25일
- 2014년03월02일
- 2013년08월18일
- 2013년06월02일
- 2013년03월10일
- 2012년08월26일
- 2012년05월20일
- 2012년03월04일
- 2011년08월21일
- 2011년06월12일
- 2011년03월20일
- 2010년05월09일
- 2010년03월07일
- 2009년07월26일
- 2009년05월10일
- 2009년03월01일
- 2008년07월27일
- 2008년03월02일
- 2007년08월05일
- 2007년03월04일
- 2006년08월16일
- 2006년03월05일
- 2005년08월07일
- 2005년03월20일
- 2005년03월06일
- 2004년08월08일
- 2004년03월07일
- 2003년08월10일
- 2003년03월16일
- 2002년08월11일
- 2002년03월10일