기계정비산업기사(변경) (2010년05월09일 기출문제)
1과목 : 공유압 및 자동화시스템
1번
다음 중 공압 모터의 장점이 아닌 것은?
2번
실린더의 부하가 급격히 감소하더라도 피스톤이 급속히 전진하는 것을 방지하기 위하여 귀환 쪽에 일정한 배압을 걸어주기 위한 회로를 구성하고자 한다. 이때 가장 적합하게 사용할 수 있는 밸브는?
3번
일반적으로 구조가 간단하고 값이 싸므로 차량, 건설기계, 운반기계등에 널리 사용되고 있으며, 외접, 내접, 로브, 트로코이드, 스크류 펌프의 종류가 있는 펌프를 무엇이라고 하는가?
4번
다음에 그려진 밸브의 설명으로 적당치 않은 것은?

5번
서비스 유닛의 구성 중 윤활기내에 있는 윤활유가 과도할 경우 발생되는 사항이 아닌 것은?
6번
제어신호가 입력된 후 일정한 시간이 경과된 다음에 작동되는 시간지연 밸브의 구성요소가 아닌 것은?
7번
동관이음을 할 때 관 끝 관끝 모양을 접시모양으로 넓혀서 이음 하는 방식은?
8번
유압펌프의 종류가 아닌 것은?
9번
공압기기 및 관로 내에서 유동 또는 침전 상태에 있는 물 또는 기름의 혼합액체를 무엇이라고 하는가?
10번
기체 봉입형 어큐뮬레이터에 밀봉하여 넣은 기체의 종류는?
11번
신호 발생 요소의 신호영역을 ON-OFF 표시 방식으로 표현함으로써 각 신호발생간의 신호간섭현상을 예지할 수 있는 동작 상태 표현법은?
12번
공압 회전액추에이터 종류 중 요동형 액추에이터는?
13번
유압 회로 구성에 필요한 동력 공급 회로 중에서 실린더를 급속하게 작동 시킬 때 단 시간에 작은 동력으로 대용량의 유압유를 공급할 수 있는 것은?
14번
설비의 6대 로스(loss)에 해당하지 않는 것은?
15번
측온저항체의 특징이 아닌 것은?
16번
유압 시스템의 파워 유닛에 속하지 않는 것은?
17번
하드 와이드한 제어(릴레이 제어)와 소프트 와이드한 제어 (PLC 제어)의 차이점 설명 중 맞지 않는 것은?
18번
그림과 같은 선형 스템모터에서 스핀들 리드를 0.36cm라 하고, 회전각을 1°라 했을 때 이송거리는 몇mm인가?

19번
자동화를 공장 자동화와 정보 자동화로 구분할 때 적용 분야가 정보 자동화인 것은?
20번
온도계나 컬러 TV 의 색 차이 방지용 온도보상에 사용되는 것으로 열팽창계수 차이가 있는 두 금속을 접합한 것은?
2과목 : 설비진단관리 및 기계정비
21번
진동측정기기의 검출단 설치 방법 중 주파수 특성이 가장 넓은 것은?
22번
회전기계에서 나타나는 이상 현상 중 발생 주파수가 고주파로 나타나는 이상 현상은?
23번
제품에 대한 전형적인 고장률 팬턴을 욕조곡선으로 나타낼 수 있다. 우발고장기간에 발생될 수 있는 원인과 관계가 없는 것은?
24번
제조원가는 크게 직접비와 간접비로 구분된다. 직접비에 포함되지 않는 비용은 무엇인가?
25번
제품별 배치 형태의 장점을 설명한 것은?
26번
진동 주파수에 대한 설명이 옳은 것은?
27번
주기,진동수,각진동수에 관한 설명으로서 올바른 것은?
28번
기어,베어링 및 축 등으로부터의 검출된 시간영역의 여러 진동신호를 주파수 영역의 신호로 변환하는 분석기는?
29번
설비보전 내용을 기록하였을 때의 장점이 아닌 것은?
30번
질량m에 의해 인장스프링의 길이가 δ만큼 늘어날 때 δ가 인장스프링에 작요하는 힘에 비례한다면 질량(m)과 늘어난 길이(δ),고유진동수(ωn)의 관계가 올바르게 설명 된 것은?
31번
보전용 자재의 특징으로 적당한 것은?
32번
품질보전의 전개에 있어서 요인해석의 방법에 해당하지 않는 것은?
33번
보전작업 표준화의 목적은 보전작업의 낭비를 제거하여 효율성을 증대시키기 위한 것이다. 다음 중 보전표준의 종류가 아닌 것은?
34번
부분보전의 단점을 설명한 것이다.단점이 아닌 것은?
35번
다음 중 설비배치를 하는 목적이 아닌 것은?
36번
설비진단기술의 기본 시스템 구성에서 간이진단 기술이란?
37번
윤활제의 공급방식 중 순환 급유법으로만 짝지어진 것은?
38번
체계적인 설비관리를 함으로서 얻을 수 있는 효과가 아닌 것은?
39번
생산의 정지 혹은 유해한 성능저하를 초래하는 상태를 발견하기 위한 설비의 정기적인 감시를 무엇이라 하는가?
40번
보전효과 측정을 위한 방법으로 듀폰(Dupont)사가 제시한 계획,작업량,비용 및 생산성의 측정요소를 평가하여 미래의 목표를 제시하는 목표관리 시스템이 사용되고 있다. 측정요소 중 계획의 요소에 해당되는 것으로 맞는 것은?
3과목 : 공업계측 및 전기전자제어
41번
전자코일에 전원을 주어 형성된 자력을 이용하여 접점을 즉시 개폐하는 역할을 하는 것은?
42번
제어밸브는 프로세스의요구에 따라 여러 종류의 형식이 있다. 다음 중 제어 밸브를 조작 신호와 밸브시트의 형식에 따라 분류할 때 조작 신호에 따른 분류에 속하는 것은?
43번
도전성 유체의 유속 또는 유량측정에 가장 적합한 것은?
44번
유접점 방식의 시퀀스제어에 사용되는 것은?
45번
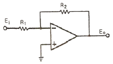
그림과 같은 반전 증폭기의 입력전압과 출력전압의 비 즉, 전압이득을 바르게 표현한 식은?

46번
다음 중 회로시험기를 사용하여 측정할 수 없는 것은?
47번
직류 전동기에서 별도의 계자전원이 필요한 전동기는?
48번
논리식 A(A+B)를 간단히 하면
49번
압력계의 설치장소로 선정할 때의 고려사항이 아닌 것은?
50번
다음 중 직류 발전기의 주요 3요소라 할 수 있는 것은?
51번
8421코드에서 각 비트를 D,C,B,A라고 할 때 10진수 5를 나타낸 것은? (단, D=MSC, A=LSB다.)
52번
제어밸브를 선정하는 필요한 요건이 아닌 것은?
53번
다음 온도계 중에서 비접촉 방식으로 분류할 수 있는 것은?
54번
교류의 최대값이 100A인 경우 실효값은 약 몇 [A]인가?
55번
계장 배선의 장단점에서 MI케이블의 장점이 아닌 것은?
56번
다음 중 변류기(CT)의 2차 정격 전류는 몇 [A]인가?
57번
적분 요소의 전달함수는?
58번
계측기가 미소한 측정량의 변화를 감지할 수 있는 최소 측정량의 크기를 무엇이라 하는가?
59번
데이터를 한 장치에서 다른 장치로 전송할 때,또는 다른 장치로부터 전송되어 온 데이터를 받아들일 때에 일시적으로 기억되는 직렬기억소자로 사용되는 것은?
60번
회로 내 임의의 분기점에 유입,유출되는 전류의 대수합은 같다는 법칙은?
4과목 : 기계정비 일반
61번
송풍기의 분류방법으로 맞지 않는 것은?
62번
축의 손상이나 파손되는 형태의 여러 가지 요소 중에서 가장 많이 발생하는 고장 원인은?
63번
다음 FlangeBolt8개의 조임 순서로 가장 적합한 것은?
64번
송풍기의 베어링 과열 원인이 아닌 것은?
65번
헬리컬 기어에 대한 설명 중 틀린 것은?
66번
높은 토출 양정을 위해 사용하는 펌프는?
67번
하우징이 정지되어 있고 축이 회전하는 경우에 축이나 하우징에 레이디얼 베어링을 끼워맞춤 시 올바른 방법은?
68번
다음 중 배관용 공기구에 해당되지 않는 것은?
69번
용적형 펌프의 종류가 아닌 것은?
70번
펌프 운전시 캐비테이션(cavitation)발생없이 펌프가 안전하게 운전되고 있는가를 나타내는 척도로 사용되는 것은?
71번
축 정렬에(센터링)관한 설명 중 틀린 것은?
72번
스패너를 사용하여 볼트를 체결할 때,힘이 작용하는 점까지의 스패너의 길이를 L,가하는 힘을 F라 하면 볼트에 작용하는 토크 T는?
73번
축 이음 중심내기에 사용되는 측정기가 아닌 것은?
74번
베어링 외의 기계부품을 가열끼움 작업을 할 때 가열온도로 적합한 것은?
75번
관속을 충만하게 흐르고 있는 액체의 속도를 급격히 변화시키면 어떤 현상이 일어나는가?
76번
3상유도전동기의 구조에 속하지 않는 것은?
77번
V벨트 정비에 관한 사항 중 거리가 먼 것은?
78번
다음 중 체크밸브의 종류가 아닌 것은?
79번
다음 그림은 기어 감속기에 부착된 명판이다.감속기의 출력회전수는 약 얼마인가?

80번
밸브의 기능으로 적당하지 않는 것은?
연도별
- 2020년08월22일
- 2020년06월06일
- 2019년08월04일
- 2019년04월27일
- 2019년03월03일
- 2018년08월19일
- 2018년04월28일
- 2018년03월04일
- 2017년05월07일
- 2017년03월05일
- 2016년08월21일
- 2016년05월08일
- 2016년03월06일
- 2015년08월16일
- 2015년05월31일
- 2015년03월08일
- 2014년08월17일
- 2014년05월25일
- 2014년03월02일
- 2013년08월18일
- 2013년06월02일
- 2013년03월10일
- 2012년08월26일
- 2012년05월20일
- 2012년03월04일
- 2011년08월21일
- 2011년06월12일
- 2011년03월20일
- 2010년05월09일
- 2010년03월07일
- 2009년07월26일
- 2009년05월10일
- 2009년03월01일
- 2008년07월27일
- 2008년03월02일
- 2007년08월05일
- 2007년03월04일
- 2006년08월16일
- 2006년03월05일
- 2005년08월07일
- 2005년03월20일
- 2005년03월06일
- 2004년08월08일
- 2004년03월07일
- 2003년08월10일
- 2003년03월16일
- 2002년08월11일
- 2002년03월10일