기계정비산업기사(변경) (2018년03월04일 기출문제)
1과목 : 공유압 및 자동화시스템
1번
공학기압 1 at와 크기가 다른 것은?
2번
릴리프 밸브를 이용한 유압 브레이크 회로에서 유압 모터를 정지시키고자 오일의 공급을 중단했을 때 유압 모터의 현상은? (단, 모터축의 부하 관성이 크다.)
3번
AND밸브라고도 불리며 연동제어, 안전제어에 사용되는 밸브는?
4번
내경 32mm의 실린더 10mm/s의 속도로 움직이려 할 때 필요한 최소 펌프 토출량은 약 몇 ℓ/min 인가?
5번
일반적인 압축공기의 생산과 준비 단계가 옳은 것은?
6번
직선왕복운동용 액추에이터가 아닌 것은?
7번
다음 유압밸브에서 알 수 없는 것은?

8번
제어시스템에서 신호발생요소의 작동 상태를 알 수 있으며 시퀸스상의 간섭 유무를 판별할 수 있는 것은?
9번
유압펌프에서 압력이 상승하지 않는 경우 점검사항이 아닌 것은?
10번
무부하 밸브(unloading valve)에 대한 설명으로 틀린 것은?
11번
제작회사에서 미리 ROM에 프로그램 내용을 기억시켜 스스로 판독하여 프로그램을 수행할 수 있도록 만든 것은?
12번
다음 밸브 작동 방법 기호의 의미는?

13번
큰 운동에너지를 얻기 위해 설계된 것으로 리벳팅, 펀칭, 프레싱 작업 등에 사용되는 실린더는?
14번
자동화 시스템 유지보수에 관한 설명 중 틀린 것은?
15번
미터-아웃 유량제어 방식의 특징으로 틀린 것은?
16번
검출 물체가 센서의 작동 영역(감지거리이내)에 들어올 때부터 센서의 출력 상태가 변화하는 순간까지의 시간 지연을 무엇이라 하는가?
17번
직류 전동기가 과열하는 원인이 아닌 것은?
18번
다음 중 서보센서가 아닌 것은?
19번
메모리 제어의 설명으로 옳은 것은?
20번
로터의 피치가 60°, 극수가 8, 회전자의 치수가 6인 4상 스테핑 모터의 스텝각은?
2과목 : 설비진단관리 및 기계정비
21번
진동 차단기의 기본 요구조건 중 틀린 것은?
22번
변위 센서의 종류가 아닌 것은?
23번
PM(Phenomena mechanism) 분석의 단계별 내용에 해당되지 않은 것은?
24번
진동 센서 고정방법 중 주파수 영역이 넓고 진동 측정 정확도가 가장 좋은 것은?
25번
생산의 정지 혹은 휴해한 성능저하를 초래하는 상태를 발견하기 위한 설비의 정기적인 검사를 무엇이라 하는가?
26번
다음 그림과 같은 보전 조직은?

27번
다음 설비보전 표준 중 검사, 정비, 수리 등의 보전작업 방법과 보전작업 시간의 표준을 말하는 것은?
28번
다음 중 회전기계의 진동 측정방법 중 변위를 측정해야 하는 경우로 가장 적합한 것은?
29번
다음 그림과 같은 설비관리의 조직형태는?

30번
팽창식 체임버(chamber)의 소음기 면적비는?
31번
보전자재 관리상의 특징으로 틀린 것은?
32번
설비배치에서 설비의 소요 면적 결정방법이 아닌 것은?
33번
고속도로 회전하는 기어 및 베어링 등에서 충격력 등과 같이 힘의 크기가 문제로 되는 이상의 진단 시 일반적으로 사용되는 측정변수는?
34번
정현과 신호에서 진동의 크기를 표현하는 방법으로 피크 값의 2/π인 값은?
35번
유(oil)윤활과 비교한 그리스 윤활의 장점으로 옳은 것은?
36번
제품의 크기, 무게 및 기타 특성 때문에 제품 이동이 곤란한 경우에 생기는 배치 형태로 자재, 공구, 장비 및 작업자가 제품이 있는 장소로 이동하여 작업을 수행하는 설비배치의 형태는?
37번
종합적 생산보전 활동과 가장 거리가 먼 것은?
38번
설비관리의 조직계획에서 지역이나 제품, 공정 등에 따라 설비를 분류하여 그 관리를 담당하는 방식은?
39번
다음 중 설비의 체질 개선을 위하여 실시하는 보전활동은?
40번
음파가 서로 다른 매질을 통과할 때 구부러지는 현상을 무엇이라고 하는가?
3과목 : 공업계측 및 전기전자제어
41번
0.1H의 코일에 60Hz, 200V인 교류전압을 인가하면 유도리액턴스는 약 몇 Ω인가?
42번
기호 중 계전기의 b접점을 나타낸 것은?
43번
셰이딩 코일형 전동기의 특성이 아닌 것은?
44번
제어 밸브는 프로세스의 요구에 따라 여러 종류의 형식이 있다. 다음 중 제어 밸브를 조작 신호와 밸브 시트의 형식에 따라 분류할 때 조작 신호에 따른 분류에 속하는 것은?
45번
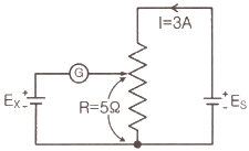
다음 그림에서 검류계의 지침이 0을 지시하고 있다면 미지전압 EX는 몇 V 인가?

46번
직류발전기의 전기자 철심을 성층 철심으로 하는 이유는?
47번
옴의 법칙(Ohm’s law)에 관한 설명 중 옳은 것은?
48번
다음의 그림은 3상 유도전동기의 단자를 표시한 것이다. 이 전동기를 △결선하고자 한다면?

49번
구조는 간단하나 잔류편차가 생기는 제어요소는?
50번
외부 압력에 대한 탄성체의 기계적 변위를 이용한 압력 검출기에 해당되지 않는 것은?
51번
연산증폭기의 심벌로 옳은 것은?
52번
다음 그림과 같이 입력이 동시에 ON 되었을 때에만 출력이 ON 되는 회로를 무슨 회로라고 하는가?

53번
타여자 발전기의 용도로 적당하지 않은 것은?
54번
PLC 제어반의 특징이 아닌 것은?
55번
논리식 a·1(a AND 1)을 간력히 했을 때 옳은 것은?
56번
접합 전계효과 트랜지스터(JEET)의 드레인-소스간 전압을 0에서부터 증가시킬 때 드레인 전류가 일정하게 흐르기 시작할 때의 전압은?
57번
공기식 조작기로 옳은 것은?
58번
프로세서 제어에 속하지 않는 것은?
59번
이미터 접지 증폭회로에서 트랜지스터의 hfe=100, hie=10kΩ, 부하저항이 5kΩ이면 이 회로의 전압증폭도는?
60번
도전성 유체의 유속 또는 유량측정에 가장 적합한 것은?
4과목 : 기계정비 일반
61번
축에 보스를 가열 끼움 시 가열온도로 가장 적당한 것은?
62번
유로방향의 수로 분류한 콕의 종류가 아닌 것은?
63번
마이크로미터 나사의 피치가 p[mm], 나사의 회전각의 α[rad]일 때, 스핀들의 이동거리는 x[mm]는?
64번
코터의 빠짐을 방지하기 위한 방법으로 가장 적합한 것으?
65번
원심 펌프가 기동은 하지만 진동하는 원인으로 옳지 않은 것은?
66번
유량 1m3/min, 전양정 25m인 원심펌프의 축동력은 약 몇 PS인가? (단, 펌프 전효율 0.78, 물의 비중량은 1000lkgf/m3이다.)
67번
펌프의 캐비테이션 방지책으로 적합한 것은?
68번
축 마모부의 수리는 보스 내경과의 관계를 고려, 그 수리방법을 결정해야 한다. 수리방법의 판단기준으로 적합하지 않는 것은?
69번
축의 급유불량으로 나타나는 현상은?
70번
굽어버린 축을 현장에서 수리하여 사용할 수 있는 일반적인 경우로 옳은 것은?
71번
임펠러(impeller) 흡입구에 의하여 송풍기를 분류한 것이 아닌 것은?
72번
바셀린(petrolatum)방청유의 종류가 아닌 것은?
73번
수격현상에서 압력상승 방지책으로 사용되지 않는 것은?
74번
V 벨트에 관한 설명으로 옳은 것은?
75번
베어링의 열박음 시 주의 사항이 아닌 것은?
76번
전동기 베어링부분에서 발열이 발생할 때 주요 원인이 아닌 것은?
77번
다음 중 축의 고장원인으로 볼 수 없는 것은?
78번
다음 그림은 기어 감속기에 부착된 명판이다. 이 감속기의 출력회전수는 약 얼마인가?

79번
펌프 축에 설치된 베어링에 이상 현상을 일으키는 원인이 아닌 것은?
80번
헬리컬 기어에 관한 설명으로 틀린 것은?
연도별
- 2020년08월22일
- 2020년06월06일
- 2019년08월04일
- 2019년04월27일
- 2019년03월03일
- 2018년08월19일
- 2018년04월28일
- 2018년03월04일
- 2017년05월07일
- 2017년03월05일
- 2016년08월21일
- 2016년05월08일
- 2016년03월06일
- 2015년08월16일
- 2015년05월31일
- 2015년03월08일
- 2014년08월17일
- 2014년05월25일
- 2014년03월02일
- 2013년08월18일
- 2013년06월02일
- 2013년03월10일
- 2012년08월26일
- 2012년05월20일
- 2012년03월04일
- 2011년08월21일
- 2011년06월12일
- 2011년03월20일
- 2010년05월09일
- 2010년03월07일
- 2009년07월26일
- 2009년05월10일
- 2009년03월01일
- 2008년07월27일
- 2008년03월02일
- 2007년08월05일
- 2007년03월04일
- 2006년08월16일
- 2006년03월05일
- 2005년08월07일
- 2005년03월20일
- 2005년03월06일
- 2004년08월08일
- 2004년03월07일
- 2003년08월10일
- 2003년03월16일
- 2002년08월11일
- 2002년03월10일