기계정비산업기사(변경) (2014년03월02일 기출문제)
1과목 : 공유압 및 자동화시스템
1번
공압 포핏식 밸브의 단점으로 옳은 것은?
2번
다음 기호의 명칭으로 옳은 것은?

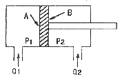
3번
그림에서 A측에 압력 50kgf/cm2의 유압유를 12L/min 씩 보낼 때 동력(힘)은 약 몇 Nㆍm/s 인가?

4번
유압실린더의 지지형식에 따른 기호에 해당되지 않는 것은?
5번
무부하 회로를 사용하는 이유로 적당하지 않은 것은?
6번
유압 카운터 밸런스 회로의 특징이 아닌 것은?
7번
다음 기호의 명칭으로 옳은 것은?

8번
압축공기 중에 포함된 수분을 제거하기 위한 공기 건조기의 건조방식이 아닌 것은?
9번
유압펌프 전체송출량의 작동유가 필요하지 않게 되었을 때 오일을 저압으로 하여 탱크에 귀환시키는 회로는?
10번
공압모터에 관한 설명으로 적절치 못한 것은?
11번
유압 작동유 중 공기의 침입으로 발생하는 현상은?
12번
비상업무처리를 위한 기능으로, 어떤 특정의 입력이 들어왔을 때, 즉시 응답되는 제어동작을 수행하도록 요구하는 용도로 쓰이는 것은?
13번
메모리 기능이 없고 여러 입ㆍ출력 요소가 있을 때는 논리적인 해결을 위해 부울 대수가 이용되므로 논리제어 라고도 하는 것은?
14번
일반적인 공압 단동 실린더의 최대 행정거리는 얼마인가?
15번
설비의 신뢰성을 나타내는 척도가 아닌 것은?
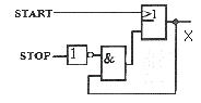
16번
그림과 같은 논리회로도의 명칭은?

17번
하드 와이어드한 제어(릴레이 제어)와 소프트 와이어드한 제어(PLC제어)의 차이점에 대한 설명으로 옳지 않는 것은?
18번
핸들링 중 직선적으로 부품이 이송되며 작업이 수행되어 지는 핸들링은?
19번
검출 물체가 센서의 작동 영역(감지거리 이내)에 들어 올때부터 센서의 출력 상태가 변화하는 순간까지의 시간 지연을 무엇이라 하는가?
20번
공압모터 중 3~10개의 회전날개를 갖고 있으며 정ㆍ역회전이 가능한 공압 모터는?
2과목 : 설비진단관리 및 기계정비
21번
2대의 기계가 각각 90dB의 소음을 발생시킨다면 2대가 동시에 동작할 때의 소음도는 얼마인가?
22번
정비의 시기에 맞추어 필요한 예비품을 준비해 두어야 하는데 해당되는 예비품이 아닌 것은?
23번
예방보전의 효과가 가장 높을 때는?
24번
컴퓨터를 이용한 설비 배치기법이 아닌 것은?
25번
설비 열화의 측정, 열화의 진행 방지, 열화의 회복을 위한 제조건의 표준은?
26번
설비의 제1차 건강진단 기술로서 현장 작업원이 수행하는 기술은?
27번
윤활제 중 그리스의 상태를 평가하는 항목이 아닌 것은?
28번
설비관리의 목표인 생산성을 나타내는 것은?
29번
일정한 정점에 대하여 다른 정점의 순간적인 위치 및 시간의 지연을 나타내는 것은?
30번
산소가스를 압축할 때 사용하는 윤활제는?
31번
보전작업표준을 설정하고자 할 때 사용하지 않는 방법은?
32번
시스템에 공진상태가 존재할 때 제거하는 방법이 아닌 것은?
33번
다음 그림은 설비관리 조직 중에서 어떤 형태의 조직인가?

34번
설비투자에 대한 경제성 평가방법에 해당되지 않는 것은?
35번
센서 고정방법 중 주파수 영역이 넓고 정확도가 가장 좋은 것은?
36번
진동 소음에 관한 설명으로 옳은 것은?
37번
설비보전 관리시스템과 지속적인 개선을 위한 사이클로 맞는 것은?
38번
설비의 기술적 표준으로서 설비의 공통요소와 설비능력 계산방식의 기준 등을 표시하는 것은?
39번
보전효과 측정방법에서 항목에 따른 공식이 잘못된 것은?
40번
기계진동의 발생에 따른 문제점으로 관련이 적은 것은?
3과목 : 공업계측 및 전기전자제어
41번
2개 이상의 논리변수들을 논리적으로 합하는 연산으로서 논리변수 중에서 어느 것이라도 “1”이면 그 결과가 “1”이 되는 논리연산은?
42번
다음 전력 증폭기 중 효율이 가장 높은 것은?
43번
0.002[㎌]콘덴서 2개를 병렬로 연결하여 100[V] 전압을 가할 때 전 전하량[μC]은?
44번
와류식 유랑계는 유량에 비례한 주파수에 의해 체적유량을 측정할 수 있다. 안정한 와류를 발생시키는 조건은? (단, 와류의 간격을 L, 와류사이의 거리를 l 이라 한다.)
45번
제어밸브의 구동원으로 공기압이 사용되는 이유 중 적당하지 않는 것은?
46번
피드백 제어계의 구성에서 제어요소가 제어대상에 주는 양은?
47번
어떤 도체에 5[A]의 전류가 10분 동안 흐르면 이 때 이동한 전기량은 몇 [C]인가?
48번
전동식 구동부를 가진 제어밸브의 특징이 아닌 것은?
49번
회로 시험기(multi tester)로 측정할 수 없는 것은?
50번
40[W]의 전구 4개를 5시간 동안 사용하였다면 전력량은 몇 [Wh]인가?
51번
그림과 같이 응답이 나타나는 전달요소는?

52번
그림과 같은 논리 입력에 대한 출력은? (단, R≠0)

53번
시퀀스 제어회로에서 입력에 의해 작동된 후 입력을 제거하여도 계속 작동되는 회로는?
54번
옴의 법칙(Ohm’s law)에 관한 설명 중 옳은 것은?
55번
기준량을 준비하고 이것을 피측정량과 평행시켜 기준량의 크기로부터 피측정량을 간접적으로 알아내는 방법은?
56번
동일 거리를 나가는데 요하는 초음파 펄스의 흐름과 같은 방향과 반대 방향의 시간차에 의해 평균 유속을 구하는 싱 어라운드(sing around)법을 측정 원리로 하는 유량계는?
57번
직류 전동기의 속도 제어법이 아닌 것은?
58번
온도 변화기에 요구되는 기능으로 옳은 것은?
59번
다음 중 연상 증폭기의 심벌은?
60번
PLC의 구성 중 입력(input)측에 해당되지 않는 것은?
4과목 : 기계정비 일반
61번
임펠러(impeller) 흡입구에 의하여 송풍기를 분류한 것이 아닌 것은?
62번
고착 또는 부러진 볼트의 분해법으로 거리가 먼 것은?
63번
V 벨트에 대한 설명으로 틀린 것은?
64번
다음 중 전동기 기동불능의 원인이 아닌 것은?
65번
기어 피치원의 지름을 D, 원주피치를 P라고 하면 기어의 잇수 Z를 구하는 식은?
66번
펌프 성능에 관한 몇 가지 일반원리를 나타낼 수 있는 성능곡선에 나타나지 않는 성능 값은?
67번
고정 커플링 중 원통 커플링에 속하지 않는 것은?
68번
펌프의 캐비테이션 방지책으로 적합한 것은?
69번
기계 운전 중에 가장 양호한 동심상태를 유지하기 위한 작업은?
70번
사이클로이드 감속기의 윤활 방법 중 옳은 것은?
71번
수도, 가스, 배수관 등에 사용되고 있는 주철관이 강관에 비하여 우수한 점은?
72번
다단 원심 펌프에서 수평 분할형과 수직 분할형에 대한 설명 중 옳은 것은?
73번
관의 이음에서 분해조립이 편리하고 산업배관에 많이 사용되며, 관의 직경이 비교적 클 경우, 내압이 높을 경우에 볼트와 너트를 사용하는 이음은?
74번
밸브 판이 흐림에 대하여 직각으로 놓여 지며, 밸브 시트에 대하여 미끄럼 운동을 하는 구조이며, 흐름에 대한 유체의 저항이 적은 밸브는?
75번
일반적으로 베어링 끼워맞춤 시 올바른 방법은?
76번
기어 손상의 분류 중 피칭과 관련이 있는 것은?
77번
키 맞춤을 위해 보스의 구멍 지름을 포함한 홈의 깊이를 측정할 때 적합한 측정기는?
78번
기어 감속기 중 평행축형 감속기가 아닌 것은?
79번
유체의 역류를 방지하기 위하여 사용되는 밸브는?
80번
무거운 기계나 전동기를 들어 올릴 때 로프, 체인, 훅 등을 거는데 사용되는 볼트는?
연도별
- 2020년08월22일
- 2020년06월06일
- 2019년08월04일
- 2019년04월27일
- 2019년03월03일
- 2018년08월19일
- 2018년04월28일
- 2018년03월04일
- 2017년05월07일
- 2017년03월05일
- 2016년08월21일
- 2016년05월08일
- 2016년03월06일
- 2015년08월16일
- 2015년05월31일
- 2015년03월08일
- 2014년08월17일
- 2014년05월25일
- 2014년03월02일
- 2013년08월18일
- 2013년06월02일
- 2013년03월10일
- 2012년08월26일
- 2012년05월20일
- 2012년03월04일
- 2011년08월21일
- 2011년06월12일
- 2011년03월20일
- 2010년05월09일
- 2010년03월07일
- 2009년07월26일
- 2009년05월10일
- 2009년03월01일
- 2008년07월27일
- 2008년03월02일
- 2007년08월05일
- 2007년03월04일
- 2006년08월16일
- 2006년03월05일
- 2005년08월07일
- 2005년03월20일
- 2005년03월06일
- 2004년08월08일
- 2004년03월07일
- 2003년08월10일
- 2003년03월16일
- 2002년08월11일
- 2002년03월10일