기계정비산업기사(변경) (2015년03월08일 기출문제)
1과목 : 공유압 및 자동화시스템
1번
공압 모터의 장점이 아닌 것은?
2번
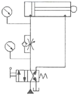
그림과 같은 회로에 대한 설명으로 옳은 것은?

3번
그림의 변위-단계선도에서 실린더 A, B의 작동순서는?

4번
공기의 압력이 일정할 때 온도와 체적과의 관계로 옳은 것은?
5번
펌프의 토출랑이 15ℓ/min 이고 유압실린더에서의 피스톤직경이 32mm, 배관경이 6mm일 때 배관에서의 유속(A)과 피스톤의 전진속도(B)는 각각 몇 m/sec 인가?
6번
교축 밸브에 체크 밸브를 붙인 것으로 공압 회로에서 실린더의 속도를 제어하기 위한 밸브는?
7번
비접촉식 공압 근접센서의 원리는?
8번
그림과 같은 회로의 명칭은? (단, A, B는 입력, C는 출력이다.)

9번
유압장치 작동 중 관로의 흐름이 밸브 등에 의해 순간적으로 차단될 때, 유체의 운동에너지가 탄성에너지로 변하여 나쁜 영향을 미치는 것은?
10번
진공 발생기에서 진공이 형성되는 원리와 가장 관련이 깊은 것은?
11번
유도 전동기의 회전속도에 영향을 주지 못하는 것은?
12번
유압 실린더에서 면적비가 1 : 0.5 (피스톤측 면적 : 피스톤 로드측 면적)이라면 유랑이 일정할 때 피스톤의 후진운동속도는 전진운동속도의 몇 배 인가?
13번
PLC를 이용하여 시스템을 제어하는 과정에서 프로그램 에러를 찾아내어 수정하는 작업은?
14번
서미스터의 분류에 해당되지 않는 것은?
15번
유압시스템에 사용되는 작동유에 대한 수분의 영향과 가장 거리가 먼 것은?
16번
공압시스템에서 공급 유량부족으로 인한 고장 발생 상황으로 옳은 것은?
17번
PLC(Programmable Logic Control)는 다음 중 어느 영역을 담당하는 장치인가?
18번
빛을 이용하는 센서로 사용되는 것만을 나열한 것은?
19번
단동 실린더에 대한 설명으로 틀린 것은?
20번
제어신호의 간섭을 제거하기 위하여 캐스케이드 회로 설계방법을 이용하었을 때의 특징이 아닌 것은?
2과목 : 설비진단관리 및 기계정비
21번
설비 보전 조직 설계 시 고려 사항으로 가장 거리가 먼 것은?
22번
사람이 가청할 수 있는 최소 가청음의 세기[W/m2]는? (단, W/m2 = 음향출력/표면적)
23번
문제 해결방식에 대한 순서로 ( ) 내용으로 옳은 것은?

24번
보전용 자재의 재고문제에 관한 정량발주방식의 형태 중 주문량과 주문점을 균등하게 한 것으로서 용량이 같은 저장 용기를 교대로 사용하는 방식은?
25번
회전기계의 정격 회전속도가 1800rpm 일 때 이설비가 5400rpm 의 진동성분을 발생한다면 이에 대한 설명으로 옳은 것은?
26번
진동 차단기의 변위가 걸리는 힘에 비례할 때 시스템의 고유진동수(ω)와 정적 변위(δ)와의 관계식으로 옳은 것은?
27번
등청감곡선(equal loudness contours)이란?
28번
설비진단 기법 증 진동 분석법으로 알 수 없는 것은?
29번
설비관리기능 중 지원기능으로 가장 거리가 먼 것은?
30번
손상된 기어에서 나타나는 주파수의 특징은?
31번
설비투자의 경제성 평가에 있어서 각 대안의 미래의 모든 수입과 지출을 일정 동일 액으로 바꿔서 비교 평가하는 방법은?
32번
소음원으로부터 거리를 2배 증가시키면 음압도(dB)는 어떻게 변하는가?
33번
설비 관리 조직의 계획상 고려되어야 할 사항으로 가장 거리가 먼 것은?
34번
라인별 배치라고도 하며, 공정의 계열에 따라 각 공정에 필요한 기계가 배치되고 대량생산에 적합한 설비배치는?
35번
정현파 신호에서 양진폭(peak to peak) 은 피크 진폭 값의 몇 배인가?
36번
시스템을 구성하는 요소 중 피드백에 속하는 것은?
37번
설비보전표준의 분류와 가장 거리가 먼 것은?
38번
설비관리의 기능과 가장 거리가 먼 것은?
39번
다음 진동 측정용 센서 중 접촉형은?
40번
설비를 만족한 상태로 유지하여 막을 수 있었던 생산상의 손실을 기회손실이라 하는데 이러한 기회손실에 해당하지 않는 것은?
3과목 : 공업계측 및 전기전자제어
41번
진리표의 논리회로는?

42번
절연저항 측정 시 가장 많이 사용되는 계기는?
43번
시퀀스도 작성방법의 설명으로 틀린 것은?
44번
프로세스 제어에 속하지 않는 것은?
45번
전동밸브의 제어성을 양호하게 하기 위하여 사용되는 포지셔너(positioner) 는?
46번
제어 조작용 기기로서 큰 전류가 흘러도 안전한 큰 전류 용량의 접점을 가지고 있는 조작용 기기는?
47번
컬렉터접지 증폭기의 일반적인 특징이 아닌 것은?
48번
일명 PD미터라고도 부르며 오발(OVAL)기어형과 루츠(ROOTS)미터형을 주로 사용하고 있는 유량계는?
49번
불순물 농도가 가장 큰 반도체 소자는?
50번
접지선의 색은?
51번
최대눈금 5mA의 직류 전류계로 50A 까지의 전류를 측정하려면 악 몇 Ω의 분류기가 필요한가? (단, 직류 전류계의 내부저항은 10옴 이다.)
52번
접촉방식 온도계가 아닌 것은?
53번
연산 증폭기의 구조 (동작흐름)이다. ( ) 안에 알맞은 것은?

54번
어떤 회로에서 저항 양단 전압의 참값이 40V 이나 회로시험기로 전압을 측정한 결과 39V를 지시 했다면 이 회로시험기의 백분율 오차(%)는?
55번
서지 전압을 흡수하고 전자회로를 보호하거나 또는 스위치나 계전기의 접점을 개폐할 때에 불꽃 소거용으로 사용되고 있는 소자는?
56번
40Ω 과 60Ω 의 저항이 병렬로 연결된 경우 합성저항(Ω)은?
57번
유접점 시퀀스 체어의 특징이 아닌 것은?
58번
제어 밸브 구동부의 동력원으로 가장 많이 사용되는 것은?
59번
100μF 의 콘덴서에 교류 200V, 60Hz의 교류 전압을 가할 때 용량성 리액턴스(Ω)는?
60번
피드백 제어계에서 제어요소를 나타낸 것으로 가장 알맞은 것은?
4과목 : 기계정비 일반
61번
송풍기의 분류중 흡입 방법에 의한 분류가 아닌 것은?
62번
벨트식 무단변속기의 정비에 관한 사항으로 옳지 않은 것은?
63번
체인 전동의 특징으로 옳지 않은 것은?
64번
유도전동기에서 회전수(Ns), 극수(P) 및 주파수(F)의 관계식이 옳은 것은?
65번
배관이음 중 용접이음의 특징으로 옳지 않은 것은?
66번
다음 중 터보형 원심식 송풍기가 아닌 것은?
67번
베어링 사용시 주의할 점 으로 옳지 않은 것은?
68번
베어링의 주요기능으로 가장 거리가 먼 것은?
69번
베어링을 적정한 틈새로 조립하기 위해 사용하는 것은?
70번
축이음의 종류 중 하중이 충격적이거나 진동을 일으키기 쉬운 경우에 주로 사용하는 것은?
71번
펌프 분해 검사에서 매일 점검항목이 아닌 것은?
72번
펌프를 시운전할 때의 주의사항이 아닌 것은?
73번
벨트의 종류 중 고무벨트에 관한 설명으로 옳지 않은 것은?
74번
터보팬에 관한 설명으로 옳은 것은?
75번
펌프의 부식을 촉진시키는 요인으로 옳지 않은 것은?
76번
구멍이 뚫린 강구를 90° 회전시켜 유로를 개폐하는 밸브는?
77번
스틸 플렉시를 커플링(steel flexible coupling) 이라고도 하며 축 유동 오차를 허용하여 동력을 전달시키는 커플링은?
78번
기계를 분해할 때 주의하여야 할 사항으로 옳지 않은 것은?
79번
10m 이하의 저향정 펌프에서 토출량을 조절할 수 있는 밸브는?
80번
그림과 같이 교차하는 두 축에 동력을 전달할 때 사용하며 잇줄이 곡선이고 모직선에 대하여 비틀려 있고 제작이 어려우나 이의 물림이 좋아 조용한 전동을 할 수 있는 기어는?

연도별
- 2020년08월22일
- 2020년06월06일
- 2019년08월04일
- 2019년04월27일
- 2019년03월03일
- 2018년08월19일
- 2018년04월28일
- 2018년03월04일
- 2017년05월07일
- 2017년03월05일
- 2016년08월21일
- 2016년05월08일
- 2016년03월06일
- 2015년08월16일
- 2015년05월31일
- 2015년03월08일
- 2014년08월17일
- 2014년05월25일
- 2014년03월02일
- 2013년08월18일
- 2013년06월02일
- 2013년03월10일
- 2012년08월26일
- 2012년05월20일
- 2012년03월04일
- 2011년08월21일
- 2011년06월12일
- 2011년03월20일
- 2010년05월09일
- 2010년03월07일
- 2009년07월26일
- 2009년05월10일
- 2009년03월01일
- 2008년07월27일
- 2008년03월02일
- 2007년08월05일
- 2007년03월04일
- 2006년08월16일
- 2006년03월05일
- 2005년08월07일
- 2005년03월20일
- 2005년03월06일
- 2004년08월08일
- 2004년03월07일
- 2003년08월10일
- 2003년03월16일
- 2002년08월11일
- 2002년03월10일