기계정비산업기사(변경) (2014년08월17일 기출문제)
1과목 : 공유압 및 자동화시스템
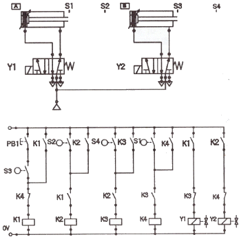
1번
다음 공압 및 전기 회로도는 상자이송 장치 회로도이다. 이 회로도에서 실린더의 순서로 옳은 것은? (단, 실린더 전진은 +, 실린더후진은 -로 한다.)

2번
그림과 같은 변위단계선도에 맞는 동작 순서는?

3번
유압의 제어밸브 중 포펫밸브 구조가 아닌 것은?
4번
다음과 같은 진리표를 만족하는 것은?

5번
높은 압력과 많은 토출량을 필요로 하는 유입장치에 적합한 펌프는?
6번
공압장치의 소음기에 관한 설명으로 옳지 않은 것은?
7번
유압기기 중 회로압이 설정압을 초과하면 유체압에 의하여 파열되어 압유를 탱크로 귀환시키고 동시에 압력상승을 막아 기기를 보호하는 역할을 하는 기기는?
8번
피스톤의 왕복운동을 회전운동으로 변환하며 양 방향의 출력 토크가 같은 요동형 액추에이터는?
9번
실린더의 종류 중 전진과 후진시 추력이 동일하게 발생되는 형식은?
10번
면적이 1m2인 곳을 50N의 무게로 누를 때 면적에 작용하는 압력은?
11번
공압 배관 연결 작업이나 용접 작업 시 발생되는 이물질이 공압 시스템으로 유입되어 고장이 발생하는데, 이로 인한 고장으로 가장 거리가 먼 것은?
12번
유압 에너지를 이용하여 한정된 회전운동을 하는 기기는?
13번
다음의 진리표가 나타내고 있는 논리는?

14번
센서의 사용 목적과 가장 거리가 먼 것은?
15번
자동화시스템을 구성하는 각 단위기기를 하드웨어 및 소프트웨어적으로 연결하는 방법을 의 미하는 것은?
16번
다음 그림이 의미하는 시스템은?

17번
다음의 기호가 나타내는 것은?

18번
시스템회로의 구성 중 동작 상태 표현법에 관한 설명으로 틀린 것은?
19번
유압실린더의 수축과정에서 발생하는 힘을 나타내는 수식표현으로 옳은 것은?
20번
제어작업이 주로 논리제어의 형태로 이루어지는 곳에 AND, OR, NOT,플립플롭 등의 기본논리 연결을 표시하는 기호도를 무엇이라고 하는가?
2과목 : 설비진단관리 및 기계정비
21번
보전표준의 종류 중 진단(Diagnosis)방법, 항목, 부위, 주기 등에 대한 것이 표준화 대상인 것은?
22번
설비관리의 분업방식으로 가장 거리가 먼 것은?
23번
TPM에서의 로스에 대하여 설비의 종합이용효율을 계산하기 위하여 측정하는 종류로 가장 거리가 먼 것은?
24번
설비보전 내용을 기록하었을 때 장점으로 가장 거리가 먼 것은?
25번
윤활유를 선정할 때 가장 기본적이고 먼저 검토해야 할 사항은?
26번
설비보전에서 효과 측정을 위한 척도로서 널리 사용되는 지수 중 고장 도수율의 공식은?
27번
제품에 대한 전형적인 고장률 패턴은 욕조곡선으로 나타낼 수 있다. 우발고장기간에 발생될 수 있는 원인과 관계가 없는 것은?
28번
진동에너지를 표현하는데 가장 적합한 것은?
29번
진동측정기기의 검출단 설치 방법 중 사용할 수 있는 주파수 영역이 가장 넓은 고정 방식은?
30번
시스템의 고유진동주파수 f를 2배로 증가시키기 위한 정적 처짐량 δ의 값은?
31번
듀폰(Dupont)사에 의해 제시된 보전요원 자신이 스스로 계획, 작업량, 비용, 생산성 측면으로 평가하여 미래의 목표를 제시하는 목표관리(MBO:management by object)시스템에서 계획의 기능에 해당되는 측정 요소는?
32번
아래 그림은 최적 수리주기를 나타낸 것으로 ( )안에 들어갈 내용은?

33번
회전체 질량중심의 불균형으로 인해 회전체의 회전주파수가 가장 크게 나타나는 것은?
34번
고정자산의 구입가격에서 법정 잔류가치를 뺀 차액을 법정 내용 연수 기간 동안에 매년 분할하여 손금(損金)의 일종으로 취급하는 비용은?
35번
설비보전조직의 유형에서 전문 보조원에 대하여 보전 책임이 집중인지 분산인지에 대한 분류 중 조직상-배치상 모두 분산형태인 보전 조직은?
36번
일반적으로 사람이 들을 수 있는 가청 주파수의 범위는?
37번
회전기계에서 발생하는 이상현상 중 언밸런스나 베어링 결함 등의 검출에 널리 사용되는 설비진단 기법은?
38번
제품별 배치 형태의 특징으로 틀린 것은?
39번
설비나 부품의 고장결과를 다시 원상태로 회복시키기 위한 설비보전 방법은?
40번
공장 내의 회전기계 간이진단 대상 설비 중 주요 진단 대상으로 가장 거리가 먼 것은?
3과목 : 공업계측 및 전기전자제어
41번
2진수 1100을 10진수로 바꾸면 어떻게 되는가?
42번
정전용량 1[uF]의 콘덴서가 60[Hz]인 전원에 대한 용량 리액턴스[Ω]의 값은 약 얼마인가?
43번
측정량과 크기가 거의 같은 미리 알고 있는 양의 운동을 준비하여 운동과 측정량의 차이로부터 측정량을 구하는 방법은?
44번
다이오드의 최대 정격 중 연속적으로 가할 수 있는 직류전압의 최대 허용값을 나타내는 것은?
45번
연산증폭기(op-amp)의 입력단과 출력단의 구성은?
46번
전기세탁기, 승강기 및 자동판매기는 다음 중 어떤 제어에 가장 적합한가?
47번
입력 임피던스가 높고, 100kHz 정도의 고속 스위칭이 가능하며, 대전류의 출력 특성을 고루 갖추고 있는 사이리스터의 대체 소자로서, 범용 인버터, 스위칭모드 전원장치, 무정전 전원장치 등의 대폭적인 성능개선에 기여한 전력제어용 반도체 소자는?
48번
절연저항을 측정하는 계기는?
49번
시퀀스 제어에 관한 다음의 설명 중 옳지 않은 것은?
50번
전계효과 트랜지스터의 특징에 해당되지 않는 것은?
51번
다음 중 트랜지스터의 접지방식이 아닌 것은?
52번
다음 중 PLC의 전원부에 대한 잡음대책이 아닌 것은?
53번
2개의 입력을 가지는 경우 두 입력이 서로 다를 때 출력이 “1" 이 되고 같을 때는 출력이 “0" 이 되는 배타적 OR 회로의 논리식은?
54번
직류발전기의 구성요소 중 자속을 만들어 주는 부분은?
55번
신호 전송시 노이즈(noise) 대책으로 접지를 할 때의 주의사항 중 틀린 것은?
56번
다음과 같은 블록선도에서 전달함수로 알맞은 것은?

57번
계측기가 미소한 측정량의 변화를 감지할 수 있는 최소 측정량의 크기를 무엇이라 하는가?
58번
전기가 잘 통하는 성질을 도전율이라 한다. 도전율이 가장 좋은 물질은?
59번
다음 그림과 같이 휘트스톤브리지 회로가 구성되었다. 슬라이드 저항의 브러시 위치를 움직여 검류계 G가 0을 지시하고 브리지가 평형을 이루었을 경우의 관계식은?

60번
피드백제어에서 반드시 필요한 장치는?
4과목 : 기계정비 일반
61번
원심펌프 축의 밀봉장치 요소로 옳은 것은?
62번
수격현상에 의해 발생되는 피해현상이 아닌 것은?
63번
전동기 베어링부분에서 발열이 발생할 때 주요 원인이 아닌 것은?
64번
V 벨트에 관한 설명으로 옳은 것은?
65번
입력축과 출력축에 드라이브 콘을 설치하고 그 바깥 가장자리에 강구를 접촉시켜 변속하는 변속기는?
66번
다음 중 펌프 흡입밸브로 차단용이 아닌 것은?
67번
두 기어 사이에 있는 기어로 속도비에 관계없이 회전방향만 변하는 기어는?
68번
펌프에서 발생하는 이중현상 중 수격현상에 관한 설명으로 옳은 것은?
69번
두 축 을 동시에 센터링할 때 측정 준비 작업이 아닌 것은?
70번
측정을 할 때 측정치와 참값과의 차를 오차라고 하는데 측정기에 의한 오차가 아닌 것은?
71번
선반에서 나사 절삭 바이트의 설치 및 측정에 사용되며 게이지 위에 있는 스케일은 인치당 나사수를 정하는데 사용되는 것으로 맞는 것은?
72번
축이음의 종류에서 두 축의 관계 위치에 따라 종류를 연결한 것 중 관련이 없는 것은?
73번
구멍의 치수가 축의 치수보다 작을 때의 끼워맞춤은?
74번
일반 산업기계에서 축의 구부러짐으로 발생하는 현상으로 볼 수 없는 것은?
75번
감압밸브에 관한 설명으로 옳은 것은?
76번
기계조립작업 시 주의사항으로 틀린 것은?
77번
원심형 통풍기 중 실로코 통풍기의 베인 방향으로 옳은 것은?
78번
센터링 불량 시 나타나는 현상이 아닌 것은?
79번
축 방항에 인장 또는 압축력이 작용하는 두 축의 결합에 사용하는 기계요소는?
80번
펌프에 캐비테이션이 발생하면 성능저하와 펌프를 손상시킨다. 캐비테이션 방지방법으로 적합하지 않은 것은?
연도별
- 2020년08월22일
- 2020년06월06일
- 2019년08월04일
- 2019년04월27일
- 2019년03월03일
- 2018년08월19일
- 2018년04월28일
- 2018년03월04일
- 2017년05월07일
- 2017년03월05일
- 2016년08월21일
- 2016년05월08일
- 2016년03월06일
- 2015년08월16일
- 2015년05월31일
- 2015년03월08일
- 2014년08월17일
- 2014년05월25일
- 2014년03월02일
- 2013년08월18일
- 2013년06월02일
- 2013년03월10일
- 2012년08월26일
- 2012년05월20일
- 2012년03월04일
- 2011년08월21일
- 2011년06월12일
- 2011년03월20일
- 2010년05월09일
- 2010년03월07일
- 2009년07월26일
- 2009년05월10일
- 2009년03월01일
- 2008년07월27일
- 2008년03월02일
- 2007년08월05일
- 2007년03월04일
- 2006년08월16일
- 2006년03월05일
- 2005년08월07일
- 2005년03월20일
- 2005년03월06일
- 2004년08월08일
- 2004년03월07일
- 2003년08월10일
- 2003년03월16일
- 2002년08월11일
- 2002년03월10일