2016년08월21일 1번
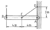
[재료역학] 그림과 같이 수평 강체봉 AB의 한쪽을 벽에 힌지로 연결하고 죄임봉 CD로 매단 구조물이 있다. 죄임봉의 단면적은 1cm2, 허용 인장응력은 100MPa일 때 B단의 최대 안정하중은 P는 몇 kN인가?

- ① 3
- ② 3.75
- ③ 6
- ④ 8.33
(정답률: 24%)
문제 해설
구조물이 안정하다는 것은 죄임봉 CD가 끊어지지 않는 것을 의미합니다. 따라서 CD의 인장응력이 허용 인장응력을 초과하지 않아야 합니다.
CD의 인장력은 P에 비례하므로, CD의 인장응력도 P에 비례합니다. 따라서 CD의 인장응력은 P를 최대화하는 것이 최대 안정하중을 구하는 것과 같습니다.
CD의 인장응력은 인장력을 단면적으로 나눈 것과 같습니다. 따라서 CD의 인장응력은 P/1cm2 = P/100mm2입니다.
허용 인장응력이 100MPa이므로, CD의 인장응력이 100MPa가 되면 안정성이 떨어집니다. 따라서 다음 식이 성립합니다.
P/100mm2 ≤ 100MPa
P ≤ 100MPa × 100mm2 = 10kN
하지만, 이 값은 CD가 끊어지는 최대 하중이므로, 이 값보다 작은 값 중에서 최대값을 찾아야 합니다. 이 값은 AB의 중심에서 CD까지의 거리가 최대가 되는 경우입니다. 이 거리는 AB의 길이의 절반인 500mm입니다.
따라서, P ≤ 100MPa × 100mm2 × 500mm = 5kN × 10mm = 50kN × 1mm = 50kN/mm = 50kN/1000N = 50N
즉, 최대 안정하중은 50kN 또는 5,000N입니다. 이 값은 보기 중에서 "3"에 해당합니다.
CD의 인장력은 P에 비례하므로, CD의 인장응력도 P에 비례합니다. 따라서 CD의 인장응력은 P를 최대화하는 것이 최대 안정하중을 구하는 것과 같습니다.
CD의 인장응력은 인장력을 단면적으로 나눈 것과 같습니다. 따라서 CD의 인장응력은 P/1cm2 = P/100mm2입니다.
허용 인장응력이 100MPa이므로, CD의 인장응력이 100MPa가 되면 안정성이 떨어집니다. 따라서 다음 식이 성립합니다.
P/100mm2 ≤ 100MPa
P ≤ 100MPa × 100mm2 = 10kN
하지만, 이 값은 CD가 끊어지는 최대 하중이므로, 이 값보다 작은 값 중에서 최대값을 찾아야 합니다. 이 값은 AB의 중심에서 CD까지의 거리가 최대가 되는 경우입니다. 이 거리는 AB의 길이의 절반인 500mm입니다.
따라서, P ≤ 100MPa × 100mm2 × 500mm = 5kN × 10mm = 50kN × 1mm = 50kN/mm = 50kN/1000N = 50N
즉, 최대 안정하중은 50kN 또는 5,000N입니다. 이 값은 보기 중에서 "3"에 해당합니다.
이전 문제
다음 문제
연도별
- 2021년08월14일
- 2021년05월15일
- 2021년03월07일
- 2020년08월22일
- 2020년06월06일
- 2019년08월04일
- 2019년03월03일
- 2018년08월19일
- 2018년04월28일
- 2018년03월04일
- 2017년08월26일
- 2017년05월07일
- 2016년08월21일
- 2016년03월06일
- 2015년05월31일
- 2012년05월20일
- 2012년03월04일
- 2011년08월21일
- 2011년06월12일
- 2011년03월20일
- 2010년07월25일
- 2010년05월09일
- 2010년03월07일
- 2007년05월13일
- 2007년03월04일
- 2006년05월14일
- 2006년03월05일
- 2005년08월07일
- 2005년05월29일
- 2004년08월08일
- 2004년05월23일
- 2004년03월07일
- 2003년08월10일
- 2003년05월25일
- 2003년03월16일
진행 상황
0 오답
0 정답