방송통신기사 (2007년08월05일 기출문제)
1과목 : 방송통신일반
1번
다음 중 연산증폭기를 이용한 아날로그 컴퓨터 (analog computer)의 구성요소로 가장 적합하지 않은 것은?
2번
다음 그림은 어떤 유형의 플립플롭(FF)인가?

3번
출력전압이 40[V]인 증폭기가 2-j2√2[V]를 궤환시켰다면 궤환율 β는?
4번
이상적인 연산 증폭기의 구비 조건이 아닌 것은?
5번
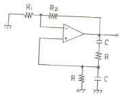
그림과 같은 윈 브리지(Wein bridge) 발진회로의 발진주파수를 구하는 식은?

6번
드레인 접지형 FET증폭기의 특성을 설명한 것중 옳지 않은 것은?
7번
다음 중 L, C, R 직렬공진 회로의 Q는? (단, ωτ는 공진 각속도)
8번
다음 이상적인 연산증폭 회로의 출력전압은?

9번
저주파 전력 증폭기의 출력측 기본파 전압이 50[V]이고 제2 및 제3 고조파 전압이 각각 6[V]와 8[V]일 때 전체 왜율은?
10번
다음 중 평형 변조회로의 주 목적은?
11번
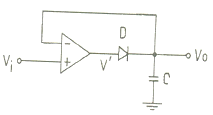
다음 그림은 무슨 회로인가?

12번
다음 중 그림과 같은 구형파를 미분회로에 통과시킬 경우 출력 파형에 가장 가까운 것은?

13번
그림은 진폭 Vp가 3[V], 펄스폭 λ가 0.25[ms], 주파수가 1[㎑]의 펄스파이다. 평균치를 지시하는 계기로 측정하면 몇 [V]가 되는가?

14번
다음 중 시미트 트리거 회로의 응용이 아닌것은?
15번
다음 그림과 같은 회로의 전달 특성은? (단, VR1<VR2)

16번
1[㎒]을 입력으로 하는 분주 회로에서 출력을 250[㎑]로 만들려면 몇 개의 T 플립플롭이 필요한가?
17번
다음 회로의 기능으로 옳은 것은?

18번
Ex-OR와 Ex-NOR에 해당하는 논리식의 상호 변환이 틀린것은?
19번
다음 중 플립플롭회로를 활용할 수 없는 것은?
20번
다음 중 대수증폭기의 동작은 무엇에 기인하는가?
2과목 : 방송통신기기
21번
임피던스 정합이 이루어지지 않으면 반사바가 생겨 급전선상에 정재파가 발생한다. 이 때의 현상과 거리가 먼 것은?
22번
다음 중 방송기기에 사용되는 측정기와 거리가 먼 것은?
23번
다음 중 위성지구국의 설치장소의 선정조건이 아닌 것은?
24번
오디오 콘솔의 기능 중 마이크 입력에서 들어오는 미약한 신호를 증폭하기 위한 것은?
25번
다음 중 TV방송 전파를 이용하여 TV방송과 함께 문자 또는 도형 형태의 정보제공이 가능한 뉴미디어는?
26번
FM 방송수신기에서 스켈치 회로의 주사용 목적은?
27번
다음 중 필름, 슬라이드, 오페이크 카드 등의 광학적 기록 소재를 영상신호로 변환하는 것은?
28번
다음 중 카메라의 위치를 움직이지 않고 카메라 헤드만을 수평방향으로 회전시키면서 촬영하는 것은?
29번
다음 중 카메라맨이 촬영하는 화면을 보면서 모니터할 수 있는 카메라에 붙은 작은 TV화면을 무엇이라 하는가?
30번
다음 중 테이터 방송의 설명으로 옳은 것은?
31번
위성방송 수신시에 안테나의 1차 방사기에 접속되어 있으며 12[㎓]의 수신 신호를 1[㎓]대의 중간 주파수로 변환시키는 것은?
32번
다음 중 디지털 TV방송기술의 일반적인 특징이 아닌 것은?
33번
TV방송에서 수상되는 화상의 화질을 평가하고 조 정하는데는 정지화 패턴이 사용된다. 다음 중 화면의 사전 조정에 사용되는 신호를 무엇이라고 하는 가?
34번
방송송출장비의 기능 중 인물, 화상 등을 다른 화상에 끼어 넣는 화면 합성을 하기 위하여 색의 3요소 중 하나인 색상의 차를 이용하여 삽입시 활용하는 것은?
35번
방송신호를 측정시 송신기 입력 전압이 0.5V일 때 출력 전압이 50V 였다면 송신기의 전압이득은 몇 dB 인가?
36번
방송 측정장비 붕 영상 신호와 색신호 성분을 복조하여 그 위상과 진폭을 측정하는 것은?
37번
다음 중 NTSC TV 복합 영상신호 레벨을 IRE로 표시할 때 휘도 신호의 최대값은?
38번
위성 뉴스 취재장치인 SNG의 Full Name은?
39번
VTR을 재생할 때 화면이 흔들리지 않도록 보전 해주는 방송장비는?
40번
다음 중 일정한 범위에서 출력 신호의 주파수를 반복하여 발생시키는 장치는?
3과목 : 방송미디어공학
41번
다음 중 CD-ROM의 저장매체를 적용 대상으로 하는 압축 알고리즘의 표준은?
42번
색의 3요소에서 색이 갖고 있는 밝기를 나타내는 것은?
43번
다음 중 비디오텍스(Videotex)의 설명이 아닌 것은?
44번
다음 중 원래의신호를 어느 정도 정확하게 재생시키느냐의 능력을나타내는 것은?
45번
다음 중 시각적으로 인접한 두 화면간에 상관도가 높은 특징을 이용하여 매크로 블록으로 두 화면간의 움직임을 추정하여 보상함으로써 중복성을 제거하는 방법은?
46번
다음 중 NTSC 방식에서 복합신호의 구성 요소가 아닌 것은?
47번
다음 중 내국 TV NTSC 방식에서 영상신호의 변조방식은?
48번
다음 중 아날로그 컬러 TV(NTSC방식)에서 영상신호의 주파수 대역폭은?
49번
다음 중 멀티미디어의 중요한 기술인 하이퍼미디어 기술을 사용하지 않은 것은?
50번
다음 중 오디오 신호의 양자화 과정에서 왜곡을 줄이기 위해 잡음 신호를 혼합하는 기법은?
51번
다음 중 CATV 망을 설계하는데 있어서, 장거리에 걸쳐 분산되어 있는 다수의 가입자에게 가장 효율적인 현태는?
52번
다음 중 TV 프로그램의 제작 흐름으로 옳은 것은?
53번
다음 중 버퍼에 잠깐 머물러 있다가 바로 화면에 띄워져 대용량의 멀티미디어 정보를 전송하느데 유용한 것은?
54번
영상 압축기법 중 새로운 화면 정보를 모두 다 기록하지 않고 앞 화면과의 차이만을 기록하는 방식은?
55번
다음 중 방송계 뉴미디어 부가서비스의 종류가 아닌것은?
56번
다음 중 동영상 또는 애니메이션 데이터 파일의 저장방식으로 볼 수 없는 것은?
57번
다음 중 위성방송의 설명으로 거리가 먼 것은?
58번
화면내의 휘도 밸런스가 좋지 않으면 아름다운 영상표현을 만들 수 없다. 다음 중 피사체와 배경의 휘도비에 주의를 하기 위한 구체적인 방법에 속하지 않는 것은?
59번
어떤 음 A를 듣고 있을 때, A보다 진폭이 큰 음 B가 가해지면 원래의 음 A는 들리지 않게 되는데 이러한 현상은?
60번
국내ㅔ 지상파 디지털 TV방송에서 영상신호의 압축방식은?
4과목 : 방송통신시스템
61번
광 통신에서 단일모드(single mode)와 멀티모드(multimode)의 분류 기준은?
62번
무궁화 3호 위성에는 Ka-band의 통신용 중계기를 탑재하고 있다. 다음 중 위성에서 Ka-babnd의 주파수대역에 가까운 것은?
63번
번개가 칠 때 모든 주파수 밴드의 수신기가 잡음의 영향을 받는 이유로 가장 적합한 것은?
64번
다음 중 ATSC 방식의 채널당 대역폭은?
65번
CATV 수신 가입자에게 분배선을 연장하기 위해 사용되는 증폭기는?
66번
NTSC TV방식에서 수직 주파수의 한 주기는 약 얼마인가?
67번
다음 중 비워주사의 가장 큰 이점은?
68번
다음 중 위성방송시스템에서 이득과 잡음온도의 비를 타나내는 G/T[dB/K]와 가장 관계가 깊은 것은?
69번
다음 중 영상반송파대 잡음비를 측정하는 주 목적은?
70번
다음 중 방송망의 종류가 아닌 것은?
71번
중계시스템은 송.수신 중계를 위한 중계차와 제작을 위한 중계차로 구분된다. 다음 중 현재 사용 가능한 송.수신 중계시스템의 방식이 아닌 것은?
72번
다음 중 텔레비전 중계용 마이크로파 FM송.수신을 총칭하는여 무엇이라 하는가?
73번
다음 중 DVB-T(COFDM) 번송방식에서 사용하는 변조방식이 아닌 것은?
74번
디지털 변조신호에 따라 반송파의 진폭과 위상을 동시에 변화 시키는 방식은?
75번
수퍼 헤테로다인(Super Heterodyne) 수신기의 장점이 아닌 것은?
76번
다음 중 CATV용 동축 케이블의 특성 임피던스는?
77번
다음 중 위성방송 수신시스템과 거리가 먼 것은?
78번
출력이 5W인 M/W의 수신단 수신신호의 세기가 -30dBm일 때, 이 장비의 페이드 마진을 40dB로 주었다. 이 때 수신기의 한계레벨은 얼마인가?
79번
AM 수신기 회로 중 여러 방송국에서 서로 다른 반송파로 변조시킨 전파들이 섞여 있는데 이들 전파 중에서 우리가 듣기를 원하는 방송의 전파를 선택해 주는 회로는?
80번
위성방송시스템의 가입자가 시청시 스크렘블을 해제하여야 하는데 이것을 디스크렘블이라 한다. 다음 중 디스크렘블방식이 아닌 것은?
5과목 : 컴퓨터일반 및 방송설비기준
81번
다음은 중아처리장치 내의 하드웨어요소와 그 기능을 짝지은 것이다. 서로 맞지 않는 것은?
82번
(-9)10를 부호화된 2의 보수(signed 2's complement)로 표시한 것은?
83번
다음 중 문자의 표시와 관계 없는 코드는?
84번
컴퓨터의 CPU가 명령을 수행하기 위하여 명령어를 기억장치에서 꺼내오는 일과 관계 깊은 사이클의 명칭은?
85번
ASCII 코드의 존 비트와 디지트 비트의 구성으로 옳게 표시한 것은?
86번
다음 중 컴파일러 언어가 아닌 것은?
87번
가상 메모리(virtual memory)에서 페이지 폴트 (page rault)가 일어났을 때 주메모리(main memory)내의 참조 회수가 가장 작은 페이지를 교체하는 방법은?
88번
다음 중 deadlock의 발생 조건이 아닌 것은?
89번
마이크로 사이클 타임(Micro cycle time)에서 동기 고정식의 특징에 해당하는 것은?
90번
다음 중 운영체제의 제어 프로그램에 해당하는 것은?
91번
다음 중 아마추어국 및 간이무선국의 허가 유효 기간은?
92번
방송국을 개설하고자 할 때 절차가 옳은 것은?
93번
방송법에서 정의하는 방송사업에 해당되지 않는 것은?
94번
다음 중 경미한 공사로 공사업자외의 자가 시공할 수 있는 공사가 아닌 것은?
95번
다음 중 방송위원회 우원장의 임기는?
96번
다음 중 방송국 설비공사에 해당되지 않는것은?
97번
다음 중 방송위원회의 심의.의결 내용이 아닌 것은?
98번
다음 중 공중선계의 충족 조건이 아닌 것은?
99번
다음 전파관계법 중에서 “지상파방송업무”의 정의는?
100번
다음 중 감리원의 업무범위에 해당 되지 않는 것은?
연도별
- 2023년03월21일
- 2022년10월08일
- 2022년03월12일
- 2021년10월02일
- 2021년03월13일
- 2020년09월26일
- 2020년03월07일
- 2019년10월12일
- 2019년03월09일
- 2018년10월06일
- 2018년03월10일
- 2017년09월23일
- 2017년03월05일
- 2016년10월01일
- 2016년03월05일
- 2015년10월04일
- 2015년03월08일
- 2014년10월04일
- 2014년03월09일
- 2013년10월12일
- 2013년03월17일
- 2012년10월06일
- 2012년03월11일
- 2011년10월09일
- 2011년03월13일
- 2010년10월10일
- 2010년03월14일
- 2010년02월21일
- 2009년03월01일
- 2008년07월27일
- 2008년03월02일
- 2007년08월05일
- 2007년03월04일
- 2006년08월06일
- 2006년03월05일
- 2005년08월07일
- 2005년03월06일
- 2004년08월08일
- 2004년03월07일
- 2003년08월10일
- 2003년03월16일