방송통신기사 (2011년03월13일 기출문제)
1과목 : 방송통신일반
1번
평활회로의 기능에 대해 바르게 설명한 것은?
2번
정류회로를 평가하는 파라미터에 해당되지 않는 것은?
3번
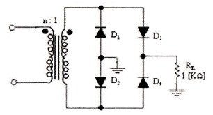
다음 주어진 회로는 어떤 종류의 회로인가?

4번
트랜지스터가 정상적으로 동작하기 위해서는 컬렉터(collector)와 베이스(base) 단자 사이의 바이어스는?
5번
공통 베이스(common base) 증폭기 회로에서 컬렉터 전류가 4.9[mA]이고, 에미터 전류가 5[mA]이었을 때 직류전류 증폭률은?
6번
다음 중 증폭기의 종류에 해당되지 않는 것은?
7번
다음 B급 SEPP 증폭기에서 트랜지스터 1개당 최대전력 손실은 약 몇 [W] 인가?

8번
정현파 발진기로서 부적합한 것은?
9번
그림과 같은 발진회로에서 높은 주파수의 동작에 적절한 발진회로 구현을 위한 리액턴스 조건은 무엇인가?

10번
궤환에 의한 발진회로에서 증폭기의 이득을 A, 궤환 회로의 궤환율을 β라고 할 때, 발진이 지속되기 위한 조건은?
11번
FM 검파 방식 중에서 주파수 변화에 의한 전압 제어 발진기의 제어 신호를 이용하여 복조하는 방식은 다음 중 어떤 것인가?
12번
주파수 변조에서 S/N 비를 높이기 위한 방법이 아닌 것은?
13번
트랜지스터의 스위칭 작용에 의해서 발생된 펄스 파형에서 턴-오프 시간(turn-off time)은 무엇인가?
14번
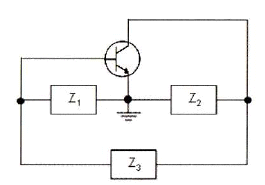
그림의 회로는 어떤 동작을 하는가?

15번
그림과 같은 회로의 출력은?

16번
입력 주파수 512[kHz]를 T형 플립플롭 7개 종속 접속한 회로에 인가했을 때 출력 주파수는 얼마인가?
17번
비동기식 카운터의 설명으로 틀린 것은?
18번
플립플롭 4개로 구성된 계수기가 가질 수 있는 최대의 2진 상태는 몇 가지인가?
19번
n개의 입력으로부터 2진 정보를 2n개의 독자적인 출력으로 변환이 가능한 것은?
20번
다음 계수형 전자계산기(digital computer)의 기억장치 중 보조기억장치가 아닌 것은?
2과목 : 방송통신기기
21번
다음 중 음향설비가 갖추어야 할 조건 중 틀린 것은?
22번
다음 중 방송에 사용될 영상소재를 컴퓨터 영상장치에 의하여 입력받아 스토리지(Storage)에 저장, 인코딩, 방송소재 검색, 미디어 관리, 캡처 등의 기능을 수행하는 것은?
23번
디지털 HDTV 스튜디오 규격의 영상신호의 표본화 주파수가 가장 적절한 것은?
24번
다음 중 우리나라 아날로그 라디오 방송에 사용하지 않는 주파수대는?
25번
변조방식 중 주파수변조(FM) 방식의 특성이 아닌 것은?
26번
라디오 송신 안테나의 근처에는 강한 전파로 인하여 다른 방송의 수신이 방해를 받게 되는 지역을 무엇이라고 하는가?
27번
다음 중 수직 귀선시간 0.08H를 [μs]단위로 환산한 값에 가장 근사한 것은?
28번
다음 중 TV의 음성회로에 디엠퍼시스 회로를 넣어 사용하는 목적은?
29번
다음 중 위성방송의 특징에 대한 설명으로 거리가 먼 것은?
30번
디지털 방송용 위성 전송로의 특징이 아닌 것은?
31번
디지털 유선방송 송수신 정합표준은 어떤 방식을 기본으로 제정되었는가?
32번
CATV 시스템 중 헤드엔드 설비에 속하지 않는 것은?
33번
HFC(Hybrid Fiber Coaxial)에 대한 설명으로 바른 것은?
34번
TV 자막방송 방식으로 라인21 시스템에 대한 설명으로 맞지 않는 것은?
35번
데이터 방송의 특성이 아닌 것은?
36번
다음은 재난방송의 특성 및 역할에 대한 설명이다. 틀린 것은?
37번
영상신호의 DG(Differential Gain) 측정으로 Modulated 5-Stairstep 신호에서 모든 Burst가 40[IRE]이고, 가장 높은 Step Burst가 38[IRE]이다. 몇 [%]가 되는가?
38번
다음 중 공진회로 이외의 다른 회로가 원인이 되어 목적 이외의 다른 주파수 성분이 정궤환에 의해 발진되는 현상은?
39번
다음 중 웨이브폼 모니터에서 확인할 수 없는 것은?
40번
다음 중 ATSC 방식의 DTV 송신기의 구성요소가 아닌 것은?
3과목 : 방송미디어공학
41번
국내 FM 방송의 주파수대역은 얼마인가?
42번
FM 대역에서 디지털 라디오 방송을 위한 주요 전송방식의 종류에 속하지 않는 것은?
43번
NTSC 영상신호를 디지털로 변환한 Composite Digital Video 신호의 샘플링주파수로 가장 적절한 것은?
44번
지상파 방송시스템에서 갖추어야 될 필수 설비로 볼 수 없는 것은?
45번
다음 중 Doppler 효과를 바르게 설명한 것은?
46번
다음 중 유럽 지역에서 광범위하게 사용되는 디지털 방식의 이동전화 접속방식은 무엇인가?
47번
다음 중 디지털 음향분야에서 주로 사용하는 표준 샘플링(Sampling) 주파수와 거리가 먼 것은?
48번
NTSC 방식에서 색신호인 I 신호 EI와 Q 신호 EQ의 대역폭을 각각 바르게 설명한 것은?
49번
다음 중 색의 3요소로 적합한 것은?
50번
NTSC 방식에서 휘도신호는 컬러(color) 카메라로부터 원색신호를 어떻게 혼합하여 만드는가?
51번
다음 중 사람이 직접 교체하지 않아도 원격 조작에 의해 다양한 색상의 컬러 필터를 교체하여 다양한 색상의 조명을 구현하는 전기식 장치를 지칭하는 용어는?
52번
광량을 조정하기 위해 렌즈의 F-stop 수치를 F/2.8에서 F/5.6으로 증가시키면 광량은 몇 배 증가하는가?
53번
다음의 오디오 효과기의 기능 중에서 주파수 영역을 변화시키는 것은 무엇인가?
54번
다음 중 디지털 방송의 송신과정으로 가장 적절한 것은?
55번
다음 저장 미디어 중 저장 매체의 형태가 다른 하나는?
56번
다음 중 우리나라의 위성 DMB 사업자와 가장 관련 깊은 것은?
57번
비디오나 애니메이션 데이터 파일의 저장 포맷이 아닌 것은?
58번
다음 중 양자화를 가장 잘 표현한 것은?
59번
다음 중 국내 지상파 디지털 TV 방송의 오디오 압축방식 규격으로 적절한 것은?
60번
우리나라에서 시판되는 DVD(Digital Video Disk)에서 적용되는 일반적인 음성 및 영상 압축 방식으로 가장 적절하게 짝지어진 것은?
4과목 : 방송통신시스템
61번
국내 지상파 아날로그 텔레비전 방송에 널리 사용되는 변조방식은?
62번
어떤 신호가 0~25[kHz]로 주파수 대역이 제한되어 있을 때, 나이퀴스트율을 만족하는 최소 표본화 주기는 얼마인가?
63번
다음 중 아날로그 변조방식이 아닌 것은?
64번
아래의 그림은 DAB(Digital Audio Broadcasting) 송신 설비의 내부 구조 중 일부이다. 다음 중 빈칸에 들어갈 기능으로 옳은 것은?

65번
다음 중 라디오 방송시스템에 속하지 않는 것은?
66번
FM 스테레오 방송의 원리로 적합하지 않은 것은?
67번
우리나라 지상파 아날로그 텔레비전 방송에서 음성신호의 변조방식은?
68번
지상파 DTV 전송특징이 아닌 것은?
69번
다음 아날로그(NTSC) 영상 신호 중 수평동기신호의 레벨은 얼마인가?

70번
다음 중 CATV 시스템에서 Head end 의 주요 기능으로 옳지 않은 것은?
71번
텔레비전 송신설비 중 VHF 송신 안테나의 종류로 슬롯 안테나(slot antenna)계에 해당되는 것은?
72번
광섬유 케이블의 전송특성은 광섬유의 손실과 밀접한 관계가 있다. 다음 중 광섬유 손실에 해당하지 않는 것은?
73번
다음 중 무궁화위성에서 적용하는 TV 방송의 변조방식으로 옳은 것은?
74번
다음 중 디지털 위성방송 송신시스템의구성요소가 아닌 것은?
75번
다음 중 국내 무궁화위성 3호 방송용 중계기의 대역폭으로 옳은 것은?
76번
위성 DMB 서비스에서 오디오 신호의 압축기본 알고리즘은 어떤 방식을 사용하는가?
77번
위성 DMB 서비스 관련하여 위성은 DMB 주파수인 S밴드를 통해 지상의 단말기로 신호를 전송하는데, 이때 S밴드의 주파수는 얼마인가?
78번
다음 설명에 해당되는 장비는?

79번
낙뢰나 전력설비의 누설에 의한 옥외의 선로 계통에 생긴 이상전압의 진입을 막고 옥내의 전력 계통으로부터 누설된 전력이 CATV 시설로 유출되는 것을 방지하기 위해 보안기를 설치한다. 보안기 설치 위치가 맞는 것은?
80번
다음은 케이블의 종류 및 전송속도를 나타낸 것이다. 이 중 동축케이블에 해당하는 것은?
5과목 : 컴퓨터일반 및 방송설비기준
81번
다음 중 중앙처리장치(CPU)에 대한 설명 중 올바르지 않은 것은?
82번
다음 중 DMA(Direct Memory Access) 제어 방식에 대한 설명 중 틀린 것은?
83번
다음 중 페이징(Paging) 기법에 대한 설명으로 바르지 않은 것은?
84번
하나의 프로세스가 자주 참조하는 페이지들의 집합을 무엇이라고 하는가?
85번
마이크로컴퓨터의 구성 요소가 아닌 것은?
86번
다음 중 자기디스크의 구성 요소가 아닌 것은?
87번
광 채널 SAN에서 IP-SAN으로 이전하기 위하여 제안된 IP 스토리지 프로토콜에 속하지 않는 것 ?
88번
인터넷과 같은 공중 네트워크를 마치 전용회선처럼 사용하여 사설 네트워크에서 요구하는 서비스를 제공하는 기술 및 네트워크를 말하는 것은?
89번
다음 중 UDP 프로토콜의 특징이 아닌 것은?
90번
다음 중 가상 회선(Virtual Circuit) 방식의 특징 중 옳지 않은 것은?
91번
유선방송의 “수신설비”에 대한 설명으로 가장 적합한 것은?
92번
종합유선방송사업을 하고자 하는 자는 어느 기관에 허가를 받아야 하는가?
93번
초단파(FM) 방송용 무선설비의 최대 주파수편이는?
94번
종합유선방송국시설에서 음성신호의 특성에 해당하지 않는 것은?
95번
디지털 유선방송국설비에서 영상신호의 압축방식과 음성신호의 압축방식의 형식은 각각 무엇인가?
96번
정보통신공사업에서 시ㆍ도지사가 공고하여야 하는 사항이 아닌 것은?
97번
가입자 3만 이상의 종합유선방송사업자가 확보하여야 할 종사자의 자격과 인원은?
98번
유선방송신호를 증폭ㆍ조정ㆍ변환 및 혼합하여 선로에 전송하는 장치 및 이에 부가된 장치를 무엇이라 하는가?
99번
종합유선방송 국내전송선로설비에서 동축케이블의 절연저항은 얼마인가?
100번
종합유선방송 사업자별 시설 중 망사업자(NO) 시설이 아닌 것은?
연도별
- 2023년03월21일
- 2022년10월08일
- 2022년03월12일
- 2021년10월02일
- 2021년03월13일
- 2020년09월26일
- 2020년03월07일
- 2019년10월12일
- 2019년03월09일
- 2018년10월06일
- 2018년03월10일
- 2017년09월23일
- 2017년03월05일
- 2016년10월01일
- 2016년03월05일
- 2015년10월04일
- 2015년03월08일
- 2014년10월04일
- 2014년03월09일
- 2013년10월12일
- 2013년03월17일
- 2012년10월06일
- 2012년03월11일
- 2011년10월09일
- 2011년03월13일
- 2010년10월10일
- 2010년03월14일
- 2010년02월21일
- 2009년03월01일
- 2008년07월27일
- 2008년03월02일
- 2007년08월05일
- 2007년03월04일
- 2006년08월06일
- 2006년03월05일
- 2005년08월07일
- 2005년03월06일
- 2004년08월08일
- 2004년03월07일
- 2003년08월10일
- 2003년03월16일