방송통신기사 (2012년10월06일 기출문제)
1과목 : 방송통신일반
1번
다음 회로에서 맥동률을 개선하고자 한다. 가장 관련 있는 것은?

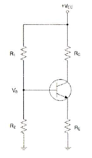
2번
다음 그림의 회로에서 근사적으로 베이스전압 VB를 구하기 위한 부분적인 바이어스 회로이다. VB 의 값을 구하면?

3번
부궤환 증폭기의 특징에 대한 설명으로 틀린 것은?
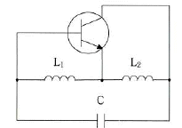
4번
다음 하틀리 발진회로에서 캐패시턴스 C=200[pF], 인덕턴스 L1=180[μH], L2=20[μH]이며, 상호 덕턴스 M=90[μH]의 값을 가질 때 발진주파수는 약 얼마인가?

5번
인가되는 역전압의 직류전압에 의해 캐피시턴스가 가변되는 소자를 이용하여 발진주파수를 가변하는 발진회로는?
6번
다음 중 증폭기의 종류에 해당하지 않는 것은?
7번
진폭변조에서 80[%] 변조하였을 때 상측파대의 전력은 반송파 전력의 몇 [%]인가?
8번
슈미트 트리거 회로의 출력 파형은?
9번
다음 중 드모르간 법칙에 해당하는 것은?
10번
34710을 BCD(Binary Coded Decimal) 코드로 표시하면?
11번
다음 회로가 수행할 수 있는 논리 기능은?

12번
다음 중 멀티플렉서(multiplexer)의 설명으로 잘못된 것은?
13번
n개의 입력으로부터 2진 정보를 2n개의 독자적인 출력으로 변환이 가능한 것은?
14번
어떤 정류회로의 맥동률이 1[%]인 정류회로의 출력 직류전압이 400[V]일 때, 이 회로의 리플 전압은 얼마인가?
15번
다음 회로에서 R의 용도로 가장 적합한 것은?

16번
구형파를 발생시키는 발진기는 무엇인가?
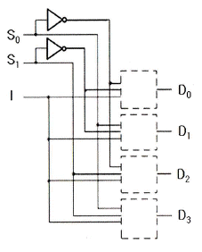
17번
다음은 디멀티플렉서 회로의 일부분이다. 점선 안에 공통으로 들어갈 게이트는? (단, S0, S1은 선택신호이고 I는 데이터 입력이다.)

18번
다음 중 반가산기의 구성요소로 알맞은 것은?
19번
평활회로의 기능에 대해 바르게 설명한 것은?
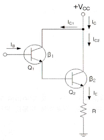
20번
다음은 달링턴 회로에서 직류 바이어스 전류 IE를 계산하면 약 얼마인가? (단, IB=2.56[μA], β1=100, β2=100이다.)

2과목 : 방송통신기기
21번
VTR 편집과정에서 테이프의 속도로 인해 발생하는 오차를 방지하기 위한 장비는?
22번
유선방송 전송설비 중 분기기의 설명으로 맞는 것은?
23번
광섬유 케이블은 물질 사이에서 일어나는 빛의 어느 성질을 이용한 것인가?
24번
다음 중 유선방송의 전송설비에 속하지 않는 것은?
25번
FM 라디오 방송 88~108[MHz]의 주파수대역에서 주파수 편이량이 72[kHz]일 때 FM 방송의 변조지수는? (단, 신호파 주파수는 4[kHz]를 가정한다.)
26번
방송 및 업무용 디지털 오디오장비에 사용되는 대표적인 2채널 직렬 Digital Interface는 무엇인가?
27번
다음 중 디지털 방송기기로 프레임 싱크로나이저에 대한 설명으로 잘못된 것은?
28번
비디오 스위처의 기능 중 영상을 전환하는 기능과 관계가 없는 것은?
29번
다음 중 위성 방송 수신 시스템의 주요 부분과 가장 거리가 먼 것은?
30번
위성 통신의 다원접속방식 중 다수의 사용자에게 일정한 시간 간격으로 방송 통화로를 제공하는 방식은?
31번
인터넷방송 프로그램을 제작하고 송출하는 인터넷방송국과 함께 인터넷 방송에 관련된 서비스로서 맞지 않은 것은?
32번
공동주택의 수신설비에 대한 분류와 활용 장비가 맞는 것은?
33번
인터넷 비즈니스를 위한 모델의 설명으로 맞지 않는 것은?
34번
위성 DMB와 지상파 DMB에 모두 적용된 동영상 압축규격으로 MPEG-2보다 압축효율이 2배 이상 뛰어나고 국제표준화기구(ISO) 산하 동영상 전문가그룹 MPGE과 국제전기통신연합(ITU)의 전기통신 표준화 부문(ITU-T)에서 승인한 동영상 압축규격은?
35번
다음 중 홀로그래피에 대한 설명으로 틀린 것은?
36번
TV 송신기의 기준 신호 레벨 Es=1[Vrms]이고 AM Noise Level En=0.01[Vrms]와 같을 때, AMNoise Ratio는 얼마인가?
37번
방송용 송신기에서 증폭기의 입력 전력이 3[mW], 출력 전력이 3[W]일 때 전력이득은?
38번
다음 중 벡터스코프에서 확인할 수 없는 것은?
39번
다음 중 스튜디오에서 사용되는 제작 설비가 아닌 것은?
40번
두 개 또는 그 이상의 정보신호를 하나의 신호로 만든 후 동시에 전송하는 것을 무엇이라고 하는 가?
3과목 : 방송미디어공학
41번
다음 중 우리나라와 북한의 아날로그 지상파 TV 방식이 순서대로 옳은 것은?
42번
다음 중 일반적인 프로그램의 편성 개념과 거리가 가장 먼 것은?
43번
다음 중 방송환경의 변화추세로 가장 알맞은 것은?
44번
다음 중 민영방송사의 주요 재원에 해당되는 것은?
45번
에어컨을 가동하기 전에 실내 음압레벨이 65[dB]이고 에어컨을 가동할 때의 실내 음압레벨이 72[dB]라면 에어컨 자체의 음압레벨에 가장 가까운 값은?
46번
다음 중 대기의 온도가 15[℃]인 경우, 음속은 약 얼마인가?
47번
아날로그방송 화질과 유사한 디지털방송의 표준은 무엇인가?
48번
다음 조명 용어 중 주로 피사체에 생기는 그림자를 없애거나 그림자 영역에 조명을 부여하여 화면의 콘트라스트(contrast)를 줄이기 위한 조명을 지칭하는 용어로 가장 적절한 것은?
49번
다음 중 방송의 조명의 목적에 대한 설명으로 옳지 않은 것은?
50번
다음 중 소리의 요소인 음조(Pitch)에 관한 설명으로 옳은 것은?
51번
다음 중 일반적인 방송용 아날로그 무선 마이크 시스템에 관한 설명으로 틀린 것은?
52번
다음 중 인쇄 미디어인 신문의 특성과 가장 거리가 먼 것은?
53번
디지털 오디오 파일의 크기를 결정짓는 요소가 아닌 것은?
54번
양자화기의 비트수(N)가 증가할 때마다 부호화에 따르는 양자화 오차는 몇 [dB]씩 감소되는가?
55번
오디오 신호데이터를 생성하는 방법과 가장관련이 적은 것은?
56번
다음 중 화질과 음질과 관련하여, Sampling 주파수 및 양자화 비트의 관련사항으로 틀린 것은?
57번
아날로그 신호를 6비트의 디지털 신호로 변환하고자 할 때 표현 가능한 디지털 정보는 최대 몇 개인가?
58번
음향신호에서 2[V]와 10[V]의 레벨[dB]차는 약 얼마인가?
59번
다음 중 NTSC 방식에서 색신호인 I신호 EI와 Q신호 EQ의 대역폭으로 올바른 것은?
60번
다음 중 색의 3요소로 적합한 것은?
4과목 : 방송통신시스템
61번
다음과 같은 조건에서 전체 전송량은 얼마인가?

62번
다음 중 10[kHz] 대역에서 16 QAM 변조방식을 사용하여 전송할 수 있는 데이터의 최대 전송속도는?
63번
다음 중 방송통신망에 속하지 않는 것은?
64번
슈퍼헤테로다인 수신기의 중간주파수가 455[kHz] 일 때 수신된 400[kHz]에 대한 영상주파수는?
65번
526.5[kHz]~1,606.5[kHz]대의 중파방송(AM)은 총 몇 개의 채널을 할당할 수 있는가?
66번
다음 중 표준화된 지상파 멀티미디어 방송(DMB)의 오디오 규격에 해당하는 것은?
67번
다음 지상파 TV 채널 중 FM 방송 대역과 가장 인접한 채널은?
68번
TV 제작 system에서 영상 신호의 기준 신호를 공급하는 장비는?
69번
다음 중 TV 송신시스템의 주요 구성요소가 아닌 것은?
70번
다음 중 CATV 센터계 설비인 헤드엔드의 기능에 해당하지 않는 것은?
71번
아날로그 CATV에 비해 디지털 CATV의 특징이 아닌 것은?
72번
다음 중 우리나라의 디지털 위성방송 시스템에 사용하는 시스템 다중화 방식으로 옳은 것은?
73번
지상파 DMB 방송의 오디오 전용 압축부호화 형식인 ISO/IEC 11172-3(MPEG-1 Audio Layer II) 또는 ISO/IEC 13818-3(MPEG-2 Audio Layer II)를 따르는 경우 그 기술기준에 해당되지 않은 것은?
74번
상호 직교성을 갖는 다수 반송파를 이용하여 신호를 변조하고 다중화하는 전송 방식을 무엇이라 하는가?
75번
다음 비디오 신호 측정에 사용되는 멀티버스트 신호로 측정할 수 있는 것은?
76번
다음 중 케이블의 이도가 커질 경우 장점이라고할 수 없는 것은?
77번
방송시설 설치시 옥외형 광 송ㆍ수신장치(ONU)의 설치 후 측정하는 개별시험이 아닌 것은?
78번
CATV 시스템에 사용하는 증폭기가 아닌 것은?
79번
다음 중 위성방송을 지상에서 수신시 단위면적을 통과하는 전자파의 전력선 밀도 P는 약 얼마인가? (단, 전계세기 E는 197[V/m]이다.)
80번
다음 중 위성통신의 장ㆍ단점을 나타낸 것으로 틀린 것은?
5과목 : 컴퓨터일반 및 방송설비기준
81번
운영체제의 발달 순서를 올바르게 표시한 것은?
82번
산술 결과 값이 오버플로가 일어났을 때 제어의 흐름이 계속되지 않고 고정된 기억위치로 스위치되어 오버플로에 대한 적절한 처리를 하도록 하는 경우를 무엇이라고 하는가?
83번
키는 릴레이션의 투플을 유일하게 식별할 수 있는 속성의 집합이다. 데이터베이스에서 사용되는 키에 대한 설명으로 옳지 않은 것은?
84번
프로그램이 수행되는 도중에 인터럽트가 발생되면 현재 사이클의 일을 끝내고 프로그램이 수행할 수 있도록 현재 상태를 보관하는 장소의 위치와 관계 있는 것은?
85번
다음 중 광자기디스크(CD, DVD 등)의 장점이 아닌 것은?
86번
인터넷과 같은 공중 네트워크를 마치 전용 회선처럼 사용하여 사설 네트워크에서 요구하는 서비 스를 제공하는 기술 및 네트워크를 말하는 것은?
87번
주기억장치의 용량을 보다 크게 사용하기 위하여 대용량 보조기억장치인 디스크장치의 용량을 주기억장치와 같이 사용할 수 있도록 하는 장치는?
88번
입ㆍ출력 인터럽트(I/O Interrupt)의 특성에 속하지 않는 것은?
89번
여러 개의 작은 디스크들을 배열 구조로 연결하고 하나의 유닛으로 패키지를 구성함으로써 액세스 속도를 크게 향상시키고 신뢰도를 높인 스토리지 기술은?
90번
다음 중 링형 구조의 LAN에 대한 설명과 관계없는 것은?
91번
종합유선방송(아날로그신호)에서 전송선로시설의 질적 수준의 측정 항목과 기준값에 대한 설명으 로 틀린 것은?
92번
다음 중 구내 전송선로설비의 설치 방법으로 틀린 것은?
93번
다음 중 방송국의 개설조건과 관련이 없는 것은?
94번
종합유선방송국 시설기준 등 구내전송 설비에 해당되지 않는 것은?
95번
다음 중 정보통신기술자의 범위에 있어서 등급의 종류가 아닌 것은?
96번
“방송사항의 제작ㆍ편성 및 조정에 필요한 설비와 그 종사자의 총체”를 무엇이라 하는가?
97번
유선방송국의 “수신설비”에 대한 설명으로 가장 적합한 것은?
98번
방송법의 목적이 아닌 것은?
99번
다음 중 방송사업자 또는 중계유선방송사업자가 지체없이 방송통신위원회에 신고해야 할 변경사항으로 관계없는 것은?
100번
종합유선방송국이 사용해야 할 영상신호의 기저대역 주파수는?
연도별
- 2023년03월21일
- 2022년10월08일
- 2022년03월12일
- 2021년10월02일
- 2021년03월13일
- 2020년09월26일
- 2020년03월07일
- 2019년10월12일
- 2019년03월09일
- 2018년10월06일
- 2018년03월10일
- 2017년09월23일
- 2017년03월05일
- 2016년10월01일
- 2016년03월05일
- 2015년10월04일
- 2015년03월08일
- 2014년10월04일
- 2014년03월09일
- 2013년10월12일
- 2013년03월17일
- 2012년10월06일
- 2012년03월11일
- 2011년10월09일
- 2011년03월13일
- 2010년10월10일
- 2010년03월14일
- 2010년02월21일
- 2009년03월01일
- 2008년07월27일
- 2008년03월02일
- 2007년08월05일
- 2007년03월04일
- 2006년08월06일
- 2006년03월05일
- 2005년08월07일
- 2005년03월06일
- 2004년08월08일
- 2004년03월07일
- 2003년08월10일
- 2003년03월16일