방송통신기사 (2016년10월01일 기출문제)
1과목 : 방송통신일반
1번
60[Hz]의 정현파 신호가 전파정류기에 입력될 경우 출력신호의 주파수는 얼마인가?
2번
변압기의 입력단 1차 권선비와 출력단 2차 권선비가 1:2일 때, 출력전압은 입력전압의 몇 배인가?
3번
스위칭 정전압 제어기에서 제어 트랜지스터가 도통되는 시간은?
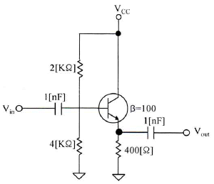
4번
다음과 같은 증폭기의 교류 입력전압의 크기가 20[mV]일 때 교류 출력전압의 크기는 약 얼마인가?

5번
다음 중 FET(Field Effect Transistor)에 대한 설명으로 틀린 것은?
6번
다음 그림과 같은 부궤환 증폭기 회로의 궤환율은?

7번
다음 그림과 같은 연산증폭 회로의 전압이득(Vo/Vs)은? (단, 증폭기는 이상적이라고 가정하며, R1=R2=R3=30[kΩ], R4=2[kΩ]이다.)

8번
발진기에서 기본 증폭기의 전압증폭도가 A이고, 궤환율을 β라고 했을 때 발진이 발생되는 조건은?
9번
RC 발진회로에서 RC 시정수를 높게 할 경우 발진주파수는 어떻게 변하는가?
10번
400[Hz]의 정현파 변조신호로 주파수 변조를 하였을 때 변조지수가 50이었다. 이 때 최대주파수편이 Δf는 얼마인가?
11번
FM 검파 방식 중 주파수 변화에 의한 전압 제어 발진기의 제어 신호를 이용하여 복조하는 방식은?
12번
다음 중 그림과 같은 변조파형을 얻을 수 있는 변조방식에 대한 설명으로 옳은 것은?

13번
비안정 멀티바이브레이터 회로에서 콜렉터 전압의 파형은?
14번
RL 회로에서 시정수는 어떻게 정의하는가?
15번
2진수 (101101)2을 10진수로 올바르게 표시한 것은?
16번
그레이 코드(Gray Code) 1110을 2진수로 변환하면?
17번
RS 플립플롭 회로의 출력 Q 및 Q'는 리셋(Reset) 상태에서 어떠한 논리값을 가지는가?
18번
다음 중 동기식 카운터에 대한 설명으로 옳은 것은?
19번
지연 시간 50[ns]의 플립플롭을 사용한 5단 리플 카운터의 동작 최고 주파수는?
20번
조합 논리 회로 중 0과 1의 조합으로 부호화를 행하는 회로로 2n개의 입력선과 n개의 출력선으로 구성된 것은?
2과목 : 방송통신기기
21번
다음 중 위성중계 시스템 운용에 대하여 숙지해야 될 필요 사항으로 잘못된 것은?
22번
다음 중 방송국 조명 관련 장비로써 광(光)량을 조절하는 장치는?
23번
방송용 편집 장비 중 편집기에 대한 설명으로 옳은 것은?
24번
지상으로부터 전파를 수신하여 주파수를 변환한 다음 증폭해서 다시 지상으로 송신하는 위성은?
25번
다음 중 아날로그 신호에서 디지털 신호로 변환시 주요 과정이 아닌 것은?
26번
다음 중 다이나믹형 마이크의 특징과 가장 거리가 먼 것은?
27번
전파의 속도는 매질에 관하여 무엇에 의해 변화되는가?
28번
다음 중 휘도신호의 차에 따라서 키(Key)를 뽑는 것은 무엇인가?
29번
VTR을 재생할 때 화면이 흔들리지 않도록 보정해주는 방송장비는?
30번
다음 중 위성방송 수신용 안테나로 이용하는 파라볼라 안테나에 관한 설명으로 맞는 것은?
31번
다음 중 위성의 궤도에 따른 분류 방법이 아닌 것은?
32번
유선방송(CATV)에서 전송분배계의 구성방법에 영향을 미치는 요소가 아닌 것은?
33번
유선방송(CATV)에서 중계 회선의 주요 용도가 아닌 것은?
34번
다음 중 AM 광 송신기(옥내용)에 대한 설명으로 옳지 않은 것은?
35번
다음 중 국내 지상파 DMB의 방송서비스 표준안의 기본이 되었던 것은?
36번
다음 중 우리나라 지상파 DMB 전송방식으로 옳은 것은?
37번
다음 중 음향신호 모니터 장치가 아닌 것은?
38번
다음 중 컬러바(Color Bar)와 같은 정밀하고 반복된 신호를 만들어서 시험과 조정 절차를 위해 사용되는 것은?
39번
다음 중 스튜디오에서 사용되는 제작 설비가 아닌 것은?
40번
다음 중 ATSC 방식의 DTV 송신기의 구성요소가 아닌 것은?
3과목 : 방송미디어공학
41번
FM 송수신단에서 음성신호의 처리를 위해 프리엠퍼시스와 디엠퍼시스 회로를 채택하는 주된 이유는?
42번
다음 중 케이블 텔레비전의 특징으로 알맞은 것은?
43번
다음 중 디지털 방송의 도입효과에 속하지 않는 사항은?
44번
잔향이 많은 실내에서 명료도를 높이는 방법이 아닌 것은?
45번
여러 음원이 존재할 때 인간은 자신이 듣고 싶은 음을 선별해서 들을 수 있는 능력을 갖는다. 이런 음향효과를 무엇이라고 부른가?
46번
다음의 카메라 Shot 중 전경(全景)을 찍기 위한 Shot으로 가장 적절한 것은?
47번
방송용 카메라의 화상 장애 현상 중 렌즈 앞에 부착된 후드(Hood)나 필터(Filter)의 크기가 부적당하여 사용렌즈의 화각에 걸리거나 화상이 전체적으로 또는 모서리 부분이 어두워지는 현상을 지칭하는 용어로 가장 적절한 것은?
48번
조명기구를 매다는 것을 목적으로 하는 현가장치의 방식에 속하지 않은 것은?
49번
다음 중 직사광에 해당하는 빛을 내며 빛의 방향성, 명암이나 그림자에 의한 입체감 등을 표현하기 위한 조명기구로 가장 적절한 것은?
50번
다음 중 일반적인 방송용 아날로그 무선 마이크시스템에 관한 설명으로 틀린 것은?
51번
다음 중 아날로그 방송과 비교한 디지털 지상파 방송의 특징과 가장 거리가 먼 것은?
52번
주어진 이미지의 각 픽셀들이 가지는 밝기 값의 분포 상황을 나타내는 것을 무엇이라 하는가?
53번
아날로그 오디오의 샘플링 주파수를 44[khz], 양자화 비트를 10비트로 할 경우, 30초간 샘플링했을 때 저장해야 하는 오디오 데이터 용량은 얼마인가?
54번
다음의 문자열을 무손실 압축했을 경우, 가능한 압축률은 얼마인가?

55번
다음 중 UHD 방송과 거리가 먼 것은?
56번
다음 중 멀티미디어 데이터를 활용한 대화형 텔레비전시스템을 구성하기 위하여 가정의 텔레비전에 부착하는 장치는?
57번
AC-3 비트 스트림 중 동기 정보를 나타내는 것은 무엇인가?
58번
MPEG-2의 기본개념 중 서로 다른 미디어나 다른 플랫폼 등과의 정보교환 가능성을 지칭하는 것은?
59번
영상신호 압축의 원리는 영상신호에 내재되어 있는 각종 중복성을 제거하는 것이다. 다음 중 영상신호 압축을 위한 주요 제거요소로 가장 거리가 먼 것은?
60번
다음 중 가변길이 부호는?
4과목 : 방송통신시스템
61번
주파수 영역에서 신호의 스펙트럼이 겹쳐서 원 신호의 정상 복원이 불가능해지는 것을 무엇이라고 하는가?
62번
다음 중 아날로그 변조방식이 아닌 것은?
63번
다음 중 디지털방송시스템의 특징이 아닌 것은?
64번
526.5[khz] ~ 1,606.5[khz]대의 중파방송(AM)은 총 몇 개의 채널을 할당할 수 있는가?
65번
다음 중 점유대역폭에 따라 규정하고 있는 FM송신기의 최대 주파수 편이는?
66번
AM 스테레오 방송을 구현하는 방법의 종류가 아닌 것은?
67번
다음 중 서로 다른 장소에 설치된 연주소와 송신소 간, 프로그램 전송에 사용되는 마이크로파대의 연결회선은?
68번
ATSC 방식의 특징이 아닌 것은?
69번
다음 중 지상파 텔레비전의 전파를 방사하는 설비를 송신설비라 하는데 이에 포함되지 않는 것은?
70번
다음 중 국내 케이블 TV의 사용주파수로 옳은 것은?
71번
광섬유 케이블의 전송특성은 광섬유 손실과 밀접한 관계가 있다. 다음 중 광섬유 손실에 해당하지 않는 것은?
72번
다음 중 양방향 종합유선방송(CATV) 시스템의 네트워크 보전 및 관리사항에 대한 설명으로 옳지 않은 것은?
73번
다음 중 위성방송에서 전파손실의 가장 큰 원인으로 적합한 것은?
74번
다음 중 디지털 위성방송의 MPEG-2 PSI에 대한 4가지 테이블 유형 외에 부가정보에 대한 설명으로 잘못된 것은?
75번
다음 괄호 안에 들어갈 용어로 적절한 것은?

76번
지상파 DMB에서 사용하는 QPSK 변조방식은 하나의 부호에 몇 개의 비트가 할당되는가?
77번
우리나라 지상파DMB 전송시스템의 오류분산에서 고속정보채널(Fast Information Channel)에 사용하는 방식은 무엇인가?
78번
중계방송 중 생방송의 중계 전송수단으로 옳지 않은 것은?
79번
낙뢰나 전력설비의 누설에 의한 옥외의 선로 계통에 생긴 이상전압의 진입을 막고 옥내의 전력 계통으로부터 누설된 전력이 CATV 시설로 유출되는 것을 방지하기 위해 보안기를 설치한다. 보안기 설치 위치가 맞는 것은?
80번
방송 송출신호를 전송하는 PCM시스템에서 ISI를 측정하기 위해 아이패턴(Eye Pattern)을 이용하는데, 여기서 눈을 뜬 상하의 높이가 의미하는 것은?
5과목 : 컴퓨터일반 및 방송설비기준
81번
다음 중 IP 주소를 사용하여 동종 또는 이종 링크에 다중 접속을 실현할 수 있는 것은?
82번
다음 중 자외선을 이용하여 지울 수 있는 메모리는 어느 것인가?
83번
컴퓨터가 8비트 정수 표현을 사용할 경우 -25를 부호와 2의 보수로 올바르게 표현한 것은?
84번
다음 중 2진수 덧셈연산에서 오버플로우(Overflow)가 되는 조건은?
85번
메모리관리에서 빈 공간을 관리하는 Free 리스트를 끝까지 탐색하여 요구되는 크기보다 더 크되, 그 차이가 제일 작은 노드를 찾아 할당해주는 방법은?
86번
다음 중 컴퓨터의 운영체제에서 로더(Loader)의 주요 기능이 아닌 것은?
87번
몇 개의 관련 있는 데이터 파일을 조직적으로 작성하여 중복된 데이터 항목을 제거한 구조를 무엇이라 하는가?
88번
다음 중 컴파일러(Compiler)에 대한 설명으로 옳은 것은?
89번
다음 중 RISC(Reduced Instruction Set Computer)에 대한 설명으로 틀린 것은?
90번
인터럽트의 우선순위를 바르게 나열한 것은?
91번
입력신호 에너지를 2개 이상으로 균등하게 분배하는 장치는?
92번
다음 중 주전송장치에 대한 설명으로 적합한 것은?
93번
다음 중 방송의 공정성과 공익성에 대한 설명으로 옳지 않은 것은?
94번
다음 중 전송망 사업등록 신청 시 미래창조과학부장관에게 첨부하여 제출할 서류가 아닌 것은?
95번
방송법에서 정의하는 “영상ㆍ비디오 등 영상물이 방송프로그램으로 제작되어 방송매체별로 다단계로 유통ㆍ활용 또는 수출될 수 있도록 지원할 수 있는 자”는 누구인가?
96번
다음 중 무선국 허가의 유효 기간에 맞지 않는 것은?
97번
방송국의 허가를 받은 자는 방송국 운용개시 후 몇 개월 이내에 방송구역 전계강도실측자료를 미래창조과학부장관에게 제출하여야 하는가?
98번
다음 중 전파법상의 '위성방송업무'란?
99번
종합 유선방송신호를 전송하기 위한 전송선로시설의 질적 수준 측정 항목에 포함되지 않는 것은?
100번
종합유선방송 구내전송선로설비의 보호기 특성에서 절연저항은 얼마인가?
연도별
- 2023년03월21일
- 2022년10월08일
- 2022년03월12일
- 2021년10월02일
- 2021년03월13일
- 2020년09월26일
- 2020년03월07일
- 2019년10월12일
- 2019년03월09일
- 2018년10월06일
- 2018년03월10일
- 2017년09월23일
- 2017년03월05일
- 2016년10월01일
- 2016년03월05일
- 2015년10월04일
- 2015년03월08일
- 2014년10월04일
- 2014년03월09일
- 2013년10월12일
- 2013년03월17일
- 2012년10월06일
- 2012년03월11일
- 2011년10월09일
- 2011년03월13일
- 2010년10월10일
- 2010년03월14일
- 2010년02월21일
- 2009년03월01일
- 2008년07월27일
- 2008년03월02일
- 2007년08월05일
- 2007년03월04일
- 2006년08월06일
- 2006년03월05일
- 2005년08월07일
- 2005년03월06일
- 2004년08월08일
- 2004년03월07일
- 2003년08월10일
- 2003년03월16일