방송통신기사 (2008년07월27일 기출문제)
1과목 : 방송통신일반
1번
다음과 같은 검파회로에서 시정수(τ=CR)를 반송파 주기의 10배로 하고자 할 때 C[pF]를 얼마로 해야하는가? (단, 입력측 반송파 주파수는 100[MHz], R은 10[kΩ])

2번
그림에서 Vi=Vm sinα [V]일 때 부하저항 RL양단에 나타나는 직류 평균 출력전압[V]은? (단,
는 다이오드의 순방향 저항)
는 다이오드의 순방향 저항)
3번
그림의 회로에서 V1=3[V], Rf=450[kΩ], R1=150[kΩ]일 때 출력전압 Vo[V]는?

4번
비동기식 계수기(counter)의 일반적인 설명으로 거리가 먼 것은?
5번
JK 플립플롭의 동작에 관한 설명으로 옳지 않은 것은?
6번
완충증폭기(Buffer Amp)에 관한 설명으로 틀린 것은?
7번
다음 중 전력 증폭기의 종류에 속하지 않는 것은?
8번
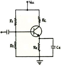
다음의 자기 바이어스 회로(self-bias)에서 IC의 ICO에 대한 안정계수 S의 이론적 최소치는 어느 경우인가? (단, 1+β>>RB/RE, RB=R1//R2 이다.)

9번
그림과 같은 전력증폭기에서 부하 ZL의 크기는? (단, 권선비는 N:1의 이상변압기이다.)

10번
B급 푸시풀 증폭기의 출력 파형에 포함된 고조파는?
11번
다음 연산증폭기 회로에서 입출력 특성은? (단, 연산증폭기 A1, A2와 다이오드 D1, D2는 이상적임)

12번
진폭변조에서 신호전압을 eS = ES sin ωS t, 반송파 전압을 eC = EC sin ωC t라 할 때 피변조파 전압 e(t)를 표시하는 것은?
13번
다음 중 단일 측파대 통신방식에 사용되는 변조회로는?
14번
논리식
을 간단히 하면?
을 간단히 하면?
15번
전압직렬(Votage Series) 궤환증폭기의 일반적인 특성이 아닌 것은?
16번
변조도 60[%]의 AM에서 반송파의 평균 전력이 100[W]일 때, 피변조파의 평균전력은 몇 [W] 인가?
17번
다음 중 OP-AMP를 이용한 미분기에서 출력은 무엇에 비례하는가?
18번
다음과 같은 다이오드 회로에서 전달특성으로 적합한 것은? (단, VZ=ZD1과 DZ2의 항복 전압이다.)

19번
출력전압이 40[V]인 증폭기에서 2-j2√3[V]의 전압을 궤환시켰을 때 궤환율 β는 얼마인가?
20번
다음 중 발진회로에 대한 설명으로 틀린 것은?
2과목 : 방송통신기기
21번
표준(중파) 방송의 증폭회로에서 강도와 출력을 높이기 위한 중간 주파수[kHz]는?
22번
라디오에 사용되는 전원회로의 조건이 아닌 것은?
23번
위성방송을 수신하는 안테나의 종류와 거리가 먼 것은?
24번
다음 중 CATV 방송관련 사업자 및 공급자가 아닌 것은?
25번
다음 중 방송통신기기에 갑자기 전원이 차단되었을 때 사용되는 것은?
26번
다음 중 시간영역 상에서 주로 파형을 측정하는데 가장 적합한 측정기는?
27번
다음 중 정지화상의 부호화를 위한 것으로 Frame 단위의 처리가 요구되는 편집 시스템용 압축방식으로 널리 사용되는 것은?
28번
다음 중 디지털 TV 방송의 특징이 아닌 것은?
29번
다음 중 다중방송에 속하지 않는 것은?
30번
다음 중 방송에 사용될 영상소재를 컴퓨터 영상장치에 의하여 입력받아 스토리지(Storage)에 저장, 인코딩, 방송 소재검색, 미디어관리, 캡처 등의 기능을 수행하는 것은?
31번
다음 중 TV에서 주사형태가 아닌 것은?
32번
국내 NTSC-TV 방식에서 영상반송파를 기준으로 하여 음성 반송파의 주파수는 얼마에 설정되는가? (단, 영상반송파는 fv 이다.)
33번
영상신호의 색신호 성분에 대하여 그 위상과 진폭을 브라운관상에 벡터로 표시하는 장치는?
34번
다음 중 디지털 위성방송의 서비스에서 하나의 프로그램을 여러 개의 채널을 통해 시작 시간을 각기 달리하여 동영상을 제공하는 서비스는?
35번
다음 중 NTSC 아날로그 컬러 TV에서 1초 동안 주사되는 수평 주사선수는 약 몇 개인가?
36번
TV 방송에 사용되는 컬러가 아닌 것은?
37번
다음 중 중계차와 같은 원격지의 신호원을 스튜디오 내부의 동기 신호와 일치시키는 것은?
38번
다음 중 지상파 방송과 비교한 위성방송의 장점이 아닌 것은?
39번
다음 중 안테나 복사 패턴의 최대점에서 Main Lobe의 크기와 정반대 방향에서 형성된 Back Lobe의 크기 비를 나타내는 것은?
40번
TV 영상, 음성 반송파 신호를 합성하는 CIN 다이플렉서의 요구 특성과 거리가 먼 것은?
3과목 : 방송미디어공학
41번
디지털 지상파 방송의 설명과 가장 거리가 먼 것은?
42번
다음 중 Key Light에 의해 생기는 어두운 부분을 수정하기 위한 조명이며 베이스 라이트와 겸용되는 경우의 조명은?
43번
44.1[Hz]로 샘플링한 CD의 경우 이론적으로 재생할 수 있는 최대 주파수에 가장 근접한 주파수[Hz]는?
44번
통신위성을 이용하여 현장에서 직접 뉴스 소재를 취재 하여 송ㆍ수신을 할 수 있는 것은?
45번
다음 중 Internet을 이요 TV 수상기에서 각종 화상정보 등을 상호 대화 형식으로 제공하는 쌍방향 시스템은?
46번
다음 중 멀티미디어의 활용분야가 아닌 것은?
47번
MPEG-2 영상부호화에 기본적으로 사용되는 DCT 변환에서 수행되는 블록단위는?
48번
다음 중 NTSC식 컬러 TV의 색부반송파 주파수는?
49번
다음 중 방송계 미디어와 가장 관련 없는 것은?
50번
다음 중 조명의 기본적인 요건과 거리가 먼 것은?
51번
다음 중 마이크로폰의 제원을 표시하는 파라미터가 아닌 것은?
52번
국내 지상파 아날로그 컬러 TV 방송의 설명으로 거리가 먼 것은?
53번
다음 중 영상미디어의 압축방식이 아닌 것은?
54번
다음 중 디지털변조에 속하지 않는 것은?
55번
다음 전송매체 중 가장 전송속도가 빠른 것은?
56번
이동 중에 고음질의 음향 및 데이터 또는 영상서비스가 가능한 방식으로 방송과 통신의 대표적인 융합이라고 할 수 있는 것은?
57번
다음 중 멀티미디어의 의미로 가장 적합한 것은?
58번
다음 중 컬러 TV에서 색차신호를 나타내는 것은?
59번
다음 방송의 형태 중 주파수에 의한 분류에 해당하지않는 것은?
60번
스테레오 시스템에서 두 개의 스피커로 주파수와 음압이 동일한 음을 동시에 재생할 경우, 인간의 귀에는 먼저 도달한 소리만 들리는 현상과 관련되는 것은?
4과목 : 방송통신시스템
61번
다음 중 국내의 지상파 디지털 TV 변조 방식은?
62번
다음 중 PLL의 기본적인 구성요소가 아닌 것은?
63번
ATSC에서 케이블과 지상파 방송에서 전자프로그램 안내, 가상 채널, 프로그램 등급 등의 정보에 대하여 정한 표준은?
64번
TV 신호 중 휘도신호의 구성으로 옳은 것은?
65번
FM에서 S/N비를 향상시키기 위한 방법과 거리가 먼 것은?
66번
다음 중 무궁화위성 3호의 방송용 중계기의 대역폭은?
67번
중계소의 위치 선정시 고려대상이 아닌 것은?
68번
CATV에 대한 설명으로 관계가 먼 것은?
69번
다음 중 통신위성의 개발, 발사, 운용 및 관리 등을 수행하는 국제적인 위성통신기구는?
70번
위성 방송의 상향 링크 설계시 고려하지 않아도 되는 것은?
71번
다음 중 스트리밍 기술과 직접적으로 관련이 없는 것은?
72번
다음 중 OFDM(Orthogonal Frequency Division Multiplexing)과 관련이 적은 것은?
73번
다음 중 종합유전방송(CATV) 시스템의 주요 구성요소와 거리가 먼 것은?
74번
방송수신기의 특징 중 어느 정도의 미약한 전파까지 수신할 수 있는지의 능력을 나타내는 것은?
75번
CATV 시스템에서 1차측 신호전력의 일부를 2차측으로 결합시키는 장치로 신호를 간선에서 지선으로 분할시 사용되는 것은?
76번
CATV 방송국에서 가입자까지의 전송로를 가장 옳게 구성한 것은?
77번
송신소 시스템 설계시 고려해야 할 기본조건으로 거리가 먼 것은?
78번
지상 10000[km] 정도의 궤도인 비정지 위성으로 탐사, 측위 및 이동통신위성의 역할을 주로 하는 것은?
79번
방송용 M/W(Microwave) 회선 설계시 요구되는 사항과 거리가 가장 먼 것은?
80번
가입자 100명에 대한 연결을 망형 회선망으로 구성시 필요한 최소 회선수는?
5과목 : 컴퓨터일반 및 방송설비기준
81번
다음 중 데이터베이스의 특성에 속하지 않은 것은?
82번
부동소수점 표현에서 정규화(normalize)시키는 이유는?
83번
시스템 동작 개시 후 최초로 주기억장치에 프로그램을 load 하는 것은?
84번
주소신호선의 수를 N 개, 데이터의 수를 n 비트, IC의 기억용량을 M 비트라 할 때 관계식은 N=log2(M/n)이다. 64K bit의 LSI 칩으로 4bit씩 묶어서 입ㆍ출력하는 경우 신호선의 수는?
85번
각 프로세스에게 순차적으로 일정한 Time Slice 동안 처리기를 차지하도록 하는 프로세서(스케줄링) 정책은?
86번
다음 중 컴퓨터의 명령어 형식에서 연산자 형식이 아닌것은?
87번
지정된 조건을 만족하는 데이터 항목을 확인하는데 필요한 평균시간을 무엇이라 하는가?
88번
다음 중 에러검출 코드는?
89번
캐시 메모리의 기록 정책 가운데 쓰기(write) 동작이 이루어질 때마다 캐시 메모리와 주기억장치의 내용을 동시에 갱신하는 방식은?
90번
다음 IP 주소에 의해 동종 또는 이종 링크에 다중 접속을 실현할 수 있는 것은?
91번
다음 중 방송편성의 단위가 되는 방송 내용물을 말하는 것은?
92번
다음 중 무선국의 허가증에 기재할 사항이 아닌 것은?
93번
다음 중 방송법의 목적이 아닌 것은?
94번
방송을 양호하게 수신할 수 있는 구역으로 전계강도가 방송통신위원회가 정하여 고시하는 기준 이상인 구역은?
95번
다음 중 ( ) 안에 알맞은 것은?

96번
선로설비의 회선상호간, 회선과 대지간, 회선의 심선 상호간의 절연저항이 알맞은 것은?
97번
다음 중 정보통신공사업자 외의 자가 시공할 수 있는 경미한 공사의 범위에 해당되는 것은?
98번
방송을 목적으로 하는 지상의 무선국을 관리ㆍ운용하며 이를 이용하여 방송을 행하는 사업은?
99번
다음 중 감리원의 업무 범위에 해당하지 않는 것은?
100번
방송통신위원회에서 방송사업의 승인시 심사사항이 아닌 것은?
연도별
- 2023년03월21일
- 2022년10월08일
- 2022년03월12일
- 2021년10월02일
- 2021년03월13일
- 2020년09월26일
- 2020년03월07일
- 2019년10월12일
- 2019년03월09일
- 2018년10월06일
- 2018년03월10일
- 2017년09월23일
- 2017년03월05일
- 2016년10월01일
- 2016년03월05일
- 2015년10월04일
- 2015년03월08일
- 2014년10월04일
- 2014년03월09일
- 2013년10월12일
- 2013년03월17일
- 2012년10월06일
- 2012년03월11일
- 2011년10월09일
- 2011년03월13일
- 2010년10월10일
- 2010년03월14일
- 2010년02월21일
- 2009년03월01일
- 2008년07월27일
- 2008년03월02일
- 2007년08월05일
- 2007년03월04일
- 2006년08월06일
- 2006년03월05일
- 2005년08월07일
- 2005년03월06일
- 2004년08월08일
- 2004년03월07일
- 2003년08월10일
- 2003년03월16일