방송통신기사 (2014년03월09일 기출문제)
1과목 : 방송통신일반
1번
카운터(Counter)를 이용하여 컨베이어 벨트를 통과하는 생산품의 개수를 파악하려고 한다. 최대500개의 생산품을 카운트하기 위한 카운트를 플립플롭을 이용 제작할 때 최소한 몇 개의 플립플롭이 필요한가?
2번
FM에서 최대 주파수편이가 60[kHz]이고 최대 변조주파수가 6[kHz]라 하면 변조도는 얼마인가? (단, 변조지수는 8이다.)
3번
외부로부터의 전기적인 신호가 없어도 회로 내에서 전기진동을 발생하는 회로를 무엇이라 하는가?
4번
기억된 내용을 자외선을 비추어 소거시키는 ROM은?
5번
0과 1의 조합에 의하여 어떤한 기호라도 표현될수 있도록 부호화를 행하는 회로를 무엇이라 하는가?
6번
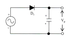
다음과 같은 용량성 캐패시터를 이용한 평활회로의 특징으로 옳지 않은 것은?

7번
다음 중 트랜지스터 증폭 특성에 대한 설명으로 틀린 것은?
8번
310을 Gray Code로 변환하면?
9번
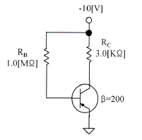
다음 증폭기 회로에서 β=200인 경우 컬렉터 전류 IC는 얼마인가?

10번
디지털 논리 소자에서 회로 동작을 손상시키지 않으면서 출력에 연결할 수 있는 동일한 논리 게이트의 수를 무엇이라고 하는가?
11번
잡음지수가 3[dB]이고 증폭도가 20[dB]인 전치 증폭기를 잡음지수가 5[dB]인 종속 증폭기에 연결하면 종합잡음지수는 얼마가 되는가?
12번
다음 그림과 같은 논리회로 출력의 값과 그 기능은?

13번
다음 중 환형 계수기(Ring Counter)와 같은 기능을 갖는 것은?
14번
다음 그림은 이상적인 펄스를 나타낸 것이다. 펄스의 듀티 싸이클(Duty Cycle) D의 식으로 맞는 것은?

15번
트랜지스터의 스위칭 시간으로 Turn-on 시간은?
16번
발진회로에서 발진을 지속하기 위해 필요한 과정은?
17번
다음 중 변조과정에 대한 설명으로 옳은 것은?
18번
다음 중 증폭기에 대한 설명으로 옳은 것은?
19번
정류회로에서 다이오드를 병렬로 여러 개 접속시킬 경우에 나타나는 특성으로 옳은 것은?
20번
다음 중 정류회로를 평가하는 파라미터에 해당되지 않는 것은?
2과목 : 방송통신기기
21번
우리나라 위성방송에서 사용하고 있는 송신 전파의 편파는?
22번
디지털케이블방송의 신호압축방식이 아닌 것은?
23번
우리나라 HDTV 화면의 종횡비는?
24번
임피던스가 25[Ω]인 반파장 안테나와 특성임피던스가 100[Ω]인 선로를 정합하기 위한 임피던스 값은?
25번
방송용으로 이용되는 인공위성이 갖추어야 할 조건이 아닌 것은?
26번
전송신호가 111111111일 때 여기에 PN(Pseudo Noise)신호 100101010을 가하면 출력 신호 값은?
27번
다음 중 각종 영상신호의 소스와 모니터에 사용하여 On Air 중임을 알려주는 것은?
28번
HD-SDI 신호의 Alignment 지터 측정에 사용되는 HPF(High Fass Filter)의 주파수는?
29번
지상파 디지털TV 방송방식에서 국가별 방식과 전송방식이 맞는 것은?
30번
벡터 패턴을 나타내는 오실로스코프로서 벡터스코프에 대한 설명으로 틀린 것은?
31번
다음 중 MPEG 분석기에서 확인 할 수 없는 항목은?
32번
다음 중 UHD 방송과 거리가 먼 것은?
33번
ATSC의 데이터방송 기술표준은?
34번
일정한 범위에서 출력 신호의 주파수를 반복하여 발생시키는 장치는?
35번
다음 중 음향효과기기가 아닌 것은?
36번
다음 중 디지털 위성 송신기의 주요 구성 부분이 아닌 것은?
37번
CATV 시스템에서 분기 단자에 신호를 가했을 때 입력레벨과 간선의 출역단자에서 나오는 출역레벨과의 차에 의해 발생하는 손실은?
38번
다음 중 방송 프로그램을 저장하는 기기나 설비가 아닌 것은?
39번
우리나라 지상파 DMB 전송방식을 설명한 것 중 옳은 것은?
40번
다른 국의 VTR에 의한 녹화 재생이나 다원중계 등 비동기의 영상신호를 필드 또는 프레임 메모리에 기록하여 이것을 자국의 동기신호에 맞추어 읽어내는 장치는?
3과목 : 방송미디어공학
41번
대기온도가 20℃ 일 때 음파가 공기 중에서 전달되는 속도는 얼마(m/sec)인가?
42번
다음 중 우리나라 지상파 디지털 TV 전송방식은?
43번
슬로우모션이나 스틸에서는 타임코드를 읽을 수 없기 때문에 이 문제를 해결하기 위해 개발된 것은?
44번
다음 중 우리나라 지상파 DMB에 대한 설명이 아닌 것은?
45번
IP 네크워크 상에서 구현되는 멀티미디어 융합서비스는 무엇인가?
46번
디지털케이블 텔레비전이나 IPTV 프로그램을 시청하는 한 형태로, 선택된 프로그램에 대해서만 요금을 부과하는 서비스는?
47번
동화상을 구성하는 한 장의 정지화상을 무엇이라 하는가?
48번
다중접속(Multiple Access)이란 제한된 주파수 대역폭 자원을 잘 분배 하고 기술적으로 보완하여 최대한 많은 사용자들이 안정적으로 사용하게 하는 접속 방식 3가지를 맞게 나열한 것은?
49번
ATCS(Advanced Television System Committee) 방식에 대한 설명으로 옳지 않는 것은?
50번
소리의 세기 레벨이 80[dB]인 음원이 두개 있을 때, 레벨의 합으로 가장 적절한 것은?
51번
보기의 MPEG의 기본개념 중 서로 다른 미디어나 다른 플랫폼 등과의 정보교환 가능성을 지칭하는 것은?
52번
Eureka-147 기반 디지털 오디오 방송의 특징이 아닌 것은?
53번
디지털 신호 처리 체계에서 원신호와 샘플링 주파수와의 관계는? (단, fs:샘플링주파수, fmax:원신호의 최대주파수)
54번
HD급 위성 디지털 TV에 대한 기술 중 잘못 기술된 것은?
55번
스튜디오 조명에서 부드러운 빛을 내고 빛의 감소를 완화하거나 없애기 위해 또는 전체적인 기본 조명도를 높여주기 위해 사용되는 장치는?
56번
다음 중 디지털 음향에서 음향분야에서 주로 사용하는 표준 샘플링(Sampling) 주파수와 거리가 먼 것은?
57번
카메라를 인간의 눈과 비슷하게 만들면서 카메라의 메커니즘을 완성시킨 장치는?
58번
다음 중 디지털방송시스템에의 특징이 아닌 것은?
59번
다음 중 피사체의 전방 아래쪽에서 비춤으로써 인물의 공포분위기 및 괴이한 장면을 표현하기 위한 조명으로 가장 적절한 것은?
60번
멀티미디어 및 하이퍼 미디어의 정의, 부호화 원칙, 시스템 요구사항, 오브젝트 클래스를 이용한 부호화 표현 등을 목적으로 하는 국제 표준화 그룹은?
4과목 : 방송통신시스템
61번
다음 문장에서 설명하고 있는 것으로 옳은 것은?

62번
우리나라 지상파 디지털 방송(DTV)에서 채택하고 있는 영상압축 신호처리 방식은?
63번
텔레비전 방송송신용 안테나가 아닌 것은?
64번
우리나라 지상파DMB 전송시스템의 오류분산에서 고속정보채널(Fast Information Channel)에 사용하는 방식은 무엇인가?
65번
다음 중 도시용 공시청 시스템의 설계 시 주의사항으로 옳지 않은 것은?
66번
CATV 동축케이블 내의 전자파 속도는? (단, εr>=2.3(비투자율), μr=1(비유전율), ε0≒8.855×10-12[F/m], μ0=4π×10-7[H/m])
67번
FM송신기에서 좌신호와 우신호를 합과 차신호로 만들고 합신호는 모노형 수신기 청취자에게 차신호는 스테레어 수신자에게 전송되도록 하는 회로는?
68번
방송국 송신소 시스템 설계의 기본 조건으로 송신점의 선정에 해당되지 않는 것은?
69번
다음 중 위성에서 송신하는 전파를 이용하여 지구 전체를 측위할 수 있는 시스템으로 위성을 이용하여 자동차나 항공기 또는 선박과 같은 이동물체의 속도를 측정할 수 있는 것은?
70번
다음 중 CCTV시스템의 기본 구성요소가 아닌 것은?
71번
방송국 송신설비의 급전선 요건으로 옳지 않는 것은?
72번
위성방송 시스템에서 스크램블 신호를 원래의 신호로 바꾸려면 어떻게 해야 하는가?
73번
CATV(SO) 방송시스템의 신호 흐름이 옳은 것은?
74번
광섬유케이블의 전송특성은 광섬유의 손실과 밀접한 관계가 있다. 다음 중 광섬유 손실에 해당하지 않는 것은?
75번
공중선의 이득을 절대이득(dBi)과 상대이득(dBd) 로 구분해 볼 수 있는데, 이중 상대이득이 5.5[dBd]인 경우 절대이득은 몇 [dBi]인가?
76번
우리나라 지상파 DMB방송서비스에서 사용하고 있는 주파수대는?
77번
다음 중 주파수 변조에서 최대주파수편이가 75[kHz]와 변조신호의 주파수가 15[kHz]일 경우에 FM 주파수의 대역폭으로 옳은 것은?
78번
FM 수신기에 사용되는 스켈치 회로에 대한 설명 중 맞는 것은?
79번
AM 송신기의 구성요소가 아닌 것은?
80번
다음 중 ASK의 특징이 아닌 것은?
5과목 : 컴퓨터일반 및 방송설비기준
81번
다음 중 프로그램 작성을 위한 순서도에 대한설명으로 적합하지 않는 것은?
82번
DMA(Direct Memory Access)에 관한 설명 중 틀린 것은?
83번
다음 중 중앙처리장치의 구성요소가 아닌 것은?
84번
88[MHz]내지 108[MHz]의 주파수의 전파를 이용하여 음성을 보내는 방송은?
85번
접근시간(access time)과 사이클 시간(cycle time)에 관한 설명으로 적합하지 않은 것은?
86번
마이크로프로세서에서 마이크로(μ)의 의미는 무엇인가?
87번
다음 용어 정의가 잘못 설명된 것은?
88번
다음 언어 중 구조적 프로그래밍(structured programming)에 적합한 기능과 구조를 갖는 것은?
89번
종합유선방송국시설에서 영상신호의 특성에 해당하지 않는 것은?
90번
방송을 양호하게 수신할 수 있는 구역으로 전계강도가 방송통신위원회가 정하여 고시하는 기준 이상인 구역은? (문제 오류로 실제 시험에서는 모두 정답처리 되었습니다. 여기서는 1번을 누르면 정답 처리 됩니다.)
91번
파일(File)의 개념을 바르게 표현한 것은?
92번
다음 중 방송법상에서 정의한 방송의 형태가 아닌 것은?
93번
방송편성의 정의에 대하여 옳게 설명된 것은?
94번
다음에 실행할 명령의 주소를 기억하여 제어 장치가 올바른 순서로 프로그램을 수행하도록 하는 정보를 제공하는 레지스터는?
95번
방송사업의 허가·승인·등록 사항으로 적합하지 않은 것은?
96번
정지 또는 이동하는 사물의 순간적 영상을 전송하기 위하여 주사에 따라 발생되는 직접적인 전기적 변화를 무엇이라 하는가?
97번
다음 컴퓨터의 기능 중 옳지 않은 것은?
98번
다음 중 방송사업의 분류에 해당되지 않는 것은?
99번
중앙연산처리장치에서 Micro-operation이 순서적으로 일어나게 하려면 무엇이 필요한가?
100번
종합유선방송국의 진폭변조기의 출력 특성 임피던스는 몇 [Ω]인가?
연도별
- 2023년03월21일
- 2022년10월08일
- 2022년03월12일
- 2021년10월02일
- 2021년03월13일
- 2020년09월26일
- 2020년03월07일
- 2019년10월12일
- 2019년03월09일
- 2018년10월06일
- 2018년03월10일
- 2017년09월23일
- 2017년03월05일
- 2016년10월01일
- 2016년03월05일
- 2015년10월04일
- 2015년03월08일
- 2014년10월04일
- 2014년03월09일
- 2013년10월12일
- 2013년03월17일
- 2012년10월06일
- 2012년03월11일
- 2011년10월09일
- 2011년03월13일
- 2010년10월10일
- 2010년03월14일
- 2010년02월21일
- 2009년03월01일
- 2008년07월27일
- 2008년03월02일
- 2007년08월05일
- 2007년03월04일
- 2006년08월06일
- 2006년03월05일
- 2005년08월07일
- 2005년03월06일
- 2004년08월08일
- 2004년03월07일
- 2003년08월10일
- 2003년03월16일