방송통신기사 (2016년03월05일 기출문제)
1과목 : 방송통신일반
1번
다음 중 교류입력의 반주기에 대해 브리지 정류기의 다이오드 동작조건에 대한 설명으로 옳은 것은?
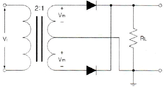
2번
다음 정류회로의 명칭은?

3번
다음 정전압회로에서 제너 다이오드의 내부저항(rd)는 2[Ω]이고, 입력 직렬저항 (Rs)는 500[Ω]일 경우 전압 안정계수(S)는 약 얼마인가?

4번
다음 중 트랜지스터(Transistor)를 달링턴 접속하였을 경우에 대한 설명으로 틀린 것은?
5번
다음 중 베이스 접지 증폭기에 대한 설명으로 틀린 것은?
6번
다음 중 부궤환 증폭기의 장점이 아닌 것은?
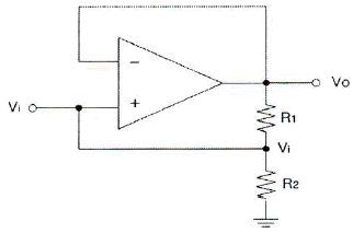
7번
다음 그림에서 입력전압 Vi는? (단, R1=2R2)

8번
다음 중 발진을 유지하기 위한 조건이 아닌 것은?
9번
다음 중 정현파 발진기의 종류가 아닌 것은?
10번
다음 중 슈퍼헤테로다인(Superheterodyne) 검파방식의 주파수 성분을 구하는 방법으로 틀린 것은?
11번
다음 중 주파수변조를 진폭변조와 비교한 설명으로 틀린 것은?
12번
일정시간 동안 200개의 비트가 전송되고, 전송된 비트 중 15개의 비트에 오류가 발생하면 비트 에러율(BER)은?
13번
다음 중 입력 신호에서 어떤 특정된 제어 시간의 신호만 출력되도록 할 목적으로 사용하는 회로는?
14번
다음 중 멀티바이브레이터의 동작과 관계가 없는 것은?
15번
8진수 (67)8을 16진수로 바르게 표기한 것은?
16번
다음 논리 회로는 어떤 논리 게이트(Logic Gate)로 동작하는가?

17번
논리식 A(A+B+C)를 간단히 하면?
18번
5비트 2진 카운터의 입력에 4[MHz]의 정방향 펄스가 가해질 때 출력 펄스의 주파수는?
19번
비동기식 5진 카운터(Counter) 회로는 최소 몇 개의 플립플롭(Flip-Flop)이 필요한가?
20번
다음 그림과 같은 회로의 명칭은?

2과목 : 방송통신기기
21번
다음 중 방송법에서 정의하는 방송에 해당되지 않는 것은?
22번
다음 중 AM 송신기의 주요 부분이 아닌 것은?
23번
다음 중 방송프로그램의 제작을 지휘하는 장소로 영상, 음성, 조명 등을 조정하는 곳은?
24번
다음 중 야외 음악회와 같이 열린공간에서의 야간 중계시 최상의 영상 제작을 위한 유의사항으로 틀린 것은?
25번
다음 중 주파수 변조와 비교하였을 때 진폭 변조의 특징으로 적절하지 않은 것은?
26번
다음 중 디지털 오디오 국제표준 규격이 아닌 것은?
27번
2,400[bps]의 디지털 신호를 전송시 한 번에 3[bit]의 신호를 전송할 경우 이는 몇 [baud]에 해당되는가?
28번
다음 중 디지털TV 방송기술의 일반적인 특성이 아닌 것은?
29번
다음 중 비디오 스위처에서 인물 화상 등을 다른 화상에 끼워넣어 화면을 합성하는 이펙트는?
30번
다음 중 방송프로그램을 링크하는 STL(Studio Transmitter Link)에 있어서 디지털 마이크로웨이브 구성의 설명으로 틀린 것은?
31번
다음 중 위성 방송용 파라볼라 안테나에서 수신 전파의 주파수대는 12[GHz], 안테나의 직경은 1[m], 안테나의 개구효율이 0.64라고 할 때 이득은 약 몇 [dB]인가?
32번
다음 중 위성의 궤도에 따른 분류 방법이 아닌 것은?
33번
다음 중 CATV 전송매체에 대한 설명으로 옳지 않은 것은?
34번
다음 중 인터넷 방송의 서비스품질(QoS)를 얻기 위한 지표로 맞지 않는 것은?
35번
다음 중 인터넷방송을 구축하기 위한 장비별로 구성이 잘못된 것은?
36번
다음 중 국내 지상파 DMB의 사용 주파수대는?
37번
다음 중 TV신호 파형을 감시ㆍ측정하는데 가장 적합한 것은?
38번
화면의 밝기가 변화할 때 색상이 변동하는 현상으로 특히 화면의 고휘도 부분에서 색이 적절치 않게 재생되는 현상은 다음 중 어떤 특성 때문인가?
39번
다음 중 오실로스코프 상에서 입력된 신호를 정확하게 측정하기 위해 필요한 유의사항으로 틀린 것은?
40번
송신점에서 10[km] 떨어진 점에서의 전계강도가 50[mV/m]일 때, 40[km] 떨어진 지점의 전계강도는?
3과목 : 방송미디어공학
41번
다음 중 국내 FM방송의 주파수대역은 얼마인가?
42번
다음 중 방송 수단에 의한 분류가 아닌 것은?
43번
다음 중 방송편성의 정의로 가장 타당한 것은?
44번
중파방송의 주파수의 범위는 526.5~1,606.5[kHz]이다. 이 중파방송 대역폭에서 전송할 수 있는 최대 사용 채널수는 이론적으로 몇 개인가?
45번
아날로그신호를 디지털 형태의 PCM 신호로 변화시키기 위해서는 세 가지 기본 과정이 필요하다. 다음 중 PCM 과정으로 옳은 것은?
46번
다음 중 콘솔의 주요 모듈에 대한 설명으로 틀린 것은?
47번
인간의 귀가 얼굴 양쪽에 있어서 음이 두 귀에 도달할 때까지 거리 차이가 발생하고 이러한 거리 차이는 음원과 두 귀에 대해서 시간차와 위상차를 발생시키기 때문에 음원의 방향을 정확하게 판단할 수 있는 음향 효과를 무엇이라고 하는가?
48번
다음 중 Nyquist Filter에 대한 설명으로 틀린 것은?
49번
다음 중 정상적인 컴포지트 비디오 신호(Composite Video Signal)를 표현한 것으로 바르지 않는 것은?
50번
다음 중 인물의 윤곽을 선명하게 하고, 머리카락에 광택을 주며 배경에서 인물이 떠오르게 하는 조명은?
51번
다음 중 주파수에 의한 방송의 분류에서 파장이 가장 짧은 것은 무엇인가?
52번
다음 저장 미디어 중 저장 매체의 형태가 다른 하나는?
53번
다음 중 3차원 애니메이션에서 전체적인 동작이 완성된 다음 등장인물이나 물체의 표면에 섬세한 질감을 표현하기 위한 작업은 무엇인가?
54번
다음 중 효율적인 압축방법 선택 시 고려사항이 아닌 것은?
55번
다음의 문자열을 무손실 압축했을 경우 가능한 압축율은 얼마인가?

56번
다음 중 3DTV의 원리와 방식에 대한 설명으로 틀린 것은?
57번
다음 중 홀로그래피에 대한 설명으로 틀린 것은?
58번
양자화기의 비트수(N)가 증가할 때마다 부호화에 따르는 양자화 오차는 몇 [dB]씩 감소되는가?
59번
다음 중 직교 변환 부호화 방식이 사용되지 않는 변환은 무엇인가?
60번
다음 중 MPEG 특징에 대한 설명으로 옳지 않은 것은?
4과목 : 방송통신시스템
61번
표본화에 의하여 얻어진 PAM 신호를 디지털화하기 위하여 진폭축으로 이산값을 갖도록 처리하는 것을 무엇이라고 하는가?
62번
다음 중 전송 선로의 실효저항 증가로 전송손실을 가져오는 요인으로 옳지 않은 것은?
63번
10[kHz] 대역에서 16QAM 변조방식을 사용하여 전송할 수 있는 데이터의 최대 전송속도는?
64번
다음 중 단파방송에 관한 설명으로 틀린 것은?
65번
다음 중 디지털 멀티미디어를 위한 디지털 라디오 방송시스템의 국제 표준과 거리가 먼 것은?
66번
다음 중 디지털라디오 방송의 특징이 아닌 것은?
67번
다음 중 디지털TV 기술의 특징이 아닌 것은?
68번
다음 중 TV 수신기 구성요소가 아닌 것은?
69번
다음 중 TV제작 System에서 영상 신호의 기준 신호를 공급하는 장비는?
70번
다음 중 CATV 전송로에서 사용되는 증폭기가 아닌 것은?
71번
유선방송에서 사용되는 동축케이블의 내ㆍ외부 도체에 대한 최적의 직경비로 옳은 것은?
72번
다음 중 양방향 종합유선방송(CATV) 시스템의 네트워크 보전 및 관리사항에 대한 설명으로 옳지 않은 것은?
73번
다음과 같은 조건이 주어질 경우 10[GHz] 대역에서의 자유공간 손실은?

74번
다음은 태양을 중심으로 회전하는 행성들의 운동을 관측한 결과로 얻어낸 법칙이다. 다음에 해당하는 법칙은 무엇인가?

75번
EUREKA-147 전송시스템 파라미터에서 전송모드 I의 부 반송파 수는?
76번
지상파 DMB에서 사용하는 QPSK 변조방식은 하나의 부호에 몇 개의 비트가 할당되는가?
77번
우리나라 지상파DMB 전송시스템의 오류분산에서 고속정보채널(Fast Information Channel)에 사용하는 방식은 무엇인가?
78번
다음 중 방송시스템 안테나의 접지방법에 대한 설명이 잘못된 것은?
79번
접지 시공 시방서에 의한 한국산업규격(KS)의 표준이 잘못된 것은?
80번
공동시청 안테나 시설의 설비구성 중 공동건물의 설비에 해당되지 않는 것은?
5과목 : 컴퓨터일반 및 방송설비기준
81번
다음 중 DMA(Direct Memory Access)에 대한 설명으로 틀린 것은?
82번
다음 중 CPU의 하드웨어(Hardware) 요소들을 기능별로 분류할 경우 포함되지 않는 것은?
83번
다음의 데이터 코드 중 가중치 코드가 아닌 것은?
84번
다음 논리회로에 의해 계산된 결과 X는?

85번
다음 중 운영체제(Operating System)의 성능을 극대화하기 위한 조건이 아닌 것은?
86번
다음 내용은 어떤 용어에 대한 설명인가?

87번
다음 내용이 의미하는 소프트웨어는 무엇인가?

88번
다음 프로그램 언어 중 구조적 프로그래밍(Structured Programming)에 적합한 기능과 구조를 갖는 것은?
89번
다음 중 마이크로프로세서에 대한 설명으로 틀린 것은?
90번
16비트 명령어 형식에서 연산코드 5비트, 오퍼랜드1은 3비트, 오퍼랜드2는 8비트일 경우, ⓐ 연산종류와 사용할 수 있는 ⓑ 레지스터의 수를 올바르게 나열한 것은?
91번
방송프로그램을 종합유선방송국으로부터 시청자에게 전송하기 위하여 유ㆍ무선 전송ㆍ선로설비를 설치ㆍ운영하는 사업은?
92번
지상파방송사업을 하려는 자는 신청인에 관한 사항을 기재한 서류, 사업계획서, 시설설치계획서를 누구에게 제출하여야 하는가?
93번
다음 중 주전송장치에 대한 설명으로 적합한 것은?
94번
외국 인공위성의 무선설비를 이용하여 위성방송을 행하는 사업을 하려는 자는 미래창조과학부장관에게 무엇을 얻어야 하는가?
95번
다음 중 정보통신공사업법에서 말하는 공사의 종류 가운데 방송국설비 공사가 아닌 것은?
96번
무선국의 개설허가의 유효기간은 몇 년 이내의 범위에서 대통령령으로 정하며, 그 기간이 만료된 때에는 재허가 및 재승인을 할 수 있는가?(오류 신고가 접수된 문제입니다. 반드시 정답과 해설을 확인하시기 바랍니다.)
97번
종합유선방송국설비에서 주파수변조방식에 의해 광케이블로 전송하는 경우 분계점은?
98번
다음 중 유선방송시설의 설치도면 작성에 필요한 기호 및 약호에서 “인입선”을 나타내는 약호는?
99번
종합유선방송 사업자별 시설 중 망사업자(NO) 시설이 아닌 것은?
100번
다음 중 주파수 분배에 있어서 미래창조과학부장관이 고려할 사항이 아닌 것은?
연도별
- 2023년03월21일
- 2022년10월08일
- 2022년03월12일
- 2021년10월02일
- 2021년03월13일
- 2020년09월26일
- 2020년03월07일
- 2019년10월12일
- 2019년03월09일
- 2018년10월06일
- 2018년03월10일
- 2017년09월23일
- 2017년03월05일
- 2016년10월01일
- 2016년03월05일
- 2015년10월04일
- 2015년03월08일
- 2014년10월04일
- 2014년03월09일
- 2013년10월12일
- 2013년03월17일
- 2012년10월06일
- 2012년03월11일
- 2011년10월09일
- 2011년03월13일
- 2010년10월10일
- 2010년03월14일
- 2010년02월21일
- 2009년03월01일
- 2008년07월27일
- 2008년03월02일
- 2007년08월05일
- 2007년03월04일
- 2006년08월06일
- 2006년03월05일
- 2005년08월07일
- 2005년03월06일
- 2004년08월08일
- 2004년03월07일
- 2003년08월10일
- 2003년03월16일