방송통신기사 (2015년03월08일 기출문제)
1과목 : 방송통신일반
1번
다음 그림은 정류회로의 입력파형과 출력파형을 나타내었다. 주어진 입출력 특성을 만족시키는 정류회로는? (단, 다이오드의 문턱전압은 0.7[V]이고, 변압기의 권선비는 1:1이라고 가정한다.)

2번
정류회로 출력 성분 중 교류인 리플을 제고하기 위해 정류회로 다음 단에 접속되는 회로는 무엇인가?
3번
주어진 그림은 N-채널 FET 소자의 직류전달 특성을 나타내었다. 이 소자의 트랜스컨덕턴스는?

4번
입력 저항이 20[kΩ]인 증폭기에 직렬 전류 궤환회로를 적용할 경우 입력 저항값은 얼마가 되는가? (단, β=9이다.)
5번
다음 궤환회로에 대한 설명으로 틀린 것은?

6번
다음 중 전력증폭기에 대한 설명으로 틀린 것은?
7번
정궤환(Positive Feedback)을 사용하는 발진회로에서 발진을 위한 궤환루프(FeedbackLoop)의 조건은?
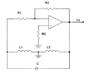
8번
다음 그림과 같은 발진회로의 명칭은 무엇인가?

9번
다음 중 정보 전송에서 반송파로 사용되는 정현파의 위상에 정보를 싣는 변조 방식은?
10번
FM 변조에서 최대 주파수 편이가 80[kHz]일 때 주파수 변조파의 대역폭은 얼마인가?
11번
RC 충ㆍ방전 회로에서 상승시간(Rise Time)이란 무엇인가?
12번
다음 그림과 같은 단안정 멀티바이브레이터 회로에서 콘덴서 C2의 역할은 무엇인가?

13번
2진법 곱셈 1010×0101의 계산값은?
14번
10진수 45를 2진수로 변환한 값으로 맞는 것은?
15번
다음 논리 함수
를 간소화한 것으로 옳은 것은?
를 간소화한 것으로 옳은 것은?
16번
JK-Flip Flop에서 J입력과 K입력이 모두 1이고 CP=1일 때 출력은?
17번
25진 리플 카운터를 설계할 경우 최소한 몇 개의 플립플롭이 필요한가?
18번
다음 중 리플 카운터(Ripple Counter)에 대한 설명으로 틀린 것은?
19번
여러 개의 회로가 단일 회선을 공동으로 이용하여 신호를 전송하는데 필요한 장치는?
20번
반가산기(Half Adder)에서 A=1, B=1일 경우 S(Sum)의 값은?
2과목 : 방송통신기기
21번
다음 중 STL(Studio Transmitter Link)의 설명으로 가장 거리가 먼 것은?
22번
다음의 방송장비 중 서로 다른 영상신호 간의 동기신호를 정확하게 일치시키기 위하여 사용하는 장비는?
23번
임피던스가 25[Ω]인 반파장 안테나와 특성임피던스가 100[Ω]인 선로를 정합하기 위한 임피던스 값은?
24번
디지털 방송의 장점에 해당하지 않는 것은?
25번
외부로부터 입력되는 여러 형상신호에 대해 동일한 동기신호를 기준으로 동작하게 하는 것을 무엇이라 하는가?
26번
AM 방송에 관한 설명 중 옳은 것은?
27번
다음 중 마이크의 특성과 가장 거리가 먼 것은?
28번
다음 중 TV방송의 송신소의 설치조건이 아닌 것은?
29번
다음 중 TV화면의 픽셀(Pixel)과 관련된 파라미터(Parameter)는?
30번
다음 중 괄호 안에 들어갈 말로 알맞은 것은?

31번
다음 중 위성방송을 위한 디지털 변조 방식으로 가장 널리 활용되는 것은?
32번
접지안테나를 통해 모인 초고주파 신호를 중간주파수(1[GHz])대의 신호로 변환하는 장치는?
33번
CATV에서 입력신호 에너지를 간선에서 지선으로 불균등하게 분리시키는 장치는?
34번
CATV에서 헤드엔드로부터 송출된 신호를 서비스 구역 전역에 전송하기 위한 주된 전송로를 무엇이라고 하는가?
35번
인터넷방송시스템의 하드웨어(Hardware) 구성 요소가 아닌 것은?
36번
우리나라의 지상파 DMB의 기반이 된 전송규격은?
37번
디지털 방송매체를 통해 교통 및 여행정보를 전송할 목적으로 개발된 기술규격은?
38번
송신기의 기준 신호 레벨 Es=1[Vrms]이고, 잡음레벨 En=0.01[Vrms]와 같을 때 AM NoiseRatio는 얼마인가?
39번
TV 송신 시스템 시험용 장비의 신호별 기준 특성 임피던스가 틀린 것은?
40번
다음 중 DTV 시스템의 PSIP(Program andSystem Information Protocol)에 대한 설명으로 옳지 않은 것은?
3과목 : 방송미디어공학
41번
다음 중 일반적인 프로그램의 편성 개념과 거리가 먼 것은?
42번
다음 중 디지털 방송시스템의 특성이 아닌 것은?
43번
디지털 지상파 방송의 설명과 거리가 먼 것은?
44번
다음 중 오디오 신호의 양자화 과정에서 음의 왜곡을 줄이기 위해 잡음 신호를 혼합하는 기법은?
45번
대기의 온도가 15[℃]인 경우 1[kHz] 순음의 파장은 약 얼마인가?
46번
다음 중 색에 관한 설명으로 틀린 것은?
47번
방송 스튜디오 시설 공사시 컴포지트(Composite) 영상신호용 케이블의 임피던스는?
48번
다음 중 화면에서 여름의 대낮이나 햇볕의 강함을 강조하며 명암의 대비를 확실히 하기 위해 밝은 곳은 더 밝게, 어두운 곳은 더 어둡게 느끼게 하는 조명기법으로 가장 적절한 것은?
49번
다음 중 뉴미디어 부가서비스와 가장 거리가 먼 것은?
50번
디지털 오디오 파일의 크기를 결정하는 요소가 아닌 것은?
51번
다음의 디지털 TV 서비스 중 일정시간 간격으로 제공되는 콘텐츠를 편당 요금지불 방식으로 시청하는 서비스는 무엇인가?
52번
1분 동안 16비트, 44.1[khz] 샘플링 레이트로 스테레오 사운드를 저장한다면 약 얼마의 공간이 필요한가?
53번
다음 중 4:2:2 크로마 서브샘플링과 관련된 설명으로 맞는 것은?
54번
지상파 DMB의 경우 다수개의 비디오, 오디오 및 TPEG 등이 포함된 데이터 서비스 채널들이 다중화되어 있다. 이런 다중화 구성에 대한 정보는 다음 중 어디에 포함되어 있는가?
55번
데이터방송의 특성이 아닌 것은?
56번
다음 중 HDTV 중계방송 차량에 설치되는 보편적인 시스템으로 틀린 것은?
57번
텔레비전을 인터넷망에 연결하여 영상 및 다양한 양방향 멀티미디어를 제공하는 방송통신 융합서비스를 무엇이라 하는가?
58번
표본화된 펄스의 진폭을 디지털 2진 부호로 변환시키기 위하여 진폭의 레벨에 대응하는 정수 값으로 등분하는 과정을 무엇이라 하는가?
59번
우리나라에서 시판되는 DVD(Digital Video Disk)에서 적용되는 일반적인 음성 및 영상 압축 방식으로 가장 적절하게 짝지어진 것은?
60번
멀티미디어 및 하이퍼 미디어의 정의, 부호화 원칙, 시스템 요구사항, 오브젝트 클래스를 이용한 부호화 표현 등을 목적으로 하는 국제 표준화 그룹은?
4과목 : 방송통신시스템
61번
다음 중 통신망 구성에서 역다중화기는 어떤 장치계에 속하는가?
62번
어떤 신호가 0~25[kHz]로 주파수 대역이 제한되어 있을 때 나이퀴스트율을 만족하는 최소 표본화 주기는 얼마인가?
63번
다음 중 디지털 변조신호에 따라 반송파의진폭과 위상을 동시에 변화시키는 방식은?
64번
다음 중 FM송신기의 최고변조주파수가 15[kHz]인 경우 100[%] 변조시 점유주파수의 대역폭은?
65번
다음 중 AM 표준방송에 대한 설명으로 틀린 것은?
66번
FM 수신기 보조회로가 아닌 것은?
67번
주요 지상파 HDTV 방송의 전송방식이 바르게 짝지어진 것은?
68번
다음 중 지상파 텔레비전의 전파를 방사하는 설비를 송신설비라 하는데 이에 포함되지 않는 것은?
69번
다음 중 ATSC 디지털TV의 영상신호 압축방식은?
70번
케이블TV 시스템에서 0[dBmV]인 입력신호가 23[dB]의 증폭기와 500[m]의 케이블을 거치면 출력은 얼마인가? (단, Cable Loss 특성이 4[dB]/100[m]이다.)
71번
CATV망에서 동축케이블은 온도 변화에 따라 감쇠량이 변동한다. 다음 중 이러한 변동을 자동으로 보상해 주는 것은?
72번
CATV시스템 구성의 헤드엔드 설비가 아닌 것은?
73번
다음 중 통신위성의 개발, 발사, 운용 및 관리 등을 수행하는 국제적인 위성통신기구는?
74번
다음은 위성통신체 서브시스템을 나타낸 것이다. 서브 시스템별 구성부에 대한 주요기능이 틀린 것은?
75번
다음 보기에서 설명하는 필터는?

76번
다음 중 디지털 위성방송 송신시스템의 구성요소가 아닌 것은?
77번
지상파 DMB에서 사용하는 QPSK 변조방식은 하나의 부호에 몇 개의 비트를 적용하는가?
78번
화상통신회의의 특징이라고 할 수 없는 것은?
79번
다음 중 송신소 시스템 설계식 고려해야 할 기본조건으로 거리가 먼 것은?
80번
구내전송선로설비의 설계시 고려할 사항으로 TV수신증폭기 장치함의 설치 위치로 적당하지 않는 것은?
5과목 : 컴퓨터일반 및 방송설비기준
81번
다음 중 1비트(Bit)를 저장할 수 있는 기억장치는?
82번
아래 스위칭 회로의 논리식으로 옳은 것은?

83번
2진수 0.111의 2의 보수는 얼마인가?
84번
프로그램에서 함수들을 호출하였을 때 복귀주소(Return Address)를 보관하는데 사용하는 자료구조는 어느 것인가?
85번
다음 지문에서 설명하고 있는 운영체제의 종류는?

86번
대기 중인 프로세서가 요청한 자원들이 다른 대기 중인 프로세스에 의해서 점유되어 다시 프로세스 상태를 변경시킬 수 없는 경우가 발생하게 되는데 이러한 상황을 무엇이라 하는가?
87번
다음 중 컴파일러(Compiler) 언어에 대한 설명으로 틀린 것은?
88번
다음 중 프로그램의 종류에 대한 설명으로 틀린 것은?
89번
다음 중 중앙처리장치에서 사용하고 있는 버스(BUS)의 형태에 속하지 않는 것은?
90번
다음 지문은 인터럽트 처리과정을 나타낸 것이다 처리과정의 순서를 올바르게 나열한 것은?

91번
전파법에서 정의하는 “방송을 양호하게 수신할수 있는 구역으로서 전계강도가 미래창조과학부장관이 정하여 고시하는 기준 이상인 구역”을 무엇이라 하는가?
92번
다음 중 전파법에서 정의하는 “지상파 방송업무”란?
93번
다음 중 중계유선방송사업을 할 수 있는 자는?
94번
유선방송국 설비 중 입력신호 에너지를 2이상으로 균등 분배하는 장치는?
95번
종합유선방송국의 방송 채널 별 주파수 대역은?
96번
종합유선방송국의 진폭변조기의 출력 특성임피던스는 몇 [Ω]인가?
97번
종합유선 방송국이 사용하는 주 전송장치의 전송방식을 지정하거나 변경하도록 할 수 있는 경우가 아닌 것은?
98번
다음 중 장치함의 설치 위치가 아닌 곳은?
99번
종합유선방송 구내전송선로설비에서 동축케이블의 임피던스는 얼마인가?
100번
종합유선방송 사업자 별 시설에서 방송사업자(SO)의 설비가 아닌 것은?
연도별
- 2023년03월21일
- 2022년10월08일
- 2022년03월12일
- 2021년10월02일
- 2021년03월13일
- 2020년09월26일
- 2020년03월07일
- 2019년10월12일
- 2019년03월09일
- 2018년10월06일
- 2018년03월10일
- 2017년09월23일
- 2017년03월05일
- 2016년10월01일
- 2016년03월05일
- 2015년10월04일
- 2015년03월08일
- 2014년10월04일
- 2014년03월09일
- 2013년10월12일
- 2013년03월17일
- 2012년10월06일
- 2012년03월11일
- 2011년10월09일
- 2011년03월13일
- 2010년10월10일
- 2010년03월14일
- 2010년02월21일
- 2009년03월01일
- 2008년07월27일
- 2008년03월02일
- 2007년08월05일
- 2007년03월04일
- 2006년08월06일
- 2006년03월05일
- 2005년08월07일
- 2005년03월06일
- 2004년08월08일
- 2004년03월07일
- 2003년08월10일
- 2003년03월16일