방송통신기사 (2017년09월23일 기출문제)
1과목 : 방송통신일반
1번
정류회로 중 평활회로에서 커패시터 입력형에 비해 인덕터 입력형의 특성으로 옳은 것은?
2번
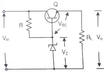
다음은 트랜지스터 지결전압안정회로를 나타내었다. 부하전압을 5[V]로 유지하기 위한 제너다이오드의 항복전압은 얼마인가? (단, 트랜지스터의 베이스-이미터 전압 VBE=0.7[V]이고, 입력전압 Vin=10[V]~20[V]까지 변한다고 가정한다.)

3번
공통 베이스(Common Base) 증폭기 회로에서 컬렉터 전류가 4.9[mA]이고, 이미터 전류가 5[mA]이었을 때 직류전류 증폭률은?
4번
다음 중 드레인 접지형 FET 증폭기에 대한 특성으로 틀린 것은? (단, FET의 피라미터 Am은 상호 전도도이다.)
5번
B급 푸시풀 증폭기의 최대 직류공급전력은? (단, Im은 최대 콜렉터 전류, Vcc는 공급 전압이다.)
6번
다음 B급 SEPP(Single-Ended Push-Pull) 증폭기에서 트랜지스터 1개당 최대 전력 손실은 약 몇 [W]인가?

7번
정궤한(Positive Feedback)을 사용하는 발진회로에서 발진을 위한 궤환루프(Feedback Loop)의 조건은?
8번
다음 그림과 같은 발진회로에서 높은 주파수의 동작에 적절한 발진회로 구현을 위한 리액턴스 조건은 무엇인가?

9번
다음 중 변조과정에 대한 설명으로 옳은 것은?
10번
다음 중 반송파를 제거하는 변조방식은?
11번
BPSK(Binary Phase Shift Keying) 변조방식의 에러 확률은 QPSK(Quadrature Phase Shift Keying) 변조방식의 에러 확률의 몇배인가?
12번
다음 중 불연속 펄스 변조방식의 종류가 아닌 것은?
13번
다음 그림과 같은 주기적인 펄스파형의 듀비티(Duty Ratio)는 얼마인가? (단, to = 30[μs], Y = 150[μs])

14번
다음 그림과 같은 회로의 명칭은?

15번
다음 중 2-out of-5 Code에 해당하지 않는 것은?
16번
8진수 (67)8을 16진수로 바르게 표기한 것은?
17번
불 대수식
를 간단히 하면?
를 간단히 하면?
18번
카운터(Counter)를 이용하여 컨베이어 벨트를 통과하는 생산품의 개수를 파악하려고 한다. 최대 500개의 생산품 개수를 계산하기 위한 카운터를 플립플롭을 이용하여 제작할 경우 최소한 몇 개의 플립플롭이 필요한가?
19번
다음 소자 중에서 n개의 입력을 받아서 제어 신호에 의해 그 중 1개만을 선택하여 출력하는 것은?
20번
다음 그림과 같은 회로의 명칭은?

2과목 : 방송통신기기
21번
디지털 HDTV 스튜디오 규격의 영상신호의 표본화 주파수로 가장 적절한 것은?
22번
광섬유 케이블은 물질 사이에서 일어나는 빛의 어떤 성질을 이용한 것인가?
23번
VTR 편집과정에서 테이프의 속도로 인해 발생하는 오차를 방지하기 위한 장비는?
24번
우리나라 지상파 디지털멀티미디어방송(T-DMB)의 송신 블럭의 주파수 대역은?
25번
다음 중 지상파 방송과 비교한 위성방송의 특징이 아닌 것은?
26번
다음 중 디지털 음악 방송(Digital Sound Broadcasting)의 특징이 아닌 것은?
27번
디지털방송의 편집 환경에서 사용되는 스토리지가 아닌 것은?
28번
다음 중 동화상 및 정지화상에 사용되는 영상 압축 방식이 아닌 것은?
29번
비디오 스위처(Video Switcher)의 기능 중 현재의 영상과 다음에 출력하고자 하는 영상을 혼합(Mix)하여 부드럽게 전환하는 것을 무엇이라 하는가?
30번
야기안테나에서 안테나의 맨 뒷부분에 위치하며, 안테나 후방의 불필요한 전파유입을 막아 이중상을 경감하는 역할을 하는 것은/.
31번
접시안테나를 통해 모인 10[GHz]대의 초고주파신호를 1[GHz]대의 중간주파수 신호로 변환하는 장치는?
32번
다음 중 CATV 전송매체에 대한 설명으로 옳지 않은 것은?
33번
아날로그 케이블 방송 채널 4번의 경우 채널의 폭이 66[MHz]~72[MHz]라 할 때, 영상반송파와 음성 반송파의 주파수를 바르게 나타낸 것은?
34번
CATV 전송로에 증폭 기능이 없는 4분배기를 연결하였을 때, 입력에 비해 출력 손실값은 몇 [dB] 감소하는가? (단, 단자 손실값은 제외한다.)
35번
다음 중 인터넷방송을 구축하기 위한 장비별로 구성이 잘못된 것은?
36번
다음 중 지상파 DMB에 관련된 설명에 해당되는 것은?
37번
방송신호 측정 시 송신기 입력 전압이 0.5[V]일 때 출력 전압이 50[V]였다면 송신기의 전압이득은 몇 [dB]인가?
38번
방송기기 중에 정해진 시각에 정해진 프로그램을 정해진 지역으로 송출하는 기능을 갖고 있는 장비는?
39번
다음 중 MPEG 신호분석기에서 확인할 수 없는 항목은?
40번
다음 중 AM 송신기의 비직선 왜곡을 감소시키는 방법이 아닌 것은?
3과목 : 방송미디어공학
41번
다음 중 송신소의 송신장치에서 송신용 안테나까지 RF신호를 전송해주는 급전선을 선택하기 위한 주요 파라미터로 가장 거리가 먼 것은?
42번
중파방송의 주파수 범위는 526.5[kHz]~1,606.5[kHz]이다. 이 중파 방송에서 채널당 주파수대역이 9[kHz]인 경우 최대 사용 채널 수는?
43번
다음 중 디지털방송에 대한 설명으로 가장 거리가 먼 것은?
44번
음성신호 표본화주파수가 48[kHz], 2ch 방식, 16비트 양자화인 경우 전송률은 몇 [Mbps]인가?
45번
녹음을 위한 마이크의 설치방식 중 원 포인트 잡음방식의 장점으로 보기 어려운 것은?
46번
다음 중 음압 레벨(SPL) 측정에 적용디는 기준 음압으로 가장 적절한 것은?
47번
다음 중 컬러 비스트(Color burst) 신호의 역할은?
48번
다음 중 Nyquist Filter에 대한 설명으로 틀린 것은?
49번
다음 중 직사광에 해당하는 빛을 내며 빛의 방향성, 명암이나 그림자에 의한 입체감 등을 표현하기 위한 조명기구로 가장 적절한 것은?
50번
다음 중 적절한 노출을 결정하기 위해 흑백에서의 연속적인 밝기 톤을 10단계의 표본으로 만들어 놓은 것을 지칭하는 용어는?
51번
방송의 디지털화로 인한 현상과 가장 거리가 먼 것은 무엇인가?
52번
다음 방송 미디어 전송 매체가 무선이 아닌 것은?
53번
지상파, 위성, 케이블 등 기존 방송망을 이용하여 방송 프로그램 관련정보, 생활정보, 인터넷접속, 전자상거래 등을 제공하는 새로운 형태의 방송서비스는?
54번
다음 중 방송 콘텐츠 편집에 활용 가능한 도구로 적절치 않은 것은?
55번
다음 중 효율적인 압축방법 선택 시 고려사항이 아닌 것은?
56번
우리나라 지상파 HDTV 화면의 종횡비(Aspect Ratio)는?
57번
다음 중 HDTV 중계방송 차량에 설치되는 보편적인 시스템으로 틀린 것은?
58번
양자화기의 비트수가 증가할 때마다 부호화에 따르는 양자화 오차인 SQNR (Sifnal-to-Quantization Noise Ratio)의 감소량은 얼마인가?
59번
다음 중 양자화를 가장 잘 표현한 것은?
60번
다음 중 가변길이 부호화(Variable Length Coding)는?
4과목 : 방송통신시스템
61번
주파수 영역에서 신호의 스펙트럼이 겹쳐서 원 신호의 정상 복원이 불가능해지는 것을 무엇이라고 하는가?
62번
다음 중 디지털 변조방식으로 옳지 않은 것은?
63번
다음 문장과 같은 조건의 반송파 주파수는?

64번
다음 중 방송국의 안테나공급전력이 2[kW]에서 50[kW]로 증가되고, 거리가 일정할 경우에 전계 강도는 몇 배가 되는가?
65번
다음 문장에서 설명하고 있는 것으로 옳은 것은?

66번
다음 중 AM 표준방송에 대한 설명으로 틀린 것은?
67번
다음 중 점유대역폭에 따라 규정하고 있는 FM송신기의 최대 주파수 편이는?
68번
다음 중 수퍼헤테로다인(SuperHeterodyne) 수신기의 장점으로 옳지 않은 것은?
69번
다음 중 TV 주조정실에서 사용되는 방송장비에 해당하는 것은?
70번
다음 중 지상파 디지털방송(DTV) 시스템의 중계 구성요소로서 변조기의 변조된 IF 신호를 중계기의 채널 주파수로 변환하여 파워앰프의 입력부까지 원하는 신호를 전송해주는 부분을 무엇이라 하는가?
71번
다음 중 지상파 DTV 방송 방식으로 옳지 않은 것은?
72번
서로 다른 파장의 광신호를 하나의 광섬유로 동시에 전송하는 방식을 무엇이라 하는가?
73번
다음 중 CATV 시스템에서 Head End의 주요 기능으로 옳지 않은 것은?
74번
다음 중 CATV 시스템의 전송로와 가장 거리가 먼 것은?
75번
다음 중 위성방송에서 전파손실의 가장 큰 원인으로 적합한 것은?
76번
다음 중 디지털 위성방송 송신시스템의 구성요소가 아닌 것은?
77번
지상파 DMA에서 사용하는 QPSK 변조방식은 하나의 부호에 몇 개의 비트가 형단되는가?
78번
중파 송신설비의 송신기를 조정하거나 시험하며 장시 보수를 위해 필요한 측정기가 아닌 것은?
79번
낙뢰나 전력설비의 누설에 의한 옥외의 선로 계통에 생긴 이상전압의 진입을 막고 옥내의 전력 계통으로부터 누설된 전력이 CATV 시설로 유출되는 것을 방지하기 위해 보안기를 설치한다. 보안기 설치 위치가 맞는 것은?
80번
다음 설명에 해당되는 장비는?

5과목 : 컴퓨터일반 및 방송설비기준
81번
CPU가 명령문을 수행하는 순서는?

82번
주소영역(Address Space)이 1[GB]인 컴퓨터가 있다. 이 컴퓨터의 MAR(Memory Address Register)의 크기는 얼마인가?
83번
8비트에 저장된 값 10010111을 16비트로 확장한 결과 값은? (단, 가장 왼쪽의 비트는 부호(Sign)를 나타낸다.)
84번
다음 중 오류검출과 오류교정까지도 가능한 코드는?
85번
다음 중 사용자가 단말기에서 여러 프로그램을 동시에 실행시키는 기법은?
86번
다음 문장에서 설명하는 운영체제의 유형은?

87번
다음 지문에서 설명하고 있는 소프트웨어의 종류는?

88번
다음 지문의 괄호 안에 들어갈 용어를 올바르게 나열한 것은?

89번
다음 지문이 설명하고 있는 것은?

90번
다음 중 마이크로프로그램에 의한 마이크로 오퍼레이션의 동작으로 틀린 것은?
91번
방송을 양호하게 수신할 구 있는 구역으로 전계강도가 과학기술정보 통신부장관이 정하여 고시하는 기준 이상인 구역은?
92번
다음 중 방송법에 의한 지상파방송사업이란?
93번
다음 중 정보통신공사업법에서 규정하는 공사의 종류 가운데 방송국 설비공사가 아닌 것은?
94번
다음 중 과학기술정보통신부장관이 무선국의 개설 허가 심사 시 고려할 사항이 아닌 것은?
95번
다음 중 종합유선방송국설비와 전송선로설비의 분계점에 대한 설명으로 잘못된 것은?
96번
종합유선 방송사업자가 확보하여야 할 종사자의 자격과 정원 중 3만 가입자 미만일 때의 자격과 정원은?
97번
유선방송국용 전원설비는 최대로 사용되는 때의 전력을 안정적으로 공급할 수 있는 용량을 가진 것으로서 전압ㆍ전류의 변동 허용범우는 몇 [%] 이내로 유지할 수 있는 것이어야 하는가?
98번
종합유선방송사업자별 시설 중 망사업자(NO) 시설이 아닌 것은?
99번
다음 중 1년 이하의 징역 또는 3천만원 이하의 벌금에 해당하는 사항은?
100번
다음 중 주파수 분배에 있어서 과학기술정보통신부장관이 고려항 사항이 아닌 것은?
연도별
- 2023년03월21일
- 2022년10월08일
- 2022년03월12일
- 2021년10월02일
- 2021년03월13일
- 2020년09월26일
- 2020년03월07일
- 2019년10월12일
- 2019년03월09일
- 2018년10월06일
- 2018년03월10일
- 2017년09월23일
- 2017년03월05일
- 2016년10월01일
- 2016년03월05일
- 2015년10월04일
- 2015년03월08일
- 2014년10월04일
- 2014년03월09일
- 2013년10월12일
- 2013년03월17일
- 2012년10월06일
- 2012년03월11일
- 2011년10월09일
- 2011년03월13일
- 2010년10월10일
- 2010년03월14일
- 2010년02월21일
- 2009년03월01일
- 2008년07월27일
- 2008년03월02일
- 2007년08월05일
- 2007년03월04일
- 2006년08월06일
- 2006년03월05일
- 2005년08월07일
- 2005년03월06일
- 2004년08월08일
- 2004년03월07일
- 2003년08월10일
- 2003년03월16일