방송통신기사 (2008년03월02일 기출문제)
1과목 : 방송통신일반
1번
전압이득이 60[dB]인 저주파 전압증폭기가 10[%]의 왜율을 가지고 있을 때 이것을 0.1[%] 정도로 개선하는 방법은?
2번
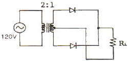
다음 중 그림과 같은 정류회로에서 부하저항 RL의 소비전력[W]은 약 얼마인가?(단, 입력전압 120V, 부하저항 240Ω, 다이오드는 이상적이고, 권선비는 1차측 : 2차측 = 2:1 이다.)

3번
다음 논리회로의 출력(X)이 옳은 것은?

4번
RC 결합 CE 증폭기의 저주파 응답에서 결합콘덴서의 역할에 대한 설명으로 가장 적합한 것은?
5번
증폭기의 입력 임피던스를 증가시키고 출력 임피던스를 감소시키기 위해서는 어떤 방법의 부궤환이 적합한가?
6번
다음 중 트랜지스터 접지방식에서 전류이득과 전압이득이 모두 큰 것은?
7번
다이오드 직선검파회로에서 변조도 50[%], 진폭 [V]인 AM 피변조파가 인가되었을 때 부하저항 RL에 나타나는 출력전압의 실효치는 몇 [V]인가? (단, 검파효율은 80[%]라고 한다.)
8번
다음 그림의 연산증폭기 회로에서 출력 VO가 옳은 것은?

9번
다음 이상 발진기의 발진주파수는 약 몇 [kHz]인가? (단, R=4[kΩ], C=0.01[μF])

10번
다음 중 그림의 회로에서 입력전압 Vi와 출력전압 Vo의 전달 특성은?

11번
전압 증폭회로에서 대역폭을 4배로하려면 증폭이득을 약몇 [dB] 감소시켜야 하는가?
12번
그림과 같은 비안정 멀티바이브레이터의 설명으로 틀린것은?

13번
다음 3변수 카르노도가 나타내는 함수로 옳은 것은?

14번
그림 (a)의 회로에 그림 (b)와 같은 전압이 인가될 때 정상 상태에서의 VO는?

15번
그림과 같이 T형 플립플롭을 접속하고 첫 번째 플립플롭에 1000[Hz]의 구형파를 입력하면 최종 플립플롭에서 출력단의 주파수[Hz]는?

16번
I=Ic(1+msin Wat)sin Wct인 피변조파의 전류가 임피던스 값이 R인 회로에 흐를 때 상측대파의 평균전력은? (단, m은 변조도이다.)
17번
MS 플립플롭의 진리표에서 JN=1, KN=0 에서 클럭펄스를 인가할 때, 출력 QN+1의 값은?
18번
그림과 같이 해독기에 BCD 입력이 가해지고 있다. 해독기는 BCD 입력이 1001(ABCD)인 때만 출력이 1을 나타낸다고 할 경우 다음 중 출력 Y를 불 대수식으로 표현하면?

19번
NOR 게이트로 구성된 RS 플립플롭에서 이전의 상태를 유지하기 위해서는 RS가 어떤 경우일 때인가?
20번
다음 중 신호의 지연시간이 가장 짧은 것은?
2과목 : 방송통신기기
21번
CATV에서 지상파 TV를 수신하여 재전송할 경우 수신된 TV 신호를 중간주파수로 변환해서 신호의 레벨조정과 증폭 기능을 수행하는 것은?
22번
다음 중 복사된 전파가 주로 지표면을 따라 진행하는 전파는?
23번
위성방송의 유료 시청방식에서 비가입자가 시청할 수 없게 하기 위한 것은?
24번
다음 중 위성중계기의 구성요소가 아닌 것은?
25번
다음 중 UHF와 VHF를 비교할 때 옳지 않은 것은?
26번
다음 중 텔레비전 공동시청 안테나시설 등에서 입력시 호 에너지를 간선에서 지선으로 나누는 역할을 하는 것은?
27번
여러 개의 입력 마이크나 녹음기, 턴테이블, 라인입력, 음악효과 등을 혼합 처리해서 VTR이나 TAPE Recorder에 녹음하거나 앰프를 통해 스피커로 보내는 것은?
28번
위성을 이용하여 뉴스 현장에서 직접 뉴스 소재를 취재해서 송ㆍ수신이 가능한 것은?
29번
다음 중 TV의 음성회로에 디엠퍼시스 회로를 넣어 사용하는 목적은?
30번
다음 중 컴퓨터상에서 다수의 인원이 동시에 영상을 편집하는 데 가장 적합한 디지털 편집시스템은?
31번
스위프 신호발생기(sweep signal source)에 대한 설명으로 가장 적합한 것은?
32번
다음 중 주파수변조에 비하여 진폭변조의 특징에 대한 설명으로 틀린 것은?
33번
다음 중 관 CATV 전송방식의 일반적인 특징이 아닌것은?
34번
다음 중 컬러비(Color Bar)에 대해 정밀하고 반복된 신호를 만들어서 시험과 조정 절차를 위해 사용되는 것은?
35번
다음 중 스펙트럼 분석기로 측정할 수 없는 것은?
36번
영상신호에 있어서 컬러신호의 품질을 측정하는 요소가 아닌 것은?
37번
다른 국의 VTR에 의한 녹화 재생이나 다원중계 등 비동기의 영상신호를 필드 또는 프레임 메모리에 기록하여 이것을 자국의 동기신호에 맞추어 읽어내는 장치는?
38번
다음 중 지상으로부터의 전파를 수신하여 주파수를 변환한 다음 증폭해서 다시 지상으로 발사하는 기능을 수행하는 위성은?
39번
다음 중 방송용 서버에서 콘텐츠의 검색 및 조회에 이용되는 기술로 가장 적합한 것은?
40번
케이블 방송에서 수시한 지상파 방송을 재전송하기 위하여 여러 개의 신호를 하나로 묶는데 사용도는 것은?
3과목 : 방송미디어공학
41번
뉴스, 일기예보, 주식시세 등 여러 가지 정보를 글자나 그림으로 만든 후, 이를 부호화하여 TV(NISC 방식)전파의 빈틈에 Digital Data의 형태로 삽입하여 송출하는 것은?
42번
다음 중 고품위 텔레비전(HDTV)에 관한 설명으로 틀린 것은?
43번
다음 중 방송계 뉴미디어에 속하지 않는 것은?
44번
다음 전송 매체 중 동시에 가장 많은 정보량을 보낼 수 있는 것은?
45번
국내 디지털 TV에서 채택하고 있는 영상압축 신호처리 방식은?
46번
다음 중 마이크 지향특성의 지향각이 가장 큰 것은?
47번
다음 중 조명의 주 목적이 아닌 것은?
48번
다음 중 멀티미디어(multimedia)의 응용으로 관계가 먼 것은?
49번
다음 중 뉴미디어 관련 기술과 가장 거리가 먼 것은?
50번
다음 중 아날로그 컬러 TV의 방송 방식이 아닌 것은?
51번
MPEG-1 영상부호화 기법과 MPEG-2 영상부호화 기법 모두에서 지원하는 색도형식(Chromatic format)은?
52번
다음 중 색차신호인 I 신호와 Q 신호의 위상차는?
53번
영상신호는 휘도신호의 에너지 스펙트럼 사이에 색신호(Q)의 에너지를 끼워넣어 전송한다. 다음 중 Q 신호의 대역폭은?
54번
다음 중 일반적인 프로그램의 편성과 거리가 가장 먼 것은?
55번
다음 중 ( ) 안에 순서대로 가장 알맞은 용어는?

56번
다음 중 동영상 관련 압축 알고리즘이 아닌 것은?
57번
다음 중 멀티미디어/하이퍼미디어 정보의 표현, 정보교환 등에 이용되는 통화상의 국제표준은?
58번
다음 중 주사에 따라 생기는 전기적인 변화로서 정지 또는 이동하는 사물의 순간적 영상을 전송하기 위한 신호는?
59번
2개의 음이 동시에 존재할 때, 한쪽 음이 다른 한쪽의 음에 의해 은폐되어 들리지 않는 현상은?
60번
다음 중 대기의 온도가 15℃인 경우 음이 공기 중에 전달되는 속도[m/sec]는 약 얼마인가?
4과목 : 방송통신시스템
61번
다음 중 CATV의 사업주체가 아닌 것은?
62번
VSB 변조방식에 대한 설명으로 틀린 것은?
63번
다음 중 디지털 통신시스템을 설계하는 경우 달성하고자 하는 목표가 아닌 것은?
64번
다음 주파수대 중 방송에 사용되지 않는 것은?
65번
TV 주사선 중 수직귀선시간의 비어 있는 라인에 시험신호를 실어 프로그램 송출 중에도 전송로 등의 특성을 모니터하기 위한 신호는?
66번
색차신호의 크기가 I=3, Q=4 일 때 합성신호인 C 신호의 크기는?
67번
다음 중 국내 디지털 TV의 변조방식은?
68번
다음 중 강우데 가장 취약한 Microwave 주파수 대역은?
69번
CATV 바송사업자의 사업구역 내에서 1차적 분배망 또는 기간분배망이라 할 수 있는 것은?
70번
다음 중 인접채널의 신호 방해 현상을 파악하기 위해 측정하는 것은?
71번
국내 무궁화위성 3호 방송용 중계기의 대역폭은?
72번
다음 중 디지털 라디오 방송시스템과 거리가 먼 것은?
73번
지상파 DMB 방송기술 중 기존의 VHF TV 방송채널을 그대로 사용할 수 있는 방식은?
74번
다음 중 위성방속의 하향 링크 설계에 고려하지 않아도 되는 것은?
75번
VHF/UHF 대역 방송신호의 수신 전계강도를 결성하는 요소가 아닌 것은?
76번
위성방송 수신에 있어 음영지역을 대비하여 위성방송을 하나의 안테나에서 수신하여 케이블로 전송하는 방식을 무엇이라 하는가?
77번
다음 중 종합유선방송의 헤드엔드 시스템에서 사용하는 장치가 아닌 것은?
78번
데이터 전송방식 중 양쪽 방향으로 신호의 전송이 가능하나 동시에 송신과 수신이 불가능한 것은?
79번
다음 중 무궁화위성에서 TV 방송시스템의 변조방식은?
80번
다음 중 CATV 시스템의 전송로와 가장 거리가 먼 것은?
5과목 : 컴퓨터일반 및 방송설비기준
81번
데이터의 고속처리를 목적으로 주기억장치와 입ㆍ출력장치 사이에 잇는 입ㆍ출력 전용장치는?
82번
4개의 비트(bit)에서 MSB로부터 차례로 8,4,2,1의 가중치(weight)를 갖는 코드는?
83번
다음과 같은 진리표를 갖는 회로는?

84번
병렬 프로세서의 한 종류로 벡터 프로세서에서 많이 사용되는 방식으로 비디오 게임 콘솔이나 그래픽 카드와 같은 분야에 자주 적용되며 MMX에도 사용된 구조는?
85번
연산의 속도를 빠르게 하기 위하여 부동 소수점 연산을 전문적으로 수행하는 장치는?
86번
기계어를 기호(symbolic code)로 1대 1 대응시켜 만든 언어는?
87번
마이크로 오퍼레이션 중 가장 긴 것의 시간을 해당 마이크로 사이클 타임으로 정의하는 방식을 무엇이라 하는가?
88번
10진수 9를 2진수로 표현할 때, 기수 패리티 코드화한 값으로 옳은 것은?
89번
입ㆍ출력 과정에서 CPU의 역할이 가장 큰 방식은?
90번
그레이 코드 10110110을 2진수로 바꾼 것으로 맞는 것은?
91번
방송국의 송신공중선으로부터 발사되는 강한 전파로 인하여 다른 전파와의 간섭이 일어나는 지역을 무엇이라고 하는가?
92번
다음 중 무선국 업무의 분류 중 공중이 직접 수신하도록 할 목적으로 송신하는 무선통신업무는?
93번
유선방송국 설비는 매월 방송신호를 측정 시험하여 그 결과를 기록 및 관리해야 하는 사항이 아닌 것은?
94번
무선설비의 기술기준에서 수신설비의 충족조건이 아닌것은?
95번
감리원의 업무범위에 해당하지 않는 것은?
96번
다음 중 방송법에 의한 방송사업의 종류가 아닌 것은?
97번
다음 중 무선국 허가의 유효 기간에 맞지 않는 것은?
98번
다음 중 경미한 공사로서 정보통신공사업자 이외의 자가시공 할 수 있는 것은?
99번
다음 중 전송ㆍ선로설비를 이용하여 행하는 다채널 방송은?
100번
다음 중 전파진흥기본계획에 포함되어야 할 사항이 아닌 것은?
연도별
- 2023년03월21일
- 2022년10월08일
- 2022년03월12일
- 2021년10월02일
- 2021년03월13일
- 2020년09월26일
- 2020년03월07일
- 2019년10월12일
- 2019년03월09일
- 2018년10월06일
- 2018년03월10일
- 2017년09월23일
- 2017년03월05일
- 2016년10월01일
- 2016년03월05일
- 2015년10월04일
- 2015년03월08일
- 2014년10월04일
- 2014년03월09일
- 2013년10월12일
- 2013년03월17일
- 2012년10월06일
- 2012년03월11일
- 2011년10월09일
- 2011년03월13일
- 2010년10월10일
- 2010년03월14일
- 2010년02월21일
- 2009년03월01일
- 2008년07월27일
- 2008년03월02일
- 2007년08월05일
- 2007년03월04일
- 2006년08월06일
- 2006년03월05일
- 2005년08월07일
- 2005년03월06일
- 2004년08월08일
- 2004년03월07일
- 2003년08월10일
- 2003년03월16일