방송통신기사 (2011년10월09일 기출문제)
1과목 : 방송통신일반
1번
교류입력에 대해 브리지 정류기의 다이오드 동작 조건에 대한 설명으로 적절한 것은?
2번
다음 회로에서 맥동률을 개선하고자 한다. 가장 관련 있는 것은?

3번
정류회로의 부하에 병렬로 연결한 용량성 평활회로에서 부하저항의 감소에 따른 리플 전압의 변화로 적절한 것은?
4번
다음 등가회로와 관련된 트랜지스터 증폭기 회로의 특징으로 틀린 것은?

5번
이상적인 차동증폭기의 동상제거비(CMRR)는?
6번
다음은 BJT 증폭기 회로를 나타내었다. 커패시터 CE를 사용한 목적으로 적절한 것은?

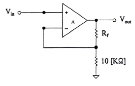
7번
다음은 궤환율이 0.04인 부궤환 증폭기 회로이다. 저항 Rf는?

8번
그림과 같은 회로에 대한 설명 중 옳은 것은?

9번
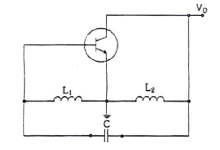
다음 그림은 콜피츠 발진회로를 변형한 클랩 발진회로이다. 안정한 주파수를 얻기 위해 C1,C2를 C3에 비해 매우 크게 하였을 때, 이 발진회로의 발진주파수는? (단, C3=0.001[μF], L=1[mH])

10번
변조도 80[%]로 진폭변조한 피변조파에서 반송파의 전력 Pc와 상측파대 또는 하측파대의 전력 Ps와의 비율은?
11번
DPSK 복조에 주로 이용되는 방식은?
12번
다음 회로 중 결합상태가 직류로 구성된 멀티바이브레이터 회로는?
13번
그림과 같은 클램핑 회로의 출력 파형은?

14번
다음 중 플립플롭과 관계가 없는 것은?
15번
불 대수식
를 간단히 하면?
를 간단히 하면?
16번
그림과 같은 다이오드 게이트의 출력값은?

17번
다음 논리도는 무슨 회로인가?

18번
다음 중 보수 발생기가 필요한 회로는?
19번
8[MHz] 구형파를 카운터의 입력으로 인가할 때, 250[kHz]를 얻기 위해 필요한 카운터의 비트수 얼마인가?
20번
다음 회로는 무엇을 가리키는가?

2과목 : 방송통신기기
21번
다음 중 방송국의 부조정실 기기 구성품이 아닌 것은?
22번
다음 중 비디오 조명의 조건으로 틀린 것은?
23번
HDTV, DMB 등 디지털방송에도 사용하는 영상압축방식이 아닌 것은?
24번
다음 중 송신 신호파의 고역을 강조해서 높은 주파수에 대한 S/N비를 개선시키는 회로는?
25번
다음 중 아날로그 신호에서 디지털 신호를 변환 시 주요 과정이 아닌 것은?
26번
주사선수가 1,125개, 필드 주파수를 60[Hz]라 할 때, 수평 주파수[Hz]는?
27번
다음 중 변조된 신호의 한쪽 측파대의 대부분과 다른 쪽 측파대의 일부를 전송하는 TV 신호전송 방식은?
28번
다음 안테나 중 쌍곡면 반사면을 이용하여 두 번 반사시켜 신호를 초점에 모아주는 방식의 안테나는?
29번
위성방송에서 정지궤도의 설명 중 틀린 것은?
30번
인터넷 방송을 위하여 필요한 핵심 기술로 가장 거리가 먼 것은?
31번
IPTV의 디지털 영상 압축 기술로 사용되는 것은?
32번
다음 중 국내 케이블 TV 시스템의 주된 설치 방식은?
33번
한국형 DMB 방송은 6[MHz]밴드에서 3개의 블록으로 나누어진다. 1블럭의 대역폭은?
34번
위성 DMB 방송 시스템에서 지상 중계기가 송출하는 주파수대는?
35번
SCS(Sub Carrier System) 음성다중방식 중에서 우리나라에서 사용하는 아날로그 방식은?
36번
다음 중 주파수 응답, 과도현상, 포락선 지연 및 위상 등의 판독에 가장 많이 사용되는 테스트 신호는?
37번
다음 중 벡터스코프에서 확인할 수 없는 것은?
38번
음향 측정을 위한 무향실과 잔향실의 특성이 잘못 설명된 것은?
39번
다음 중 스펙트럼분석기의 용도가 아닌 것은?
40번
광섬유 케이블은 물질 사이에서 일어나는 빛의 어떤 성질을 이용한 것인가?
3과목 : 방송미디어공학
41번
다음 중 디지털 변조방식과 가장 거리가 먼 것은?
42번
지상파 디지털 TV 방송에서 19.4[Mbps]에 해당하는 전송스트림(Transport Stream) 신호를 이루는 구성요소가 아닌 것은?
43번
NTSC TV 신호의 신호대역폭인 6[MHz] 내에 있는 신호 중 가장 높은 주파수에 위치하는 신호는 무엇인가?
44번
라디오방송 편성에서 단일포맷 편성의 장점과 관련 없는 것은?
45번
여러 음원이 존재할 때 인간은 자신이 듣고 싶은 음을 선별해서 들을 수 있는 능력을 갖는다. 이 음향효과를 무엇이라고 부르는가?
46번
원통자석 둘레에 가동 코일을 놓고 이 코일을 진동판으로 진동시켜 코일에 발생하는 전류를 이용한 마이크는 다음 중 어는 것인가?
47번
다음 중 텔레비전 비디오 스위칭 기법의 종류에 속하지 않는 것은?
48번
HDTV 방식의 규격을 기술한 것 중 잘못된 것은?
49번
다음의 카메라 shot 중 전경(全景)을 찍기 위한 shot으로 가장 적절한 것은?
50번
다음 CIE 색상 도표에서 A, B, C 점에 해당하는 색상들이 순서대로 올바르게 나열된 것은?

51번
다음 무대 조명에 의한 전환 기법 중 순간적으로 무대 조명에 불을 켜는 기교를 의미하며 매우 강한 인상을 주는 기법으로 가장 적절한 것은?
52번
1분 동안 16비트, 44.1[kHz]로 스테레오 사운드를 저장한다면 약 얼마의 공간이 필요한가?
53번
디지털방송 시스템 정보를 포함하여 가상채널 정보, 자막, 데이터방송과 같은 기타 부가서비스 정보 그리고 EPG 정보 등 DTV 서비스에 필요한 정보를 관리하는 것을 무엇이라고 하는가?
54번
레스터 방식이라고도 하며, 여러 개의 점들로 이미지를 구성하는 것을 무엇이라고 하는가?
55번
LZW 압축방식을 사용하고 256색상까지 지원하며, 인터레이싱 이미지 기능을 사용할 수 있는 이미지 저장방식은 무엇인가?
56번
다음 영상미디어 압축방식 중 인접화소 사이의 상관성이 높은 특징을 이용하는 공간적 중복성 압축방식으로 대표적인 방법은 무엇인가?
57번
다음 문장의 빈칸에 들어갈 알맞은 것은?

58번
MPEG-2의 프레임 구조 중 순방향 프레임간 예측화면은 무엇인가?
59번
다음 중 지상파 디지털 텔레비전 방송(ATSC, DVB-T 등) 방식에서 가장 널리 사용하는 비디오압축(Encoding) 방식은?
60번
단위 면적당 압력으로 측정된 음압이 기준음압의 2배일 때 음압레벨은 얼마인가?
4과목 : 방송통신시스템
61번
표본화 주파수가 Nyquist 주파수보다 낮을 경우에 왜곡이 발생하게 된다. Aliasing을 제거하는 방법으로 올바른 것은?
62번
다음 중 가입자 100명에 대한 연결을 매쉬형 회선망으로 구성시 필요한 최소 회선수는?
63번
다음 중 PCM(Pulse Code Modulation)의 장점이 아닌 것은?
64번
중파 송신기에 사용되는 고주파 출력회로 중 탱크회로에 대한 설명으로 틀린 것은?
65번
다음 중 라디오 방송을 송출하기 위한 구성요소로 옳지 않은 것은?
66번
다음 중 AM 방송국 송신기의 주파수 허용편차로 옳은 것은?
67번
컬러 TV 방송의 국제 표준이 아닌 것은?
68번
다음 중 디지털 전송시스템의 등화기(Equalizer) 기능을 설명한 것으로 옳은 것은?
69번
색을 전송하는데 필요한 3가지 정보가 아닌 것은?
70번
다음 중 CATV 방송국에서 가입자까지의 전송로를 옳게 구성한 것은?
71번
다음 중 CATV 센터계 설비인 헤드엔드의 기능에 해당하지 않는 것은?
72번
CATV 광단국 장치 중 AM 광전송 장치를 설치하면 개별 특성시험과 종합시험을 해야 한다. 다음 중 개별특성 시험이 아닌 것은?
73번
다음은 지상국 안테나를 위해 안테나 서브시스템에 요구되는 사양을 열거한 것이다. 틀린 것은?
74번
다음 방송방식 중 방송신호를 전송하는데 가장 넓은 신호대역폭을 필요로하는 방식은 무엇인가?
75번
다음 설명으로 맞는 것은? (문제 복원 오류로 그림이 없습니다. 정답은 2번 입니다. 정확한 그림 내용을 아시는분 께서는 오류신고 또는 게시판에 작성 부탁드립니다.)
76번
지상파 DMB 방송의 오디오신호 부호화 중 맞는 것은?

77번
위성 디지털 미디어방송에 있어 변조 및 송신조건과 관련한 기술기준으로 적합하지 않은 것은?
78번
다음 중 종합 유선 방송국의 예비전원 설비는 전원 공급이 중단된 경우, 최대 부하를 기준으로 몇 시간 이상 공급할 수 있어야 하는가?
79번
다음 중 지상파 방송 송신용 급전선의 선택시 고려할 주요사항으로 옳지 않은 것은?
80번
공동시청 안테나 시설의 설비구성 중 단독주택의 설비에 해당되지 않는 것은?
5과목 : 컴퓨터일반 및 방송설비기준
81번
액정 디스플레이(LCD)에 대한 설명 중 틀린 것은?
82번
다음 중 중앙처리장치의 구성요소가 아닌 것은?
83번
현 상태에서 다음 상태로 코드의 그룹이 변화할 때 단지 하나의 비트만이 변화되는 최소 변화 코드의 일종이며, 또한 비트의 위치가 특별한 가중치를 갖지 않는 비가중치 코드로서 산술 연산에는 부적합하고 응용장치에 많이 사용하는 코드는?
84번
주기억장치에 데이터를 기억할 수 있는 각 byte의 위치를 지정해 주는 것을 무엇이라 하는가?
85번
명령어 자체의 기억장소를 기준으로 하여 유효 주소를 계산한 후 연산수의 위치를 지정하는 것은?
86번
다음 중 채널(channel)이 위치하는 곳은 어디인가?
87번
다음 중 자료의 병렬전송을 직렬전송으로 변경하는 레지스터는?
88번
다음 중 분산 처리 시스템에 관한 설명으로 옳지 않은 것은?
89번
다음 중 운영시스템(Operating System)의 목적이 아닌 것은?
90번
다음 중 오퍼레이팅 시스템에서 제어 프로그램에 속하는 것은?
91번
종합유선방송국설비에서 주파수변조방식에 의해 광케이블로 전송하는 경우 분계점은?
92번
유선방송설비 및 전송설비의 기호로 잘못 연결된 것은?
93번
방송프로그램을 종합유선방송국으로부터 시청자에게 전송하기 위하여 유ㆍ무선전송ㆍ선로설비를 설치ㆍ운영하는 사업은?
94번
방송통신위원회가 전파자원의 공평하고 효율적인 이용을 촉직하기 위하여 시행해야 할 사항이 아닌 것은?
95번
입력신호 에너지를 간선에서 지선으로 불균등하게 분리시키는 장치는?
96번
다음 중 종합유선방송국의 진폭변조기의 출력 특성임피던스는 몇 [Ω]인가?
97번
다음 중 방송법의 목적에 해당되지 않는 것은?
98번
다음 중 방송법에 의한 방송사업의 종류가 아닌 것은?
99번
다음의 용어 정의에서 괄호 안에 알맞은 것은?

100번
중계유선방송에서 해당 채널의 채널잡음에 대한 반송파의 비율을 데시벨로 나타낸 것을 무엇이 라 하는가?
연도별
- 2023년03월21일
- 2022년10월08일
- 2022년03월12일
- 2021년10월02일
- 2021년03월13일
- 2020년09월26일
- 2020년03월07일
- 2019년10월12일
- 2019년03월09일
- 2018년10월06일
- 2018년03월10일
- 2017년09월23일
- 2017년03월05일
- 2016년10월01일
- 2016년03월05일
- 2015년10월04일
- 2015년03월08일
- 2014년10월04일
- 2014년03월09일
- 2013년10월12일
- 2013년03월17일
- 2012년10월06일
- 2012년03월11일
- 2011년10월09일
- 2011년03월13일
- 2010년10월10일
- 2010년03월14일
- 2010년02월21일
- 2009년03월01일
- 2008년07월27일
- 2008년03월02일
- 2007년08월05일
- 2007년03월04일
- 2006년08월06일
- 2006년03월05일
- 2005년08월07일
- 2005년03월06일
- 2004년08월08일
- 2004년03월07일
- 2003년08월10일
- 2003년03월16일