방송통신기사 (2013년10월12일 기출문제)
1과목 : 방송통신일반
1번
그림과 같은 에미터폴로우 회로에서 h-파라메타가 hie=2.1[kΩ], hfe=100이고, R1=10[kΩ],R2=10[kΩ], Re=4[kΩ]일 때, 입력저항은 약 얼마인가?

2번
다음 주어진 회로에서 점선으로 표시된 회로의 기능이 아닌 것은?

3번
다음 그림에서 정논리의 경우 게이트 명칭은?

4번
다음 중 계수형 전자 계산기(Digital Computer)의 보조 기억 장치가 아닌 것은?
5번
다음 중 정전압 회로의 안정도 파라미터에 해당되지 않는 것은?
6번
플립플롭은 몇 개의 안정 상태를 갖는가?
7번
펄스부호변조(PCM) 방식에서 아날로그 신호를 디지털 신호로 변환시키는 과정을 바르게 나타낸 것은?
8번
다음 그림과 같은 주기적인 펄스파형의 듀티비(Duty Ratio)는 얼마인가?(오류 신고가 접수된 문제입니다. 반드시 정답과 해설을 확인하시기 바랍니다.)

9번
RC 회로의 출력에서 최종치의 10[%]~90[%]까지 얻는데 소요되는 시간을 무엇이라 하는가?
10번
십진수 10.375를 2진수로 변환하면?
11번
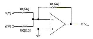
다음과 같은 연산증폭기 회로의 출력 전압은?

12번
다음 중 발진조건에 대한 설명으로 틀린 것은?
13번
조합 논리 회로 중 0과 1의 조합으로 부호화를 행하는 회로로 2n개의 입력선과 n개의 출력 선으로 구성된 것은?
14번
다음 중 FET(Field Effect Transistor) 대한 설명으로 옳지 않은 것은?
15번
수정발진기는 어떤 효과를 이용한 것인가?
16번
정류회로 출력 성분 중 교류인 리플을 제거하기 위해 정류회로 다음 단에 접속되는 회로는 무엇인가?
17번
다음 중 위상변조에 대한 설명으로 틀린 것은?
18번
플립플롭 4개로 구성된 계수기가 가질 수 있는 최대의 2진 상태는 몇 가지인가?
19번
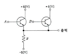
다음 회로는 어떤 회로인가?

20번
반파정류회로를 사용한 전원설비를 전파정류회로로 변경하면 리플률은 어떻게 변화되는가?
2과목 : 방송통신기기
21번
비디오텍스의 특성에 대한 설명으로 옳지 않은 것은?
22번
다음의 방송장비 중 서로 다른 영상신호 간의 동기신호를 정학하게 일치시키기 위하여 사용하는 장비는?
23번
케이블 방송에서 수신한 지상파 방송을 재전송하기 위하여 여러 개의 신호를 하나로 묶는데 사용되는 장비는?
24번
다음 중 아날로그 컬러 TV 신호의 측정과 거리가 먼 것은?
25번
인터넷방송을 위하여 일 대 다수로 일련의 그룹이 전송을 받을 수 있는 스트리밍 전송방식은?
26번
NTSC 컬러 TV에서의 영상신호와 음성신호의 변조방식은?
27번
인터넷 방송을 위한 가입자의 인증, 보호 및 콘텐츠의 저작권 보호를 위한 기술이 아니 것은?
28번
방송국 내의 전송기기 사이에 주고 받고 있는 영상 신호의 기본 레벨로 맞는 것은?
29번
다음 중 스위처에서 얻어진 다양한 휘도 및 색도에 의해 원하는 부분을 키잉(Keying) 할 수 있는 것은 무엇인가?
30번
현재의 HDTV보다 화질이 5배 이상 더 선명하며, 4G 서비스와 더불어 새로운 멀티미디어 서비스의 한 축으로 발전할 방송서비스는?
31번
다음 중 NTSC용 웨이브폼 모니터에서 측정된 50[IRE] 몇 [mV]인가?
32번
디지털라디오방송방식인 Eureca-147 DAV의 대역폭은?
33번
NTSC 컬러TV 동기 신호의 종류가 아닌 것은?
34번
다음 중 위성통신의 장점이 아닌 것은?
35번
Color의 위상각을 교정 또는 측정하는데 사용하는 계측기는?
36번
다음 중 위성의 궤도에 따른 분류 방법이 아닌 것은?
37번
다음 중 위성 방송용 파라볼라 안테나에서 수신 전파의 주파수대는 12[GHz], 안테나의 직경은 1[m], 안테나의 개구효율이 0.64라고 할 때 이득은 약 몇 [dB]인가?
38번
2,400[bps]의 디지털 신호를 전송시 한 번에 3[bit]의 신호를 전송 할 경우 이는 몇 [baud]에 해당되는가?
39번
임피던스가 25[Ω]인 반파장 안테나와 특성임피던스가 100[Ω]인 선로를 정합하기 위한 임피던스 값은?
40번
텔레비전 방송에서 시스템의 조절 및 조정을 위하여 타임 신호를 발생시키는 장치는?
3과목 : 방송미디어공학
41번
카메라 조리개의 밝기를 구하는 식으로 올바른 것은? (단, Ev : 피사체 조도, Ei : 광전면 조도, F :렌즈 조리개(F값), V : 확대율(실제로는 V<<1이 좋다), R : 피사체의 반사율(약 0.8),T : 렌즈의 투과율(약 0.8))
42번
다음 중 화면에서 여름의 대낮이나 햇볕의 강함을 강조하며 명암의 대비를 확실히 하기 위해 밝은 곳은 더 밝게, 어두운 곳은 더 어둡게 느끼게 하는 조명기법으로 가장 적절한 것은?
43번
다음 중 유럽의 디지털 지상파TV 방송방식인 DVB-T에서 이동수신 서비스를 제공하기에 가장 적합한 변조 모드는?
44번
영상 처리 기법 중 출력 이미지의 각 픽셀값을 결정하는 데에는 오직 입력 이미지의 대응되는 픽셀값만 이용되는 처리방법을 무엇이라 하는가?
45번
음향 시스템에서 이퀄라이저의 삽입 위치로서 적절하지 않은 것은?
46번
다음 중 파장과 주파수와의 관계를 잘못 설명한 것은?
47번
디지털 방송기술의 특징이 아닌 것은?
48번
화이트 노이즈에 대한 설명으로 틀린 것은?
49번
어떤 음을 듣고 있을 때 이보다 진폭이 큰 음이 가해지면 원래의 음이 들리지 않는 것을 무엇이라고 하는가?
50번
다음 영상미디어 압축 방식 중 자주 발생하는 값에 적은 비트를 드물게 나타나는 값에는 많은 비트를 할당하는 방법으로서 통계적으로 중복성을 제거하는 방법은?
51번
다음 주파수에 의한 방송의 분류 중 파장이 가장 짧은 것은 무엇인가?
52번
TV 주사방식 중에서 비월주사이고 주사선수가 525라인이며 필드(Field) 주파수가 60[Hz]이라면,이 때 수평주사 주파수는 몇 [Hz]인가?
53번
다음 중 버스트 신호를 기준(0°)으로 한 위상각을 설명한 것으로 바르지 않은 것은?
54번
다음 중 직사광에 해당하는 빛을 내며 빛의 방향성, 명암이나 그림자에 의한 입체감 등을 표현하기 위한 조명기구로 가장 적절한 것은?
55번
다음 중 MPEG의 오디오 압축에 사용되지 않는 기술은?
56번
NTSC 방식 음성신호의 반송파 주파수는?
57번
우리나라 지상파 디지털방송(DTV)에서 사용되는 음성 부호화의 기본 알고리즘은 무엇인가?
58번
다음 영상미디어 부호화 및 압축방식 중 무손실 부호화에 해당하는 것은?
59번
다음 중 인간의 청감 특성을 설명하는 것으로 적절하지 않은 것은?
60번
단위 면적당 압력으로 측정된 음압이 기준음압의 2배일 때 음압레벨은 얼마인가?
4과목 : 방송통신시스템
61번
다음 중 통신망 구성에서 역다중화기는 어떤 장치계에 속하는가?
62번
다음 중 공동시청 안테나 시설의 신호처리기(증폭기) 중 광대역형 수신증폭기의 특성이 아닌 것은?
63번
다음 중 스테레오 필드에서 밸런스 유지와 모노 호환성을 위해 2대의 마이크의 적절한 배열각도는?
64번
통신용접지에서 접지극과 접지선은 전기적ㆍ기계적으로 견고히 접속하여야 한다. 다음 중 접속 방법이 틀린 것은?
65번
다음 중 종합유선방송국에서 영상신호의 특성 및 질적 수준을 나타낸 것으로 적합하지 않은 것은?
66번
다음 중 위성방송 수신에 있어 음영지역을 대비하여, 위성방송을 하나의 안테나에서 수신하여 케이블로 전송하는 방식을 무엇이라 하는가?
67번
주요 지상파 HDTV 방송의 전송방식이 바르게 짝지어진 것은?
68번
중파 송신설비의 송신기를 조정하거나 시험하며 고장시 보수를 위해 필요한 장비로 사용되지 않는 측정기는?
69번
64QAM 변조방식의 전송밀도(bps/Hz)는 얼마인가?
70번
다음 중 지상파 DMB의 오류정정방식으로 옳은 것은?
71번
NTSC 컬러TV 방식의 텔레비전 방송에서 1초간에 전송하는 프레임(Frame) 수는?
72번
종합유선방송국에서 음성신호의 특성 및 질적 수준에 있어 적합하지 않은 것은?
73번
다음 중 CATV에 대한 설명으로 옳지 않은 것은?
74번
다음은 위성궤도의 종류별 위성고도를 나타낸 것이다. 틀린 것은?
75번
CATV 시스템 구성의 헤드엔드(Headend) 설비가 아닌 것은?
76번
다음 문장이 설명하는 안테나는 무엇인가?

77번
중파 송신기를 구성할 때 양극 변조보다 그리드 변조가 우수한 점은?
78번
다음 중 지상파 디지털방송(DTV) 시스템의 중계기 구성요소로서 변조기의 변조된 IF 신호를 중계기의 채널 주파수로 변환하여 파워 앰프의 입력부까지 원하는 신호를 전송해주는 부분을 무엇이라 하는가?
79번
다음 중 라디오 방송을 송출하기 위한 구성요소로 옳지 않은 것은?
80번
케이블TV 시스템에서 0[dBmV]인 입력신호가 23[dB]의 증폭기와 500[m]의 케이블을 거치면 출력은 얼마인가? (Cable Loss 특성이 4[dB]/100[m]이다.)
5과목 : 컴퓨터일반 및 방송설비기준
81번
방송국 개설허가의 유효기간은? (단, 공동체라디오방송국 제외)
82번
유선방송국 설비 중 동축케이블·분배기 및 분기기 등에 의한 상·하향 신호의 전송손실을 보상하기 위하여 사용하는 장치는?
83번
종합유선방송국설비에서 주파수변조방식에 의해 광케이블로 전송하는 경우 분계점은?
84번
다음 중 용어의 정의가 잘못된 것은?
85번
다음 중 스토리지 접속 인터페이스로 적합하지 않는 것은?
86번
디스크 스케줄링 중 현재 헤드의 위치에서 가장 가까운 트랙에 대한 요청을 먼저 서비스하는 것 은?
87번
다음 스케줄링 기법 중 선점 기법이 아닌 것은?
88번
X.25의 3계층 구조에 속하지 않는 것은?
89번
방송채널사용사업을 하고자 하는 자가 편성계획서 및 사업계획서를 첨부하여 미래창조과학부장관에서 제출하여야 할 등록신청서의 기재사항이 아닌 것은?
90번
다음과 같은 연산이 수행되었을 때 ALU의 기능은?

91번
중앙연산처리장치에서 micro-operation이 순서적으로 일어나게 하려면 무엇이 필요한가?
92번
다음 RAID 종류 중 오류 검출을 위하여 해밍 코드를 이용하는 것은?
93번
선형 리스트 중 먼저 입력된 데이터가 먼저 출력되는 FIFO(First In First Out) 구조는?
94번
중계위성방송 및 음악유선방송설비와 수신자설비의 분계점을 정확하게 표현한 것은?
95번
분산 운영 체제에서 시스템 내의 각 사이트가 트리 모양으로 연결된 형태로서 상위 사이트는 하위 사이트를 가지며 직접 통신할 수 있는 토폴로지(Topology) 구조는?
96번
회선 교환 방식에 대한 설명이 아닌 것은?
97번
다음 중 무선국을 개설할 수 있는 사람이나 단체는?
98번
‘영상ㆍ비디오 등 영상물이 방송프로그램으로 제작되어 방송매체별로 다단계로 유통ㆍ활용 또는 수출될 수 있도록 지원할 수 있는 자’는 누구를 말하는가?
99번
종합유선방송사업의 정의를 올바르게 설명한 것은?
100번
종합유선방송 구내전송선로설비의 증폭기특성에서 하향특성 2차 상호변조(CSO)의 기준은 얼마인가?
연도별
- 2023년03월21일
- 2022년10월08일
- 2022년03월12일
- 2021년10월02일
- 2021년03월13일
- 2020년09월26일
- 2020년03월07일
- 2019년10월12일
- 2019년03월09일
- 2018년10월06일
- 2018년03월10일
- 2017년09월23일
- 2017년03월05일
- 2016년10월01일
- 2016년03월05일
- 2015년10월04일
- 2015년03월08일
- 2014년10월04일
- 2014년03월09일
- 2013년10월12일
- 2013년03월17일
- 2012년10월06일
- 2012년03월11일
- 2011년10월09일
- 2011년03월13일
- 2010년10월10일
- 2010년03월14일
- 2010년02월21일
- 2009년03월01일
- 2008년07월27일
- 2008년03월02일
- 2007년08월05일
- 2007년03월04일
- 2006년08월06일
- 2006년03월05일
- 2005년08월07일
- 2005년03월06일
- 2004년08월08일
- 2004년03월07일
- 2003년08월10일
- 2003년03월16일