2021년09월12일 1번
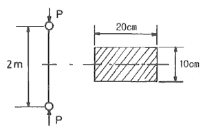
[재료역학] 그림과 같이 20cm x 10cm의 단면을 갖고 양단이 회전단으로 된 부재가 중심축 방향으로 압축력 P가 작용하고 있을 때 장주의 길이가 2m라면 세장비는 약 얼마인가?

- ① 89
- ② 69
- ③ 49
- ④ 29
(정답률: 68%)
문제 해설
이전 문제
다음 문제
연도별
- 2022년04월24일
- 2022년03월05일
- 2021년09월12일
- 2021년05월15일
- 2021년03월07일
- 2020년09월26일
- 2020년08월22일
- 2020년06월06일
- 2019년09월21일
- 2019년04월27일
- 2019년03월03일
- 2018년09월15일
- 2018년04월28일
- 2018년03월04일
- 2017년09월23일
- 2017년05월07일
- 2017년03월05일
- 2016년10월01일
- 2016년05월08일
- 2016년03월06일
- 2015년09월19일
- 2015년05월31일
- 2015년03월08일
- 2014년09월20일
- 2014년05월25일
- 2014년03월02일
- 2013년09월28일
- 2013년06월02일
- 2013년03월10일
- 2012년09월15일
- 2012년05월20일
- 2012년03월04일
- 2011년10월02일
- 2011년06월12일
- 2011년03월20일
- 2010년09월05일
- 2010년05월09일
- 2010년03월07일
- 2008년05월11일
- 2007년09월02일
- 2007년05월13일
- 2007년03월04일
- 2005년05월29일
- 2004년09월05일
- 2004년05월23일
- 2004년03월07일
- 2003년08월31일
- 2003년05월25일
- 2003년03월16일
- 2002년05월26일
- 2002년03월10일
진행 상황
0 오답
0 정답
부재의 장주 길이가 2m이므로, 이 길이에 걸쳐서 압축응력이 일정하게 분포되어 작용한다고 가정할 수 있다. 이때 부재의 단면이 작은 쪽에서부터 큰 쪽으로 이동하면서 압축응력이 변화하게 된다. 이 변화하는 압축응력을 고려하여 부재의 장주에 작용하는 압축력의 합을 구해야 한다.
부재의 단면이 작은 쪽에서부터 큰 쪽으로 이동하면서 압축응력은 일정하게 증가하므로, 부재의 중간 지점에서의 압축응력은 P/200이다. 이때 중간 지점에서의 압축력은 부재의 중심축을 지나는 수직선과 수평선으로 이루어진 직각삼각형의 빗변에 해당하는 힘이다. 이 직각삼각형의 밑변과 높이는 각각 부재의 단면의 가로와 세로 길이인 20cm와 10cm이므로, 중간 지점에서의 압축력은 (20²+10²)^(1/2) x P/200 = 0.2236P이다.
이와 같이 부재의 단면이 작은 쪽에서부터 큰 쪽으로 이동하면서 압축응력을 고려하여 부재의 장주에 작용하는 압축력의 합을 구하면 다음과 같다.
0.2236P + 0.2236P + 0.2236P = 0.6708P
따라서 세장비는 0.6708P의 힘을 견딜 수 있어야 한다. 보기에서 정답이 "69"인 이유는, 이 문제에서는 단위를 cm과 m을 혼용하여 사용하였기 때문에 단위 변환을 해주어야 한다. 부재의 장주 길이가 2m이므로, 이를 cm 단위로 변환하면 200cm이 된다. 따라서 세장비는 0.6708P/200 = 0.003354P의 힘을 견딜 수 있어야 한다. 이 값은 소수점 이하를 버리면 0.003P로, 이를 100으로 곱하면 0.3P가 된다. 따라서 세장비는 30%의 효율을 가진다는 것을 의미하므로, 보기에서 정답이 "69"인 것이다.