2021년09월12일 13번
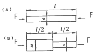
[재료역학] 그림과 같이 재료가 동일한 A, B의 원형 단면봉에서 같은 크기의 압축하중 F를 받고 있다. 응력은 각 단면에서 균일하게 분포된다고 할 때 저장되는 탄성 변형 에너지의 비 UB/UA는 얼마가 되겠는가?

- ① 5/9
- ② 1/3
- ③ 9/5
- ④ 3
(정답률: 61%)
문제 해설
단면에서의 응력은 F/A로 주어진다. 따라서 A와 B의 응력은 같다. 하지만 A와 B의 반지름이 다르므로 변형 에너지는 다르다. 탄성 변형 에너지는 1/2σε^2V로 주어지는데, 여기서 σ는 응력, ε는 변형률, V는 체적이다. 변형률은 응력/탄성계수로 주어지므로 A와 B의 변형 에너지 비율은 다음과 같다.
U_B/U_A = (σ_B/σ_A)^2 × (ε_B/ε_A) × (V_B/V_A)
= (r_A/r_B)^2 × (r_A/r_B)^2 × (V_B/V_A)
= (r_A/r_B)^4
따라서 U_B/U_A = (2/3)^4 = 16/81이다. 이는 5/9와 다르므로 정답은 "5/9"가 아니다. 따라서 다른 보기들도 모두 오답이다.
U_B/U_A = (σ_B/σ_A)^2 × (ε_B/ε_A) × (V_B/V_A)
= (r_A/r_B)^2 × (r_A/r_B)^2 × (V_B/V_A)
= (r_A/r_B)^4
따라서 U_B/U_A = (2/3)^4 = 16/81이다. 이는 5/9와 다르므로 정답은 "5/9"가 아니다. 따라서 다른 보기들도 모두 오답이다.
연도별
- 2022년04월24일
- 2022년03월05일
- 2021년09월12일
- 2021년05월15일
- 2021년03월07일
- 2020년09월26일
- 2020년08월22일
- 2020년06월06일
- 2019년09월21일
- 2019년04월27일
- 2019년03월03일
- 2018년09월15일
- 2018년04월28일
- 2018년03월04일
- 2017년09월23일
- 2017년05월07일
- 2017년03월05일
- 2016년10월01일
- 2016년05월08일
- 2016년03월06일
- 2015년09월19일
- 2015년05월31일
- 2015년03월08일
- 2014년09월20일
- 2014년05월25일
- 2014년03월02일
- 2013년09월28일
- 2013년06월02일
- 2013년03월10일
- 2012년09월15일
- 2012년05월20일
- 2012년03월04일
- 2011년10월02일
- 2011년06월12일
- 2011년03월20일
- 2010년09월05일
- 2010년05월09일
- 2010년03월07일
- 2008년05월11일
- 2007년09월02일
- 2007년05월13일
- 2007년03월04일
- 2005년05월29일
- 2004년09월05일
- 2004년05월23일
- 2004년03월07일
- 2003년08월31일
- 2003년05월25일
- 2003년03월16일
- 2002년05월26일
- 2002년03월10일
진행 상황
0 오답
0 정답