일반기계기사 (2007년03월04일 기출문제)
1과목 : 재료역학
1번
2축 응력상태에서 σx=-σy=140MPa 이고 재료의 전단탄성계수 G=84GPa이면 전단 변형률 γ 는?
2번
그림과 같은 형태로 분포하중을 받고 있는 단순지지보가 있다. 지지점 A에서의 반력 RA는 얼마인가? (단 , 분포하중
)
)
3번
높이 h, 폭 b인 직사각형 단면을 가진 보와 높이 b, 폭 h인 단면을 가진 보의 단면 2차 모멘트의 비는? (단, h = 1.5 b)
4번
재료가 동일한 길이 L, 지름 d인 축과 길이 2L, 지름 2d인 축을 동일각도 만큼 변위시키는데 필요한 비틀림 모멘트의 비 T1/T2 의 값은 얼마인가?
5번
단면 [폭×높이]이 4 ㎝ × 6 ㎝이고 길이가 2 m인 단순보의 중앙에 집중하중이 작용할 때 최대처짐이 0.5 ㎝라면 집중하중은 몇 N 인가? (단, 탄성계수 E = 200 GPa 이다.)
6번
평면 응력상태에서 σx=100MPa, σy=50MPa일 때 x방향과 y방향의 변형률 Єx, Єy는 얼마인가? (단, 이 재료의 탄성계수 E = 210 GPa, 포와송의 비 μ= 0.3이다.)
7번
축 방향의 단면에 균일한 인장응력 10 MPa이 작용하고 있다면 이 때 체적 변형률 Єv는? (단, 포와송의 비 μ=0.3, 탄성계수 E = 210 GPa이다.)
8번
부재의 양단이 자유롭게 회전할 수 있도록 부하되고, 길이가 4 m이고 단면이 직사각형(100 ㎜ × 50 ㎜)인 압축 부재의 좌굴 하중을 오일러 공식으로 구하면 몇 kN 인가? (단, 탄성계수 E = 100 GPa 이다.)
9번
다음 그림에서 임의의 θ 단면에서 굽힘모멘트의 크기는?

10번
직경이 1.5 m, 두께가 3 mm인 원통형 강재 용기의 최대사용강도가 240 MPa 일 때 지탱할 수 있는 한계압력은 몇 kPa 인가? (단, 안전계수는 2 이다.)
11번
안지름이 25 ㎜, 바깥 지름이 30 ㎜ 인 중공 강철관에 10 kN의 축인장 하중을 가할 때 인장응력은 몇 MPa인가?
12번
그림과 같은 직사각형 단면을 갖는 단순지지보에 3 kN/m의 균일 분포하중과 축방향으로 50 kN의 인장력이 작용할 때 최대 및 최소 응력은?

13번
알루미늄의 탄성계수는 약 7 GPa이다. 길이 20 ㎝, 단면적 10 cm2인 봉을 축력을 받는 스프링으로 사용하려 할 때, 스프링 상수는 몇 MN/m 인가?
14번
탄성계수가 E1, E2인 두 부재 ①, ②가 그림과 같이 합성된 구조물로 압축하중 P를 받고 있다. ①, ②에 발생되는 응력의 비는?

15번
평면응력 상태에서 σx=300MPa, σy=-900MPa , τxy=450MPa일 때 최대 주응력 σ1은 몇 MPa 인가?
16번
그림과 같은 균일분포하중 ω kN/m를 받는 단순보에서 중앙점의 처짐을 0으로 하고자 할 때, 아래에서 위로 받쳐 주어야 하는 힘 P 는?

17번
다음 그림과 같이 반지름이 a인 원형단면의 원주에 접하는 축(x')에 대한 단면 2차 모멘트는?

18번
그림과 같이 정삼각형 형태의 트러스가 길이 150 ㎝인 2개의 봉으로 조립되어 절점 B에서 수직하중 P = 15000 N을 받고 있다. 이 두 봉은 같은 단면적과 같은 재료를 사용하였다면 B점의 수직변위 δv는? (단, 탄성계수 E = 210 GPa, 단면적 A = 1.56cm2이다.)

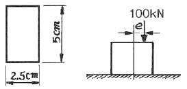
19번
그림에 표시된 사각형 단면의 짧은 기둥에서 e= 2 ㎜ 되는 곳에 100 kN의 압축 하중이 작용할 때 발생되는 최대응력은?

20번
중공 축의 내부 직경이 40 ㎜, 외부 직경이 60 ㎜ 일 때, 최대 전단응력이 120 MPa를 초과하지 않도록 적용할 수 있는 최대 비틀림 모멘트는 몇 kN·m 인가?
2과목 : 기계열역학
21번
물질의 양에 따라 변화하는 종량적 상태량은?
22번
작동 유체가 상태 1부터 상태 2까지 가역 변화할 때의 엔트로피 변화로 가장 옳은 것은?
23번
다음 중 1 kg의 질량이 있는 어떤 계가 가역적으로 상태 1에서 2로 바뀔 때 열을 나타내는 것은?
24번
압력 101 kPa이고, 온도 27℃일 때, 크기가 5m×5m×5m인 방에 있는 공기가 질량을 계산하면? (단, 공기의 기체상수는 287 J/kgK이다.)
25번
산소 2몰과 질소 3몰을 100 ㎪, 25℃에서 단열정적 과정으로 혼합한다. 이 때 엔트로피 증가량은 약 얼마인가? (단, 일반기체상수 R = 8.31434 kJ/k㏖·K 이다.)
26번
해수면 아래 20m 에 있는 수중다이버에게 작용하는 절대압력은? (단, 대기압은 101 ㎪ 이고, 해수의 비중은 1.03 이다.)
27번
대기압 하에서 물질의 질량이 같을 때 엔탈피의 변화가 가장 큰 경우는?
28번
Joule의 실험에 의하면 이상기체의 내부에너지는 온도만의 함수이다. 이의 결과에 합당하지 않은 것은?
29번
열효율이 25%이고 수증기 1㎏당 출력이 800 kJ/㎏인 증기기관의 증기소비율은 몇 ㎏/㎾h인가?
30번
10냉동 톤의 능력을 갖는 카르노 냉동기의 응축 온도가 25℃, 증발 온도가 –20℃이다. 이 냉동기를 운전하기 위하여 필요한 이론 동력은 몇 ㎾인가? (단, 1냉통 톤은 3.85㎾이다.)
31번
실린더 내의 이상기체 1㎏ 이 27℃를 일정하게 유지하면서 200 ㎪에서 100㎪까지 팽창하였다. 기체가 수행한 일은? (단, 이 기체의 기체상수는 1 kJ/㎏·K이다.)
32번
아래 그림과 같은 이상 열펌프의 각 상태에서 엔탈피는 다음과 같다. 열펌프의 성능계수는? (단, h1 = 155 kJ/㎏, h3 = 593 kJ/㎏, h4 = 827 kJ/㎏ 이다.)

33번
227℃의 증기가 500 kJ/㎏의 열을 받으면서 가역등온팽창한다. 이 때의 엔트로피의 변화는 약 얼마인가?
34번
P – V 선도에서 그림과 같은 변화를 갖는 이상기체가 행한 일은?

35번
250K에서 열을 흡수하여 320K에서 방출하는 이상적인 냉동기의 성능 계수는?
36번
열과 일에 대한 설명 중 맞는 것은?
37번
다음 그림은 오토사이클의 P-V 선도이다. 그림에서 3-4가 나타내는 과정은?

38번
1㎏의 기체로 구성되는 밀폐계가 50 kJ/㎏의 열을 받아 15 kJ/㎏의 일을 했을 때 내부에너지 변화는? (단, 운동에너지의 변화는 무시한다.)
39번
마찰이 없는 피스톤과 실린더로 구성된 밀폐계에 분자량이 25인 이상기체가 2㎏있다. 기체의 압력이 100 ㎪로 일정할 때 체적이 1m3에서 2m3로 변화한다면 이 과정 중 열 전달량은? (단, 정압비열은 1.0 kJ/㎏K이다.)
40번
오토 사이클의 압축비가 6인 경우 이론 열효율은 약 몇%인가? (단, 비열비 = 1.4이다.)
3과목 : 기계유체역학
41번
아래 그림과 같이 폭이 3m이고, 높이가 4m인 수문의 상단이 수면 아래 1m에 놓여있다. 이 수문에 작용하는 압력에 의한 외력의 작용점은 수면 아래로 몇 m 인가?

42번
절대압력을 정하는데 기준(영점)이 되는 것은?
43번
유체를 정의한 것 중 가장 옳은 것은?
44번
다음 중에서 이상기체에 대한 음파의 속도가 아닌 것은? (단, ρ:밀도, P:압력, V:속도, k:비열비, g:중력가속도, R:기체상수, T:절대온도, s:엔트로피)
45번
물체 표면에 가까운 곳에서 속도 분포가 u=u0sin ky로 표시될 수 있다고 할 때 물체 표면에 작용하는 전단응력은 어느 것으로 표시되는가? (단, u0는 주류부의 유속, k는 상수, y는 물체 표면에 수직한 방향의 좌표, μ는 점성 계수이다.)
46번
고속도로 톨게이트의 폭이 도로에 비하여 넓게 만들어진 이유를 가장 적절하게 설명해 줄 수 있는 것은?
47번
지름이 1㎝인 원통 관에 0℃의 물이 흐르고 있다. 평균속도가 1.2 m/s이고, 0℃ 물의 동점성계수가 v=1.788×10-6m2/s일 때, 이 흐름의 레이놀즈 수는?
48번
어떤 물리적인 계(system)에서 관성력, 점성력, 중력, 표면장력이 중요하다. 이 시스템과 관련된 무차원 수가 아닌 것은?
49번
지름 0.4 m인 관에 물이 0.5 m3/s로 흐를 때 길이 300 m에 대해서 동력손실은 60 ㎾였다. 이 때 관마찰계수 f는? (단, 물의 비중량은 9800 N/m3이다.)
50번
그림과 같이 U자관 액주계가 x방향으로 등가속 운동하는 경우 x방향 가속도 ax는? (단, 수은의 비중은 13.6이다.)

51번
(r, θ) 극좌표계에서 속도 포텐셜
=2θ 에 대응하는 원주방향 속도(vθ)는?
=2θ 에 대응하는 원주방향 속도(vθ)는?
52번
수평 원관 속의 층류 유동에서 하겐-포아젤 방정식을 나타내는 것은? (단, μ는 점성계수, Q는 유량, P는 압력을 나타낸다.)

53번
지름이 70 ㎜인 소방노즐에서 물제트가 50 m/s의 속도로 건물 벽에 수직으로 충돌하고 있다. 벽이 받는 힘은 약 몇 kN인가?(단, 물의 밀도는 1000 ㎏/m3이다.)
54번
그림과 같이 직경 비가 2:1인 벤츄리 관에서 압력차 ∆P를 바르게 표현한 것은? (단, ρ는 유체의 밀도)

55번
다음 그림과 같이 축소되는 사각형 덕트에 어떤 유체가 흐르고 있다. 그림에 표시된 0지점에서 속도분포를 측정한 결과 다음 식과 같이 y만의 함수이다.
, y0=50㎜이고, Vmax=1m/s인 경우에 총 유량(m3/s)은?
, y0=50㎜이고, Vmax=1m/s인 경우에 총 유량(m3/s)은?
56번
지름이 10 ㎝인 파이프에 물(밀도=1000㎏/m3)이 평균속도 5 m/s로 흐를 때, 마찰계수가 0.02라고 한다. 이 파이프가 그림과 같이 30° 경사지게 놓여있고 물이 위로 흐르면 파이프 1 m 당 압력 변화는 얼마인가?

57번
그림과 같이 곡면판이 제트를 받고 있다. 제트속도 V m/s, 유량 Q m3/s, 밀도 ρ ㎏/m3, 유출방향을 θ라 하면 제트가 곡면판에 주는 x 방향의 힘을 나타내는 식은?

58번
지름 0.015 m의 구가 공기 속을 28 m/s의 속도로 날아가는 경우 항력은 몇 N인가? (단, 공기의 밀도는 1.23 ㎏/μ, 동점성계수는 0.15 cm2/s, 항력계수는 CD= 0.5 이다.)
59번
어떤 오일의 동점성계수가 2×10-4m2/s이고 비중이 0.9라면 점성계수는 몇 ㎏/(m·s)인가? (단, 물의 밀도는 1000㎏/m3이다.)
60번
차원 해석에 있어서 반복 변수(repeating parameter)의 선정 방법으로 가장 적합한 것은?
4과목 : 기계재료 및 유압기기
61번
탄소강의 5대 원소를 나열한 것이다. 옳은 것은?
62번
다음 중 공구재료의 구비조건이 아닌 것은?
63번
순철(pure iron)에 없는 변태는 어느 것인가?
64번
알루미늄의 전기 전도도는 구리의 약 65%이다. 다음 불순물 중 전기 전도도에 가장 유해한 원소는?
65번
Fe-C 상태도에서 공석강의 탄소함유량은 약 얼마인가?
66번
흑심가단주철의 2단계 풀림의 목적으로 가장 옳은 것은?
67번
다음 합금 중 베어링용 합금이 아닌 것은?
68번
구상흑연 주철에서 페딩(Fading)현상이란 다음 중 어느 것을 말하는가?
69번
탄소강에서 인(P)의 영향으로 맞는 것은?
70번
스테인리스강의 주요 합금 성분에 해당 되는 것은?
71번
펌프의 압력이 80㎏f/cm2, 토출유량이 50(ℓ/min)인 레디얼 피스톤 펌프의 소요동력(PS)은? (단, 펌프 효율은 0.85이다.)
72번
체크밸브 또는 릴리프밸브 등 밸브의 입구쪽 압력 강하로 밸브로 닫히기 시작하여 누설량이 어느 규정된 양까지 감소 되었을 때의 압력은?
73번
불순물 등을 제거할 목적으로 사용되는 여과기는?
74번
유압 프레스의 작동원리는 다음 중 어느 이론에 바탕을 둔 것인가?
75번
한쪽 방향으로 흐름은 자유로우나 역방향의 흐름을 허용하지 않는 밸브는?
76번
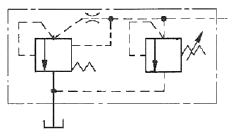
보기와 같은 유압 압력제어 밸브 상세기호의 명칭은?

77번
유압모터의 기능 설명으로 다음 중 가장 적합한 것은?
78번
다음 중에서 유압유의 첨가제가 아닌 것은?
79번
유압 실린더의 속도 제어 회로가 아닌 것은?
80번
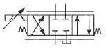
보기 기호는 어떤 유압기호인가?

5과목 : 기계제작법 및 기계동력학
81번
전단가공에 의해 판재를 소정의 모양으로 뽑아 낸 것이 제품일 때의 작업은?
82번
얇은 판재로 된 목형은 변형되기 쉽고 주물의 두께가 균일 하지 않으면 용융금속이 냉각 응고시에 내부 응력에 의해 변형 및 균열이 발생할 수 있으므로 이를 방지하기 위한 목적으로 쓰이고 사용한 후에 제거하는 것은?
83번
강구를 압축 공기나 원심력을 이용하여 가공물의 표면에 분사시켜 가공물의 표면을 다듬질하고 동시에 피로 강도 및 기계적인 성질을 개선하는 것은?
84번
강판의 두께가 2㎜, 최대 전단 응력이 45㎏f/mm2인 재료에 지름이 24㎜인 구멍을 뚫을 때 펀치에 작용되어야 하는 힘은?
85번
강의 표면 경화법에 해당 되지 않는 것은?
86번
선재(線材)의 지름이나 판재의 두께를 측정하는 게이지는?
87번
그림과 같이 삼침을 이용하여 미터나사의 유효지름(d2)을 구하고자 한다. 다음 중 올바른 식은? (단, α : 나사산의 각도, P : 나사의 피치, d : 삼침의 지름, M : 삼침을 넣고 마이크로미터로 측정한 치수이다.)

88번
전기저항 용접이 아닌 것은?
89번
센터리스 연삭기에서 공작물의 이송속도 f(㎜/min)를 구하는 식은? (단, d : 조정숫돌의 지름(㎜), α : 연삭 숫돌에 대한 조정숫돌의 경사각, N : 조정숫돌의 회전수(r.p.m)
90번
구성인선(built-up edge)에 대한 설명으로 옳은 것은?
91번
감쇠비가 0.3인 감쇠 자유진동에서 감쇠 고유진동수는 비감쇠 고유진동수의 몇 배인가?
92번
어떤 코일스프링에 10㎏의 질량을 매달았더니 1.2 ㎝의 정적스프링 처짐이 생겼다. 이 계의 고유진동수는?
93번
어느 회전체의 무게가 500 N, 반지름이 10 ㎝인 균일한 원판형상이다. 이 회전체의 중심에 대한 질량관성모멘트는 몇 ㎏·m2인가?
94번
길이가 2L인 단진자의 주기는 길이가 L인 단진자 주기의 몇 배인가?(오류 신고가 접수된 문제입니다. 반드시 정답과 해설을 확인하시기 바랍니다.)
95번
질량 10 ㎏, 스프링 상수 12 kN/m, 점성 감쇠계수 24 N·s/m인 계에서 대수감쇠율(logarithmic decrement)은?
96번
줄의 한 끝에 질량 m의 질점이 붙어서 원운동을 하고 있다. 원운동의 반경을 R, 각속도를 ω, 접선방향의 속력을 v라고 할 때 줄의 장력은?
97번
모터가 장력이 100 N 걸려 있는 줄을 지속적으로 5 m/s의 속력으로 끌어 당기고 있다. 사용된 모터의 일률(Power)은 얼마인가?
98번
스프링(spring)으로 매단 물체가 수직상하 방향으로 매초 20회 최고 위치에 도달하며 진동할 때 고유 각진동수 ω는 약 얼마인가?
99번
힘을 받지 않은 상태에서 길이가 1.2 m인 스프링을 1.2 m에서 1.6 m로 늘리기 위해 스프링에 가해준 일의 양은? (단, 스프링 상수는 400 N/m이다.)
100번
전기모터의 회전자가 시계바늘 반대방향으로 회전하고 있다가 전기를 차단했을 때 3450 rpm의 속도를 갖는다. 이 회전자는 균일한 감속비로 정지할 때까지 40초가 걸렸다고 할 때 각가속도의 크기는 몇 rad/s2인가?

연도별
- 2022년04월24일
- 2022년03월05일
- 2021년09월12일
- 2021년05월15일
- 2021년03월07일
- 2020년09월26일
- 2020년08월22일
- 2020년06월06일
- 2019년09월21일
- 2019년04월27일
- 2019년03월03일
- 2018년09월15일
- 2018년04월28일
- 2018년03월04일
- 2017년09월23일
- 2017년05월07일
- 2017년03월05일
- 2016년10월01일
- 2016년05월08일
- 2016년03월06일
- 2015년09월19일
- 2015년05월31일
- 2015년03월08일
- 2014년09월20일
- 2014년05월25일
- 2014년03월02일
- 2013년09월28일
- 2013년06월02일
- 2013년03월10일
- 2012년09월15일
- 2012년05월20일
- 2012년03월04일
- 2011년10월02일
- 2011년06월12일
- 2011년03월20일
- 2010년09월05일
- 2010년05월09일
- 2010년03월07일
- 2008년05월11일
- 2007년09월02일
- 2007년05월13일
- 2007년03월04일
- 2005년05월29일
- 2004년09월05일
- 2004년05월23일
- 2004년03월07일
- 2003년08월31일
- 2003년05월25일
- 2003년03월16일
- 2002년05월26일
- 2002년03월10일