전기기사 (2013년03월10일 기출문제)
1과목 : 전기자기학
1번
1[kV]로 충전된 어떤 콘덴서의 정전에너지가 1[J]일 때, 이 콘덴서의 크기는 몇 [μF]인가?
2번
진공 중에 선전하 밀도 +λ[C/m]의 무한장 직선전하 A와 -λ[Cm]의 무한장 직선전하 B가 d[m]의 거리에 평행으로 놓여 있을 때, A에서 거리 d/3[m]되는 점의 전계의 크기는 몇 [V/m]인가?
3번
∇ ∘ i = 0 에 대한 설명이 아닌것은?
4번
환상 철심에 감은 코일에 5[A]의 전류를 흘려 2000[AT]의 기자력을 생기게 하려면 코일의 권수(회)는 얼마로 하여야 하는가?
5번
압전기 현상에서 분극이 응력에 수직한 방향으로 발생하는 현상은?
6번
다음 중 금속에서의 침투깊이에 대한 설명으로 옳은것은?
7번
그림과 같이 단면적이 균일한 환상철심에 권수 N1인 A코일과 권수 N2인 B코일이 있을 때 A코일의 자기인덕턴스가 L1[H]라면 두 코일의 상호인덕턴스 M은 몇 [H]인가? (단, 누설자속은 0이라 한다.)

8번
단면적 1000[mm2] 길이 600[mm]인 강자성체의 철심에 자속밀도 B=1[Wb/m2]를 만들려고 한다. 이 철심에 코일을 감아 전류를 공급하였을 때 발생되는 기자력[AT]은?(문제 오류로 전항 정답처리 되었습니다. 여기서는 1번을 누르면 정답 처리 됩니다.)
9번
그림과 같은 모양의 자화곡선을 나타내는 자성체 막대를 충분히 강한 평등자계 중에서 매분 3000회 회전시킬 때 자성체는 단위체적당 매초 약 몇 [kcal]의 열이 발생하는가? (단, Br = 2[wb/m2], HL = 500[AT/m], B =μH에서 μ는 일정하지 않음)

10번
자기유도계수 L의 계산 방법이 아닌 것은? (단, N : 권수,
: 자속, I : 전류, A : 벡터 포텐샬, i : 전류 밀도, B : 자속밀도, H : 자계의 세기이다.)
: 자속, I : 전류, A : 벡터 포텐샬, i : 전류 밀도, B : 자속밀도, H : 자계의 세기이다.)
11번
반지름 2[mm]의 두 개의 무한히 긴 원통 도체가 중심 간격 2[m]로 진공 중에 평행하게 놓여 있을 때 1[km]당의 정전용량은 약 몇 [μF]인가?
12번
전위가 VA 인 A 점에서 Q[C]의 전하를 전계와 반대 방향으로 l[m]이동 시킨 점 P의 전위[V]는? (단, 전계 E는 일정하다고 가정한다.)
13번
정전용량 C[F]인 평행판 공기 콘덴서에 전극간격의 1/2 두께인 유리판을 전극에 평행하게 넣으면 이때의 정전용량은 몇[F]인가? (단, 유리의 비유전율은 εs라 한다.)
14번
자성체의 경계면에 전류가 없을 때의 경계조건으로 틀린 것은?
15번
Z축의 정방향(+방향)으로 10πaz가 흐를 때 이 전류로부터 5[m] 지점에 발생되는 자계의 세기 H[A/m]는?
16번
다음 중 스토크스(stokes)의 정리는?
17번
그림과 같은 전기 쌍극자에서 P점의 전계의 세기는 몇[V/m]인가?

18번
전기 쌍극자에 의한 전계의 세기는 쌍극자로부터의 거리 r에 대해서 어떠한가?
19번
그림과 같은 공심 토로이드 코일의 권선수를 N배하면 인덕턴스는 몇 배 되는가?

20번
전위함수가 V = 2x+5yz+3일 때, 점 (2, 1, 0)에서의 전계의 세기는?
2과목 : 전력공학
21번
연가를 해도 효과가 없는 것은?
22번
단락 보호용 계전기의 범주에 가장 적합한 것은?
23번
현수애자 4개를 1련으로 한 66[kV] 송전선로가 있다. 현수애자 1개의 절연저항이 2000[㏁]이라면, 표준 경간을 200[m]로 할 때 1[km]당의 누설 컨덕턴스[℧]는?
24번
배전선로에서 사고범위의 확대를 방지하기 위한 대책으로 적당하지 않은 것은?
25번
직류 송전 방식에 비하여 교류 송전방식의 가장 큰 이점은?
26번
개폐장치 중에서 고장 전류의 차단능력이 없는 것은?
27번
전력 계통의 안정도 향상 대책으로 옳지 않은 것은?
28번
부하전력, 선로 길이 및 선로 손실이 동일할 경우 전선동량이 가장 적은 방식은?
29번
다음 중 동작 시간에 따른 보호 계전기의 분류와 그 설명으로 틀린 것은?
30번
동기조상기 (A)와 전력용 콘덴서 (B)를 비교한 것으로 옳은 것은?
31번
발전기 출력 PG[kW], 연료 소비량 B[kg], 연료의 발열량 H[kcal/kg]일 때 이 화력발전의 열효율은 몇[%]인가?
32번
그림과 같은 회로에 있어서의 합성 4단자 정수에서 B0의 값은?(오류 신고가 접수된 문제입니다. 반드시 정답과 해설을 확인하시기 바랍니다.)

33번
감속재의 온도 계수란?
34번
반지름이 1.2[cm]인 전선 1선을 왕로로 하고 대지를 귀로로 하는 경우 왕복회로의 총 인덕턴스는 약 몇 [mH/km]인가? (단, 등가 대지면의 깊이는 600[m]이다.)
35번
전력계통에서 인터록의 설명으로 알맞은 것은?
36번
연간 전력량이 E[kWh]이고, 연간 최대 전력이 W[kW]인 연부하율은 몇 [%]인가?
37번
수전단을 단락한 경우 송전단에서 본 임피던스는 300[Ω]이고, 수전단을 개방한 경우에는 1200[Ω]이었다. 이 선로의 특성임피던스는?
38번
3상용 차단기의 정격 차단 용량은?
39번
수차의 조속기가 너무 예민하면 어떤 현상이 발생되는가?
40번
송전선로에서 이상전압이 가장 크게 발생하기 쉬운 경우는?
3과목 : 전기기기
41번
유도 전동기에서 권선형 회전자에 비해 농형 회전자의 특성이 아닌 것은?
42번
다음 전동기 중 역률이 가장 좋은 전동기는?
43번
직류 발전기의 유기기전력이 230[V], 극수가 4, 정류자 편수가 162인 정류자 편간 전압은 약 몇 [V]인가? (단, 권선법은 중권이다.)
44번
3150/210[V]의 단상변압기 고압측에 100[V]의 전압을 가하면 가극성 및 감극성일 때에 전압계 지시는 각각 몇 [V]인가?
45번
3상 유도 전동기에서 2차측 저항을 2배로 하면 그 최대 토크는 어떻게 되는가?
46번
원통형 회전자(비철극기)를 가진 동기 발전기는 부하각 δ가 몇도일 때 최대 출력을 낼 수 있는가?
47번
6600/210[V]인 단상 변압기 3대를 Δ-Y 로 결선하여 1상 18[kw] 전열기의 전원으로 사용하다가 이것을 Δ-Δ로 결선했을 때, 이 전열기의 소비전력[kW]은 얼마인가?
48번
스테핑 모터의 속도-토크 특성에 관한 설명 중 틀린 것은?
49번
농형 유도 전동기에 주로 사용되는 속도 제어법은?
50번
단상 변압기가 전부하시 2차 전압은 115[V]이고, 전압 변동률은 2%일 때 1차 단자전압은 몇 [V]인가? (단, 권선비는 20:1이다.)
51번
제 9차 고조파에 의한 기자력의 회전 방향 및 속도는 기본파 회전 자계와 비교할 때 다음 중 적당한 것은?
52번
단상 유도 전동기 중 콘덴서 기동형 전동기의 특성은?
53번
단상 변압기에 있어서 부하역률 80[%]의 지상역률에서 전압 변동률 4[%]이고, 부하역률 100[%]에서 전압 변동률 3[%]라고 한다. 이 변압기의 퍼센트 리액턴스는 약 몇 [%]인가?
54번
직류 발전기를 전동기로 사용하고자 한다. 이 발전기의 정격전압 120[V], 정격전류 40[A], 전기자 저항 0.15[Ω]이며, 전부하일 때 발전기와 같은 속도로 회전시키려면 단자 전압은 몇[V]를 공급하여야 하는가? (단, 전기자 반작용 및 여자 전류는 무시한다.)
55번
동기기의 권선법 중 기전력의 파형이 좋게되는 권선법은?
56번
변압기에 사용하는 절연유가 갖추어야 할 성질이 아닌것은?
57번
동기 전동기에서 전기자 반작용을 설명한 것 중 옳은 것은?
58번
직류 발전기의 병렬 운전에서 부하 분담의 방법은?
59번
정류 회로에서 상의 수를 크게 했을 경우 옳은 것은?
60번
무부하의 장거리 송전선로에 동기 발전기를 접속하는 경우, 송전선로의 자기여자 현상을 방지하기 위해서 동기 조상기를 사용하였다. 이때 동기조상기의 계자전류를 어떻게 하여야 하는가?
4과목 : 회로이론 및 제어공학
61번
Z 변환법을 사용한 샘플치 제어계가 안정되려면 1 + GH(Z) = 0 의 근의 위치는?
62번
2차계의 주파수 응답과 시간 응답간의 관계 중 잘못된 것은?
63번
전달함수
에 ω =0.1인 정현파 입력을 주었을 때 보드선도의 이득은?
에 ω =0.1인 정현파 입력을 주었을 때 보드선도의 이득은?
64번
제어량을 어떤 일정한 목표값으로 유지하는 것을 목적으로 하는 제어법은?
65번
자동제어의 분류에서 제어량의 종류에 의한 분류가 아닌 것은?
66번
미분방정식이
일 때 i(t)는? (단,t=0에서 i(0)=0 이다.)(문제 오류로 전항 정답처리 되었습니다. 여기서는 1번을 누르면 정답 처리 됩니다.)
일 때 i(t)는? (단,t=0에서 i(0)=0 이다.)(문제 오류로 전항 정답처리 되었습니다. 여기서는 1번을 누르면 정답 처리 됩니다.)
67번
s3+11s2+2s +40=0 에는 양의 실수부를 갖는 근은 몇 개 있는가?
68번
다음 블록선도에서 C/R 는?

69번
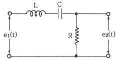
그림과 같은 회로망은 어떤 보상기로 사용될 수 있는가? (단, 1 ≪ R1C 인 경우로 한다.)

70번
계의 특성상 감쇠계수가 크면 위상여유가 크고, 감쇠성이 강하여 (A)는(은) 좋으나 (B)는(은) 나쁘다. A, B를 바르게 묶은 것은?
71번
그림과 같은 π 형 회로에서 4단자 정수 B는?

72번
그림의 전기회로에서 전달함수
는?
는?
73번
다음 파형의 라플라스 변환은?

74번
파형이 톱니파 일 경우 파형률은?
75번
RL 직렬회로에 직류전압 5[V]를 t=0에서 인가하였더니
[mA](t≥0)이었다. 이 회로의 저항을 처음 값의 2배로 하면 시정수는 얼마가 되겠는가?
[mA](t≥0)이었다. 이 회로의 저항을 처음 값의 2배로 하면 시정수는 얼마가 되겠는가?
76번
회로망 출력단자 a-b에서 바라본 등가 임피던스는?

77번
그림과 같은 회로에서 a-b 사이의 전위차[V]는?

78번
각 상의 임피던스가 R+jX[Ω]인 것을 Y 결선으로 한 평형 3상 부하에 선간전압 E[V]를 가하면 선전류는 몇 [A]가 되는가?
79번
저항 R과 리액턴스 X를 병렬로 연결할 때의 역률은?
80번
다음에서 fε(t)는 우함수, f0(t)는 기함수를 나타낸다. 주기함수f(t)=fε(t)+f0(t)에 대한 다음의 서술 중 바르지 못한 것은?
5과목 : 전기설비기술기준 및 판단기준
81번
변전소의 주요 변압기에 시설하지 않아도 되는 계측장치는?
82번
정격전류 35[A]인 과전류 차단기로 보호되는 저압 옥내 전로에 사용되는 연동선의 굵기[mm2]는? (단, 분기점에서 하나의 소켓 또는 하나의 콘센트 등에 이르는 부분의 전선은 제외한다.)(오류 신고가 접수된 문제입니다. 반드시 정답과 해설을 확인하시기 바랍니다.)
83번
고압 또는 특고압과 저압의 혼촉에 의한 위험방지시설로 가공공동지선을 설치하여 2 이상의 시설 장소에 제2종 접지공사를 할 때, 가공공동지선은 지름 몇 [mm] 이상의 경동선을 사용하여야 하는가?
84번
25[KV]이하의 특고압 가공전선로가 상호간 접근 또는 교차하는 경우 사용전선이 양쪽 모두 나전선인 경우 이격거리는 얼마 이상이어야 하는가?
85번
옥내에 시설하는 전동기가 과전류로 소손될 우려가 있을 경우 자동적으로 이를 저지하거나 경보하는 장치를 하여야 한다. 정격출력이 몇 [KW] 이하인 전동기에는 이와 같은 과부하 보호장치를 시설하지 않아도 되는가?
86번
154[KV] 가공전선로를 시가지에 시설하는 경우 특고압 가공전선에 지락 또는 단락이 생기면 몇 초 이내에 자동적으로 이를 전로로부터 차단하는 장치를 시설하는가?
87번
점검할 수 없는 은폐된 장소로 400[V] 미만의 건조한 장소의 옥내배선 공사로 알맞은 것은?
88번
사용전압이 22.9[KV]인 가공전선과 그 지지물사이의 이격거리는 일반적으로 몇 [cm] 이상이어야 하는가?
89번
특고압 전선로에 사용되는 애자장치에 대한 갑종 풍압하중은 그 구성재의 수직투영면적 1[m2]에 대한 풍압하중을 몇 pa 를 기초 하여 계산한 것인가?
90번
저압 가공인입선 시설시 사용할 수 없는 전선은?
91번
직류 귀선의 궤도 근접 부분이 금속제 지중 관로와 1[km]안에 접근하는 경우 금속제 지중관로에 대한 전식작용의 장해를 방지하기 위한 귀선의 시설방법으로 옳은 것은?(오류 신고가 접수된 문제입니다. 반드시 정답과 해설을 확인하시기 바랍니다.)
92번
옥내에 시설하는 저압전선으로 나전선을 사용할 수 없는 공사는?
93번
440[V]의 저압 배선을 사람의 접촉 우려가 없는 경우에 금속관 공사를 하였을 때 금속관에는 어떤 접지 공사를 해야 하는가?(오류 신고가 접수된 문제입니다. 반드시 정답과 해설을 확인하시기 바랍니다.)
94번
발전소 또는 변전소로부터 다른 발전소 또는 변전소를 거치지 아니하고 전차선로에 이르는 전선을 무엇이라 하는가?
95번
가공 케이블 시설시 고압 가공전선에 케이블을 사용하는 경우 조가용선은 단면적이 몇 [mm2] 이상인 아연도 강연선이어야 하는가?
96번
3300[V] 고압 가공전선을 교통이 번잡한 도로를 횡단하여 시설하는 경우 지표상 높이를 몇 [m] 이상으로 하여야 하는가?(오류 신고가 접수된 문제입니다. 반드시 정답과 해설을 확인하시기 바랍니다.)
97번
특고압 가공전선로의 경간은 지지물이 철탑인 경우 몇[m] 이하이어야 하는가? (단, 단주가 아닌 경우이다.)
98번
최대사용전압이 154[KV]인 중성점 직접접지식 전로의 절연내력 시험전압은 몇 [V] 인가?
99번
특고압 가공전선로 및 선로길이 몇 [km] 이상의 고압 가공전선로에는 보안상 특히 필요한 경우에 가공전선로의 적당한 곳에서 통화할 수 있도록 휴대용 또는 이동용의 전력보안 통신용 전화설비를 시설하여야 하는가?(오류 신고가 접수된 문제입니다. 반드시 정답과 해설을 확인하시기 바랍니다.)
100번
저압 가공전선 또는 고압 가공전선이 건조물과 접근상태로 시설되는 경우 상부 조영재의 옆쪽과의 이격거리는 각가 몇 [m]인가?
연도별
- 2022년04월24일
- 2022년03월05일
- 2021년08월14일
- 2021년05월15일
- 2021년03월07일
- 2020년09월26일
- 2020년08월22일
- 2020년06월06일
- 2019년08월04일
- 2019년04월27일
- 2019년03월03일
- 2018년08월19일
- 2018년04월28일
- 2018년03월04일
- 2017년08월26일
- 2017년05월07일
- 2017년03월05일
- 2016년08월21일
- 2016년05월08일
- 2016년03월06일
- 2015년08월16일
- 2015년05월31일
- 2015년03월08일
- 2014년08월17일
- 2014년05월25일
- 2014년03월02일
- 2013년08월18일
- 2013년06월02일
- 2013년03월10일
- 2012년08월26일
- 2012년05월20일
- 2012년03월04일
- 2011년08월21일
- 2011년06월12일
- 2011년03월20일
- 2010년07월25일
- 2010년05월09일
- 2010년03월07일
- 2009년07월26일
- 2009년05월10일
- 2009년03월01일
- 2008년07월27일
- 2008년05월11일
- 2008년03월02일
- 2007년08월05일
- 2007년05월13일
- 2007년03월04일
- 2006년08월06일
- 2006년05월14일
- 2006년03월05일
- 2005년08월07일
- 2005년05월29일
- 2005년03월06일
- 2004년08월08일
- 2004년05월23일
- 2004년03월07일
- 2003년08월10일
- 2003년05월25일
- 2003년03월16일