전기기사 (2003년03월16일 기출문제)
1과목 : 전기자기학
1번
공간 도체내의 한점에 있어서 자속이 시간적으로 변화하는 경우에 성립하는 식은?
2번
한변의 길이가 ℓ[m]인 정사각형 도체에 전류 I[A]가 흐르고 있을 때 중심점 P의 자계의 세기는 몇 A/m 인가?

3번
다음 사항 중 옳은 것은?
4번
내압이 1㎸이고 용량이 각각 0.01㎌, 0.02㎌, 0.04㎌인 콘덴서를 직렬로 연결했을 때 전체 콘덴서의 내압은 몇 V 인가?
5번
철심이 들어있는 환상코일에서 1차코일의 권수가100회일 때 자기인덕턴스는 0.01H이었다. 이 철심에 2차코일을 200회 감았을 때 2차코일의 자기인덕턴스와 상호인덕턴스는 각각 몇 H 인가?
6번
내원통의 반지름 a, 외원통의 반지름 b인 동축원통 콘덴서의 내외 원통사이에 공기를 넣었을 때 정전용량이 Co이었다. 내외 반지름을 모두 3배로 하고 공기대신 비유전률 9 인 유전체를 넣었을 경우의 정전용량은?
7번
분극 중 온도의 영향을 받는 분극은?
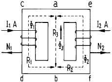
8번
그림과 같은 자기회로에서 R1, R2, R3는 각 회로의 자기 저항이고 Φ1, Φ2, Φ3는 각각 R1, R2, R3 에 투과되는 자속이라 하면 Φ3 의 값은? (단,
이다.)
이다.)
9번
자계의 세기 H[AT/m], 자속밀도 B[Wb/m2], 투자율 μ[H/m]인 곳의 자계의 에너지 밀도는 몇 J/m3 인가?
10번
단면적 S, 평균반지름 r, 권회수 N인 토로이드코일에 누설자속이 없는 경우, 자기인덕턴스의 크기는?
11번
반지름 a[m]의 원판형 전기 2중층의 중심축상 x[m]의 거리에 있는 점 P(+전하측)의 전위는 몇 V 인가? (단, 2중층의 세기는 M[C/m]이다.)
12번
자유공간 중에서 전위 V=xyz[V]일 때 0≤x≤1, 0≤y≤1, 0≤z≤1인 입방체에 존재하는 정전에너지는 몇 J인가?
13번
자기회로의 자기저항에 대한 설명으로 옳은 것은?
14번
그림에서 ℓ =100cm, S=10cm2, μs=100, N=1000회인 회로에 전류 I=10A를 흘렸을 때 저축되는 에너지는 몇 J 인가?

15번
쌍극자 모멘트가 M[C.m]인 전기쌍극자에 의한 임의의 점 P의 전계의 크기는 전기쌍극자의 중심에서 축방향과 점 P를 잇는 선분사이의 각이 얼마일 때 최대가 되는가?
16번
유전체 역률(tanδ)과 무관한 것은?
17번
(일정)이란 전기력선 방정식이 성립할 수 있는 조건 중 틀린 것은?
(일정)이란 전기력선 방정식이 성립할 수 있는 조건 중 틀린 것은?
18번
반지름 a인 원형코일의 중심축상 r[m]의 거리에 있는 점 P의 자위는 몇 A 인가? (단, 점 P에 대한 원의 입체각을 ω, 전류 I를[A]라 한다.)
19번
변위전류와 가장 관계가 깊은 것은?
20번
원통좌표계에서 전류밀도
일 때 암페어의 법칙을 사용하여 자계의 세기 H 를 구하면? (단, K는 상수이다.)
일 때 암페어의 법칙을 사용하여 자계의 세기 H 를 구하면? (단, K는 상수이다.)
2과목 : 전력공학
21번
3상선로에서 회로의 상규선간전압을 Vn[kV], 계통의 전전원의 용량에 상당하는 전류를 In[A], Vn과 In을 기준으로하여 %로 나타낸 %임피던스를 %Zs라 할 때 3상 단락 전류를 계산하는 식은?
22번
변전소, 발전소 등에 설치하는 피뢰기에 대한 설명 중 옳지 않은 것은?
23번
단도체 대신 같은 단면적의 복도체를 사용할 때 옳은 것은?
24번
각 전력계통을 연락선으로 상호 연결하면 여러가지의 장점이 있다. 옳지 않은 것은?
25번
화력발전소에서 재열기로 가열하는 것은?
26번
어느 수용가가 당초에 지상역률 80%로 60kW의 부하를 사용하고 있었는데 새로이 지상역률 60%, 40kW의 부하를 증가해서 사용하게 되었다. 이때 전력용콘덴서로 합성역률을 90%로 개선하려고 한다면 전력용콘덴서의 소요 용량은 약 몇 kVA 가 필요한가?
27번
송전계통의 전력용콘덴서와 직렬로 연결하는 직렬리액터로 제거되는 고조파는?
28번
전력회로에 사용되는 차단기의 차단용량을 결정할 때 이용되는 것은?
29번
그림과 같은 전력계통의 154kV 송전선로에서 고장 지락 임피던스 Zgf를 통해서 1선 지락고장이 발생되었을 때 고장점에서 본 영상 %임피던스는? (단, 그림에 표시한 임피던스는 모두 동일 용량 즉, 100MVA기준으로 환산한 %임피던스임)

30번
변압기의 %임피던스가 표준치보다 훨씬 클 때 고려하여야 할 문제점은?
31번
변전소에 사용되는 축전지의 용량 계산에 고려되지 않는 사항은?
32번
수력발전소의 댐을 설계하거나 저수지의 용량 등을 결정하는데 가장 적당한 것은?
33번
차단기에서 차단시간을 옳게 설명한 것은?
34번
송전선로의 1선 지락고장시, 인접 통신선에 대한 전자 유도장애의 방지대책이 아닌 것은?
35번
동일 전압, 동일 부하, 동일 전력손실의 조건에서 단상 2선식의 소요전선 총량을 100 이라 할 때 3상 3선식의 소요 전선 총량은 얼마인가?
36번
소호리액터 접지방식에서 10%정도의 과보상을 한다고 할때 사용되는 탭의 크기로 일반적인 것은?
37번
각 수용가의 수용설비용량이 50kW, 100kW, 80kW, 60kW, 150kW이며 각각의 수용률이 0.6, 0.6, 0.5, 0.5, 0.4 일때 부하의 부등률이 1.3 이라면 변압기 용량은 약 몇 kVA가 필요한가? (단, 평균 부하역률은 80%라고 한다.)
38번
전압이 다른 송전선로를 루프로 사용하여 조류제어 할 때 필요한 기기는?
39번
주상변압기의 2차측 접지공사는 어느 것에 의한 보호를 목적으로 하는가?

40번
높이가 같고 경간이 200m인 철탑에 38mm2의 경동연선을 가선할 때 이도(dip)는 몇 m 인가? (단, 경동연선의 인장하중은 1400kg, 안전율은 2.2, 전선 자체의 무게는 0.333kg/m라고 한다.)
3과목 : 전기기기
41번
15[KW], 60[Hz], 4극의 3상 유도 전동기가 있다. 전부하가 걸렸을 때의 슬립이 4[%]라면 이때의 2차(회전자)측 동손및 2차 입력은?(오류 신고가 접수된 문제입니다. 반드시 정답과 해설을 확인하시기 바랍니다.)
42번
보호계전기 구성요소의 기본원리에 속하지 않는 것은?
43번
계자 철심에 잔류 자기가 없어도 발전되는 직류기는?
44번
동기전동기의 용도가 아닌 것은?
45번
3상 전압조정기의 원리는 어느 것을 응용한 것인가?
46번
8극 60[Hz], 500[KW]의 3상 유도 전동기의 전부하 슬립이 2.5[%]라 한다. 이때의 회전수[rps]는?
47번
다음중 동기발전기의 여자방식이 아닌 것은?
48번
2방향성 3단자 다이리스터는 어느 것인가?
49번
전압변동률이 작은 동기발전기는?
50번
직류기에 있어서 불꽃없는 정류를 얻는데 가장 유효한 방법은?
51번
직류 발전기의 극수 8, 전기자 도체수가 400을 단중 파권으로 하였을 때 매극의 자속수가 0.01[Wb] 이면 600[rpm]로 회전하였을 때의 기전력은 얼마인가?
52번
그림과 같은 유도전동기가 있다. 고정자의 회전자계가 매초 100회전하고 회전자가 매초 95회전하고 있을 때 회전자의 도체에 유기되는 기전력의 주파수[Hz]는?

53번
어떤 변압기의 전압변동률은 부하역률 100[%]에서 2[%], 부하역률 80[%]에서 3[%]이다. 이 변압기의 최대 전압 변동률[%]은 약 얼마인가?
54번
단자전압 200[V], 전류 50[A], 15[㎾]를 소비하는 3상 유도전동기의 역률[%]은?
55번
분권전동기의 설명 중 가장 옳은 것은? (단, 무부하의 경우)
56번
회전 변류기의 직류측 전압을 조정하려는 방법이 아닌것은?
57번
3300[V], 60[Hz]용 변압기의 와류손이 360[W]이다. 이 변압기를 2750[V], 50[Hz]에서 사용할 때 이 변압기의 와류 손은 몇 [W]인가?
58번
단권 변압기(Auto transformer)에 대한 말이다.옳지 않은 것은?
59번
피크 역전압 5000[V]에 견딜수 있는 정류회로 소자를 이용하여 얻어지는 무부하 직류전압 (평균치)는 3상 부리지 정류인때 약 몇[V]인가?
60번
동기발전기의 돌발단락 전류를 주로 제한하는 것은?
4과목 : 회로이론 및 제어공학
61번
샘플러의 주기를 T라 할때 S-평면상의 모든점은 식 Z=eST에 의하여 Z-평면상에 사상된다. S-평면의 좌반평면상의 모든 점은 Z-평면상 단위원의 어느 부분으로 사상되는 가?
62번
상태방정식 X = AX + BU 인 제어계의 특성방정식은?
63번
60[Hz], 100[V]의 교류전압이 200[Ω ]의 전구에 인가될 때 소비되는 평균전력은 얼마인가?
64번
폐루우프 전달함수
인 계에서 대역폭(帶域幅, BW)은 몇 [rad]인가?
인 계에서 대역폭(帶域幅, BW)은 몇 [rad]인가?
65번
수전단 개방시의 무손실 선로에 있어서 입력 임피던스의 절대치를 특성 임피던스와 같게 하려면 선로의 길이를 파장의 몇배로 하면 되는가?
66번
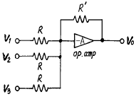
그림과 같이 이득이 A인 연산 증폭기 회로에서 출력 전압 Vo을 나타낸 것은? (단, V1, V2, V3는 입력 신호전압이다.)

67번
기전력 2[V], 내부저항 0.5[Ω]의 전지 9개가 있다. 이것을 3개씩 직렬로 하여 3조 병렬 접속한 것에 부하저항 1.5[Ω]을 접속하면 부하전류[A]는?
68번
다음 안정도 판별법 중 G(s)H(s)의 극점과 영점이 우반평면에 있을 경우 판정불가능한 방법은?
69번
그림과 같은 구형파의 라플라스 변환은?

70번
2단자 임피던스 함수 Z(s)가 Z(s)=s+3/(s+4)(s+5)일 때의 영점은?
71번
연료의 유량과 공기의 유량과의 사이의 비율을 연소에 적합한 것으로 유지하고자 하는 제어는?
72번
그림과 같은 회로의 전달함수는? (
: 시정수이다.)
: 시정수이다.)
73번
그림과 같은 신호흐름선도에서 C/R를 구하면?

74번
는?
는?
75번
그림의 R-C 직렬회로에서
로 주어질 때 i(t)는?
로 주어질 때 i(t)는?
76번
다음중 온도를 전압으로 변환시키는 요소는?
77번
G(s)H(s)=
에서 점근선의 교차점은?
에서 점근선의 교차점은?
78번
2개의 전력계를 사용하여 평형부하의 3상회로에 역률을 측정하고자 한다. 전력계의 지시값이 각각 P1, P2 일때 이 회로의 역률은?
79번
저항 R[Ω] 3개를 Y로 접속한 회로에 전압 200[V]의 3상 교류전원을 인가시 선전류가 10[A]라면 이 3개의 저항을 △로 접속하고 동일전원을 인가시 선전류는 몇[A]인가?
80번
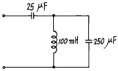
그림과 같은 2단자 회로에서 반공진각주파수 ωr을 구하시오.

5과목 : 전기설비기술기준 및 판단기준
81번
고압 지중케이블로서 직접 매설식에 의하여 콘크리트제 기타 견고한 관 또는 트라프에 넣지 않고 부설할 수 있는 케이블은?
82번
폭발성 또는 연소성의 가스가 침입할 우려가 있는 곳에 시설하는 지중함으로서 그 크기가 몇 m3 이상인 것에는 통풍장치 기타 가스를 방산시키기 위한 적당한 장치를 시설하여야 하는가?
83번
고압 가공전선로의 가공지선으로 나동복강선을 사용할 경우 지름 몇 ㎜ 이상의 것을 사용하여야 하는가?(관련 규정 개정전 문제로 여기서는 기존 정답인 4번을 누르면 정답 처리됩니다. 자세한 내용은 해설을 참고하세요.)
84번
154000V 특별고압 가공전선로를 시가지에 위험의 우려가 없도록 시설하는 경우, 지지물로 A종 철주를 사용한다면 경간은 최대 몇 m 이하인가?
85번
전기온돌 등의 전열장치를 시설할 때 발열선을 도로, 주차장 또는 조영물의 조영재에 고정시켜서 시설하는 경우, 발열선에 전기를 공급하는 전로의 대지전압은 몇 V 이하이어야 하는가?
86번
물기가 많고 전개된 장소에서 440V 옥내배선을 할 때 채용할 수 없는 공사의 종류는?
87번
흥행장의 저압 전기설비공사로 무대, 무대마루 밑, 오케스트라 박스, 영사실 기타 사람이나 무대 도구가 접촉할 우려가 있는 곳에 시설하는 저압 옥내배선, 전구선 또는 이동전선은 사용전압이 몇 V 미만이어야 하는가?
88번
22.9kV 배전선로(나전선)와 건조물에 취부된 안테나와의 수평 이격거리는 최소 몇 m 이상이어야 하는가?
89번
특별고압 가공전선로의 지지물에 시설하는 통신선 또는 이에 직접 접속하는 가공 통신선의 높이는 철도 또는 궤도를 횡단하는 경우에는 궤조면상 몇 m 이상으로 하여야 하는가?
90번
사용전압이 35000V이하인 특별고압 가공전선이 건조물과 제2차 접근상태로 시설되는 경우에 특별고압 가공전선로는 어떤 보안공사를 하여야 하는가?(관련 규정 개정전 문제로 여기서는 기존 정답인 2번을 누르면 정답 처리됩니다. 자세한 내용은 해설을 참고하세요.)
91번
발전소에는 필요한 계측장치를 시설하여야 한다. 다음 중 시설하지 않아도 되는 계측장치는?
92번
전로의 중성점 접지의 목적으로 볼 수 없는 것은?
93번
가공공동지선에 의한 제2종 접지공사에서 가공공동지선과 대지간의 합성 전기저항치는 몇 m 를 지름으로 하는 지역 안마다 규정하는 접지 저항치를 가지는 것으로 하여야 하는가?
94번
중량물이 통과하는 장소에 비닐외장케이블을 직접 매설식으로 시설하는 경우, 매설깊이는 최소 몇 m 인가?(관련 규정 개정전 문제로 여기서는 기존 정답인 3번을 누르면 정답 처리됩니다. 자세한 내용은 해설을 참고하세요.)
95번
금속관공사를 콘크리트에 매설하여 시설하려고 한다. 관의 두께는 몇 ㎜ 이상이어야 하는가?
96번
154kV가공전선로를 제1종특별고압보안공사에 의하여 시설하는 경우 사용 전선은 단면적 몇 ㎜2 의 경동연선 또는 이와 동등 이상의 세기 및 굵기의 연선이어야 하는가?
97번
발, 변전소에서 차단기에 사용하는 압축공기장치의 공기 압축기는 최고 사용압력의 몇 배의 수압을 계속하여 10분간 가하여 시험한 경우 이상이 없어야 하는가?
98번
교류 전차선이 교량의 밑에 시설되는 경우, 교량의 가더 등의 금속제 부분에는 어떤 접지공사를 하여야 하는가?(관련 규정 개정전 문제로 여기서는 기존 정답인 3번을 누르면 정답 처리됩니다. 자세한 내용은 해설을 참고하세요.)
99번
220V용 유도전동기의 철대 및 금속제 외함에 적합한 접지 공사는?
100번
사용전압이 몇 V 이상의 중성점 직접 접지식 전로에 접속하는 변압기를 설치하는 곳에는 절연유의 구외 유출 및 지하 침투를 방지하기 위하여 절연유 유출 방지설비를 하여야 하는가?
연도별
- 2022년04월24일
- 2022년03월05일
- 2021년08월14일
- 2021년05월15일
- 2021년03월07일
- 2020년09월26일
- 2020년08월22일
- 2020년06월06일
- 2019년08월04일
- 2019년04월27일
- 2019년03월03일
- 2018년08월19일
- 2018년04월28일
- 2018년03월04일
- 2017년08월26일
- 2017년05월07일
- 2017년03월05일
- 2016년08월21일
- 2016년05월08일
- 2016년03월06일
- 2015년08월16일
- 2015년05월31일
- 2015년03월08일
- 2014년08월17일
- 2014년05월25일
- 2014년03월02일
- 2013년08월18일
- 2013년06월02일
- 2013년03월10일
- 2012년08월26일
- 2012년05월20일
- 2012년03월04일
- 2011년08월21일
- 2011년06월12일
- 2011년03월20일
- 2010년07월25일
- 2010년05월09일
- 2010년03월07일
- 2009년07월26일
- 2009년05월10일
- 2009년03월01일
- 2008년07월27일
- 2008년05월11일
- 2008년03월02일
- 2007년08월05일
- 2007년05월13일
- 2007년03월04일
- 2006년08월06일
- 2006년05월14일
- 2006년03월05일
- 2005년08월07일
- 2005년05월29일
- 2005년03월06일
- 2004년08월08일
- 2004년05월23일
- 2004년03월07일
- 2003년08월10일
- 2003년05월25일
- 2003년03월16일