전기기사 (2010년07월25일 기출문제)
1과목 : 전기자기학
1번
길이 1m, 단면적 15[cm2]인 무단 솔레노이드에 0.01[Wb]의 자속을 통하는데 필요한 기자력은? (단, 철심의 비투자율을 1000이라 한다.)
2번
정현파 자속의 주파수를 2배로 높이면 유기 기전력은?
3번
내도체의 반지름이 1/(4πε)[㎝], 외도체의 반지름이 1/(πε)[㎝]인 동심구 사이를 유전율이 ε[F/m]인 매질로 채웠을 때 도체 사이의 정전 용량은?
4번
반지름 a[m]인 2개의 원형 선조 루프가 ±Z축 상에 그림과 같이 놓여진 경우 I[A]의 전류가 흐를 때, 원형 전류 중심축상의 자계 Hz [A/m]는? (단, az, aø는 단위벡터이다.)

5번
지구 중심방향으로 향하는 300[V/m]의 전계가 지표면에 있다면 그 표면의 전하 밀도는? (단, 지구는 도체로 본다.)
6번
서로 같은 두개의 구 도체에 동일양의 전하를 대전 시킨 후 20[㎝] 떨어뜨린 결과 구 도체에 서로 6×10-4[N]의 반발력이 작용한다. 구 도체에 주어진 전하는?
7번
자유 공간을 진행하는 전자기파의 전계와 자계의 위상차는?
8번
자성체 내에서 임의의 방향으로 배열되었던 자구가 외부 자장의 힘이 일정치 이상이 되면 순간적으로 회전하여 자장의 방향으로 배열되기 때문에 자속 밀도가 증가하는 현상은?
9번
순수한 물 (ℇs=80, μs=1)중에 있어서의 고유 임피던스는?
10번
평균길이 1[m], 권수 1000회의 솔레노이드 코일에 비투자율 1000의 철심을 넣고 자속밀도 1[Wb/m2]를 얻기 위해 코일에 흘려야 할 전류는?
11번
z방향으로 진행하는 평면파에 대한 설명으로 잘못된 것은?
12번
길이 8m의 도선으로 정사각형을 만들고 직류 π[A]를 흘렸을 때, 그 중심에서의 자계의 세기는?
13번
진공 중에 선간거리 1[m]의 평행왕복 도선이 있다. 두 선간에 작용하는 힘이 4×10-7[N/m]이었다면 전선에 흐르는 전류는?(오류 신고가 접수된 문제입니다. 반드시 정답과 해설을 확인하시기 바랍니다.)
14번
자기회로에 대한 설명으로 틀린 것은?
15번
최대 정전용량 C0[F]인 그림과 같은 콘덴서의 정전용량이 각도에 비례하여 변화한다고 한다. 이 콘덴서를 전압 V[V]로 충전했을 때, 회전자에 작용하는 토크는?

16번
두 유전체의 경계면에서 정전계가 만족하는 것은?
17번
다음 설명 중 잘못된 것은?
18번
다음 중 비투자율이 가장 큰 것은?
19번
극판의 면적이 4[cm2], 정전 용량이 10pF 인 종이 콘덴서를 만들려고 한다. 비유전율 2.5, 두께 0.01mm의 종이를 사용하면 약 몇 장을 겹쳐야 되겠는가?
20번
저항 20[Ω]인 동선과 저항 90[Ω]인 망간선을 직렬로 접속한 경우 회로의 합성 온도 계수는? (단, 동선의 온도계수 α1=0.00427이고, 망간선의 온도계수 α2≒0이다.)
2과목 : 전력공학
21번
송전선로에서 역섬락을 방지하는데 가장 유효한 방법은?
22번
전력계통에서 인터록(inter lock)의 설명으로 알맞은 것은?
23번
다음 중 보호 계전 방식이 그 역할을 다하기 위하여 요구 되어지는 구비 조건과 거리가 먼 것은?
24번
정격 전압 154[kV], 1선의 유도 리액턴스가 20[Ω]인 3상 3선식 송전선로에서 154[kV], 100[MVA]기준으로 환산한 이 선로의 % 리액턴스는?
25번
다음 송전선로의 전기 방식 중 전선의 중량(전선비용)이 가장 적게 소요되는 방식은? (단, 송전전압, 송전거리, 송전전력 및 선로 손실은 같다.)
26번
전력 퓨즈에 대한 설명 중 틀린 것은?
27번
화력발전소에서 열사이클의 효율 향상을 기하기 위한 방법이 아닌 것은?
28번
전력계통에서 전력용 콘덴서와 직렬로 연결하는 리액터로 제거되는 고조파는?
29번
원자력 발전소에서 원자로의 냉각재가 갖추어야 할 조건으로 잘못된 것은?
30번
저압 뱅킹배전방식에서 캐스케이딩 현상이란?
31번
전력계통의 주회로에 사용되는 것으로 고장 전류와 같은 대전류를 차단할 수 있는 것은?
32번
최근 송전 계통에 단권변압기가 사용되고 있다. 그 특성과 관계가 없는 것은?
33번
저압 배전선의 배전 방식 중 배전 설비가 단순하고, 공급 능력이 최대인 경제적 배분 방식이며, 국내에서 220/380[V] 승압 방식으로 채택된 방식은?
34번
154[kV], 60[Hz], 길이 50[km]인 3상 송전선로에서 Cs=0.004[μF/㎞], Cm=0.0012[μF/㎞]일 때, 1선에 흐르는 충전전류 [A]는?
35번
수압관 안의 한 점에서 흐르는 물의 압력을 측정한 결과 9[㎏/cm2]이고, 유속을 측정한 결과 49[m/s]이었다. 그 점에서의 압력 수두는?
36번
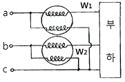
그림과 같은 배전선이 있다. 급전점 O의 전압을 110V라 하면 C점의 전압은? (단, OA, AB, BC간의 저항은 각각 0.2[Ω]이며, 부하 역률은 100%이다.)

37번
유효접지 계통에서 피뢰기의 정격전압을 결정하는데 가장 중요한 요소는?
38번
직류 송전방식에 대한 설명으로 틀린 것은?
39번
변압기의 내부 고장 보호용으로 사용되는 계전기는?
40번
다음 중 송전선의 코로나손과 가장 관계가 깊은 것은?
3과목 : 전기기기
41번
병렬 운전을 하고 있는 동기 발전기에서 난조를 일으키는 원인이 아닌 것은?
42번
3상 직권 정류자 전동기에서 중간 변압기를 사용하는 주된 이유가 아닌 것은?
43번
변압기의 임피던스 전압은?
44번
20[HP],4극, 60[Hz]의 3상 유도전동기가 있다. 전부하 슬립이 4[%]일 때 전부하시의 토크는?(단, 1[HP]=746[W]이다)
45번
1[MVA], 3300[V], 동기 임피던스 6[Ω] 2대의 3상 교류발전기를 병렬운전 중 한 발전기의 계자를 강화해서 두 유도기전력(상전압) 사이에 210[V]의 전압차가 생기게 했을 때 두 발전기 사이에 흐르는 무효횡류[A]는?
46번
변압기 내부의 백분율 저항강하와 백분율 리액턴스강하는 각각 3%, 4%이다. 부하의 역률이 지상 60%일 때 변압기의 전압변동율은?
47번
두 개의 동기 발전기가 병렬운전하고 있다. 그림과 같이 동기 검정기가 접속되었을 때, 상회전 방향이 일치되어 있다면?

48번
권선형 유도 전동기 저항 제어법의 단점 중 틀린 것은?
49번
직류기의 권선을 단중 파권으로 감으면?
50번
10[HP], 4극, 60[hz] 3상 유도전동기의 전전압 기동 토크가 전부하 토크의 1/3일 때, 탭 전압이 1/√3인 기동 보상기로 기동하면 그 기동 토크는 저부하 토크의 몇 배가 되겠는가?
51번
단상 전파 정류회로에서 저항 부하시 맥동률은 약 얼마인가?
52번
분권 직류전동기에서 부하의 변동이 심할 때, 광범위하고 안정되게 속도를 제어하는 가장 적당한 방식은?
53번
극수가 24일 때, 전기각 180º에 해당되는 기계각은?
54번
단상 유도전동기에서 2전 동기설(two motor theory)에 관한 설명 중 틀린 것은?
55번
200[V], 60[Hz], 4극, 20[kW]의 3상 유도전동기가 있다. 전부하일 때의 회전수가 1728[rpm]이면 2차 효율[%]은?
56번
유입 변압기에 기름을 사용하는 목적이 아닌 것은?
57번
동기발전기에서 무부하 정격 전압일 때의 여자전류를 If0, 정격부하 정격전압일 때의 여자전류를 If1, 3상 단락 정격 전류에 대한 여자 전류를 Ifs라 하면 정격 속도에서의 단락비는?
58번
그림과 같은 환류다이오드를 사용하여 전파정류 할 때 출력 전압의 평균값은? (단, α는 점호각이다.)

59번
60[Hz]의 변압기에 50[Hz]의 동일 전압을 가했을 때의 자속밀도는 60[Hz]일 때의 몇 배인가?
60번
외분권 차동 복권발전기의 단자전압 V는? (øs : 직권 계자 권선에 의한 자속, øf : 분권 계자의 자속, Ra : 전기자의 저항, Rs : 직권 계자저항, Ia : 전기자의 전류, I[A] :부하전류, n[rps] : 속도, k=PZ/a이며, 자기회로의 포화현상과 전기자 반작용은 무시한다.)
4과목 : 회로이론 및 제어공학
61번
다음 회로를 신호흐름선도로 나타낸 것은?

62번
특성 방정식 Ks3+s2-2s+5=0인 제어계의 안정상태는?
63번
제어계 중에서 물체의 위치(속도, 가속도), 각도(자세, 방향)등의 기계적인 출력을 목적으로 하는 제어는?
64번
그림과 같은 제어계에서 단위 계단 입력 D가 인가될 때 외란 D에 의한 정상편차는?

65번
Laplace 변환된 함수 X(s)=1/(s(s+1))에 대한 z변환은?
66번
시스템의 특성이 G(s)=C(s)/U(s)=1/s2과 같을 때 천이행렬은?
67번
논리식 L=
를 간략화한 것은?
를 간략화한 것은?
68번
나이퀴스트(Nyquist)의 안정론에서는 벡터 궤적과 점(X, Y)의 상대적 관계로 안정판별이 결정되는데 이때, X, Y의 값으로 옳은 것은?
69번
개루프 전달함수 G(s)H(s)=(K(S+1))/(S(S+2))일 경우, 실수축상의 근 궤적의 범위는?
70번
다음 중 t=0에서 상태 천이행렬 ø(t)=eat의 값은?
71번
다음 그림과 같이 2개의 전력계에 의한 3상 전력 측정 시전 3상 전력 [W]는?

72번
내부에 기전력이 있는 회로가 있다. 이 회로의 한 쌍의 단자 전압을 측정하였을 때 70[V]이고, 또 이 단자에서 본 이 회로의 임피던스가 60[Ω]이라 한다. 지금 이 단자에 40[Ω]의 저항을 접속하면 이 저항에 흐르는 전류는?
73번
각상의 임피던스가 6+j8[Ω]인 평형 Y부하에 선간전압 220[V]인 대칭 3상 전압을 가하였을 때 선전류는?
74번
어떤 정현파 전압의 평균값이 150[V]이면 최대값은 약 얼마인가?
75번
f(t)=sint+2cost를 라플라스 변환하면?
76번
어떤 회로망의 4단자 정수 중에서 A=8, B=j2, D=3+j2 이면, 이 회로망의 C 는?
77번
어떤 회로에 100+j20[V]인 전압을 가했을 때, 8+j6[A]인 전류가 흘렀다면 이 회로의 소비전력[W]은?
78번
1상의 임피던스 Z=4+j3[Ω]인 평형 Y 부하에 평형 3상 전압 208[V]가 인가되었다면 소비전력[W]은?
79번
다음과 같은 회로가 정저항 회로가 되기 위한 R값은? (단, L=4[mH], C=0.1[μF]이다.)

80번
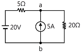
다음의 회로에서 저항 20[Ω]에 흐르는 전류는?

5과목 : 전기설비기술기준 및 판단기준
81번
지중 전선로 시설 규정 중 옳은 것은?(관련 규정 개정전 문제로 여기서는 기존 정답인 4번을 누르면 정답 처리됩니다. 자세한 내용은 해설을 참고하세요.)
82번
저압 옥측전선로를 시설하는 경우 옳지 않은 공사는? (단, 전개된 장소로서 목조 이외의 조영물에 시설하는 경우)
83번
유도장해의 방지를 위한 규정으로 사용전압 60[kV] 이하인 가공 전선로의 유도 전류는 전화선로의 길이 12[km] 마다 몇 [μA]를 넘지 않도록 하여야 하는가?
84번
저압 가공전선과 고압 가공전선을 동일 지지물에 시설하는 경우 저압 가공전선과 고압 가공전선 이격거리는 몇 [㎝] 이상이어야 하는가?
85번
사용 전압이 400[V]미만인 저압 가공 전선으로 절연전선을 사용하는 경우, 지름 몇 [mm] 이상의 경동선을 사용하여야 하는가?(오류 신고가 접수된 문제입니다. 반드시 정답과 해설을 확인하시기 바랍니다.)
86번
전로에 시설하는 기계기구 중에서 외함 접지공사를 생략할 수 없는 경우는?
87번
강색 차선과 대지 사이의 절연 저항은 사용전압에 대한 누설전류가 궤도의 연장 1[km]마다 몇 [mA]를 넘지 않도록 하여야 하는가?
88번
제1종 접지공사의 접지선의 굵기는 공칭단면적 몇 [mm2] 이상의 연동선이어야 하는가?(관련 규정 개정전 문제로 여기서는 기존 정답인 3번을 누르면 정답 처리됩니다. 자세한 내용은 해설을 참고하세요.)
89번
애자사용 공사에 의한 고압 옥내배선 공사를 할 때, 전선의 지지점간의 거리는 몇 [m] 이하로 하여야 하는가? (단, 전선은 조영재 면을 따라 붙였다고 한다.)
90번
가공 전선로의 지지물에 시설하는 지선에 관한 사항으로 옳은 것은?
91번
고압 가공전선과 건조물의 상부 조영재와의 옆쪽 이격거리는 몇 [m] 이상이어야 하는가? (단, 전선에 사람이 쉽게 접촉할 우려가 있고 케이블이 아닌 경우)
92번
발전소에서 개폐기 또는 차단기에 사용하는 압축공기 장치는 수압을 연속하여 10분간 가하여 시험하였을 때 최고 사용 압력 및 몇 배의 수압에 견디고 새지 않아야 하는가?
93번
최대사용전압이 7[kV]를 넘는 회전기의 절연내력 시험은 최대 사용 전압 몇 배의 전압에서 10분간 견디어야 하는가?
94번
사용전압이 154[kV]인 가공 전선로를 제 1종 특고압 보안공사로 시설할 때 사용되는 경동연선의 단면적은 몇 [mm2] 이상 이어야 하는가?
95번
금속관 공사에 의한 저압 옥내배선의 방법으로 틀린 것은?
96번
특고압의 기계기구 모선 등을 옥외에 시설하는 변전소의 구내에 취급자 이외의 자가 들어가지 못하도록 시설하는 울타리, 담 등의 높이는 몇 [m] 이상으로 하여야 하는가?
97번
저압 옥내 배선 공사 중 인입용 비닐 절연전선을 사용할 수 없는 공사는?
98번
풀용 수중 조명등에 전기를 공급하기 위한 절연 변압기의 2차측 전로의 사용전압이 30[V] 이하이다. 1차 권선과 2차 권선 사이에 금속제의 혼촉 방지판을 설치한 경우 제 몇 종 접지공사를 하여야 하는가?(오류 신고가 접수된 문제입니다. 반드시 정답과 해설을 확인하시기 바랍니다.)
99번
전력 보안 가공 통신선을 횡단보도교 위에 설치하고자 할 때, 노면상의 높이는 몇 [m] 이상이어야 하는가?
100번
발전소에는 운전 보안상 각종의 계측 장치를 시설하여야 한다. 다음 중 계측 대상이 아닌 것은?
연도별
- 2022년04월24일
- 2022년03월05일
- 2021년08월14일
- 2021년05월15일
- 2021년03월07일
- 2020년09월26일
- 2020년08월22일
- 2020년06월06일
- 2019년08월04일
- 2019년04월27일
- 2019년03월03일
- 2018년08월19일
- 2018년04월28일
- 2018년03월04일
- 2017년08월26일
- 2017년05월07일
- 2017년03월05일
- 2016년08월21일
- 2016년05월08일
- 2016년03월06일
- 2015년08월16일
- 2015년05월31일
- 2015년03월08일
- 2014년08월17일
- 2014년05월25일
- 2014년03월02일
- 2013년08월18일
- 2013년06월02일
- 2013년03월10일
- 2012년08월26일
- 2012년05월20일
- 2012년03월04일
- 2011년08월21일
- 2011년06월12일
- 2011년03월20일
- 2010년07월25일
- 2010년05월09일
- 2010년03월07일
- 2009년07월26일
- 2009년05월10일
- 2009년03월01일
- 2008년07월27일
- 2008년05월11일
- 2008년03월02일
- 2007년08월05일
- 2007년05월13일
- 2007년03월04일
- 2006년08월06일
- 2006년05월14일
- 2006년03월05일
- 2005년08월07일
- 2005년05월29일
- 2005년03월06일
- 2004년08월08일
- 2004년05월23일
- 2004년03월07일
- 2003년08월10일
- 2003년05월25일
- 2003년03월16일