전기기사 (2008년05월11일 기출문제)
1과목 : 전기자기학
1번
진공중의 점 A에서 출력 50[kW]의 전자파를 방사하여 이것이 구면파로서 전파할 때 점 A에서 100[㎞] 떨어진 점 B에 있어서의 포인팅 벡터 값은 약 몇 [W/m2]인가?
2번
다음 중 유전체에서 전자분극이 나타나는 이유를 설명한 것으로 가장 알맞은 것은?
3번
반지름 1㎝인 원형 코일에 전류10A가 흐를 때, 코일의 중심에서 코일 면에 수직으로 √3[㎝] 떨어진 점의 자계의 세기는 몇[A/m]인가?
4번
자극의세기가 8×10-6Wb, 길이가 3[㎝]인 막대자석을 120[AT/m]의 평등 자계 내에 자력선과 30º의 각도로 놓으면 이 막대자석이 받는 회전력은 몇 [N·m]인가?
5번
다음 중 폐회로에 유도되는 유도 기전력에 관한 설명 중 가장 알맞은 것은?
6번
∇·J=-(∂ρ/ət)에 대한 설명으로 옳지 않는 것은?
7번
길이가 1[㎝], 지름이 5[㎜]인 동선에 1[A]의 전류를 흘렸을 때 전자가 동선에 흐르는데 걸린 평균 시간은 대략 얼마 인가? (단, 동선에서의 전자의 밀도는 1×1028[개/m3]라고 한다.)
8번
전자유도법칙과 관계가 가장 먼 것은?
9번
전지에 연결된 진공 평행판 콘덴서에서 진공 대신 어떤 유전체로 채웠더니 충전전하가 2배로 되었다면 전기 감수율(susceptibility) Xer은 얼마인가?
10번
간격 3[㎝], 면적 30[cm2]의 평판 콘덴서에 220[V]의 전압을 가하면 양판 간에 작용하는 힘은 약 몇 N 인가?
11번
다음 중 전계 E가 보존적인 것과 관계되지 않는 것은?
12번
점전하에 의한 전위함수가 V=x2+y2[V]로 주어진 전계가 있을 때 이 전계의 전기력선의 방정식은? (단, A는 상수이다)
13번
반지름이 3[㎝]인 원형 단면을 가지고 있는 환상 연철심에 코일을 감고 여기에 전류를 흘려서 철심 중의 자계 세기가 400[AT/m]가 되도록 여자할 때, 철심 중의 자속 밀도는 약 몇 [Wb/m2]인가? (단, 철심의 비투자율은 400이라고 한다.)
14번
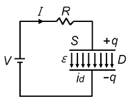
다음 그림은 콘덴서 내의 변위전류에 대한 설명이다. 이 콘덴서의 전극 면적을 S[m2], 전극에 저축된 전하를 q[C], 전극의 표면전하 밀도를 σ[C/m2], 전극 사이의 전속밀도를 D[C/m2]라 하면 변위전밀도 id[A/m2]의 값은?

15번
내부장치 또는 공간을 물질로 포위시켜 외부 자계의 영향을 차폐시키는 방식을 자기 차폐라 한다. 다음 중 자기차폐에 가장 좋은 것은?
16번
다음 중 무한 솔레노이드에 전류가 흐를 때에 이에 대한 설명으로 가장 알맞은 것은?
17번
유전체 내의 전속밀도를 정하는 원천은?
18번
전위함수 V=5x2y+z[V]일 때 점(2, -2, 2)에서 체적 전하밀도 ρ[C/m3]의 값은? (단, ɛ0는 자유공간의 유전율이다.)
19번
매질이 완전유전체인 경우의 전자 파동방정식을 표시하는 것은?
20번
다음 중 거리 r에 반비례하는 것은?
2과목 : 전력공학
21번
다음 중 송전계통에서 안정도 증진과 관계없는 것은?
22번
배전선로에서 수용가에의 공급 전압을 허용 범위 내에 유지하기 위해서 적용하는 방법이 아닌 것은?
23번
전력선에 의한 통신선로의 전자유도장해의 주된 발생요인으로 가장 알맞은 것은?
24번
66[kV] 3상 1회선 송전선로에서 1선의 리액턴스가 22[Ω], 전류가 300[A]일 때 % 리액턴스는?
25번
다음 중 원자로 냉각재의 구비 조건으로 적절하지 않은 것은?
26번
22.9[kV] 가공배전선로에서 주 공급선로의 정전사고 시예비 전원 선로로 자동 전환되는 개폐장치는?
27번
동기조상기에 대한 설명 중 옳지 않은 것은?
28번
어느 발전소에서 40000[kWh]를 발전하는데 발열량 5000[kcal/㎏]의 석탄을 20톤 사용하였다. 이 화력발전소의 열효율은 약 몇 [%]인가?
29번
어느 수차의 정격회전수가 450[rpm]이고 유효낙차가 220[m]일 때 출력은 6000[kW]이었다. 수차의 특유속도는 약 몇 [m·kW]인가?
30번
송전전력, 선간전압, 부하역률, 전력손실 및 송전거리를 동일하게 하였을 경우 단상 2선식에 대한 3상 3선식의 총 전선량(중량)비는 얼마인가?
31번
송전선로에 매설지선을 설치하는 목적으로 알맞은 것은?
32번
저압뱅킹 배전방식에서 캐스케이딩현상을 방지하기 위하여 인접 변압기를 연락하는 저압선의 중간에 설치하는 것으로 알맞은 것은?
33번
직류송전방식이 교류 송전방식에 비하여 유리한 점을 설명한 것으로 옳지 않은 것은?
34번
송전단전압 161[kV], 수전단전압154[kV], 상차각 40°, 리액턴스 45[Ω]일 때 선로 손실을 무시하면 전송전력은 약 몇 [MW]인가?
35번
66[kV], 60[Hz] 3상 1회선 송전선이 통신선과 나란히 가선되어 있다. 송전선의 1선지락 사고로 영상전류가 80[A] 흐를 때 통신선에 유기되는 전자 유도 전압은 약 몇 V인가? (단, 영상전류는 전 전선에 걸쳐 같은 크기이고 상호 인덕턴스는 0.05[mH/㎞]이며, 송전선과 통신선의 병행길이는 40㎞이다.)
36번
복도체에 있어서 소도체의 반지름을 r[m], 소도체 사이의 간격을 S[m]라고 할 때 2개의 소도체를 사용한 복도체의 등가 반지름은?
37번
다음 중 무부하시의 충전전류 차단만이 가능한 기기는?
38번
다음 중 코로나 임계전압에 직접 관계가 없는 것은?
39번
한류리액터를 사용하는 가장 큰 목적은?
40번
20[kV] 미만의 옥내 변류기로 주로 사용되는 것은?
3과목 : 전기기기
41번
교류발전기의 손실은 단자전압 및 역률이 일정할 때 P=Po+αI+βI2으로 된다. 부하전류I가 어떤 값일 때 발전기 효율이 최대가 되는가? (단, Po는 무부하손이며 α, β는 계수이다.)
42번
다음은 IGBT에 관한 설명이다. 잘못된 것은?
43번
변압기의 단락시험과 관계가 없는 것은?
44번
3상 유도전동기의 기동법 중 전전압 기동에 대한 설명으로 옳지 않은 것은?
45번
직류 발전기를 병렬운전 하는데 균압선을 설치하는 발전기는?
46번
변압기의 누설 리액턴스를 줄이는 가장 효과적인 방법은 어느 것인가?
47번
3상 유도기에서 출력의 변환식으로 옳은 것은?
48번
3300/210[V], 10[kVA]의 단상변압기가 있다. % 저항강하는 3[%], % 리액턴스 강하는4[%]이다. 이 변압기가 무부하인 경우의 2차 단자전압은 약 몇[V]인가? (단, 변압기는 지역률 80[%]일 때 정격출력을 낸다고 한다.)
49번
200[V], 60[Hz], 6극, 10[kW]의 3상 유도 전동기가 있다. 전부하시의 회전수가 1152[rpm]이면 회전자 기전력의 주파수는 몇 [Hz]인가?
50번
AC 서보전동기(AC servomotor)의 설명 중 틀린 것은?
51번
동기기의 3상 단락 곡선이 직선이 되는 이유로 가장 알맞은 것은?
52번
단락비가 큰 동기기에 대한 설명으로 알맞은 것은?
53번
4극, 7.5[kW], 200[V], 60[Hz]인 3상 유도 전동기가 있다. 전부하에서 2차 입력이 7950[W]이다. 이 경우에 2차 효율 [%]은 얼마인가? (단, 기계손은 130[W]이다.)
54번
동기발전기에서 기전력의 고조파가 감소해서 파형을 좋게 하고 권선의 리액턴스를 감소시키기 위하여 채택한 권선법으로 알맞은 것은?
55번
단상 50[kVA] 1차 3300[V], 2차 210[V], 60[Hz], 1차 권회수 550, 철심의 유효단면적 150[cm2]의 변압기 철심의 자속밀도[Wb/m2]는 약 얼마인가?
56번
직류 전동기의 규약효율은 어떤 식으로 표현 되는가?
57번
단상 유도 전압 조정기와 3상 유도 전압 조정기의 비교 설명으로 옳지 않은 것은?
58번
동기기의 전기자 저항을 r, 전기자 반작용 리액턴스를 Xa, 누설 리액턴스를 Xℓ이라고 하면 동기 임피던스를 표시하는 식은?
59번
3상 동기발전기의 여자전류 10[A]에 대한 단자전압이 1000√3[V], 3상 단락전류는 50[A]이다. 이때의 동기임피던스는 몇 [Ω]인가?
60번
사이리스터(Thyristor)에서는 게이트 전류가 흐르면 순방향의 저지상태에서 ( )상태로 된다. 게이트 전류를 가하여 도통완료까지의 시간을 ( )시간이라고 하나 이 시간이 길면 ( )시의 ( )이 많고 사이리스터 소자가 파괴되는 수가 있다. ( ) 안에 알맞은 내용을 순서대로 나열한 것은?
4과목 : 회로이론 및 제어공학
61번
그림과 같이 1개의 콘덴서와 2개의 코일이 직렬로 접속된 회로에 300[Hz]의 주파수가 공진한다고 한다. 콘덴서의 정전용량 및 코일의 자기 인덕턴스를 각각 C=25[μF], L1=4.3[mH], L2=4.6[mH]라고하면 코일 간의 상호 인덕턴스M 값은 약 몇 [mH]인가? (단, 코일은 같은 방향으로 감겨져 있고, 동일 축상에 놓여져 있는 것으로 한다.)

62번
R=5[Ω], L=1[H]의 직렬회로에 직류 10[V]를 가할 때 순간의 전류식은?
63번
V=3+5√2 sinωt+10√2 sin(3ωt-π/3[V]의 실효치는 몇 V인가?
64번
그림과 같은 4단자 회로의 4단자 정수 A, B, C, D에서 C의 값은?

65번
어느 함수가 f(t)=1-e-at인 것을 라플라스 변환하면?
66번
대칭 3상 전압이 a 상 Vɑ[V], b 상 Vb=ɑ2Vɑ[V], c 상 Vc=ɑVɑ일 때 a상을 기준으로 한 대칭분 전압 중 V1은 어떻게 표시되는가?
67번
전송 선로에서 무손실일 때, L=96[mH], C=0.6[μF]이면 특성 임피던스 [Ω]는?
68번
저항 R, 커패시턴스 C의 병렬회로에서 전원 주파수가 변할 때의 임피던스 궤적은?
69번
RC 저역 여파기 회로의 전달함수 G(jω)에서 ω=1/(RC)인 경우 |G(jω)|의 값은?

70번
그림과 같은 순저항 회로에서 대칭 3상 전압을 가할 때 각 선에 흐르는 전류가 같으려면 R의 값은 몇 [Ω]인가?

71번
전달함수 G(s)=10/(S2+3S+2)으로 표시되는 제어 계통에서 직류 이득은 얼마인가?
72번
아래 상태방정식, 출력 방정식에 대한 설명 중 맞는 것은?

73번
특성방정식 S2+KS+2K-1=0인 계가 안정될 K의 범위는?
74번
그림과 같은 블럭 선도에서 C의 값은?

75번
어떤 제어계의 전달함수가 G(s)=(2s+1)/(s2+s+1)로 표시될 때, 이 계에 입력 x(t)를 가했을 경우 출력 y(t)를 구하는 미분방정식으로 알맞은 것은?
76번
샘플링된 신호를 다음 샘플링 신호와 직선으로 연결하는 홀드를 무엇이라 하는가?
77번
단위 부궤환 제어시스템(unit negative feedback control system)의 개루프(open loop) 전달함수 G(s)가 다음과 같이 주어져 있다. 이때 다음 설명 중 틀린 것은?

78번
특성 방정식이 실수계수를 갖는 s의 유리 함수일 때 근궤적은 무슨 축에 대하여 대칭인가?
79번
다음 회로는 무엇을 나타낸 것인가?

80번
제어 목적에 의한 분류에 해당 되는 것은?
5과목 : 전기설비기술기준 및 판단기준
81번
교통신호등 회로의 사용전압은 몇 V 이하이어야 하는가?
82번
가공전선로의 지지물에 시설하는 통신선과 고압 가공 전선 사이의 이격거리는 몇 ㎝ 이상이어야 하는가?
83번
전기욕기용 전원장치의 금속제 외함 및 전선을 넣는 금속관에는 제 몇 종 접지공사를 하여야 하는가?(관련 규정 개정전 문제로 여기서는 기존 정답인 3번을 누르면 정답 처리됩니다. 자세한 내용은 해설을 참고하세요.)
84번
가공 전선이 다른 시설물과 접근하는 경우 그 가공전선이 다른 시설물의 위쪽 또는 옆쪽에서 수평거리로 3m미만인 곳에 시설되는 상태는 몇 차 접근상태인가?
85번
다음 중 욕실 등 인체가 물에 젖어 있는 상태에서 물을 사용하는 장소에 콘센트를 시설하는 경우에 적합한 누전차단기는?
86번
154kV의 특별고압 가공전선을 사람이 쉽게 들어갈 수 없는 산지(山地) 등에 시설하는 경우 지표상의 높이는 몇 m 이상으로 하여야 하는가?
87번
다음 중 특별고압의 전선로로 시설하여서는 아니 되는 것은?
88번
과전류 차단기로 저압전로에 사용하는 퓨즈를 수평으로 붙인 경우의 동작 특성으로 옳은 것은? (단, 정격전류는 30A라고 한다.)(오류 신고가 접수된 문제입니다. 반드시 정답과 해설을 확인하시기 바랍니다.)
89번
사용전압 60000V인 특별고압가공전선과 그 지지물·지주·완금류 또는 지선 사이의 이격거리는 일반적으로 몇 ㎝ 이상이어야 하는가?
90번
지중전선로의 시설에 관한 사항으로 옳은 것은?
91번
금속제 수도관로 또는 철골, 기타의 금속제를 접지극으로 사용한 제1종 또는 제2종 접지공사의 접지선 시설방법은 어느 것에 준하여 시설하여야 하는가?(오류 신고가 접수된 문제입니다. 반드시 정답과 해설을 확인하시기 바랍니다.)
92번
발전소에 계측장치를 설치하여 계측하는 사항에 포함되지 않는 것은?
93번
저압 전로의 중성점에 접지선으로 시설하는 연동선의 지름은 몇 ㎜ 이상이어야 하는가?(관련 규정 개정전 문제로 여기서는 기존 정답인 2번을 누르면 정답 처리됩니다. 자세한 내용은 해설을 참고하세요.)
94번
태양전지 발전소에 시설하는 태양전지 모듈을 옥내에 시설할 경우 사용하는 공사방법에 포함되지 않는 것은?
95번
사용전압이 220V인 경우 애자사용 공사에서 전선과 조영재 사이의 이격거리는 몇 ㎝ 이상이어야 하는가?
96번
사용전압이 380V인 저압 전로의 전선 상호간의 절연저항은 몇MΩ 이상이어야 하는가?(오류 신고가 접수된 문제입니다. 반드시 정답과 해설을 확인하시기 바랍니다.)
97번
66kV 가공전선로에 6kV 가공전선을 동일 지지물에 시설하는 경우 특별 고압 가공전선은 케이블인 경우를 제외하고 인장강도가 몇kN 이상의 연선이어야 하는가?
98번
가공 전선로의 지지물에 시설하는 지선의 시방 세목으로 옳은 것은?
99번
금속제 지중 관로에 대하여 전식 작용에 의한 장해를 줄 우려가 있어 배류 시설에 선택배류기를 사용하였다. 이때 선택 배류기를 보호할 목적으로 어떤 것을 시설하여야 하는가?
100번
다음 중 터널 안 전선로의 시설방법으로 옳은 것은?
연도별
- 2022년04월24일
- 2022년03월05일
- 2021년08월14일
- 2021년05월15일
- 2021년03월07일
- 2020년09월26일
- 2020년08월22일
- 2020년06월06일
- 2019년08월04일
- 2019년04월27일
- 2019년03월03일
- 2018년08월19일
- 2018년04월28일
- 2018년03월04일
- 2017년08월26일
- 2017년05월07일
- 2017년03월05일
- 2016년08월21일
- 2016년05월08일
- 2016년03월06일
- 2015년08월16일
- 2015년05월31일
- 2015년03월08일
- 2014년08월17일
- 2014년05월25일
- 2014년03월02일
- 2013년08월18일
- 2013년06월02일
- 2013년03월10일
- 2012년08월26일
- 2012년05월20일
- 2012년03월04일
- 2011년08월21일
- 2011년06월12일
- 2011년03월20일
- 2010년07월25일
- 2010년05월09일
- 2010년03월07일
- 2009년07월26일
- 2009년05월10일
- 2009년03월01일
- 2008년07월27일
- 2008년05월11일
- 2008년03월02일
- 2007년08월05일
- 2007년05월13일
- 2007년03월04일
- 2006년08월06일
- 2006년05월14일
- 2006년03월05일
- 2005년08월07일
- 2005년05월29일
- 2005년03월06일
- 2004년08월08일
- 2004년05월23일
- 2004년03월07일
- 2003년08월10일
- 2003년05월25일
- 2003년03월16일