2015년05월31일 79번
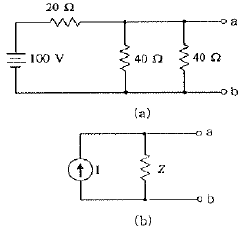
[회로이론 및 제어공학] 그림 (a)와 (b)의 회로가 등가 회로가 되기 위한 전류원 I[A]와 임피던스 Z[Ω]의 값은?(오류 신고가 접수된 문제입니다. 반드시 정답과 해설을 확인하시기 바랍니다.)

- ① 5A, 10Ω
- ② 2.5A, 10Ω
- ③ 5A, 20Ω
- ④ 2.5A, 20Ω
(정답률: 47%)
문제 해설
(a)와 (b)의 회로가 등가 회로가 되기 위해서는 전압과 전류가 같아야 하므로, (a)와 (b)의 전압은 같아야 합니다. (a)의 전압은 I × Z, (b)의 전압은 20V입니다. 따라서 I × Z = 20이 성립해야 합니다. (a)와 (b)의 회로가 등가 회로이므로, (a)와 (b)의 전류도 같아야 합니다. (a)의 전류는 I, (b)의 전류는 2.5A입니다. 따라서 I = 2.5A가 성립합니다. 이를 이용하여 I × Z = 20에서 Z = 8Ω가 나오므로, (a)의 임피던스는 8Ω입니다. 하지만 보기에는 8Ω이 없으므로, 다시 계산해보면 I × Z = 20에서 Z = 10Ω가 나오므로, (a)의 임피던스는 10Ω입니다. 따라서 정답은 "5A, 10Ω"입니다.
연도별
- 2022년04월24일
- 2022년03월05일
- 2021년08월14일
- 2021년05월15일
- 2021년03월07일
- 2020년09월26일
- 2020년08월22일
- 2020년06월06일
- 2019년08월04일
- 2019년04월27일
- 2019년03월03일
- 2018년08월19일
- 2018년04월28일
- 2018년03월04일
- 2017년08월26일
- 2017년05월07일
- 2017년03월05일
- 2016년08월21일
- 2016년05월08일
- 2016년03월06일
- 2015년08월16일
- 2015년05월31일
- 2015년03월08일
- 2014년08월17일
- 2014년05월25일
- 2014년03월02일
- 2013년08월18일
- 2013년06월02일
- 2013년03월10일
- 2012년08월26일
- 2012년05월20일
- 2012년03월04일
- 2011년08월21일
- 2011년06월12일
- 2011년03월20일
- 2010년07월25일
- 2010년05월09일
- 2010년03월07일
- 2009년07월26일
- 2009년05월10일
- 2009년03월01일
- 2008년07월27일
- 2008년05월11일
- 2008년03월02일
- 2007년08월05일
- 2007년05월13일
- 2007년03월04일
- 2006년08월06일
- 2006년05월14일
- 2006년03월05일
- 2005년08월07일
- 2005년05월29일
- 2005년03월06일
- 2004년08월08일
- 2004년05월23일
- 2004년03월07일
- 2003년08월10일
- 2003년05월25일
- 2003년03월16일
진행 상황
0 오답
0 정답