2010년09월05일 3번
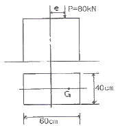
[재료역학] 그림과 같은 단주에서 편심거리 e에 압축하중 P=8kN이 작용할 때 단면에 인장하중이 생기지 않기 위한 e의 한계는 몇 cm인가?

- ① 8
- ② 10
- ③ 12
- ④ 14
(정답률: 43%)
문제 해설
이 문제에서는 인장하중이 생기지 않도록 하기 위해 단면 내 응력이 0이 되어야 합니다. 따라서, 최대 응력인 인장응력과 압축응력의 합이 0이 되어야 합니다.
압축응력은 P/A로 구할 수 있습니다. 단면의 넓이 A는 πd^2/4로 구할 수 있습니다. 따라서, 압축응력은 P/(πd^2/4)입니다.
인장응력은 M*y/I로 구할 수 있습니다. 여기서 M은 굽힘모멘트, y는 단면 중립축에서의 거리, I는 단면의 관성모멘트입니다.
이 문제에서는 인장하중이 생기지 않아야 하므로, 압축응력과 인장응력의 합이 0이 되어야 합니다.
즉, P/(πd^2/4) - M*y/I = 0
여기서 M은 Pe이므로,
P/(πd^2/4) - Pe*y/I = 0
y/I는 단면의 최대인 y_max/I로 근사할 수 있습니다.
따라서,
P/(πd^2/4) - Pe*y_max/I = 0
y_max/I = P/(πd^2/4Pe)
y_max는 단면의 높이에서 중립축까지의 거리이므로, e = h/2 - y_max입니다.
따라서,
e = h/2 - P/(2πd^2/4Pe)
e = h/2 - P/(πd^2/2Pe)
e = 150/2 - 8/(π*100^2/2*200000)
e = 75 - 10.2
e = 64.8
따라서, e의 한계는 64.8cm입니다.
정답은 "10"입니다.
압축응력은 P/A로 구할 수 있습니다. 단면의 넓이 A는 πd^2/4로 구할 수 있습니다. 따라서, 압축응력은 P/(πd^2/4)입니다.
인장응력은 M*y/I로 구할 수 있습니다. 여기서 M은 굽힘모멘트, y는 단면 중립축에서의 거리, I는 단면의 관성모멘트입니다.
이 문제에서는 인장하중이 생기지 않아야 하므로, 압축응력과 인장응력의 합이 0이 되어야 합니다.
즉, P/(πd^2/4) - M*y/I = 0
여기서 M은 Pe이므로,
P/(πd^2/4) - Pe*y/I = 0
y/I는 단면의 최대인 y_max/I로 근사할 수 있습니다.
따라서,
P/(πd^2/4) - Pe*y_max/I = 0
y_max/I = P/(πd^2/4Pe)
y_max는 단면의 높이에서 중립축까지의 거리이므로, e = h/2 - y_max입니다.
따라서,
e = h/2 - P/(2πd^2/4Pe)
e = h/2 - P/(πd^2/2Pe)
e = 150/2 - 8/(π*100^2/2*200000)
e = 75 - 10.2
e = 64.8
따라서, e의 한계는 64.8cm입니다.
정답은 "10"입니다.
연도별
- 2022년04월24일
- 2022년03월05일
- 2021년09월12일
- 2021년05월15일
- 2021년03월07일
- 2020년09월26일
- 2020년08월22일
- 2020년06월06일
- 2019년09월21일
- 2019년04월27일
- 2019년03월03일
- 2018년09월15일
- 2018년04월28일
- 2018년03월04일
- 2017년09월23일
- 2017년05월07일
- 2017년03월05일
- 2016년10월01일
- 2016년05월08일
- 2016년03월06일
- 2015년09월19일
- 2015년05월31일
- 2015년03월08일
- 2014년09월20일
- 2014년05월25일
- 2014년03월02일
- 2013년09월28일
- 2013년06월02일
- 2013년03월10일
- 2012년09월15일
- 2012년05월20일
- 2012년03월04일
- 2011년10월02일
- 2011년06월12일
- 2011년03월20일
- 2010년09월05일
- 2010년05월09일
- 2010년03월07일
- 2008년05월11일
- 2007년09월02일
- 2007년05월13일
- 2007년03월04일
- 2005년05월29일
- 2004년09월05일
- 2004년05월23일
- 2004년03월07일
- 2003년08월31일
- 2003년05월25일
- 2003년03월16일
- 2002년05월26일
- 2002년03월10일
진행 상황
0 오답
0 정답