2010년09월05일 5번
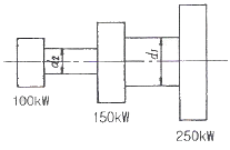
[재료역학] 다음 그림과 같이 3개의 풀 리가 동력을 전달하고 있다. 250kW의 동력을 받아 150kW를 중간 풀 리가 소비하고 좌측 끝의 풀 리가 나머지 100kW을 소비한다. 각 풀리 사이의 축에 발생하는 전단응력을 같게 하기 위해서는 지름의 비 d1:d2는 얼마로 하면 되는가?

-
①
-
②
-
③
-
④
(정답률: 29%)
문제 해설
각 풀리에서 받는 동력은 동일하므로, 좌측 끝의 풀리에서 받는 동력이 100kW이므로, 중간 풀리에서 받는 동력은 150kW이다. 이때 중간 풀리에서 소비하는 동력은 150kW이므로, 우측 끝의 풀리에서 소비하는 동력은 250kW - 150kW - 150kW = -50kW이다. 따라서 우측 끝의 풀리는 동력을 생산하는 역할을 하게 된다. 이때, 각 풀리에서 발생하는 전단응력은 동력과 회전수에 비례하므로, 각 풀리의 지름 비는 동력과 회전수의 비와 같다. 좌측 끝의 풀리에서 발생하는 전단응력을 1로 놓고, 중간 풀리와 우측 끝의 풀리에서 발생하는 전단응력을 각각 x, y라고 하면, 다음과 같은 식이 성립한다.
x/y = (150/250) / (150/100) = 2/3
따라서, 중간 풀리와 우측 끝의 풀리의 지름 비는 2:3이어야 한다. 따라서 정답은 "
"이다.
보기 중 "
"가 정답인 이유는 위에서 구한 지름 비가 2:3이므로, "
"가 이에 해당하기 때문이다.
x/y = (150/250) / (150/100) = 2/3
따라서, 중간 풀리와 우측 끝의 풀리의 지름 비는 2:3이어야 한다. 따라서 정답은 "
"이다.보기 중 "
"가 정답인 이유는 위에서 구한 지름 비가 2:3이므로, "
"가 이에 해당하기 때문이다.
연도별
- 2022년04월24일
- 2022년03월05일
- 2021년09월12일
- 2021년05월15일
- 2021년03월07일
- 2020년09월26일
- 2020년08월22일
- 2020년06월06일
- 2019년09월21일
- 2019년04월27일
- 2019년03월03일
- 2018년09월15일
- 2018년04월28일
- 2018년03월04일
- 2017년09월23일
- 2017년05월07일
- 2017년03월05일
- 2016년10월01일
- 2016년05월08일
- 2016년03월06일
- 2015년09월19일
- 2015년05월31일
- 2015년03월08일
- 2014년09월20일
- 2014년05월25일
- 2014년03월02일
- 2013년09월28일
- 2013년06월02일
- 2013년03월10일
- 2012년09월15일
- 2012년05월20일
- 2012년03월04일
- 2011년10월02일
- 2011년06월12일
- 2011년03월20일
- 2010년09월05일
- 2010년05월09일
- 2010년03월07일
- 2008년05월11일
- 2007년09월02일
- 2007년05월13일
- 2007년03월04일
- 2005년05월29일
- 2004년09월05일
- 2004년05월23일
- 2004년03월07일
- 2003년08월31일
- 2003년05월25일
- 2003년03월16일
- 2002년05월26일
- 2002년03월10일
진행 상황
0 오답
0 정답